Электросхема FM (4) VOLVO 2013 г.
Перечень электросхем
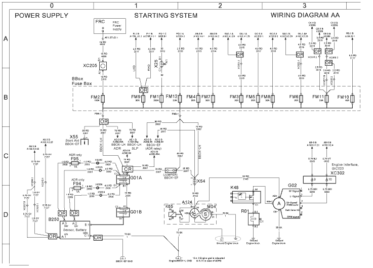
- AA Power supply, starting system
- AB Power distribution, CCIOM
- AC Main switch, UADR
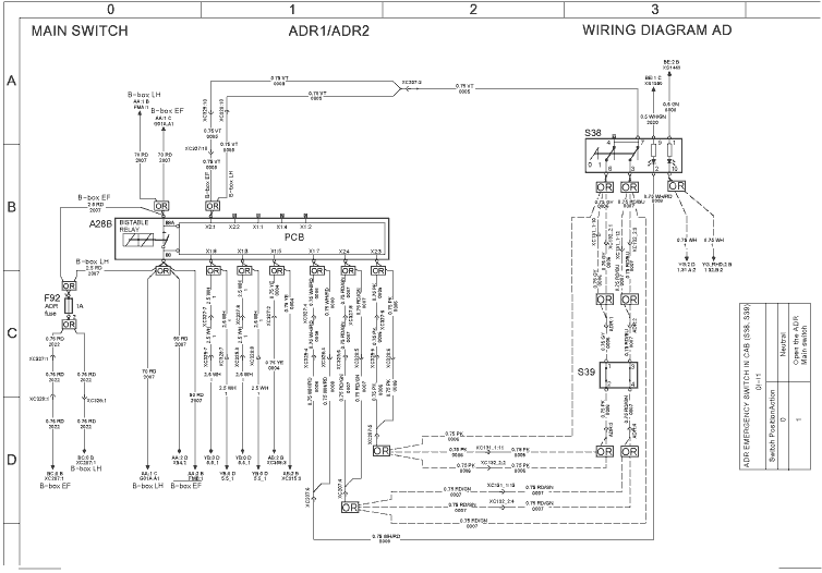
- AD Main switch, ADR1/ADR2
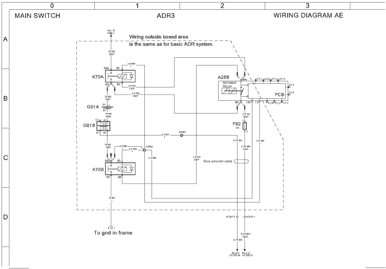
- AE Main switch, ADR3
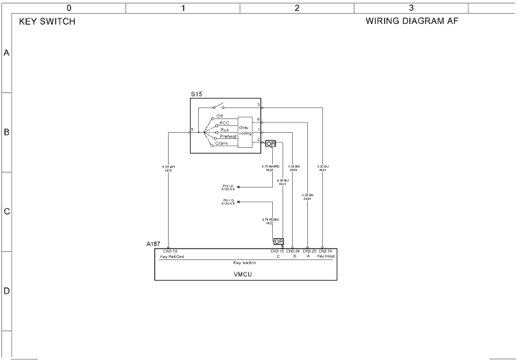
- AF Key switch
- BA Instrument
- BC Tachograph
- BE VMCU, Vehicle Master Control Unit
- BG CIOM, Cab IO Module
- BU TIS Telematics service
- BU1 TIS Telematics service
- BX TIS Toll collect, FMS connector
- CA Engine interface
- CA1 Engine interface, networks
- CB Engine D11, EM-EU3/4/5, page 1
- Engine D11, EM-EU3/4/5, page 2
- Engine D11, EM-EU6, page 1
- Engine D11,,EM-EU6, page 2
- Engine D13, EM-EC01
- Engine D13, EM-EC06/EM-EU5, page 1
- Engine D13, EM-EC06/EM-EU5, page 2
- Engine D13, EM-EU6, page 1
- Engine D13, EM-EU6, page 2
- CE After treatment system, EM-EU5
- CE1 After treatment system, EM-EU5
- CF After treatment system, Adblue tank control, EM-EU5
- CK After treatment system, EM-EU6
- CK1 After treatment system, EM-EU6
- CL After treatment system, Adblue tank control, EM-EU6
- DA Transmission, manual (interface)
- DA1 Transmission, manual (gearbox and retarder)
- DC Transmission , I-SHIFT (interface)
- DC1 Transmission, I-SHIFT (gearbox and retarder)
- DC2 Transmission, Powertronic and retarder
- DG Differential lock and fuel level sensor
- DK Retarder (interface)
- DM Retarder (interface) EM-EU6
- EA ABS
- EE EBS, control unit
- EF EBS, front axle modulator
- EG EBS, rear axle modulator
- EH EBS, 6x2 and tridem
- EI EBS, trailer modulator
- FA Air-suspension, front
- FB Suspension, level sensor, WRG
- FC Air-suspension, rear, 6x2, 6x4 and tridem, valves
- FD Air-suspension, rear, 4x2
- FE Air management, APM, Air Production Modulator with EPB
- FH Front axle steering, hydraulic
- FI Front axle steering, electronic, FAS, LHD
- FL Rear axle steering, electronic, RAS
- FM Rear axle steering, self steering, RAS
- FO EAS, extra axle steering
- FQ Bogie lift, A-ride with load sensor
- GA Exterior light, front, left, road
- GA1 Exterior light, front, left, construction
- GB Exterior light, front, right, road
- GB1 Exterior light, front, right, construction
- GC Exterior light, rear
- GE Exterior light, side and load light
- GF Exterior light, roof, identification light
- GK Trailer connection, RIGID
- GL Trailer connection, TRACTOR
- GM Trailer connections, RIGID TREL-14
- GP Wiper, washer
- HA Climate unit
- HC Parking heater, water
- HD Parking heater, air
- HE Amb. temp, short stop heater, AC clutch
- HF Fuel hose heater
- HK Roof coole
- IA Interior light
- IB Interior light
- IC Interior light, instep light
- IF Comfort accessories
- IG 12V power supply 20A/20A/11A
- IK Audio
- IO Video switch, camera, SID display
- IP Horn
- IR Door, left
- IS Door, right
- IT Seats
- IU Sun roof, sun visor
- KA Cab tilt
- LA Lubrication system
- NA Body builder, BBM
- NB Body builder, VMCU
- NC Body builder, CCIOM, PTO
- ND Body builder electrical center
- ND1 Body builder electrical center AUXSW4
- ND2 Body builder, Tipper prep kit
- NE Body builder electrical center, extra lighting
- NF Body builder extra lighting
- NK Body builder plough lamps
- NL Body builder preparation kit
- PA DACU, Driver Assistance Control Unit
- PB Lane position
- PE SRS, Supplementary Restrain System, airbag
- PH Alcolock, start prevention system
- RA Alarm
- SA Backbone 1
- SB Backbone 2
- SC Cab subnet
- SD Chassis subnet
- SE Infotainment subnet
- SF Security subnet
- SK Switch module topology, CIOM
- SL Switch module topology, HMIIOM
- XA OBD interface
- YA Ground, chassis, ECU
- YB Ground, chassis, front/rear load
- YD Ground, chassis, lower front
- YF Ground, cab, FRC, BBEC
- YG Ground, cab, instrument panel
- YG_RHD Ground, cab, instrument panel, RHD
- YH Ground, cab, instrument panel
- YH_RHD Ground, cab, instrument panel, RHD
- YK Ground, cab, front shelf
- YM Ground, cab, lower bunk/floor
- YN Ground, cab, firewall, cockpit carrier plate





Полный объем информации по электросхемам VOLVO
могут просматривать и распечатывать в высоком качестве только пользователи




