Регулировка клапана LSPV на ISUZU NKR-55E
Регулировку произвести с нагрузкой на заднюю ось 900 кг.
В случае отсутствия манометров для измерения давления в тормозной системе допускается
альтернативный способ регулировки.
Процедура регулировки LSPV
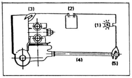
Регулировка проводится с помощью контрольной лампы, присоединенной к бортовой электросети
1. Установите вес задней оси равным 900 кг с помощью дополнительного груза.
Внимание:
Вес должен быть отрегулирован с человеком, сидящим на водительском сиденье.

2. Соедините «+» контрольной лампы (1) с «+» клеммой аккумулятора (2). «-» контрольной лампы (1) соедините с тягой клапана LSPV (4).
Соединение подобным образом необходимо для определения положения клапана при котором поршень внутри клапана коснется тяги.
Внимание:
Необходимо очистить изолирующее покрытие тяги (4) в месте присоединения зажима (5) контрольной лампы.

3. Ослабьте гайки (6) и поднимите клапан (7) вверх до упора. Медленно опускайте клапан до тех пор пока не загорится контрольная лампа (1). В этом положении затяните гайки (6)
Момент затяжки 12,7 (+3,0/-2,9) Нм

Внимание:
Если лампа (1) погасла во время затяжки гаек (6), то ослабьте гайки, слегка опустите клапан и снова затяните гайки.
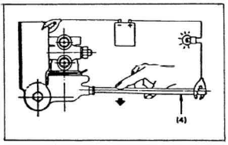
4. Нажмите на тягу (4) пальцем возле клапана слегка вниз (усилие 0.5-0.8 кг) и убедитесь, что лампа (1) погасла.
Лампа погасла: Регулировка закончена.
Лампа не погасла: Повторите операции 3-4.


