Электросхема тормозной системы ABS Mercedes Axor 940-944
А10: Электропитание на блоке управления ABS

- Электропитание на блоке управления ABS антиблокировочная система
- А10: Блок управления ABS антиблокировочная система
- XI: Штекерное соединение на блоке управления ABS антиблокировочная система
- XI 18/7: Клемма 15
- XI 18/8: Клемма ЗОЬ
- XI 18/9: Клемма 30а
- XI 18/10, XI 18/11, XI 18/12: Клемма 31
- 1: Соединение с клеммой Х9 18/1-18 на базовом модуле
- 2: Соединение с клеммой Х8 15/1-15 на базовом модуле
- 3: Соединение с клеммой Х13 18/1-18 на базовом модуле
ВЗО: Датчик числа оборотов на переднем мосту слева

- А10: Блок управления ABS антиблокировочная система
- В30: Левый датчик числа оборотов переднего моста
- Х2: Штекерное соединение на блоке управления ABS антиблокировочная система
- Х3.2: Штекерное соединение 'Плата штекеров - Кабина водителя - шасси'
В31: Датчик числа оборотов на переднем мосту справа

- А10: Блок управления ABS антиблокировочная система
- В31: Правый датчик числа оборотов переднего моста
- ХЗ: Штекерное соединение на блоке управления ABS антиблокировочная система
- Х3.2: Штекерное соединение 'Плата штекеров - Кабина водителя - шасси'
В32: Датчик числа оборотов на заднем мосту слева

- А10: Блок управления ABS антиблокировочная система
- В32: Левый датчик числа оборотов заднего моста
- Х4: Штекерное соединение на блоке управления ABS антиблокировочная система
- Х6.3: Штекерное соединение 'Плата штекеров - Кабина водителя - шасси'
- а: В настоящее время удлинительный провод отдатчика к жгуту проводов рамы устанавливается только при установленном барабанном тормозе.
ВЗЗ: Датчик числа оборотов на заднем мосту справа

- А10: Блок управления ABS антиблокировочная система
- ВЗЗ: Правый датчик числа оборотов заднего моста
- Х4: Штекерное соединение на блоке управления ABS антиблокировочная система
- Х6.3: Штекерное соединение 'Плата штекеров - Кабина водителя - шасси'
- а: В настоящее время удлинительный провод отдатчика к жгуту проводов рамы устанавливается только при установленном барабанном тормозе.
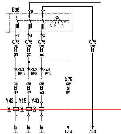
Y43: Электромагнитный клапан 'Блокировка межосевого дифференциала'

- Y43: Электромагнитный клапан 'Блокировка межосевого дифференциала'
- S38: Выключатель 'Блокировка дифференциала заднего моста'
- Х5.4 18/16: Штекерное соединение 'Плата штекеров - Кабина водителя - шасси'
Отключение блокировки межосевого дифференциала полного привода

- Отключение блокировки межосевого дифференциала полного привода
- XI: Штекерное соединение на блоке управления ABS антиблокировочная система
- 938: Соединение с клеммой S38/5
Указание:
- Клемма S38/5 находится на выключателе 'Блокировка дифференциала заднего моста'.
Y16: Электромагнитный клапан ABS на переднем мосту слева

- Y16: Электромагнитный клапан 'Передний мост слева'
- Х2: Штекерное соединение на блоке управления ABS антиблокировочная система
- Х3.2: Штекерное соединение 'Плата штекеров - Кабина водителя - шасси'
Y17: Электромагнитный клапан ABS на переднем мосту справа

- Y17: Электромагнитный клапан 'Передний мост справа'
- ХЗ: Штекерное соединение на блоке управления ABS антиблокировочная система
- Х3.2: Штекерное соединение 'Плата штекеров - Кабина водителя - шасси'
Y18: Электромагнитный клапан ABS на заднем мосту слева

- Y18: Левый электромагнитный клапан заднего моста
- Х4: Штекерное соединение на блоке управления ABS антиблокировочная система
- Х5.1: Штекерное соединение 'Плата штекеров - Кабина водителя - шасси'
Y19: Электромагнитный клапан ABS на заднем мосту справа

- Y19: Правый электромагнитный клапан заднего моста
- Х4: Штекерное соединение на блоке управления ABS антиблокировочная система
- Х5.1: Штекерное соединение 'Плата штекеров - Кабина водителя - шасси'
Zl: Точка звезды CAN

- Блок управления ABS антиблокировочная система
- 7: Шина CAN а/м
- XI 18/1, XI 18/3: Штекерное соединение на блоке управления ABS антиблокировочная система
- XI 18/7, XI 18/9: Штекерное соединение на точке звезды шины CAN а/м
Место установки: Блоки управления

- 1: FLA электрофакельный подогреватель воздуха
- 2: NR Система регулирования уровня кузова
- 3: WS система техобслуживания
- 4: HPS система гидропневматического переключения передач
- 5: FR система управления движением
- 6: ABS антиблокировочная система или BS тормозное управление
- 7: PSM параметрируемый спецмодуль
ВЗО: Левый датчик числа оборотов переднего моста

- Датчик числа оборотов на переднем мосту слева
В31: Правый датчик числа оборотов переднего моста

- Датчик числа оборотов на переднем мосту справа
В32: Левый датчик числа оборотов заднего моста

- Датчик числа оборотов на заднем мосту слева
ВЗЗ: Правый датчик числа оборотов заднего моста

- Датчик числа оборотов на заднем мосту справа
S38: Выключатель блокировки межосевого дифференциала

- Положение выключателя 0 означает: ВЫКЛЮЧЕНО
- Положение выключателя 1 означает: блокировка межосевого дифференциала раздаточной коробки и сквозного привода моста
- Положение выключателя 2 означает: блокировка межколёсного дифференциала заднего моста
- Положение выключателя 3 означает: блокировка межколёсного дифференциала переднего моста
Y16: Электромагнитный клапан ABS на переднем мосту слева

- Электромагнитный клапан ABS на переднем мосту слева
Y17: Электромагнитный клапан ABS на переднем мосту справа

- Электромагнитный клапан ABS на переднем мосту справа
Y18: Электромагнитный клапан ABS на заднем мосту слева

- ABS - Левый электромагнитный клапан заднего моста
Y19: Электромагнитный клапан ABS на заднем мосту справа

- ABS - Правый электромагнитный клапан заднего моста
Y43: Электромагнитный клапан 'Блокировка межосевого дифференциала'

- Электромагнитный клапан 'Блокировка межосевого дифференциала'
Место установки точки звезды CAN

- 1: Точка звезды CAN
Расположение штекерных соединений на блоке управления ABS антиблокировочная система

- 1: Штекерное соединение XI, 18--контактное
- 2: Штекерное соединение Х2, 6--контактное
- 3: Штекерное соединение ХЗ, 9--контактное
- 4: Штекерное соединение Х4, 15--контактное
Штекерные соединения на базовом модуле

- 30 : Электропитание
- 15 : Электропитание
- 31 : Масса
- Х9, Х10, Х12, Х13: 18-контактные штекерные соединения
- Х6, Х8: 15-контактные штекерные соединения
- XI, Х2, ХЗ, XII: 12-контактные штекерные соединения
- Х14: 10-контактные штекерные соединения
- Х5, Х7: 9-контактные штекерные соединения
- Х4: 8-контактные штекерные соединения
Распределение штекеров на электромагнитных клапанах ABS

- 4-контактное штекерное соединение, распределение контактов
Штекерные соединения платы штекеров кабина водителя - шасси

- Плата штекеров кабина водителя - шасси
Обзор через базовый модуль

- 1: Диагностический разъём, 14-контактный
- 2: Кронштейн диодов (А26)
- 3: Блоки предохранителей
- 4: Блоки предохранителей
- 5: Блоки предохранителей
- 6: Блок реле (А31)
- 7: Блок реле (А32)
- 8: Базовый модуль(А7)
Комбинация приборов

- 1: Регистратор поездок
- 2: Тахометр
- 3: Указатель уровня топлива
- 4: Указатель температуры охлаждающей жидкости
- 5: Указатель системного давления в тормозном контуре 2
- 6: Указатель системного давления в тормозном контуре 1
Диаграмма внутренних сопротивлений: Электромагнитные клапаны

- 1: Верхняя граница внутреннего сопротивления
- 2: Нижняя граница внутреннего сопротивления