Электросхемы управления двигателем MR OM906 Atego II
MR
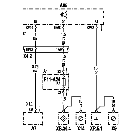
Предохранитель A1/F11-A24

- А1: Держатель предохранителя А1
- А7: Базовый модуль GM
- А95: Модуль SCR на раме (Евро 4 или Евро 5)
- F11-A24: Предохранитель Клемма 30
- Х4.2: Штекерное соединение 'Кабина водителя-шасси'
- ХВ.30.4: Место спайки проводов 'Кл. 30'
- XR.5.1: Место спайки проводов 'кл. 31'
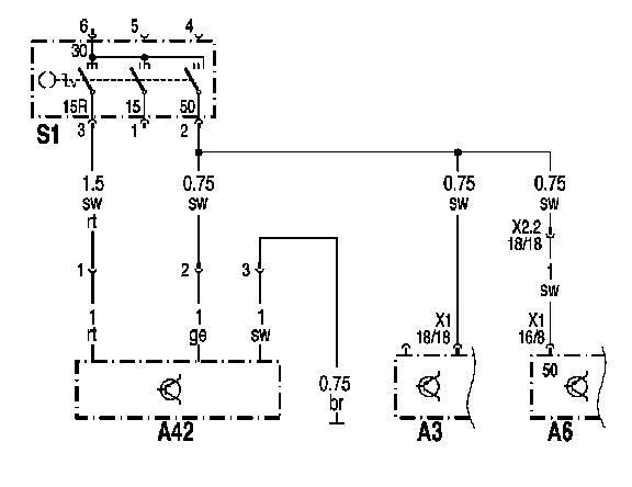
Фрагмент электросхемы WSP иммобилайзер

- АЗ: Блок управления FR система управления движением
- Аб: Блок управления MR система управления двигателем
- А42: Считывающий блок иммобилайзера
- S1: Замок зажигания
- Х2.2: Штекерные соединения платы штекеров кабина водителя - шасси
Датчик NOx

- А95: Модуль SCR на раме
- А113: Датчик NOx
Датчик температуры топлива

- Аб: Блок управления MR система управления двигателем
- Х2: Штекерное соединение (55-контактное)
- В10: Датчик температуры топлива
Заданные значения и параметры :
- Заданное сопротивление прим. при 25 °С: 1975 - 2155 Ом
- Заданное сопротивление прим. при 60 °С: 575 - 613 Ом
- Заданное сопротивление прим. при 90 °С: 239 - 249 Ом
- Заданное сопротивление прим. при 120 °С: 111 -117 Ом
Датчик температуры масла

- Аб: Блок управления MR система управления двигателем
- В11: Датчик температуры масла
- В12: Датчик давления масла
- В14: Датчик уровня масла
- S166: Датчик давления масла
- 100: На выбор в зависимости от исполнения
Заданные значения и параметры :
- Заданное сопротивление прим. при 25 °С: 1975 - 2155 Ом
- Заданное сопротивление прим. при 60 °С: 575 - 613 Ом
- Заданное сопротивление прим. при 90 °С: 239 - 249 Ом
- Заданное сопротивление прим. при 120 °С: 111 -117 Ом
Датчик давления масла

- Аб: Блок управления MR система управления двигателем
- В11: Датчик температуры масла
- В12: Датчик давления масла
- В14: Датчик уровня масла
- S166: Датчик давления масла
- 100: На выбор в зависимости от исполнения
Заданные значения и параметры :
- Напряжение питания : 5 V
- Напряжение датчиков : 0,5 V - 4,5 V
- Заданное значение при 0,5 бар: 0,5 В
- Заданное значение при 6 бар: 4,5 В
Датчик уровня масла

- Аб: Блок управления MR система управления двигателем
- В11: Датчик температуры масла
- В12: Датчик давления масла
- В14: Датчик уровня масла
- S166: Датчик давления масла
- 100: На выбор в зависимости от исполнения
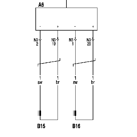
Фрагмент электросхемы датчика положения

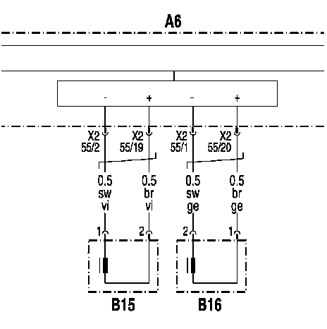
- Аб: Блок управления MR система управления двигателем
- Х2: Штекерное соединение (55-контактное)
- В15: Датчик положения коленвала
- В16: Датчик положения распредвала
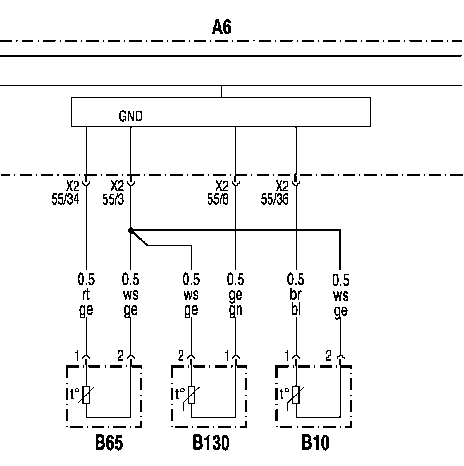
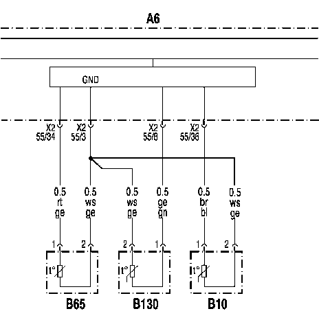
Датчик температуры охлаждающей жидкости

- Аб: Блок управления MR система управления двигателем
- Х2: Штекерное соединение (55-контактное)
- В65: Датчик температуры охлаждающей жидкости
Заданные значения и параметры :
- Заданное сопротивление прим. при 25 °С: 1975 - 2155 Ом
- Заданное сопротивление прим. при 60 °С: 575 - 613 Ом
- Заданное сопротивление прим. при 90 °С: 239 - 249 Ом
- Заданное сопротивление прим. при 120 °С: 111 -117 Ом
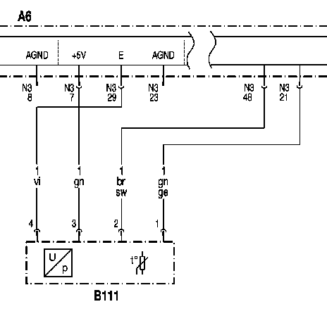
Комбинированный датчик 'Давление и температура нагнетаемого воздуха1

- Аб: Блок управления MR система управления двигателем
- Х2: Штекерное соединение (55-контактное)
- B111: Комбинированный датчик 'Давление и температура нагнетаемого воздуха'
Датчики температуры на катализаторе

- А95: Модуль SCR на раме (Евро 4 или Евро 5)
- В115: Датчик температуры перед катализатором
- В116: Датчик температуры после катализатора
Датчик 'Уровень/температура бака AdBlue1

- А95: Модуль SCR на раме (Евро 4 или Евро 5)
- В117: Датчик 'Уровень/температура бака AdBlue'
Датчик давления AdBlue / Датчик сжатого воздуха SCR

- Аб: Блок управления MR система управления двигателем
- В128: Датчик сжатого воздуха SCR
- В129: Датчик давления AdBlue
Датчик 'Влажность воздуха/температура воздуха'

- А95: Модуль SCR на раме (Евро 4 или Евро 5)
- В132: Датчик 'Влажность воздуха/температура воздуха'
Датчик температуры AdBlue

- Аб: Блок управления MR система управления двигателем
- В10: Датчик температуры топлива
- В65: Датчик температуры охлаждающей жидкости
- В130: Датчик температуры AdBlue
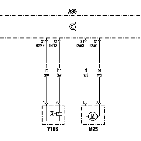
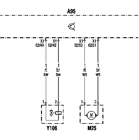
Насос AdBlue

- А95: Модуль SCR на раме (Евро 4 или Евро 5)
- М25: Насос AdBlue
- Y106: Электромагнитный клапан 'Ограничение сжатого воздуха'
Подогрев диффузора

- R28: Подогрев диффузора
Заданные значения и параметры :
- Диапазон заданного значения: 35 Ом - 65 Ом при 25 °С
Кнопка пуска и остановки двигателя

- Аб: Блок управления MR система управления двигателем
- N3: Штекерное соединение (55-контактное)
- S10: Кнопка пуска двигателя
- S11: Кнопка остановки двигателя
Переключающий клапан сжатого воздуха SCR

- А95: Модуль SCR на раме (Евро 4 или Евро 5)
- М25: Насос AdBlue
- Y106: Переключающий клапан сжатого воздуха SCR
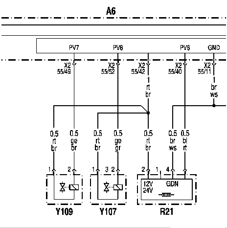
Электромагнитный клапан 'Подогрев бака AdBlue'

- Аб: Блок управления MR система управления двигателем
- Y107: Электромагнитный клапан 'Подогрев бака AdBlue'
- Y109: Дозирующий клапан AdBlue
- R21: Нагревательный фланец Нагнетаемый воздух (На выбор в зависимости от исполнения)
Дозирующий клапан AdBlue

- Аб: Блок управления MR система управления двигателем
- Y107: Электромагнитный клапан 'Подогрев бака AdBlue'
- Y109: Дозирующий клапан AdBlue
- R21: Нагревательный фланец Нагнетаемый воздух
Блокирующий клапан сжатого воздуха SCR

- А95: Модуль SCR на раме (Евро 4 или Евро 5)
- Y128: Блокирующий клапан сжатого воздуха SCR
Указание:
- Только на а/м GGVS
ТНВД цилиндров 1 ряда

- Аб: Блок управления MR система управления двигателем
- ВК1: Ряд 1
- К10...К15: Винтовые клеммы электромагнитных клапанов ТНВД цилиндров
- N3: Штекерное соединение (55-контактное)
- Y6...Y8: Электромагнитные клапаны ТНВД цилиндров 1...3 (на двигателе R6)
ТНВД цилиндров 2 ряда

- Аб: Блок управления MR система управления двигателем
- ВК2: Ряд 2
- К18...К21, К38, К58: Винтовые клеммы электромагнитных клапанов ТНВД цилиндров
- N3: Штекерное соединение (55-контактное)
- Y9...Y11: Электромагнитные клапаны ТНВД цилиндров 1...3 (на двигателе R6)
Шина данных CAN двигателя

- АЗ: Блок управления FR система управления движением
- Аб: Блок управления MR система управления двигателем
- XI: Штекерное соединение (16-контактное)
- Х2.2: Штекерное соединение (18-контактное)
- Х4: Штекерное соединение (18-контактное)
Указание :
- Место установки штекерного соединения Х2.2 на плате штекеров 'Кабина водителя - шасси'
CAN A95 - A6

- Аб: Блок управления MR система управления двигателем
- А95: Модуль SCR на раме (Евро 4 или Евро 5)
- Х2.1: Штекерное соединение 'Кабина водителя-шасси'
- Х4.2: Штекерное соединение 'Кабина водителя-шасси'
- Z3: Точка звезды CAN
EURO 4-5
Предохранитель A1/F11-A24

- А1: Держатель предохранителя А1
- А7: Базовый модуль GM
- А95: Модуль SCR на раме (Евро 4 или Евро 5)
- F11-A24: Предохранитель Клемма 30
- Х4.2: Штекерное соединение 'Кабина водителя-шасси'
- ХВ.30.4: Место спайки проводов 'Кл. 30'
- XR.5.1: Место спайки проводов 'кл. 31'
Датчик NOx

- А95: Модуль SCR на раме
- А113: Датчик NOx
Датчики температуры на катализаторе

- А95: Модуль SCR на раме (Евро 4 или Евро 5)
- В115: Датчик температуры перед катализатором
- В116: Датчик температуры после катализатора
Датчик 'Уровень/температура бака AdBlue1

- А95: Модуль SCR на раме (Евро 4 или Евро 5)
- В117: Датчик 'Уровень/температура бака AdBlue'
Датчик давления AdBlue / Датчик сжатого воздуха SCR

- Аб: Блок управления MR система управления двигателем
- В128: Датчик сжатого воздуха SCR
- В129: Датчик давления AdBlue
Датчик 'Влажность воздуха/температура воздуха1

- А95: Модуль SCR на раме (Евро 4 или Евро 5)
- В132: Датчик 'Влажность воздуха/температура воздуха'
Датчик температуры AdBlue

- Аб: Блок управления MR система управления двигателем
- В10: Датчик температуры топлива
- В65: Датчик температуры охлаждающей жидкости
- В130: Датчик температуры AdBlue
Стартер с реле стартера

- АЗ: Блок управления FR система управления движением
- Аб: Блок управления MR система управления двигателем
- А7: Блок управления Базовый модуль GM
- F14-A7: Предохранитель Клемма 30 - FR система управления движением
- F21-A7: Предохранитель Клемма 15 - Система управления двигателем / Генератор
- F28-A7: Предохранитель Клемма 15 - FR система управления движением
- G2: Генератор
- КЗ: Реле 'Клемма 15' Система управления двигателем
- K4: Реле 'Клемма 15' FR система управления движением
- M1 : Стартер с реле стартера
- Х128: Распределитель электроэнергии 'клемма 30'
- Х129: Распределитель электроэнергии 'клемма 31'
Насос AdBlue

- А95: Модуль SCR на раме (Евро 4 или Евро 5)
- М25: Насос AdBlue
- Y106: Электромагнитный клапан 'Ограничение сжатого воздуха'
Подогрев диффузора

- R28: Подогрев диффузора
Заданные значения и параметры :
- Диапазон заданного значения: 35 Ом - 65 Ом при 25 °С
Переключающий клапан сжатого воздуха SCR

- А95: Модуль SCR на раме (Евро 4 или Евро 5)
- М25: Насос AdBlue
- Y106: Переключающий клапан сжатого воздуха SCR
Электромагнитный клапан 'Подогрев бака AdBlue'

- Аб: Блок управления MR система управления двигателем
- Y107: Электромагнитный клапан 'Подогрев бака AdBlue'
- Y109: Дозирующий клапан AdBlue
- R21: Нагревательный фланец Нагнетаемый воздух (На выбор в зависимости от исполнения)
Дозирующий клапан AdBlue

- Аб: Блок управления MR система управления двигателем
- Y107: Электромагнитный клапан 'Подогрев бака AdBlue'
- Y109: Дозирующий клапан AdBlue
- R21: Нагревательный фланец Нагнетаемый воздух
Блокирующий клапан сжатого воздуха SCR

- А95: Модуль SCR на раме (Евро 4 или Евро 5)
- Y128: Блокирующий клапан сжатого воздуха SCR
Указание:
- Только на а/м GGVS
Шина данных CAN двигателя

- АЗ: Блок управления FR система управления движением
- Аб: Блок управления MR система управления двигателем
- XI: Штекерное соединение (16-контактное)
- Х2.2: Штекерное соединение (18-контактное)
- Х4: Штекерное соединение (18-контактное)
Указание :
- Место установки штекерного соединения Х2.2 на плате штекеров 'Кабина водителя - шасси'
CAN A95 - A6

- Аб: Блок управления MR система управления двигателем
- А95: Модуль SCR на раме (Евро 4 или Евро 5)
- Х2.1: Штекерное соединение 'Кабина водителя-шасси'
- Х4.2: Штекерное соединение 'Кабина водителя-шасси'
- Z3: Точка звезды CAN
MR (PLD)
Фрагмент электросхемы WSP иммобилайзер

- S1: Замок зажигания
- А42: WSP иммобилайзер
- АЗ: FR система управления движением
- Аб: MR система управления двигателем
Датчик температуры топлива

- Аб: Блок управления MR система управления двигателем
- N3: Штекерное соединение (55-контактное)
- В10: Датчик температуры топлива
Датчик уровня масла

- Аб: Блок управления MR система управления двигателем
- N3: Штекерное соединение (55-контактное)
- В14: Датчик уровня масла
Фрагмент электросхемы датчика положения

- Аб: Блок управления MR система управления двигателем
- N3: Штекерное соединение (55-контактное)
- В15: Датчик положения коленвала
- В16: Датчик положения распредвала
Датчик температуры охлаждающей жидкости

- Аб: Блок управления MR система управления двигателем
- N3: Штекерное соединение (55-контактное)
- В65: Датчик температуры охлаждающей жидкости
Комбинированный датчик 'Давление и температура масла1

- Аб: Блок управления MR система управления двигателем
- N3: Штекерное соединение (55-контактное)
- В110: Комбинированный датчик 'Давление и температура масла'
Комбинированный датчик 'Давление и температура нагнетаемого воздуха1

- Аб: Блок управления MR система управления двигателем
- N3: Штекерное соединение (55-контактное)
- B111: Комбинированный датчик 'Давление и температура нагнетаемого воздуха'
Фрагмент электросхемы электропитания блока управления MR система управления двигателем

- Аб: Блок управления MR система управления двигателем
- А7: Базовый модуль
- G1: Аккумуляторная батарея
- G2: Генератор
- N3: Штекерное соединение (55-контактное)
- XI: Штекерное соединение (15-контактное или 1б-контактное)
- Х2.2: Штекерное соединение на плате штекеров 'Кабина водителя - шасси'
Указание :
- N3/18, Х1/12: На выбор в зависимости от исполнения
Фрагмент электросхемы стартера

- M1 : Стартер
- Аб: Блок управления MR система управления двигателем
- S1: Замок зажигания
- АЗ: Блок управления FR система управления движением
- А7: Базовый модуль
- А42: WSP иммобилайзер
- G1: Аккумуляторная батарея
- G2: Генератор
- N3: Штекерное соединение (55-контактное)
- XI: Штекерное соединение (15-контактное или 1б-контактное)
- Х2.2: Штекерное соединение на плате штекеров 'Кабина водителя - шасси'
Указание:
- N3/18, Х1/12: На выбор в зависимости от исполнения
Замок зажигания

- S1: Замок зажигания
- А42: Фрагмент электросхемы датчика уровня масла
- АЗ: Блок управления MR система управления двигателем
- Аб: Блок управления FR система управления движением
Кнопка пуска и остановки двигателя

- Аб: Блок управления MR система управления двигателем
- N3: Штекерное соединение (55-контактное)
- S10: Кнопка пуска двигателя
- S11: Кнопка остановки двигателя
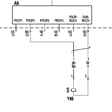
Пропорциональный клапан 2

- Аб: Блок управления MR система управления двигателем
- N3: Штекерное соединение (55-контактное)
- Y49: Пропорциональный клапан 2: постоянный дроссель с гидравлическим приводом
ТНВД цилиндров 1 ряда

- Аб: Блок управления MR система управления двигателем
- ВК1: Ряд 1
- К10...К15: Винтовые клеммы электромагнитных клапанов ТНВД цилиндров
- N3: Штекерное соединение (55-контактное)
- Y6...Y8: Электромагнитные клапаны ТНВД цилиндров 1...3 (на двигателе R6)
ТНВД цилиндров 2 ряда

- Аб: Блок управления MR система управления двигателем
- ВК2: Ряд 2
- К18...К21, К38, К58: Винтовые клеммы электромагнитных клапанов ТНВД цилиндров
- N3: Штекерное соединение (55-контактное)
- Y9...Y11: Электромагнитные клапаны ТНВД цилиндров 1...3 (на двигателе R6)
Больше иформации - смотрите в