Подписчикам
"Большой энциклопедии
для автоэлектриков
и диагностов"
доступно 52 гиг. информации
по спецтехнике
KOMATSU
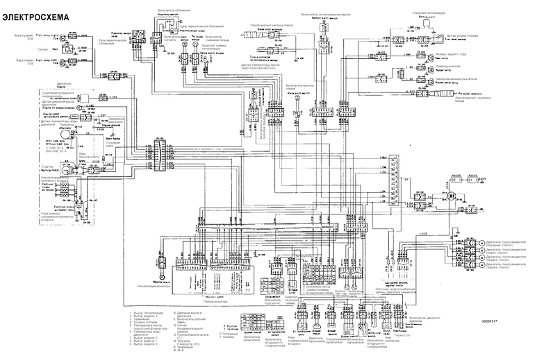
Электрические схемы экскаватора Komatsu D155A
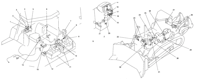
Схема электросоединений
- 1. Включатель сигнала
- 2. Включатель режима перекос/наклон
- 3. Включатель сближения (для определения положения FLOAT)
- 4. Реле включателя сближения
- 5. Включатель съемника пальца (для однозубого рыхлителя)
- 7. Задняя лампа
- 8. Электромагнит съемника пальца (для однозубого рыхлителя)
- 9. Сигнализация заднего хода
- 10. Бачок омывателя
- 11. Аккумулятор
- 12. Реле аккумулятора
- 13. Блок плавких предохранителей
- 14. Включатель определения нейтрали
- 15. Панель монитора
- 16. Ключ зажигания
- 17. Включатель накаливания
- 18. Включатель задней лампы
- 19. Включатель фары
- 20. Сигнализация монитора
- 21. Биметаллический таймер
- 22. Звуковой сигнал
- 23. Фара
- 24. Датчик температуры воды двигателя
- 25. Реле электронагревателя приемного воздуха
- 26. Включатель сигнализации заднего хода
- 27. Лампа рыхлителя
- 28. Лампа наконечника рыхлителя
- 29. Датчик температуры масла гидротрансформатора
- 30. Датчик температуры масла двигателя
- 31. Стартер
- 32. Генератор
Кабина
Продолжение информации и в полном объеме - только в


