Описание узлов грузового автомобиля DAF XF95
СОДЕРЖАНИЕ
ОБЩЕЕ ОПИСАНИЕ
- Мультиметр
- Осциллограф
- Измерения сигналов
ОПИСАНИЕ УЗЛОВ
- Индуктивный датчик
- Датчик скорости автомобиля
- Температурные датчики
- Датчики уровня жидкости
- Датчики давления
- Генератор
- Бесконтактные датчики
- Подрулевой переключатель
ОБЩЕЕ ОПИСАНИЕ
МУЛЬТИМЕТР
Мультиметр Fluke 87 позволяет выбирать различные режимы измерения:
Единицы измерения
На мультиметре следует установить диапазон, применяемый к требуемым единицам измерения. Например, диапазон напряжения, диапазон силы тока или диапазон сопротивления.
Единицы измерения указываются на приборе в виде символов. Используются следующие символы:
1. Напряжение постоянного тока
2. Напряжение переменного тока
3. Сила постоянного тока
4. Сила переменного тока
5. Сопротивление
6. Коэффициент заполнения
7. Частота

ОСЦИЛЛОГРАФ
Диагностика современных электронных систем становится все более и более сложной.
Для диагностирования неисправностей не всегда бывает достаточно одного мультиметра.
Измерение сложных сигналов обеспечивает осциллограф.
Практическими примерами сложных сигналов являются:
- сигналы ШИМ
- искажение сигналов
- сигналы на шине бортового контроллера связи CAN
ИЗМЕРЕНИЕ СИГНАЛОВ
Синусоидальный сигнал (напряжение переменного тока)
Этот сигнал регулярно меняет полярность относительно линии «0».
Частота
Частота представлена в герцах (Гц).
Количество полных синусоид в секунду является частотой сигнала (на схеме 3 Гц)
Напряжение
Если количество синусоид в секунду увеличивается, растет не только частота, но и напряжение.

Измерение синусоидального сигнала
Используя мультиметр, синусоидальный сигнал можно измерить следующими способами:
- В положении «частота» мультиметра (Гц).
При этом измеряется число полных синусоид в секунду.
- В положении «напряжение переменного тока» мультиметра
При этом измеряется среднее значение подаваемого напряжения.
Синусоидальные сигналы на автомобиле
- Выходной сигнал датчика частоты вращения колеса.
- Выходной сигнал датчика частоты вращения вала двигателя.

Прямоугольные сигналы
Прямоугольные сигналы – это сигналы только с двумя уровнями напряжения, каждый из которых – в принципе – имеет одинаковую длительность (t1 равно t2).
Если длительность для обоих уровней не одинакова (t1 не равно t2), сигнал также называют «импульсной последовательностью».

Коэффициент заполнения
Коэффициентом заполнения называют отношение двух уровней напряжения, выраженное в процентах.
А
- х 100%
В
Отношение уровня напряжения «импульсной последовательности» может меняться (например, при увеличении скорости автомобиля).
Если число импульсов за единицу времени возрастает, то значение коэффициента заполнения будет расти.
Напряжение
Увеличения числа импульсов за единицу времени ведет не только к более высокому значению коэффициента заполнения, но и к более высокому среднему значению напряжения.

Измерение прямоугольного сигнала
Используя мультиметр, прямоугольный сигнал можно измерить следующими способами:
- В положении «коэффициент заполнения» мультиметра (%).
При этом измеряется отношение уровней напряжения.
- В положении «напряжение постоянного тока» мультиметра.
При этом измеряется среднее значение подаваемого напряжения.
Прямоугольные сигналы на автомобиле
- Выходной сигнал датчика скорости
- Сигнал скорости автомобиля, подаваемый на электронные блоки.

ОПИСАНИЕ УЗЛОВ
ДАТЧИК ИНДУКТИВНОСТИ
На автомобиле установлено несколько индуктивных датчиков, например:
- датчик частоты вращения колеса.
- датчик частоты вращения вала двигателя.
- датчик частоты вращения распределительного вала.
Регистрация частоты вращения вала двигателя
Частота вращения вала двигателя регистрируется посредством датчика положения коленчатого вала.
Выходной сигнал датчика положения коленчатого вала представляет собой синусоидальный сигнал, частота которого соответствует количеству отверстий на импульсном диске и частоте вращения коленчатого вала.
В электронном блоке этот сигнал преобразуется в сообщение, которое посылается по сети CAN. VIC посылает это сообщение на DIP, который при этом приводит в действие тахометр.

Принцип работы датчика частоты вращения вала двигателя
Индуктивный датчик состоит из постоянного магнита (1), сердечника (2) и катушки индуктивности (3).
Если индуктивный датчик находится между двумя зубцами, силовые линии магнитного поля проходят через корпус непосредственно от северного полюса к южному полюсу.
В тот момент, когда к индуктивному датчику приближается зубец, силовые линии магнитного поля проходят от северного полюса к южному через корпус, зубцы зубчатого колеса и сердечник.
Так как при этом через сердечник проходит большее количество силовых линий, создается более мощное магнитное поле.
В результате данного изменения в магнитном поле, в катушке генерируется напряжение переменного тока.
Значение создаваемого напряжения переменного тока зависит от частоты вращения зубчатого колеса и воздушного зазора между датчиком (сердечником) и зубцом.

ДАТЧИК СКОРОСТИ АВТОМОБИЛЯ
Датчик скорости автомобиля имеет два вывода для выходных сигналов. Сигнал скорости в реальном времени, создаваемый преобразователем Холла, посылается через первый вывод.
Через другой вывод посылается сигнал данных (биполярный сигнал), обеспечивающий обмен данными между МТСО (модульным тахографом) и датчиком скорости. МТСО запрашивает данные у датчика.
Датчик посылает последовательность кодированных данных на блок МТСО, а МТСО проверяет правильность этих данных.
Кодированный сигнал включает следующие данные:
- Серийный номер датчика
- «Главный ключ» (такой же, как и у МТСО)
- Кодированный сигнал скорости
МТСО сравнивает кодированный сигнал с сигналом скорости «в реальном времени». МТСО посылает команды и данные на датчик с 10-секундными интервалами.
Информация о скорости для системы CAN посылается через выходы МТСО А4 и А8.
Информация о скорости для систем UPEC и ECAS посылается: для UPEC – через выход В7, а для систем ECAS и EMAS - через выход В6; при этом оба сигнала представляют собой сигналы коэффициента заполнения.

Сигнал скорости, основанный на коэффициенте заполнения
Сигнал скорости, посланный через датчик скорости автомобиля на МТСО, обрабатывается МТСО и в виде сообщения посылается по сети CAN.
Сигнал скорости также преобразовывается в сигнал коэффициента заполнения. Данный сигнал коэффициента заполнения используется электронными блоками, не получающими/не читающими сообщение о скорости автомобиля по сети CAN.
На представленном графике показана линейная зависимость коэффициента заполнения (%) от скорости автомобиля (V).
Данный график относится ко всем моделям автомобиля.
Проверка
Сигнал коэффициента заполнения (напряжение прямоугольного сигнала) можно проверить при помощи мультиметра, установленного в режим измерения напряжения постоянного тока или режим измерения коэффициента заполнения, либо при помощи осциллографа.

ТЕМПЕРАТУРНЫЕ ДАТЧИКИ
На автомобиле установлено несколько датчиков температуры, например:
- датчик температуры охлаждающей жидкости
- датчик температуры воздуха на входе
- датчик температуры топлива
- датчик температуры окружающего воздуха
Эти датчики представляют собой терморезисторы.
С ростом или понижением температуры отмечается значительное изменение сопротивления этих датчиков.
Имеется два типа терморезисторов:
- Терморезистор NTC (с отрицательным температурным коэффициентом сопротивления).
- Терморезистор PTC (с положительным температурным коэффициентом сопротивления).
Терморезистор NTC
В резисторе NTC значение сопротивления уменьшается с повышением температуры.
Применение:
- измерение температуры охлаждающей жидкости.

Терморезистор PTC
В резисторе PTC значение сопротивления увеличивается с повышением температуры.
В отличие от резистора NTC, у резистора PTC сопротивление меняется весьма значительно в небольшом диапазоне температур.
Применение:
- Измерение температуры воздуха при включенном обогревателе кабины.
Проверка
Терморезисторы можно проверить при помощи мультиметра, установленного в режим измерения сопротивления.

ДАТЧИКИ УРОВНЯ ЖИДКОСТИ
На автомобиле установлено несколько датчиков уровня жидкости, например:
- датчик уровня жидкости в системе охлаждения
- датчик уровня масла в двигателе
Датчик уровня охлаждающей жидкости
Датчик уровня жидкости состоит из двух микро-выключателей (герконов), параллельно соединенных с двумя резисторами.
Эти микро-выключатели управляются магнитным полем, наведенным вне датчика. При падении уровня охлаждающей жидкости, микро-выключатели замыкаются поплавком, снабженным постоянным магнитом.
Микро-выключатель «аварийного уровня жидкости» определяет, что уровень охлаждающей жидкости недостаточен и коротко замыкает параллельно подключенный резистор.
Микро-выключатель «ежедневной проверки» определяет, что необходимо долить жидкость в систему охлаждения и коротко замыкает параллельно подключенный резистор.
Для определения статуса микро-выключателей VIC использует значение сопротивления.
Как результат, VIC посылает соответствующую команду на приборный щиток.
Примечание:
Если на этапе диагностики параметров при запуске двигателя замыкается выключатель «ежедневной проверки», VIC посылает сообщение на приборный щиток только на этапе диагностики параметров при запуске двигателя.

ДАТЧИК УРОВНЯ МАСЛА В ДВИГАТЕЛЕ
Работа датчика уровня масла в двигателе основана на измерении сопротивления.
При замыкании контакта, через датчик в течение определенного периода времени пропускается ток от блока управления VIC.
Этот кратковременно-поданный ток обеспечивает надлежащий нагрев датчика.
Сопротивление в момент измерения уровня определяется количеством масла в поддоне картера двигателя.
Проверка
Датчик уровня масла в двигателе можно проверить при помощи мультиметра, установленного в режим измерения сопротивления.
Сопротивление варьируется в пределах 20,5 – 23,5 Ом, при 20°С.
При измерении сопротивления запрещается превышать максимальное значение силы тока 200 мА.

ДАТЧИКИ ДАВЛЕНИЯ
На автомобиле установлены несколько датчиков давления, например:
- Датчик давления для регистрации давления в пневмобаллонах в системе ECAS.
- Датчик давления на узле забора воздуха.
Датчик давления снабжен диафрагмой, сделанной из полупроводящего материала (силикона).
Под воздействием давления, оказываемого на диафрагму, эта диафрагма отклоняется.
Отклонение диафрагмы приводит к изменению сопротивления полупроводящего материала.
Диафрагма является частью так называемой мостовой схемы.
Отклонение диафрагмы нарушает равновесие мостовой схемы, что ведет к изменению выходного сигнала.
Напряжение на выходе прямо пропорционально приложенному давлению (отклонению диафрагмы).
Проверка
Напряжение на выходе можно проверить при помощи мультиметра, установленного в режим измерения напряжения постоянного тока.
− Датчик давления для отслеживания давления
наддува
Для измерения давления наддува используется пьезоэлектрический датчик давления. Данный датчик состоит из электронной схемы и элемента регистрации давления.
Элемент регистрации давления регистрирует изменения в давлении; эти изменения давления преобразуются в электрическое напряжение. Электронная схема усиливает это напряжение, создавая на выходе пригодный для использования сигнал.
Проверка
Напряжение на выходе можно проверить при помощи мультиметра, установленного в режим измерения напряжения постоянного тока.

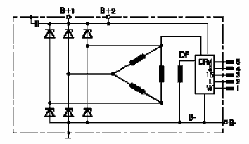
ГЕНЕРАТОР
Компактный генератор представляет собой легкую конструкцию с двумя внутренними вентиляторами для охлаждения. Электронный контроллер также регулирует предварительное возбуждение генератора. Кроме того, контроллер выполняет функцию диодов возбудителя. Генератор вырабатывает высокие значения тока при низкой частоте вращения вала двигателя.
В соединение с клеммой 30 на стартере
18 подача напряжения при включенном электропитании
S контрольный вывод регулятора
L соединение с VIC
Соединение В
У генератора имеется два контактных вывода В+, внутренне соединенные друг с другом. В+1 подсоединен к клемме 30 на стартере. Контактный вывод В+2 НЕ подсоединен. Контактный вывод В- («масса») соединен с корпусом генератора.
Контактный вывод 15
После включения зажигания, на генератор подается напряжение через контактный вывод 15 (1010). Регулятор использует это напряжение для срабатывания предварительного возбуждения (самовозбуждения). В случае разрыва цепи в этом соединении, генератор не будет вырабатывать напряжение до тех пор, пока частота его вращения не составит прибл. 5000 об/мин. Это соответствует частоте вращения двигателя около 1500 об/мин. По достижению данной частоты вращения генератора, произойдет его самовозбуждение.
Контрольный вывод
Контрольный вывод можно использовать для компенсации потерь напряжения в В+.
Между генератором и аккумуляторной батареей существует разница в значениях напряжения.
При наличии возможности контроля изменений в напряжении, регулировку напряжения можно улучшить. Контрольный вывод подсоединен к клемме 30 на стартере

Контактный вывод L
Контактный вывод L соединен с электронным блоком VIC.
При необходимости это соединение используется для отображения сообщения о неисправности на информационном дисплее посредством VIC.
Напряжение на L высокое: неисправностей нет
Напряжение на L низкое: имеется неисправность
Через контактный вывод «L» можно определить следующие неисправности:
- Слишком низкое напряжение (< 16 В)
- Разрыв цепи соединения 15 (1010)
- Разрыв цепи соединения «S»
- Разрыв цепи соединения «L»
При этих неисправностях загорается желтый сигнал «Неисправность генератора».
Слишком высокое напряжение (красный сигнал) определяется по слишком высокому напряжению (> 31 В) на электронном блоке VIC.

БЕСКОНТАКТНЫЕ ДАТЧИКИ
На автомобиле имеется несколько бесконтактных датчиков приближения, например:
- датчик под педалью сцепления для системы
управления двигателем.
- датчик запирания кабины.
- механическое устройство подъема заднего моста.
Индуктивный бесконтактный датчик
Импульсным током в катушке (колебаниями) создается переменное электромагнитное поле.
Если в это электромагнитное поле попадает металлический объект, в этом металлическом объекте возникают токи Фуко.
Эти токи Фуко «демпфируют» магнитное поле в катушке, таким образом, сила тока в катушке изменяется.
В результате этого меняется напряжение на выходе.
Проверка
Помещение металлического объекта перед датчиком (индуктивным датчиком) позволяет проверить напряжение на выходе при помощи мультиметра, установленного в режим измерения напряжения постоянного тока.

МНОГОФУНКЦИОНАЛЬНЫЙ ПОДРУЛЕВОЙ ПЕРЕКЛЮЧАТЕЛЬ
Автомобили серии XF оснащаются подрулевыми переключателями измененной конструкции.
Изменениям подверглись как конструкция, так и функциональное назначение переключателей.
Новые переключатели обладают следующими преимуществами:
- Они защищены от короткого замыкания
- Использование герконов увеличивает срок службы переключателей.
- Функция интардера интегрирована в правый переключатель; так что теперь имеется два подрулевых переключателя.
- Все функции круиз-контроля и управления частотой вращения двигателя интегрированы в правый подрулевой переключатель.

На рулевой колонке всегда имеется два переключателя.
Существует одна модель левого переключателя. Его функциями являются:
- Указатель поворотов, левый/правый
- Дальний свет/ближний свет
- Звуковой сигнал
- Скорость/прерывистый режим стеклоочистителя/омывателя лобового стекла
Существует две модели правого переключателя:
- С функцией интардера
- Без функции интардера
Правый выключатель выполняет следующие функции:
Модель 1:
Функция круиз-контроля (ускорение / замедление / функция возобновления действий)
Функция управления частотой вращения двигателя (увеличение / уменьшение / постоянная частота вращения вала в режиме отбора мощности РТО)
Модель 2:
Те же функции, что и в модели 1
Функция интардера / функция постоянной скорости V