Описание электрооборудования MAN F_L_M 2000

ЭЛЕКТРО-ФАКЕЛЬНОЕ УСТРОЙСТВО ОБЛЕГЧЕНИЯ ПУСКА

1) Электронный блок
2) Факельная свеча накаливания
3) Магнит. клапан
4) Датчик температуры (ТКС)
КОММУТАТОР ДЛЯ ЭЛЕКТРО-ФАКЕЛЬНОГО УСТРОЙСТВА ОБЛЕГЧЕНИЯ ПУСКА
Описание принципа действия
Включение электро-факельного устройства происходит автоматически при включении зажигания и температуре двигателя <13°C.
Желтый световой сигнализатор (длительный режим горения) информирует водителя о том, что функция в действии. По истечении времени предпускового разогрева, которое длится около 25 сек., (старый электронный блок – около 12 сек.) сигнализатор начинает мигать, демонстрируя готовность к запуску двигателя. Эта фаза длится 15 секунд.
Если во время фазы готовности к старту запуска двигателя не произошло, то устройство предпускового разогрева отключается. Если запуск произведен во время фазы предпускового разогрева, то лампа также отключается.
За счет запуска (клемма 50) во время готовности к запуску происходит включение магнитного клапана.
Если электронный блок в течение макс. 4 сек. после отключения клеммы 50 распознает сигнал D+ Signal, то работа устройства переходит в фазу сопровождения (мин. 90 сек., макс. 360 сек.). После этого устройство отключается.
Во время фазы сопровождения частота вращения двигателя не должна превышать 1000 оборотов/1.
Если электронный блок в течение 4 сек. после запуска двигателя не распознает сигнал D+ Signal, то устройство отключается.
Устройство подавления образования белого дыма
Клемма 87 на электронном блоке (используется только для транспортных средств без системы EDC)
Предпосылки для запуска:
1. Двигатель должен работать в течение мин. 5 сек.; наличие сигнала D+
2. Температура двигателя должна быть менее 20°C .
3. Скорость тр. ср-ва должна быть < 3 км/час.
Отключение этого устройства происходит автоматически, если:
1. Температура двигателя превышает 30°C.
2. Скорость транспортного средства превышает 5 км/час
3. Двигатель выключается (D+) или в системе имеется сбой.
В установках более старых версий клемма KL50 в процессе регулирования не участвует.
Сообщения о неполадках при электронном блоке 81.25902-0465 (новый)
Проверка работы ламп в течение 1,5 сек. Продолжительный режим горения при остановке предварительного разогрева. Индикация сбоя на контрольной лампе с частотой мигания 0,66 Гц во время фазы предпускового разогрева по истечении паузы, продолжительностью 2 сек.
Размыкание свечей: 2 мигающих импульса
Короткое замыкание чувст. элементов: 3 мигающих импульса
Размыкание чувст. элементов: 4 мигающих импульса
V-сигнал разрыва проводки: 5 мигающих импульсов
Сообщения о неполадках при электронном блоке 81.25902-0441 (старый)
Контрольная лампа мигает во время фазы предпускового разогрева:
- С 0.66 Гц = разрыв на свече накаливания
- С 1.33 Гц = разрыв на термочувствит. элементе
Обе системы не имеют индикации короткого замыкания термочувствительного элемента.
Технические параметры
- Номинальное напряжение: 24 В
- Рабочее напряжение: 19 до 32 В
- Рабочая температура: -30°C до +85°C
- Температура хранения: -40°C до +100°C
- Температура испытания: 25 ± 5°C
- Выходной ток клемма магнитного клапана: ≤ 15 A
- Выходной ток клемма L: ≤ 0,5 A тест на короткое замыкание
- Выходной ток клемма 87: ≤ 0,5 A тест на короткое замыкание
Клемма V
- Передача: 1 км/час = 214 Гц
- Входной уровень high (Uh): > 3,3 В
- Входной уровень low (Ul): < 2,5 В
- Входное сопротивление: > 47 КОм
- Остановка предварит. разогрева: > + 10°C = 1550 Ом
Параметры ТКС
Tk (°C) -30 -20 -10 0 10 20 30
R (Ом) 10K5 6K2 3K79 2K39 1K55 1K03 67OR

ФАКЕЛЬНАЯ СВЕЧА НАКАЛИВАНИЯ FR10 BERU
51.26803.0027 или 51.26803.0032 применяется для D08.. и D28.. (10 цилиндров)
Момент затяжки:
- Завинчивающая резьба 25 Нм
- Присоединение кабеля 5 Нм
- Присоединение топливопровода 10 Нм
Расход топлива 9,4 см3/мин ± 10 % при 1,5 бар
Электрические параметры для 51.26803.0027 (до мая 1996)
- UTest = 19 В
- I0 = макс. 32 A
- T10 = 1050°C - 1120°C по истечении 10 сек.
- IN = 18 ± 1 A по истечении 10 сек.
Параметры подключения для 51.26803.0032 (с мая 1996)
- UTest = 19 В
- I0 = макс.. 32 A
- T10 = 1050+60°C по истечении 16 сек.
- IN = 16 ± 1 A по истечении 16 сек.
Факельная свеча накаливания с продленной фазой предпускового разогрева 51.26803-0041
Продолжительность предпускового разогрева около 25 сек.
Общая конструктивная длина свечи 96 мм (старая - 92 мм) Электрические параметры подключения примерно соответствуют предшествующему типу
Эта свеча накаливания должна использоваться только в сочетании с новым электронным блоком 81.25902-0465.
-A- Отштампованный номер запасной части детали MAN

ФАКЕЛЬНАЯ СВЕЧА НАКАЛИВАНИЯ 2FR10 BERU
Применяется для D25.. / D28.. ET-Nr. 51.26803.0028
Применяется для D28.. ET-Nr. 51.26803.0033
Момент затяжки:
- Завинчивающая резьба 25 Нм
- Присоединение кабеля 5 Нм
- Присоединение топливопровода 10 Нм
Расход топлива 18 см3/мин ± 10 % при 1,5 бар
Параметры электрического подключения для 51.26803.0028 (до мая 1996)
- UTest = 19 В
- I0 = макс.. 56 A
- I10 = 36 A ± 2 A по истечении 10 сек.
- T10 = 1050°C - 1120°C по истечении 10 сек.
Параметры электрического подключения для 51.26803.0032 (с мая 1996)
- Usystem = 24 В
- UTest = 19 В
- I16 = 32 A ± 2 A по истечении 16 сек.
- T16 = 1050+60°C по истечении 16 сек.
Факельная свеча накаливания с продленной фазой предпускового разогрева 51.26803-0042
Продолжительность предпускового разогрева около 25 сек.
Электрические параметры подключения примерно соответствуют предшествующему типу
Эта свеча накаливания должна использоваться только в сочетании с новым электронным блоком 81.25902-0465
-A- Отштампованный номер запасной части детали MAN

ЭЛЕКТРОМАГНИТНЫЙ КЛАПАН ВERU ДЛЯ ФАКЕЛЬНОГО УСТРОЙСТВА ПРЕДПУСКОВОГО РАЗОГРЕВА
Технические параметры
- Номинальное напряжение: 24 В
- Номинальная мощность: 20 Вт
- Сопротивление катушки: 32 Ом (при 20°C)
- Продолжительность включения: 100 %
- Функция клапана: обесточен и закрыт
- Электрическое подключение: однополюсное
- Положение при установке: произвольное
- Рабочая жидкость: Дизельное топливо или автомобильный бензин
- Расход при 20°C и уклоне 500 мм: около 4 л/час

ПРИНЦИПИАЛЬНЫЕ СХЕМЫ
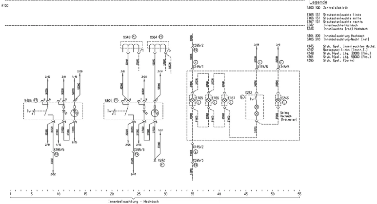
Система электропитания
Стояночный свет
Ближний и дальний свет
Мигающее светосигнальное устройство
Стеклоочиститель-стеклоомыватель

Стеклоподъемник со стороны пассажира

Стеклоподъемник

Устройство запуска-останова при EDC-MS5

Главный электрический выключатель аккумулятора

Выключатель аккумуляторной батареи Not-Aus



Моторный тормоз с заслонкой в выпускном трубопроводе при EDC MS5 и ABS Bosch γ 2E

УСТРОЙСТВО ПРОТИВОУГОННОЙ БЛОКИРОВКИ IММOBILIZER 2
Принцип действия устройства противоугонной блокировки
Приведение в действие (включение): Противоугонное устройство включается самостоятельно только в случае, если замок зажигания находится в положении „AUS“ (выключен), а фаза так называемого Selbstschärfung продолжительностью 45 секунд закончилась. После включения противоугонного устройства отключаются 3 электрических цепи:
1. управление запуском двигателя
2. подача питания Клемма 15
3-й подача питания EDC и, за счет этого, подача топли-ва
Противоугонное устройство блокировки включается самостоятельно также в случае, если стартер приведен в действие более 45 секунд.
Внимание: Включения противоугонного устройства не происходит, если замок зажигания находится в положении „R“.
Деактивация (выключение) устройства противоугонной блокировки: Выключить устройство противоугонной блокировки можно с помощью электронного ключа посредством его контакта (касания) с гнездом кодового датчика.
Положение замка зажигания Контакт кодового ключа
„AUS“ .......................................... 2x
„R“............................................... 1x
„EIN“ ........................................... 1x
При отключении устройства противоугонной блокировки гаснет красный светодиод на элементе управления.

1 Кодовый ключ (3 шт.)
2 Кодовый датчик
3 Светодиод красный
4 Бленда выключателя
5 Штекерное соединение, 4 клеммы
Описание неполадки Возможная причина неполадки
Несмотря на то, что устройство противоугонной блокировки отключено (светодиод на кодовом датчике не мигает), зажигание не включается.
⇒ Неисправность реле K 171
⇒ Неисправность реле K 480
⇒ Неисправность штекерного соединения на K 480
⇒ Неисправность штекерного соединения на X 739/1, X1104/1 или A 100/89/7
Неисправность штекерного соединения электронного блока противоугонной блокировки
Несмотря на то, что устройство противоугонной блокировки включено (зажигание не может быть включено), светодиод на кодовом датчике не мигает.
⇒ Отсутствует напряжение на X 348
⇒ Неисправность штекерного соеди-нения X 348/8
⇒ Неисправность соединения на точке соединения с «землей» X 242
⇒ Неисправность электронного блока противоугонного устройства
Отключение устройства противоугонной блоки-ровки не возможно
⇒ Неправильный электронный ключ
⇒ Неисправность штекерного соединения между кодовым датчиком и противоугонным устройством
⇒ Сильно загрязнено гнездо кодового датчика
⇒ Неисправность соединения на точке соединения с «землей»X 244
⇒ Неисправность электронного блока
Противоугонное устройство может быть отключено (светодиод на кодовом датчике не мигает), зажигание может быть включено, стартер не вращается.
⇒ Неисправность штекерного соединения на X 238/E
⇒ Неисправность штекерного соединения на A 100/80/2
⇒ Неисправность стартера или разрыв проводки кабельногожгута двигателя
⇒ Неисправность электронного блока противоугон. устройства
Противоугонное устройство может быть выключено (светодиод на кодовом датчике не мигает), зажигание может быть включено, стартер работает, клапан для количественной настройки системы EDC не включается.
⇒ Неисправность реле EDC K264
⇒ Неисправность реле EDC K 324 или разрыв проводки кабельного жгута двигателя
⇒ Неисправность штекерного соединения на K 264
⇒ Неисправность штекерного соединения на X 1091/1
⇒ Неисправность штекерного соединения на A 142/47
⇒ Неисправность электронного блока противоуг. устр-ва
После отключения противоугонного устр-ва (светодиод на кодовом датчике не мигает, зажигание может быть включено) противоугонное уст-во по истечении 45 секунд опять включается.
⇒ Неисправность штекерного соеди-нения на Q 101/2
⇒ Неисправность электронного блока противоугонного устр-ва
При включенном противоугонном уст-ве светодиод на кодовом датчике не мигает. При отключении все функции тр. ср-ва становятся доступными, и светодиод не мигает.
⇒ Неисправность светодиода на кодовом датчике
⇒ Неисправность штекерного соединения между кодовым датчиком и противоугонным уст-вом
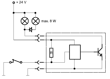
КОНТРОЛЬ УСТРОЙСТВА ФИКСАЦИИ КАБИНЫ L2000
Принцип действия
Включение контроля фиксации кабины вызывает задержку во времени в течение, около 3 сек., после контактирования управляющего входа на массу (Конечные выключатели, которые при зафиксированной кабине находится в закрытом положении): выходной каскад состоит из МОП-транзистора, включаемого как открытый коллектор. Die Last muss gegen ВersorgungsНапряжение gekleммt sein (лампы; макс.. 8 Вт).
Возможно осуществление следующих функций:
− Задержка во времени в течение, примерно, 3 сек. при фиксации кабины
− Включение и выключение без дребезга
− Самоконтроль при включенном зажигании (проверка ламп в течение, около 3 сек.)
− Постоянный контроль на наличие разрывов конечных выключателей с соответствующей проводкой
− Отрицание: Выключатель открыт (Вход открыт) – лампы включены
− Выключатель закрыт (Вход на землю) – лампы выключены (по истечении 3 сек.)
Технические параметры
- Номинальное напряжение ...............................................24 В
- Диапазон напряжения ..............................................16 - 32 В
ET-Nr. 81.25935.6534 (номер запасной части)

СИСТЕМА ЦЕНТРАЛИЗОВАННОГО ЗАМКА F 2000 / M 2000 M
Эта система для названных транспортных средств может поставляться с завода-производителя, а также устанавливаться в рамках последующих работ по дооборудованию.
Внимание: Система централизованного замка не может быть установлена на транспортных средствах, пред-назначенных для транспортировки опасных грузов (GGВS/ADR) по причине полного отключения подачи питания.
ПРИНЦИП ДЕЙСТВИЯ
Управление с помощью ключа
Заблокировать
При закрытых обеих дверях блокирование можно произвести как со стороны водителя, так и со стороны пассажира. Происходит блокировка двух дверей одновременно.
Разблокировать
Открывается только одна дверь. Другая дверь остается заблокированной до тех пор, пока она не будет открыта с помощью микропереключателя или ключа.
Управление с помощью микропереключателей
Заблокировать
Если при закрытых дверях (закрыты обе двери) переводить микропереключатель в положение «блокировать», то закрываются обе двери одновременно. Если одна из дверей открыта, то блокируется только закрытая дверь. Если открыта одна из дверей, то блокируется только закрытая дверь. Если открыта одна из дверей, то блокируется только закрытая дверь. Если открыты обе двери, то блокировки не происходит.
Разблокировать
Если микропереключатель переводится в положение «разблокировать», то происходит разблокировка обеих дверей по очереди – сначала со стороны водителя, а затем со стороны пассажира.

A 140 ........ Электронный блок
ER............. разблокировать
F 150 ........ Предохранитель питания клемма 30
FB / DWA.. Дистанционное управление (anti theft system )
FTo ........... Дверь со стороны водителя – открыта
FTz ........... Дверь со стороны водителя – закрыта
K–DIAG..... MAN Cats Diagnose (штекер с 37 клеммами)
K 522 ........ Реле двери со стороны пассажира
K 523 ........ Реле двери со стороны водителя
MBFT........ Мотор двери со стороны пассажира
MFT .......... Мотор двери со стороны водителя
S 146 ........ Микропереключатель с символом
S 181 ........ Дверной выключатель освещения, со стороны пассажира
S 182 ........ Дверной выключатель освещения, со стороны водителя
ST 1........... Штекер на электронном блоке
ВR............. Заблокировать
X 362......... Штекерный соединитель провода 16000 (14 клемм)
Y 157......... Исполнительный орган со стороны водителя
Y 158......... Исполнительный орган со стороны пассажира
Технические параметры
- Номинальное напряжение ...................... 24 Вольт
- Диапазон рабочего напряжения ............ 22 Вольт – 30 Вольт
- Рабочая температура ............................. -40°C - +80°C
- Вид защиты согласно DIN 40 050........... IP 30
Для этой системы возможна диагностика с помощью MAN_Cats. Но электронный блок не обладает способностью издавать сигнальный код.
ИСПОЛНИТЕЛЬНЫЙ ЭЛЕМЕНТ
Изображение исполнительного элемента в выдвинутом состоянии приведено на нижеследующем чертеже.
Легенда к исполнительному элементу
- A ⇒ Схема исполнительного элемента
- B ⇒ Горизонтальная проекция
- C ⇒ Боковая проекция
- S1 ⇒ Переключатель внутренний
Технические параметры
- Рабочее напряжение ...............................20 Вольт – 30 Вольт
- Рабочая температура ..............................-30°C - +80°C
- Противодействующая сила.....................≤ 3Н
- Размах....................................................... 24 –1мм
- Точка переключения S1…………около половины хода
Направление движения исполнительного элемента

Номер запасных частей
- Электронный блок .......................81.25935-6650
- Кабельный жгут LL ......................81.25426-6294
- Кабельный жгут RL......................81.25426-6415
- Микропереключатель с символом 81.25503-6141
- Реле..............................................81.25902-0460
- Исполнительный элемент...........81.62680-6116
- Система тяг и рычагов для левых дверей 81.62680-6117
- Система тяг и рычагов для правых дверей 81.62680-6118

A 100 ........ Центральелектрик
A 140…Электронный блок системы централизованного замка
F 150 ........ Предохранитель 15 A подачи питания
K 522 ........ Реле управления направлением вращения цен-трализованного замка, правое
K 523 ........ Реле управления направлением вращения цен-трализованного замка, левое
S 146 ........ Микропереключатель централизованного замка
S181 ......... Дверной выключатель освещения, левый
S182 ......... Дверной выключатель освещения, правый
X 1107/1 ... Штекерное соединение, 1 клемма, для адаптации левого дверного выключателя освещения
X 1108/1 ... Штекерное соединение, 1 клемма, для адаптации
X 1316/1 ... Штекерное соединение, 1 клемма, для адапта-ции на провод 3000
X 200/M .... Диагностика MAN Cats (штекер с 37 клеммами)
X 242…Точка соединения с землей за панелью инструмен-тов
X 244 ........ Точка соединения с землей рядом с Zentral-elektrik
X 352 ........ Штекерное соединение, 6 клемм, для центрального замка двери водителя
X 353 ........ Штекерное соединение, 6 клемм, для центрального замка двери пассажира
X 362..Штекерное соединение, 14 клемм, для провода 16000
X 364..Штекерное соединение, 14 клемм, для провода 58000
Y 157......... Исполнительный элемент, левый
Y 158......... Исполнительный элемент, правый
Приведенная ниже принципиальная схема была составлена в июле 1998 года на основе „Stromlaufplan 81.99192.0985 Zentralverriegelung F 2000“ («принципиальная схема 81.99192.0985 централизованного замка F 2000“).
Электронный блок централизованного замка
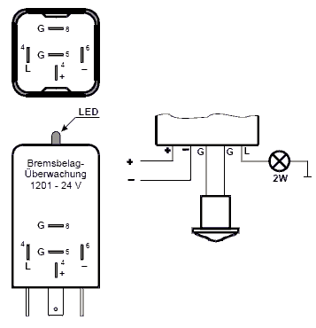
ИНДИКАЦИЯ ИЗНОСА ТОРМОЗНЫХ НАКЛАДОК БЕЗ СИСТЕМЫ АВТОМАТИЧЕСКОЙ ПРОВЕРКИ

ТЕХНИЧЕСКИЕ ПАРАМЕТРЫ
- Напряжение ............................................. 18 - 30 В
- Температурная зона ............................... -20°C до +60°C
- Выходная мощность................................ 2 Вт
- Ток покоя.................................................. <20 мA
- Защита от неправильного включения между + U – имеется
Если отрицательный потенциал находится на G1 или G2, то светодиод и лампа загораются. Если в соединение меж-ду G1 или на G2 имеется разрыв, то светодиод и лампа горят в длительном режиме.
Параллельно может включаться любое количество датчиков и электронных блоков.
- L = контроль, лампа
- G = датчик
ПОДЪЕМНО-РАЗДВИЖНОЙ ЛЮК
УПРАВЛЕНИЕ ЛЮКОМ
1 x короткое нажатие ⇒ поднять
произвольное нажатие ⇒ открыть
1 x короткое нажатие ⇒ закрыть или остановить движу-щийся люк
Для приведения в действие блокировки с помощью централизованного замка не надолго соединить с землей X 1023/Pin 6 (не применяется MAN).
Если закрытие люка осуществляется из произвольного положения, то он сначала приоткрывается, а лишь затем закрывается.
Это необходимо для замера «эталонного тока» с целью включения защиты от заклинивания при закрывании.
УСТАНОВКА И РЕМОНТ ЛЮКА
При установке люка сначала необходимо закрепить винты, рассоложенные напротив двигателя (Md 7 ± 0,5, из-за центрирования).
ЗАМЕНА УПЛОТНИТЕЛЬНОЙ РЕЗИНЫ
• Снять старую резину и очистить стальной паз от остатков уплотняющего материала,
• Вставить новую резину (уплотняющий материал находится в новой резине), при этом в ходе монтажа место сварки должно находиться с правой или левой стороны.
• Закрыть люк электрическим способом. Держать в закрытом положении в течение 8 часов.
• При осуществлении лакокрасочных работ резину лучше накрыть – не демонтировать. Уплотняющую резину ис-пользовать только один раз (из-за уплотняющего средства)
Проверка герметичности
• На уплотнительной резине на 30 минут оставить слой мыльной воды толщиной 2 см.

УПРАВЛЕНИЕ ЛЮКОМ В АВАРИЙНОМ РЕЖИМЕ
Пластмассовая деталь для управления вручную, размещающаяся в приводном двигателе (12), рассчитана таким образом, что шестигранник прокручивается при 9 Нм (защита от перегрузки).
Вдавить пластмассовую деталь для управления вручную (большим пальцем) и закрутить с помощью ключа с внутренним шестигранником SW на 5 мм. После приведения ее в действие вручную, пластмассовая деталь остается внутри и выталкивается автоматически при управлении электрическим способом.
SERVICESTELLUNG = Положение для проведения работ по техническому обслуживанию
Открыть люк, затем еще раз в течение мин. 5 сек. держать выключатель в нажатом положении. Люк еще немного приоткроется ⇒ SERVICESTELLUNG (положение для проведения работ по техническому обслуживанию)
Такое положение люка означает, что он находится в положении нижнего механического упора. Установка электронного блока (10) должна производиться только при таком положении люка. До монтажа электронный блок тоже должен быть приведен в положение для проведения работ по техническому обслуживанию (2 белых точки). За счет этого при возникновении механического препятствия электронный блок автоматически останавливается (защита от заклинивания).
Если настройка электронного блока произведена не правильно, то люк или не закроется или сразу автоматически откроется благодаря системе защиты от заклинивания.
Для осуществления ремонтных работ необходимо произвести демонтаж всего люка.
Демонтаж крышки люка (8) следует производить из положения „Servicestellung“ (иначе невозможен доступ к 2 винтам с внутренним шестигранником (11), расположенным сбоку за траверсой двигателя). При этом целесообразно использовать ключ с внутренним шестигранником круглой формы.
При установке кабеля управления необходимо следить за тем, чтобы провод был правильно введен в шину. При установке мотора (12) оба ползуна должны полностью находиться в положении упора „Servicestellung“
Легенда
1 Продольная балка левая/правая
2 Траверса
3 Уплотнительная резина
4 Направляющая шина левая/правая
5 Ползун левый/правый
6 Замыкающая штанга левая/правая
7 Держатель на крышке левый/правый
8 Стальная внешняя крышка
9 Защита двигателя
10 Электронный блок
11 Винт
12 Двигатель

Принципиальная схема подъемно-раздвижного люка Inalfa

ЦЕНТРАЛЬНОЕ РАСПРЕДЕЛИТЕЛЬНОЕ УСТРОЙСТВО ZENTRALELEKTRIK
Описание
Центральное распределительное устройство (ZE) – это деталь, на которой собраны такие важнейшие компоненты, как предохранители, электронные блоки, реле и диоды. Дополнительно к этому оно обладает распределительными функциями. Компоненты Zentralelektrik (реле, диоды и т.д.) являются вставными деталями и могут подвергаться замене. Положение отдельных вставных элементов обозначено на подложке ZE цифрами, выполненными с помощью тиснения.
Штекерные соединения на обратной стороне ZE также обозначены цифрами, при этом штекерные разъемы обозначены большим шрифтом, а отдельные штырьковые входы Pin – маленьким шрифтом. ZE оборудовано плоскими предохранителями или, по выбору, автоматическими выключателями.
Ремонт ZENTRALELEKTRIK
Если в ZE необходимо заменить предохранители или неисправные реле при еще подключенном потребителе или не устраненном коротком замыкании, то проходящий в течение непродолжительного промежутка времени ток оплавит втычные контакты и расположенные рядом пластмассовые детали.
Для того чтобы не пришлось заменять все центральное распределительное устройство в комплекте, важнейшие элементы ZE можно получить в виде запасных частей.
ZE демонтируется с помощью отвертки, которой одним за другим отгибаются пружинные зажимы вокруг язычка (1). При этом крышка (2) и нижняя часть (3) корпуса разъединяются.
Последовательность открывания язычков (1): a, b, c, и т.д.
Отдельные детали Zentralelektrik
(2) Верхняя часть корпуса 81.25444.6050
(4) Направляющая планка 81.25444.0001
(5) Клеммный штекерный разъем с плоской вставной гильзой 07.91201.5133
(6) Вставная гильза 9,5 - двойная, 07.91201.5131
(7) Вставная гильза 6,5 - двойная, 07.91201.5132

1 F119 Предохранитель ближнего света правый
2 F120 Предохранитель ближнего света левый
3 F122 Предохранитель дальнего света правый
4 F121 Предохранитель дальнего света левый
5 F118 Предохранитель стояночных огней /задних габаритных огней правый
6 F117 Предохранитель стояночных огней/задних габаритных огней левый
7 F155 Предохранитель регулирования скорости
8 F156 Предохранитель обогрева топливного фильтра
9 F125 Предохранитель освещения выключателей и комплекта приборов
10 F124 Предохранитель противотуманных огней/задних противотуманных огней
11 F110 Предохранитель отключения двигателя
12 F128 Предохранитель внутреннего освещения салона, светильников для чтения, ступеней входа, предупредительной световой сигнализации, тахографа, радио
13 F113 Предохранитель огней указателей поворота
14 F112 Предохранитель стеклоочистителей-стеклоомывателей
15 F161 Предохранитель ограничительных клапанов ABS
16 F160 Предохранитель прицепа ABS
17 F153 Предохранитель управления коробкой передач
18 F157 Предохранитель системы централизованной смазки
19 F166 Предохранитель обогрева зеркал, настройки положения зеркал, стеклоподъемников
20 F162 Предохранитель управления ABS
21 F109 Предохранитель тормозных огней, света фар заднего хода, стояночного тормоза
22 F133 Предохранитель обогрева/вентиляции двигателя с наддувом
23 F107 Предохранитель звукового сигнала, влагоотделителя
24 F108 Предохранитель контроля работы (индикаторные приборы, сигнализаторы)
25 F185 Предохранитель дополнительного обогрева
26 F106 Предохранитель факельного устройства облегчения пуска
27 до 32 Замещающие предохранители
33 Предохранитель sheber
36 X139, X140 перемычка 56b R-56b, 56b-56b L
37 K116 Реле стояночных/задних габаритных огней
38 K115 Реле клемма 58
39 K117 Реле противотуманных огней
40 K118 Реле задних противотуманных огней
41 K100 Реле главного выключателя аккумулятора
42 K119 Реле дальнего/ближнего света
43 K171 Реле потребителей клемма15
44 не задействован
45 X136 Перемычка 2-1
46 X157 Перемычка 2-1
47 X114 Перемычка 2-3
48 X148 Перемычка 2-3
49 X129 Перемычка 2-3
50 X188 Перемычка 2-3
51 X569 Перемычка 2-1
52 В101 Диоды главного выключателя аккумуляторной батареи клемма 15
53 В100 Безинерционный диод клемма 15
54 K110 Контрольное реле мигающих светосигнальных устройств
55 X120 Перемычка 2-1
56 не задействован
57 X339 Перемычка 2-1
58 K104 Замедляющее реле останова двигателя
59 X568 Перемычка 2-1 (отсутствует при наличии ABS)
60 не задействован
61 K103 Датчик предельных значений моторного тормоза
62 Plombieröse
63 X118 Перемычка 2-3
64 K105 Датчик предельных значений ограничения скорости
65 X119 Перемычка 2-1
66 K102 Нагрузочное реле факельной (ых) свечи (ей) накаливания
67 не задействован
68 K108 Нагрузочное реле огня указателя поворота справа
69 K109 Нагрузочное реле огня указателя поворота слева
70 K107 Датчик прерывистого режима работы стеклоочистителя
71 K106 Реле стеклоочистителей
72 A101 Электронный блок устройства уменьшения образования белого дыма при работе факельного устройства облегчения пуска

СТРУКТУРА ЦЕНТРАЛЬНОГО РАСПРЕДЕЛИТЕЛЬНОГО УСТРОЙСТВА ZENTRALELEKTRIK

БЛОК СВЕТОВЫХ СИГНАЛИЗАТОРОВ
1 Опрокидывающаяся кабина красный *
2 Центральный аварийный сигнализатор STOP красный
3 Давление в ресиверах контуров тормозного привода красный *
4 Опрокидывающаяся платформа красный *
5 Давление масла красный *
6 Температура охлаждающей жидкости красный *
7 Факельное устр-во облегчения пуска желтый
8 Указатель поворота тягача зеленый
9 Стояночный тормоз красный
10 Дальний свет синий
11 Указатель поворота прицепа зеленый
12 Контроль загрузки (контроль зарядки аккумуляторной батареи) красный
13 Неполадка ABS тягача красный
14 Неполадка ABS Прицепа красный
15 Информация ABS прицепа желтый
16 Температура трансмиссионного масла красный
17 EDC красный
18 ASR желтый
19 Централизованная смазка желтый
20 Контроль ремней безопасности красный
21 Неполадка ECAS красный
22 Предупредительный сигнал ECAS желтый
23 Тормоз-замедлитель желтый
24 Резерв красный
25 Резерв красный
26 Резерв желтый
27 Преобразователь крутящего момента красный
28 Резерв красный
29 Резерв желтый
30 Резерв желтый
31 Резерв желтый
Обозначенные * световые сигнализаторы зажигаются одновременно со световым сигнализатором STOP.

На левом чертеже изображена разводка штекерных соединений На правом чертеже - внутренние соединения (Цифры в скобках указывают на позицию сигнализаторов).
Штекер I
1 Дальний свет (+)
2 ABS прицепа (–)
3 Стояночный тормоз (+)
4 Указатель поворота тягача (+)
5 ASR (–)
6 Плюс общий (+)
7 Информация ABS прицепа (–)
8 Ресивер тормоза(–)
9 Факельное устр-во облегчения пуска (–)
10 Температура воды (–)
11 Указатель поворота прицепа (+)
Штекер II
1 Температура трансмис. масла (+)
2 Давление масла (–)
3 Опрокидывающаяся платформа (–)
4 Опрокидывающаяся кабина (–)
5 Контроль ремней безопасности(–)
6 Температура трансмиссионного масла (–)
7 Неполадка ECAS (+)
8 EDC (+)
9 EDC (–)
10 ABS тягача (–)
11 Контроль загрузки (или зарядки аккумулятора?) (–)
Штекер III
1 Тормоз-замедлитель (+)
2 Предупред. сигнал ECAS (+)
3 Предупред. сигнал ECAS (–)
4 Общая земля (–)
5 Контроль 26 (+)
6 Контроль 26 (–)
7 Трансформатор (+)
8 Контроль 31 (–)
9 Тормоз-замедлитель (–)
10 Централизованная смазка (+)
11 Централизованная смазка (–)
Штекер IV
1 Контроль 25 (+)
2 Контроль 24 (+)
3 Контроль 24 (–)
4 Контроль 28 (+)
5 Контроль 28 (–)
6 Контроль 29 (+)
7 Контроль 29 (–)
8 Контроль 25 (–)
9 Контроль 30 (+)
10 Контроль 30 (–)
11 Неполадка ECAS (–)

ДАТЧИК ДАВЛЕНИЯ
0 - 5 бар и 0 - 16 бар избыточного давления

Величины сопротивления:

- Разрывная мощность....макс.. 5 Вт
- Номинальное напряжение. 6 - 24 В
- Рабочая температура ...-25 - 100°C
- Момент затяжки........макс.. 100 Нм

ИНДИКАТОРНЫЕ ПРИБОРЫ
Специальные инструменты для проверки индикаторных при-боров 80.99605.0219
Индикаторный прибор запаса топлива
Диапазон измерения: R до 1/1 R до 1/8 красное поле
Допуск измерений:± 3,6° ∠ во всем диапазоне замеры производятся при падающем давлении

Индикаторный прибор давления в ресиверах I и II
Диапазон измерения: 0 до 12 бар
0 до 5,5 бар красное поле,
6,5 до 10,5 бар зеленое поле
Допуск измерений:± 3,6° ∠ во всем диапазоне замеры про-изводятся при падающем давлении


Легенда:
1 Датчик топливного бака
2 Датчик тормозного контура I
3 Датчик тормозного контура II
a) Вид спереди
b) Вид сзади
Разводка штекерных соединений
2 Датчик топливного бака
4 Освещение (+)
5 Beleuchtung (–)
7 Общая земля
8 Датчик тормозного контура II
10 Датчик тормозного контура I
11 Общий плюс
Индикаторный прибор давления масла
Диапазон измерения: 0 до 5 бар
0 до 0,7 бар красное поле
Допуск измерений:± 3,6° ∠ во всем диапазоне измерения
замеры производятся при падающем давлении

Индикаторный прибор температуры охлаждающей жидкости
Диапазон измерения: 40° до 120°C
75° до 95°C красное поле,
100° до 120°C зеленое поле
Допуск измерений:± 3,6° ∠ во всем диапазоне измерения
Замеры производятся при падающем давлении


Легенда:
1 Манометр давления масла
2 Температура двигателя
a) Вид спереди
b) Вид сзади
Разводка штекерных соединений
2 Датчик давления масла
4 Освещение (+)
5 Освещение (–)
7 Общая земля
10 Датчик охлаждающей жидкости
11 Общий плюс
УНИВЕРСАЛЬНЫЙ РАСПРЕДЕЛИТЕЛЬ
Описание
Универсальный распределитель находится в задке транспортного средства.
Он состоит из штампованной схемы, которая имеет три литых уровня.
Если подключены все штекеры, то распределитель соответствует требованиям вида защиты IP 67, т. е. пыле- и водонепроницаем. В седельных автомобилях универсальный распределитель больше не устанавливается.
Легенда
a) Вид спереди
b) Вид сзади
c) Внутренние соединения
ТРАНСФОРМАТОР НАПРЯЖЕНИЯ 12 В ДЛЯ РОЗЕТКИ ПРИЦЕПА
Описание
Трансформатор напряжения предназначен для подачи питания 12 В на прицепы через розетку 12 В тягача.
a) Внутренние соединения
Технические параметры
- Подключение B 4 - H 4: синхронный трансформатор 90 Вт
- Подключение B 3 - H 3: синхронный трансформатор 90 Вт
- Подключение B 5 - H 5: синхронный трансформатор 90 Вт
- Подключение C 4 - Ι 4: синхронный трансформатор 90 Вт
- Подключение C 7 - Ι 7: синхронный трансформатор 90 Вт
- Подключение B 6 - H 6: линейный трансформатор 50 Вт
- Подключение B 7 - H 7: линейный трансформатор 50 Вт
- Частота синхронных трансформаторов: 300 Гц

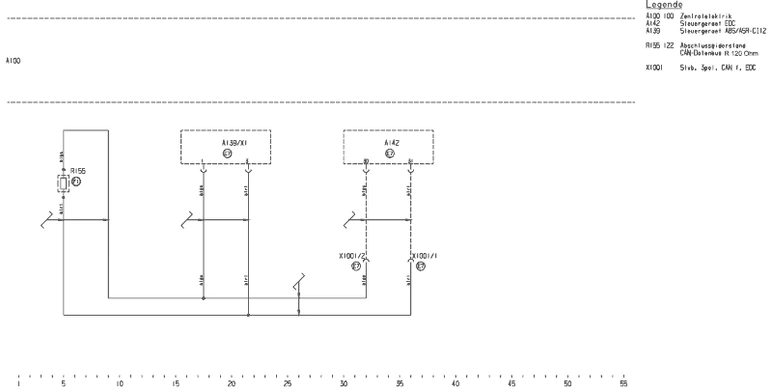
ИНФОРМАЦИОННЫЕ ШИНЫ CAN
Основная концепция:
Понятие CAN (Controller Area Network) пришло из компьютерной сферы и в данном случае означает сеть, соединяющую между собой электронные блоки транспортного средства (сеть информационных шин).
Проще говоря, это система связей между электронными блоками.
Структура этой сети построена по принципу Multimaster. Это означает, что несколько равноправных единиц управления связаны между собой информационными шинами, которые образуют линейную структуру. Центральный пункт, определяющий, какой электронный блок может ис-пользовать информационные шины, отсутствует. Благода-ря этому происходит разгрузка элементов управления и, соответственно, экономия времени при передаче информации.
a) Линейная структура сети информационных связей

Линейная структура информационных шин
Преимущество этой структуры заключается в том, что при выходе их строя одного электронного блока возможно дальнейшее прохождение потока информации к остальным блокам без помех. А в так называемых звездочных и круговых структурах выход из строя одного из электронных блоков или центрального элемента может привести к выходу из строя всей системы. Кроме этого концепция информационных связей CAN предоставляет возможность, по желанию, предусмотреть точки подключения дополнительных систем. Каждый электронный блок получает все важные для него датчики. Датчики, необходимость в которых возникает часто, расположены рядом с соответствующим электронным блоком. Сенсорные параметры, важные для работы нескольких электронных блоков, а также данные о прочих важных состояниях транспортного средства передаются в цифровой форме через шины CAN. Прочие электронные блоки, которые должны быть связаны между собой, соединяются с помощью двух проводов (оба провода CAN).
Кроме этого следует следить затем, чтобы датчики не были подключены сразу к двум электронным блокам (если только в этом нет необходимости по причине безопасности). Датчик должен быть соединен только с одним электронным блоком, который подает результат измерения в виде закодированного сообщения на информационные шины и благодаря этому делает его доступным для прочих электронных блоков. На ниже представлен типичный ход сигнала при таком способе цифровой передачи информации. Имеются два напряженных состояния (рецессивное и доминантное). Скорость передачи информации составляет 250 кБит/сек, т.е. передача одного бита длится 4 μсек.
a) Уровень напряжения при передаче данных через CAN в соответствии с нормой SAE J1939
- рецессивная: CAN-H - CAN-L = 0 В (±120 мВ)
- доминантная: CAN-H - CAN-L = 1 В до 5 В
Т.е. информационная магистраль имеет центральное значение.

Адресация
Каждый электронный блок может как принимать, так и отправлять сообщения. Каждое сообщение состоит, среди прочего, из собственно информационной части (напр. частота вращения двигателя) и из маркировки сообщения (идентифера), которая показывает степень важности этой информации, от какого электронного блока она исходит и для кого другого электронного блока она в первую очереди предназначена. Вопреки указанию цели сообщение доступно для всех участников сети, но электронный блок использует только то сообщение, которое для него важно. Все прочие сообщения им игнорируются.
Прохождение по информационным шинам
Как только шина освобождается, любой электронный блок может начать отправку. В информационную сеть может подаваться только одно сообщение. Такая передача длится лишь доли секунды, после этого шины опять свободны. Если передачу начинают сразу два электронных блока одновременно, то передается то сообщение, которое важнее. Электронный блок, чье сообщение не было передано, должно повторить попытку позднее.
Транспортные средства, оборудованные системой информационных связей CAN-Bus фирмы MAN-Nutzfahrzeuge AG

1 Шина CAN
2 Нагрузочные резисторы
3 Тупиковая линия
4 Узлы
Типичные неполадки системы CAN
При любом неправильном соединении электронных блоков могут возникнуть неполадки, ведущие к сбоям в передаче информации. Кабельный ствол бортовой сети транспортного средства, который постоянно расширяется, становится все в большей степени подверженным неполадкам, влияющим на передачу информации. Кроме этого имеется целый ряд сбоев, как связанных так и не связанных с проводкой. Их можно принципиально разделить на две категории:
1. Неполадки, которые в сравнении с сообщением, являются длительными или препятствуют передаче.
2. Неполадки, которые при цифровой передаче находятся в пределах одного бита или фальсифицируют сообщение.
При неполадках последнего вида сообщения содержат не-правильную информацию из-за одного или нескольких неправильно переданных битов. Они все же могут быть распознаны в пределах электронного блока и устранены соответствующим образом.
Неполадки первого вида могут привести к временной или длительной поломке при передаче информации. Если есть необходимость хотя бы в частичном функционировании системы, входящей в сеть информационных связей, то каждый подключенный прибор должен обладать аварийной антизадирной способностью. В нижеследующем тексте мы подробно остановимся только на неполадках первого вида.

При использовании системы CAN эти неполадки можно подразделить на 3 категории:
• Внутренние неполадки электронных блоков
• Неполадки, связанные с проводкой (сетевые провода и контакты)
• Разрыв при подаче питания на электронные блоки
Так как внутренние неполадки электронных блоков и прекращение подачи питания Software, а также внутренняя проводка электронных блоков учтены, здесь мы рассмотрим только неполадки, связанные с проводкой.
Неполадки, связанные с проводкой
Могут иметь место следующие неполадки этого вида:
1. Замыкание от CAN-H к UBAT (Bus off Fehler)
2. Замыкание от CAN-H к земле (Bus off Fehler)
3. Замыкание от CAN-H к CAN-L (Bus off Fehler )
4. Замыкание от CAN-L к UBat (Bus off Fehler)
5. Замыкание от CAN-L к земле
6. CAN-H имеет замыкание на любой потенциал
7. CAN-L имеет замыкание на любой потенциал
8. Разрыв CAN-H (Bus off Fehler)
9. Разрыв CAN-L (Bus off Fehler)
10. Разрыв CAN-H и CAN-L на том же месте (Bus off Fehler)
11. Разрыв соединения с Terminierungs резистором?
Номер неполадки соотнесен с номерами, указанными в таблице.
Bus off Fehler“: Регистрируются электронным блоком в случае, если осуществление коммуникации не возможно.
Реакция на неполадки в информационных шинах в соответствии с нормой SAE J1939
В соответствии с нормой SAE J1939 система информационных связей реагирует на неполадки в информационных шинах следующим образом:
Неполадка 1,2,3,4: Передача данных невозможна. Это касается всех электронных блоков.
Неполадка 5: Передача данных возможна при более слабом сигнале через оставшуюся исправную проводку
Неполадка 6,7: Реакция не предсказуема
Неполадка 8,9,10: Коммуникация между узлами, расположенными на противоположных сторонах друг от друга, не возможна. Коммуникация между узлами, расположенными на той стороне, где произошел разрыв, может остаться возможной с более слабым сигналом.
Неполадка 11: Коммуникация между узлами возможна с более слабым сигналом.
Список для быстрой проверки CAN-Bus
Все замеры, описанные ниже, производятся с помощью клеммной коробки и универсального измерительного прибора. Фактические параметры измеряются между соответствующими клеммами и сравниваются с указанными заданными величинами. (Красный испытательный шуп +, черный испытательный щуп -).
По этому же методу охвачены кабели и штекерные соединения. Поэтому при поиске неполадки следует пользоваться схемой подключения соответствующего типа автомобиля.
ПРОВЕРКА ПРОВОДКИ CAN-H И CAN-L:
С помощью омметра
Условия проверки
- Зажигание выключено, все электронные блоки подключены
- Клеммная коробка подключена, перемычки вставлены

ЗАМЕРЫ НАПРЯЖЕНИЯ
Проверка проводов CAN-H и CAN-L с помощью вольтметра
Условия осуществления замеров
- Зажигание включено, все электронные блоки подключены
- Клеммный ящик подключен, перемычки вставлены

Примечание: Заданная величина - это наложенное на потенциал постоянного напряжения в 2,5 В переменное напряжение, которое в зависимости от инерционности используемого измерительного прибора приводит к вышеназванным величинам.
ИЗМЕРЕНИЕ ПРОПУСКНОЙ СПОСОБНОСТИ
Проверка проводов CAN-H и CAN-L с помощью
Проверка осуществляется непосредственно на штекерах электронного прибора.
Условия проведения проверки
- Зажигание выключено, все электронные блоки CAN отключены

Принципиальная схема CAN Bus

ОБОЗНАЧЕНИЯ НОМЕРОВ ПРОВОДОВ (ВG 95 026)
04... Система зажигания
05... Система подачи топлива
12... Nebelwurfanlage
13... Пожарная система
14... Предохранит. устр-ва, аварийный режим, собственные цепи тока
15... Подача питания (Клемма 15)
16... Контрольное устройство, тахограф
17... Устройство пуска, факельное устр-во облегчения пуска
20... Система стеклоочистителя-стеклоомывателя
21... Визуальный приборы
23... Климатическая установка
24... Отопление, приборы дополнительного отопления, обогрев аккумулятора
25... Вентиляция
30... Подача питания (плюс), освещение салона
31... Подача питания (минус)
32... Электродвигатели
37... Устройство компостирования проездных билетов
40... Управление коробкой передач
43... Моторный тормоз
49... Система указателей поворота, аварийной световой сигна-лизации
50... Управление стартером
55... Защитное освещение
56... Ближний свет, дальний свет, световой сигнал, противотуманные огни, SRA, задние противотуманные огни, LWR
57... Парковочные огни
58... Стояночные огни, габаритные огни, освещение номера и приборов.
59... Генератор, выработка электроэнергии
60... Управление двигателем, EDC, электронная система подачи топлива
61... Привод вентилятора (охладитель двигателя)
62... Радио
63... Система резервных клапанов
64... Диагностика, испытательный стенд
65... Навигационная установка
68... Управление тормозной системой
69... Управление углом изгиба
70... Электронная система подвески (ECAS)
71... Звуковой сигнал, устройство отслеживания тона
72... Проблесковый маячок
73... ABS
74... ASR
75... Радио
76... Громкоговоритель
77... Управление дверьми
80... Централизованный замок, устройство фиксации откидывающейся кабины,
90... Фильтровальная установка, система ABC, сажистая пыль
91... Подъемное устройство
92... Гидравлическая установка
93... Пневматическая установка (MAN ECAS)
94... Орудийная установка
95... Погрузочное устройство
96... Радиолокационная установка управления артиллерийским огнем
97... Осушительная установка
99... Дополнительные установки









