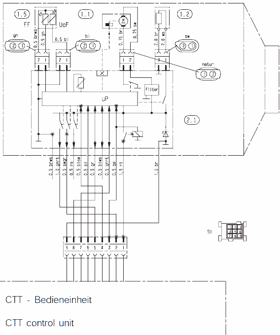
Заводские установки Eberspächer на SCANIA
D1LC compact Scania - Baureihe 4

D1LC Scania

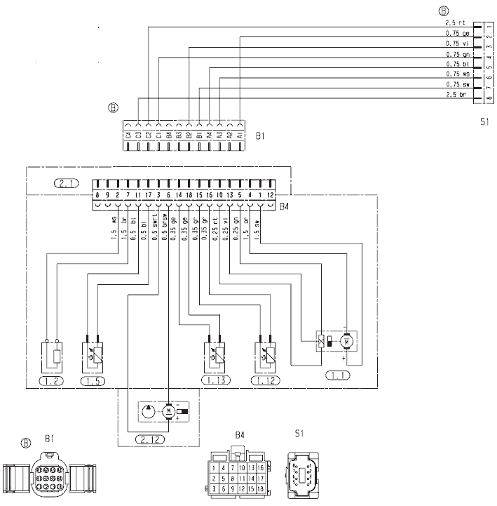
AIRTRONIC D2 SCANIA CP14 / CT14

AIRTRONIC D2 SCANIA CP16 / CR16

AIRTRONIC / AIRTRONIC M SCANIA CP19 / CR19 / CT19

HYDRONIC M SCANIA CP16 / CP19

Подписывайтесь на наш канал в Telegram и будьте всегда в курсе самых последних сообщений и публикаций с сайта. |





