Тормозная система RENAULT MIDLUM
МОДЕЛЬ промышленного автомобиля (VI) :
42B1/B2/B3/B4 - 43C1 - 43V (12т) - 44C1/C2 - 44T - 44V - 45D2

Размещение аппаратов при антиблокировочной системе ” ABS” (АБС) типа 4Sx3M (4 датчика х 3 модулятора)
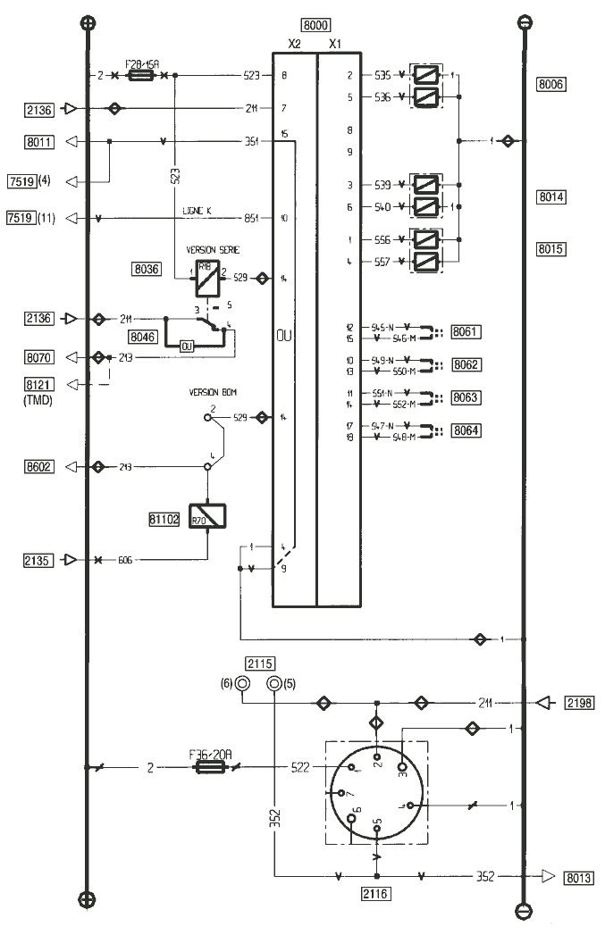
- 4700 - Регулятор тормозных сил
- 7519 - Штепсельная розетка для диагностики
- 8000 - Вычислительное устройство “ABS” (АБС)
- 8006 - Электроклапан системы АБС задних колес
- 8011 - Контрольная лампа системы АБС
- 8013 - Контрольная лампа системы АБС прицепа
- 8014 - Электроклапан системы АБС передний левый
- 8015 - Электроклапан системы АБС передний правый
- 8061 - Датчик системы АБС передний левый
- 8062 - Датчик системы АБС передний правый
- 8063 - Датчик системы АБС задний левый
- 8064 - Датчик системы АБС задний правый
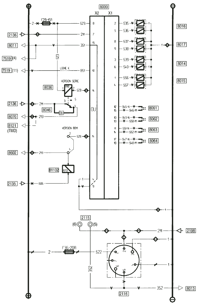
МОДЕЛЬ промышленного автомобиля (VI) : 43C2 - 43T - 43V (15т) - 45D3

Размещение аппаратов при антиблокировочной системе ” ABS” (АБС) типа 4Sx4M (4 датчика х 4 модулятора)
- 7519 - Штепсельная розетка для диагностики
- 8000 - Вычислительное устройство “ABS” (АБС)
- 8011 - Контрольная лампа системы АБС
- 8013 - Контрольная лампа системы АБС прицепа
- 8014 - Электроклапан системы АБС передний левый
- 8015 - Электроклапан системы АБС передний правый
- 8016 - Электроклапан системы АБС задний левый
- 8017 - Электроклапан системы АБС задний правый
- 8061 - Датчик системы АБС передний левый
- 8062 - Датчик системы АБС передний правый
- 8063 - Датчик системы АБС задний левый
- 8064 - Датчик системы АБС задний правый
ПОЯСНЕНИЯ К СХЕМАМ
- 2115 - Штепсельная розетка Прицепа (7-контактная) - тип 24 S
- 2116 - Штепсельная розетка Прицепа (7-контактная) - ABS
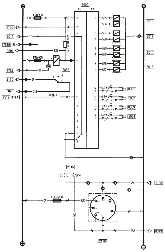
- 2135 - Электропитание после общего выключателя
- 2136 - Электропитание после контакта ключём зажигания
- 2198 - Электропитание после контакта + 24 в. прицепа
- 4712 - Спецоборудование ”BOM” (мусоросборочного автомобиля)
- 7519 - Штепсельная розетка для диагностики
- 8000 - Вычислительное устройство “ABS” (АБС)
- 8006 - Электроклапан системы АБС задних колес
- 8011 - Контрольная лампа системы АБС
- 8013 - Контрольная лампа системы АБС прицепа
- 8014 - Электроклапан системы АБС передний левый
- 8015 - Электроклапан системы АБС передний правый
- 8016 - Электроклапан системы АБС задний левый
- 8017 - Электроклапан системы АБС задний правый
- 8036 - Реле выключения электрического замедлителя
- 8046 - Шунт (без ABS)
- 8061 - Датчик системы АБС передний левый
- 8062 - Датчик системы АБС передний правый
- 8063 - Датчик системы АБС задний левый
- 8064 - Датчик системы АБС задний правый
- 8070 - Привод электрического замедлителя
- 8121 - Электроклапан выключения замедлителя на выхлопе
- 8602 - Электронный вычислитель автоматической коробки передач
- 9201 - Электронный вычислитель ”VECU” контроля автомобиля
- 81102 - Реле выключения замедлителя на выхлопе
МОДЕЛЬ промышленного автомобиля (VI) : 42B1/B2 - 43C1 - 43V (12т)

МОДЕЛЬ промышленного автомобиля (VI) : 43C2 - 43T - 43V (15т)

МОДЕЛЬ промышленного автомобиля
(VI) : 42B3/B4 - 44C1/C2 - 44T - 44V - 45D2

МОДЕЛЬ промышленного автомобиля (VI) : 45D3


Пояснение к контактам штекеров вычислительного устройства с системой 4Sx3M
Штекер Х1
- 1 Информация впускного электроклапана колеса переднего правого
- 2 Информация впускного электроклапана колеса заднего
- 3 Информация впускного электроклапана колеса переднего левого
- 4 Информация выпускного электроклапана колеса переднего правого
- 5 Информация выпускного электроклапана колеса заднего
- 6 Информация выпускного электроклапана колеса переднего левого
- 7 Не занято
- 8 Не занято
- 9 Не занято
- 10 Информация датчика скорости колеса переднего правого
- 11 Информация датчика скорости колеса заднего левого
- 12 Информация датчика скорости колеса переднего левого
- 13 Информация датчика скорости колеса переднего правого
- 14 Информация датчика скорости колеса заднего левого
- 15 Информация датчика скорости колеса переднего левого
- 16 Не занято
- 17 Информация датчика скорости колеса заднего правого
- 18 Информация датчика скорости колеса заднего правого
Штекер Х2
- 1 - Не занято
- 2 - Не занято
- 3 - Не занято
- 4 - Масса вычислительного устройства
- 5 - Не занято
- 6 - Не занято
- 7 - Плюс после контакта
- 8 - Питание батареи
- 9 - Масса вычислительного устройства
- 10 - Контакт 11 розетки диагностики - Линия К
- 11 - Не занято
- 12 - Система детектирования электрического отсоедининия
- 13 - Не занято
- 14 - Информация регулировки ”ABS” (АБС) на реле замедлителя
- 15 - Контрольная лампа антиблокировки колес тягача
- 15 - Контакт 4 розетки диагностики - Включение тест-лампочки

Пояснение к контактам штекеров вычислительного устройства с системой 4Sx4M
Штекер Х1
- 1 Информация впускного электроклапана колеса переднего правого
- 2 Информация впускного электроклапана колеса заднего
- 3 Информация впускного электроклапана колеса переднего левого
- 4 Информация выпускного электроклапана колеса переднего правого
- 5 Информация выпускного электроклапана колеса заднего
- 6 Информация выпускного электроклапана колеса переднего левого
- 7 Не занято
- 8 Информация впускного электроклапана колеса заднего правого
- 9 Информация выпускного электроклапана колеса заднего правого
- 10 Информация датчика скорости колеса переднего правого
- 11 Информация датчика скорости колеса заднего левого
- 12 Информация датчика скорости колеса переднего левого
- 13 Информация датчика скорости колеса переднего правого
- 14 Информация датчика скорости колеса заднего левого
- 15 Информация датчика скорости колеса переднего левого
- 16 Не занято
- 17 Информация датчика скорости колеса заднего правого
- 18 Информация датчика скорости колеса заднего правого
Штекер Х2
- 1 - Не занято
- 2 - Не занято
- 3 - Не занято
- 4 - Масса вычислительного устройства
- 5 - Не занято
- 6 - Не занято
- 7 - Плюс после контакта
- 8 - Питание батареи
- 9 - Масса вычислительного устройства
- 10 - Контакт 11 розетки диагностики - Линия К
- 11 - Не занято
- 12 - Система детектирования электрического отсоедининия
- 13 - Не занято
- 14 - Информация регулировки ”ABS” (АБС) на реле замедлителя
- 15 - Контрольная лампа антиблокировки колес тягача
- 15 - Контакт 4 розетки диагностики - Включение тест-лампочки