Электросхемы IVECO EURO CARGO (6 - 10 тонн)






Обозначение Наименование
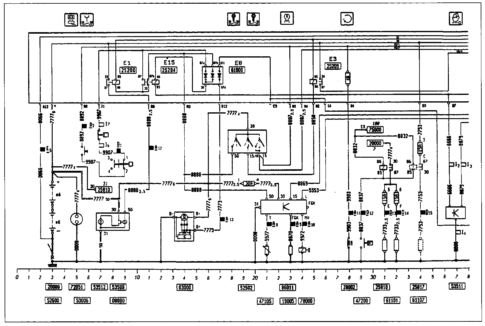
- 03000 Генератор со встроенным регулятором напряжения
- 08000 Устройство защиты от скачков напряжения для встроенного электронного регулятора
- 19005 Термостартер
- 20000 Стартерная батарея
- 22000 Звуковая сигнализация
- 25003 Дистанционный выключатель противотуманного света
- 25004 Реле в цепи включения фар
- 25006 Реле в цепи стоп-сигнала
- 25009 Реле в цепи ближнего света фар
- 25012 Дистанционный выключатель противотуманного света и выключатель фар
- 25013 Дистанционный выключатель ближнего света при включенном дальнем свете фар
- 25014 Дистанционный выключатель для включения стояночных огней при выключенном двигателе
- 25015 Дистанционный выключатель для включения позиционных фонарей и дальнего света фар при выключенном двигателе
- 25103 Реле в цепи контрольной лампы сигнализации неисправности тормозной системы
- 25105А Реле отсечки в цепи датчика ABS (неисправность датчика с противоположной стороны)
- 25105В Реле отсечки в цепи датчика ABS (неисправность датчика с противоположной стороны)
- 25106 Реле в цепи управления контрольной лампы ABS тягача
- 25107 Реле в цепи питания электронного блока ABS
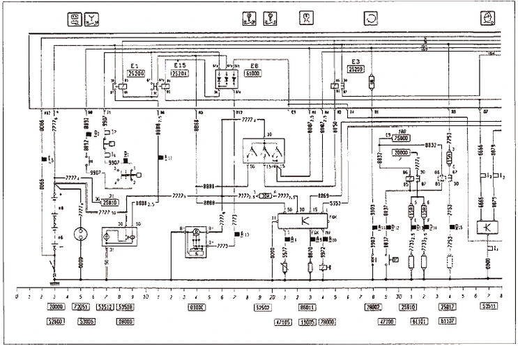
- 25200 Реле в цепи запуска
- 25204 Реле в цепи разрешения запуска
- 25209 Реле отсечки в цепи питания потребителей при запуске двигателя
- 25805 Реле включения звуковой сигнализации
- 25810 Реле включения в цепи подогрева топливного фильтра
- 25817 Реле включения в цепи подогрева осушителя воздуха
- 28002 Электромагнит устройства останова двигателя
- 30001А Прожектор фары ближнего света с позиционным фонарем (сектор ближнего света)
- 30001В Прожектор фары ближнего света с позиционным фонарем (сектор фары)
- 30001С Прожектор фары ближнего света с позиционным фонарем (сектор позиционного фонаря)
- 30010 Прожекторы дальнего света
- 30011 Противотуманные фары
- 30100 Двигатель устройства регулировки высоты фар
- 32002 Передний указатель поворота
- 33001 Боковой указатель поворота
- 34000A Задний позиционный фонарь
- 34000В Задний противотуманный фонарь
- 34000С Задний указатель поворота
- 34000D Стоп-сигнал
- 34000Е Фонарь заднего хода
- 35000 Фонарь освещения номерного знака
- 37001 Передний габаритный фонарь
- 37002 Задний габаритный огонь
- 39002 Потолочный светильник освещения спального места
- 39017 Потолочный светильник кабины
- 39020 Лампа освещения пепельницы
- 39022 Потолочный светильник внутреннего освещения кабины с регулируемым направлением
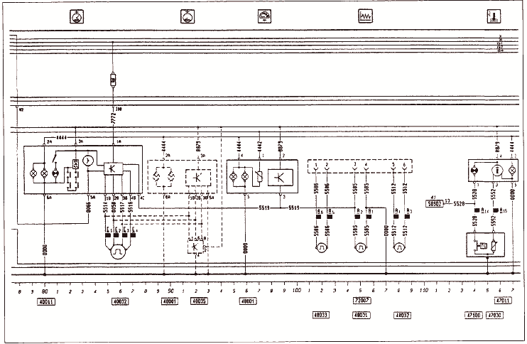
- 40001 Электронный тахометр
- 40011 Электронный тахограф
- 40032 Датчик электронного тахографа
- 40035 Переходное устройство тахометра
- 42001 Датчик давления масла со строенной контрольной лампой
- 42008 Датчик давления в контурах передних и задних тормозов
- 42030 Датчик давления масла в двигателе
- 42102 Контактор сигнализации включения стояночного тормоза
- 42351 Контактор сигнализации засорения воздушного фильтра
- 42550 Контактор сигнализации падения давления масла в двигателе
- 44001 Индикатор уровня топлива со встроенной контрольной лампой
- 44031 Датчик уровня топлива с контактным выводом контрольной лампы указателя резерва топлива
- 44032 Переключатель указателя уровня масла в двигателе
- 44035 Переключатель указателя падения уровня жидкости в бачке стеклоомывателя
- 44036 Переключатель указателя падения уровня охлаждающей жидкости в радиаторе
- 44037 Датчик падения уровня рабочей жидкости в контуре гидроусилителя рулевого механизма
- 44038 Датчик падения давления рабочей жидкости в контуре привода передних тормозов
- 44039 Датчик падения давления рабочей жидкости в контуре привода задних тормозов
- 47011 Датчик температуры охлаждающей жидкости со встроенным индикатором
- 47030 Датчик температуры охлаждающей жидкости в двигателе
- 47100 Контактор сигнализации превышения температуры охлаждающей жидкости двигателя
- 47105 Датчик температуры охлаждающей жидкости
- 47150 Выключатель сигнализации превышения температуры масла в картере КПП
- 47200 Выключатель устройства подогрева топливного фильтра
- 48001 Электронный счетчик числа оборотов
- 48031 Датчик положения ВМТ
- 48032 Датчик положения коленчатого вала двигателя
- 48033 Датчик счетчика числа оборотов
- 50000 Индикатор «IVECO CONTROL 3»
- 52006 Выключатель задних противотуманных фонарей
- 52016 Выключатель освещения места водителя
- 52021 Выключатель внутреннего освещения
- 52024 Выключатель со встроенной контрольной лампой для дополнительных прожекторов
- 52302 Переключатель управления со встроенной контрольной лампой
- 52304 Выключатель противотуманных фар при включенных противотуманных фонарях
- 52307 Переключатель наружного освещения
- 52312 Переключатель регулировки фар
- 52502 Комбинированный выключатель зажигания и стартера
- 52600 Автоматический выключатель аккумуляторной батареи
- 53000 Выключатель устройства проверки контрольных ламп
- 53006 Контактор устройства запуска, расположенный под кабиной
- 53300 Контактор стеклоподъемника со стороны водителя
- 53302 Переключатель стеклоподъемника со стороны пассажира
- 53501 Контактор стоп-сигнала
- 53503 Контактор задних противотуманных фонарей
- 53505 Выключатель сигнализации включения блокировки дифференциала задней оси
- 53508 Выключать устройства блокировки запуска при включенной передаче
- 53509 Выключатель внутреннего освещения кабины
- 53511 Контактор блокировки дверей кабины
- 53512 Контактор блокировки запуска при включении стояночного тормоза
- 53514 Контактор окончания хода гидро-пневматического привода передних тормозов
- 53515 Контактор окончания хода гидро-пневматического привода задних тормозов
- 53517 Контактор блокировки дифференциала
- 53801 Контактор блокировки дифференциала для моста Rockwell
- 54031A Комбинированный переключатель указателей поворота и световой сигнализации
- 54031В Комбинированный переключатель прожекторов и включения фар)
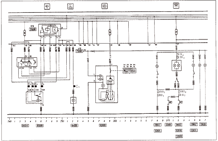
- 54031C Комбинированный переключатель стеклоочистителей и стеклоомывателей
- 58000 Контрольная лампа включения общего освещения
- 58002 Контрольная лампа включения дальнего света
- 58052 Контрольная лампа неисправности тормозной системы
- 58053 Контрольная лампа включения стояночного тормоза
- 58058 Контрольная лампа падения уровня тормозной жидкости
- 58061 Контрольная лампа сигнализации неоперативности системы ABS
- 58062 Контрольная лампа износа тормозных колодок передних колес
- 58063 Контрольная лампа износа тормозных колодок задних колес
- 58064 Контрольная лампа неисправности системы ABS прицепа
- 58065 Контрольная лампа отключения системы ABS прицепа
- 58069 Контрольная лампа включения системы ASR или ограничителя скорости
- 58100 Контрольная лампа заряда аккумуляторной батареи
- 58103 Контрольная лампа засорения топливного фильтра
- 58104 Контрольная лампа падения давления масла в двигателе
- 58106 Контрольная лампа падения уровня охлаждающей жидкости
- 58110 Контрольная лампа включения термостартера
- 58200 Контрольная лампа включения указателей поворота
- 58201 Контрольная лампа включения указателей поворота прицепа
- 58202 Контрольная лампа включения аварийной сигнализации
- 58250 Контрольная лампа сигнализации неисправности пневматической подвески
- 58409 Контрольная лампа отключения блокировки дверей кабины
- 58414 Контрольная лампа включения блокировки дифференциала
- 58420 Контрольная лампа индикации наличия воды в топливном фильтре
- 58426 Контрольная лампа включения пониженных передач
- 58428 Контрольная лампа падения уровня рабочей жидкости в контуре гидроусилителя рулевого управления
- 58430 Контрольная лампа падения уровня масла в двигателе
- 58902 Шкала индикации на 10 позиций системы контроля освещения
- 58904 Шкала индикации на 10 позиций системы контроля гидравлического привода тормозов
- 59001 Прерыватель указателей поворота и аварийной сигнализации
- 59100 Прерыватель стеклоочистителя
- 61000 Блок из 3 диодов (два с общим +)
- 61101 Нагревательный резистор в цепи топливного фильтра
- 61107 Нагревательный резистор в цепи сетчатого фильтра (отстойника)
- 61109 Резистор в цепи самовозбуждения генератора
- 64000 Электрический насос стеклоомывателя
- 65000 Блок стеклоочистителя
- 68000 Радиоприемник
- 68001 Динамик
- 68007 С.В.
- 72006 Разъем на 7 выводов системы ABS
- 72007 Кабельная соединительная муфта на 9 выводов для подключения диагностического устройства
- 72008 Трехконтактный соединитель для подключения диагностического разъема
- 72051 Двухполюсное разъемное контактное соединение
- 75000 Центральный распределительный блок
- 78000 Электроклапан для соединения с атмосферой резервуара термостартера
- 78052 Электроклапан системы ABS
- 80000 Двигатель стеклоподъемника правой двери
- 82000 Блок управления противообледенителем
- 85000 Прикуриватель
- 85005 Резисторы в цепи подогрева зеркал заднего вида
- 85028 Понижающий трансформатор (максимум 11 А)
- 86002 Датчики износа тормозных колодок передних колес
- 86003 Датчики в цепи сигнализации износа тормозных колодок задних колес
- 86011 Электронный блок управления системы предварительного и последующего подогрева
- 86012 Электронный блок управления системы сигнализации наличия воды в топливном фильтре
- 86013 Датчик наличия воды в топливном фильтре
- 86016 Прерыватель указателя блокировки дифференциала
- 86019 Электронный блок управления ослаблением интенсивности освещения
- 88000 Электронный модуль ABS
- 88001 Датчик ABS
- 88002 Информационный модуль ABS

