Блок координатор 3 поколения SCANIA

Техническое описание
Общие сведения
Основная задача блока-координатора состоит в передаче данных другим блокам управления. В
настоящее время блок-координатор используется, главным образом, для передачи в блок управления
двигателем сигналов от различных органов управления (например, педалей), используемых водителем автомобиля. Кроме того, блок-координатор передает сигналы от блока управления двигателем стрелочным указателям (например указателю давления масла) и сигнализаторам, расположенным на приборной панели, а также блокам управления другими системами автомобиля (например, блоку управления гидрозамедлителем).
Блок-координатор расположен в кабине.
Блок управления двигателем установлен на двигателе. Блок-координатор получает и передает сигналы различным периферийным элементам, расположенным в кабине. Связь с блоком управления двигателем осуществляется по шине CAN. Это означает отсутствие необходимости дополнительной электропроводки, связывающей между собой периферийные устройства и различные блоки управления.
Периферийные устройства, расположенные на панели управления

1 Датчик положения педали акселератора
2 Конечные выключатели тормозной педали
3 Конечный выключатель педали сцепления
4 Блок выключателей системы круиз-контроля
5 Указатель давления масла
6 Указатель температуры охлаждающей жидкости
7 Тахометр
8 Тахограф
9 Панель диагностики
10 Визуальные сигнализаторы
11 Диодный блок (D18)
12 Разъем для подключения кузовного
электрооборудования (C271)
13 Диагностический разъем
Основные функции
Блок-координатор преобразует сообщения в сигналы и обратно.
Блок-координатор посылает по шине CAN сигнал скорости автомобиля в виде сообщения определенного формата, которое предназначено для блоков управления различных систем.
Блок-координатор получает от блока управления двигателем сообщения о температуре охлаждающей жидкости, давлении масла и частоте вращения коленчатого вала и посылает соответствующие сигналы управления в приборную панель.
Различные системы управления получают от блока-координатора сигнал с широтно-импульсной модуляцией (PWM-сигнал) о количестве топлива, поступающего в двигатель. Данный PWM-сигнал является преобразованным сообщением, которое блок-координатор получил от блока управления двигателем. Сообщение содержит информацию о количестве топлива, которое впрыскивается в цилиндры двигателя.
Преимущества использования диагностического сканера
- Диагностический сканер позволяет просматривать все коды неисправностей, которые установлены блоком-координатором. Кроме того, имеется возможность получить дополнительные сведения об устройствах, которые могут быть связаны с определенным кодом неисправности.
- В сканере имеется описание устройств, которые взаимодействуют с блоком-координатором, а также изображения общего вида автомобиля с указанием мест расположения этих устройств.
- Сканер содержит все электрические схемы соединения.
- Множество графических символов облегчают диагностику неисправностей.
Функционирование коммуникационной шины CAN Связь между блоком-координатором и блоком управления двигателем осуществляется по шине CAN. Данные, передаваемые по шине CAN, не могут быть проверены с помощью мультиметра.
Однако, имеется возможность измерения сигналов, которые получают различные потребители электроэнергии (периферийные устройства), которые подключены к блоку-координатору или
блоку управления двигателем.
Информация, которая передается по шине CAN между блоком-координатором и другими блоками управления, называется сообщениями. Провода шины обеспечивают последовательную передачу различных сообщений между различными блоками управления.
Информация, которая поступает в блок-координатор и передается блоком-координатором в виде электрического напряжения, называется сигналами. Каждое периферийное устройство имеет отдельный
канал связи с блоком управления.
Взаимодействие с другими бортовыми системами

Блок-координатор получает и передает информацию следующим устройствам и системам:
- - педаль акселератора
- - тормозная педаль
- - педаль сцепления
- - блок выключателей системы круиз-контроля
- - указатель температуры охлаждающей жидкости
- - указатель давления масла
- - спидометр/тахограф
- - сигнализатор падения давления масла
- - лампа диагностики/выключатель диагностики блока-координатора
- - лампа диагностики/выключатель диагностики блока управления двигателем
- - сигнализатор неисправности двигателя
- - электрический разъем для реализации специальных функций управления кузовным оборудованием
- - система гидравлического замедлителя
Элементы системы
Расположение элементов

Обозначение Наименование
- B1 Конечный выключатель-1 тормозной педали
- B25 Конечный выключатель педали акселератора
- B32 Конечный выключатель педали сцепления
- B34 Конечный выключатель-2 тормозной педали
- C2 Разъем
- C23 Разъем
- C56 Распределительный блок
- C61 Разъем
- C190 Разъем
- C271 Разъем для подключения кузовного электрооборудования
- D18 Диодный блок
- D35 Потенциометр
- E4 Импульсный генератор
- E7 Блок управления противоугонной системы VPS
- E12 Блок управления EDC
- E30 Блок-координатор
- G4 Соединение с "массой"
- G13 Соединение с "массой"
- F 19 Предохранитель
- F 20 Предохранитель
- O1 Приборная панель
- O4 Тахограф
- O5 Тахометр
- O7 Указатель температуры охлаждающей жидкости
- O8 Указатель давления масла
- P2 Центральный электрический блок
- S50 Панель диагностики
- S51 Блок выключателей системы круиз-контроля
- W4 Сигнализатор падения давления масла
- W27 Сигнализатор неисправности EDC
Датчик положения педали акселератора - B25, B26 и D35
Датчик положения педали акселератора подает в блок-координатор входные сигналы. Блок-координатор обрабатывает эти входные сигналы и посылает по шине CAN соответствующие сообщения,
предназначенные для других блоков управления.
Датчик положения педали акселератора состоит из трех следующих частей.
• Потенциометр (D35)
• Конечный выключатель - датчик нажатия на педаль акселератора (B25)
• Конечный выключатель - датчик включения режима кик-даун (B26)
Педаль акселератора и датчик положения педали акселератора

1 Датчик положения педали акселератора
Потенциометр (D35) информирует блок-координатор о положении педали акселератора. Потенциометр получает напряжение питания около +5 В через штекер 28 и соединен с "массой" через штекер 24 разъема блока-координатора.
Входной сигнал от потенциометра приходит на штекер 54 разъема блока-координатора.
Величина напряжения сигнала датчика прямо пропорциональна степени нажатия на педаль акселератора.
Конечный выключатель подает на штекер 30 сигнал нажатия на педаль акселератора.
Если педаль акселератора полностью отпущена, конечный выключатель разомкнут. Блок управления
интерпретирует это состояние выключателя, как команду перевести двигатель на холостой ход. При нажатии на педаль акселератора конечный выключатель замыкает цепь, соединяя с "массой" штекер 30 разъема блока-координатора.
Конечный выключатель режима кик-даун срабатывает, если дополнительно нажать на педаль акселератора, которая находится в положении полной подачи топлива. Блок-координатор не получает сигналы от конечного выключателя режима кик-даун.
Блок выключателей системы круиз-контроля - S51
Блок выключателей системы круиз-контроля посылает входные сигналы в блок-координатор. Блок-координатор интерпретирует эти входные сигналы и посылает по шине CAN соответствующую
информацию другим блокам управления.
Сигналы, получаемые от блока выключателей системы круиз-контроля, информируют блок-оординатор о величине скорости автомобиля, которую требуется поддерживать.

Блок выключателей системы круиз-контроля используется также для регулировки и установки частоты холостого хода и управления дополнительными функциями регулирования частоты вращения коленчатого вала двигателя.
Блок выключателей системы круиз-контроля выполняет следующие пять функций (команд).
• ON (ВКЛЮЧИТЬ)
• OFF (ВЫКЛЮЧИТЬ)
• ACC (ускорение, увеличение скорости автомобиля)
• RET (замедление, уменьшение скорости автомобиля)
• RES (возврат к предварительно заданной скорости автомобиля)
Блок выключателей круиз-контроля и блок-координатор соединены только двумя проводами. Эти провода подключены к штекерам 29 и 48 разъема блока-координатора. Команда на включение
каждой из пяти функции соответствует определенному напряжению (см. рис.) на штекерах блока управления.
Напряжение сигнала изменяется за счет дополнительных сопротивлений, включаемых в электрическую цепь соответствующими кнопками блока выключателей системы круиз-контроля.
Блок-координатор через штекер 29 подает на блок выключателей питающее напряжение около +5 В. Электрическая цепь блока выключателей соединяется с "массой" через штекер 48 разъема блока-координатора.

Величина напряжения, соответствующая различным сигналам блока выключателей круиз-контроля.
Конечные выключатели тормозной педали - B1 и B34
Конечные выключатели тормозной педали формируют и посылают входные сигналы в блок-координатор. Блок-координатор интерпретирует эти входные сигналы и посылает по шине CAN соответствующую информацию другим блокам управления.
Конечные выключатели B1 и B34 срабатывают при нажатии на тормозную педаль. Конечные выключатели подключены так, что при нажатии на тормозную педаль один из них замыкается, а
второй размыкается. Конечные выключатели срабатывают одновременно (соответственно замыкают и размыкают контакты) при легком нажатии на тормозную педаль, то есть в начале хода тормозной педали.
Педальный узел

1 Конечный выключатель-1 (B1)
2 Конечный выключатель-2 (B34)
Конечный выключатель B1, размыкающий контакты при нажатии на тормозную педаль, называется конечным выключателем-1, а конечный выключатель B34, замыкающий электрическую цепь нажатии на тормозную педаль, называется конечным выключателем-2 B1, конечный выключатель-1, включен в
цепь между штекером 52 разъема блока-координатора и "массой". При нажатии на тормозную педаль электрическая цепь размыкается и штекер 52 отсоединяется от "массы".
B34, конечный выключатель-2, включен в цепь между штекером 53 разъема блока-координатора и "массой". При нажатии на тормозную педаль электрическая цепь замыкается и штекер 53 соединяется с
"массой".
Конечный выключатель педали сцепления B32
Конечный выключатель педали сцепления формирует и посылает входные сигналы в блок-координатор. Блок-координатор интерпретирует эти входные сигналы и посылает по шине CAN соответствующую
информацию другим блокам управления.
Конечный выключатель срабатывает при нажатии на педаль сцепления.
Конечный выключатель включен в цепь между штекером 50 разъема блока-координатора и "массой". При легком нажатии на педаль сцепления, т.е. в начале хода педали, конечный выключатель
срабатывает и замыкает электрическую цепь, соединяя штекер 50 с "массой".

1 Конечный выключатель педали сцепления B32
Тахограф O4
Тахограф посылает входной сигнал в блок-координатор. Блок-координатор интерпретирует этот входной сигнал и посылает по шине CAN соответствующую информацию другим блокам управления.
Сигнал тахографа (O4) информирует блок-координатор о скорости автомобиля.
Наличие сигнала скорости автомобиля является необходимым условием для выполнения некоторых функций, например, таких как стабилизация скорости системой круиз-контроля и ограничение скорости.
Сигнал скорости от тахографа приходит на штекер 41 разъема блока-координатора.

Сигнализаторы W27 и W4
Блок-координатор получает по шине CAN информацию от блока управления двигателем. По мере необходимости блок-координатор включает и выключает визуальные сигнализаторы, расположенные
на приборной панели.
Блок-координатор управляет функционированием следующих сигнализаторов:
• Сигнализатор блока управления двигателем (W27)
• Сигнализатор падения давления масла (W4)

Сигнализатор блока управления двигателем EDC, грузовые автомобили
При включении питания бортовой сети сигнализаторы загораются на несколько секунд. Это предусмотрено для проверки исправности ламп сигнализаторов.
Цепь сигнализаторов питается напряжением +24 В через штекер 2 и соединена с "массой" через штекер 9 разъема блока-координатора.
Панель диагностики - S50
Блок-координатор по шине CAN посылает сообщения-запросы различным блокам управления, которые в ответ передают в блок-координатор установленные кода неисправностей. Блок-координатор выдает
коды неисправностей с помощью соответствующей диагностической лампы.
В настоящее время блок-координатор может выдавать через диагностическую лампу только коды неисправностей блока управления двигателем и собственные коды неисправностей. Прочие диагностические выключатели подключены непосредственно к соответствующему блоку управления.
Эти выключатели позволяют вывести и считать коды неисправностей, которые могут храниться в запоминающем устройстве блоков управления. Коды неисправностей выдаются мигающей диагностической лампой. Диагностические выключатели используются также для стирания кодов
неисправностей.
Панель диагностики подключена к электрическому питанию + 24 В через предохранитель 4, расположенный в центральном электрическом блоке, и штекер 3 разъема панели. Соединение панели
диагностики с "массой" осуществляется через штекер 4 панели.
Напряжение на выключатель диагностики системы управления двигателем подается со штекера 2 разъема блока-координатора.

Панель диагностики.
Блок-координатор
Выключатель диагностики соединен с блоком-координатором через штекер 10 панели и штекер 12 разъема блока-координатора. При нажатии на подпружиненный выключатель цепь замыкается, и штекер 12 соединяется с "массой".
Блок-координатор интерпретирует это, как запрос на вывод кодов неисправностей. После того как диагностический выключатель будет отпущен, блок-координатор начинает выдавать коды неисправностей с помощью мигающей диагностической лампы, периодически соединяя в определенной
временной последовательности штекер 12 с "массой".
Система управления двигателем
Выключатель диагностики соединен с блоком-координатором через штекер 6 панели и штекер 9 разъема блока-координатора. При нажатии на подпружиненный выключатель цепь замыкается, и штекер 9 соединяется с "массой".
Блок-координатор посылает сообщение в блок управления двигателем о том, что нажат диагностический выключатель, и в ответ на это сообщение получает перечень кодов неисправностей которые следует выдать.
Указатель температуры охлаждающей жидкости O7
Блок-координатор получает по шине CAN от блока управления двигателем информацию о температуре охлаждающей жидкости. Блок-координатор через штекер 10 посылает аналоговый сигнал указателю температуры охлаждающей жидкости (O7), который расположен на приборной панели.

Указатель давления масла O8
Блок-координатор получает по шине CAN от блока управления двигателем информацию о давлении масла. Блок-координатор через штекер 11 посылает аналоговый сигнал указателю давления масла (O8), который расположен на приборной панели.

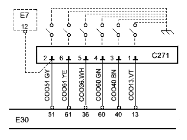
Разъем для подключения кузовного электрооборудования (C271)
Разъем C 271 расположен в центральном электрическом блоке и предназначен для управления двигателем от кузовного оборудования, установленного на автомобиль. Разъем С 271 подключен к
блоку-координатору.
Блок-координатор информирует по шине CAN блок управления двигателем о том, какие штекеры разъема C 271 соединены с "массой".
Функции, которые могут быть реализованы с использованием разъема C 271:
• Регулирование частоты вращения коленчатого вала.
• Ограничение крутящего момента, развиваемого двигателем.
• Ограничитель скорости-2.
• Аварийное выключение двигателя.

Частота вращения коленчатого вала двигателя
Функции управления частотой вращения коленчатого вала реализуются с помощью выключателей, подключаемых к штекерам 1 и 5 разъема C 271. Приведенные ниже варианты соединения штекеров с "массой" позволяют реализовать следующие функции:
Штекер Функция
Штекеры 1 и 5 не соединены с "массой" Обычное регулирование частоты вращения коленчатого вала вручную
Штекер 1 соединен с "массой" Регулирование частоты вращения коленчатого вала вручную с заданными ограничениями
Штекер 5 соединен с "массой" Увеличенная частота холостого хода Штекеры 1 и 5 соединены с "массой" Постоянная частота вращения коленчатого вала
Ограничение крутящего момента, развиваемого двигателем
Функция ограничения крутящего момента двигателя реализуется с помощью выключателей, подключаемых к штекерам 3 и 4 разъема C 271. Приведенные ниже варианты соединения штекеров с "массой" позволяют реализовать следующие варианты ограничения крутящего момента:
Штекер Функция
Штекеры 3 и 4 не соединены с "массой" Ограничение крутящего момента отсутствует
Штекер 4 соединен с "массой" Ограничение-1 крутящего момента двигателя
Штекер 3 соединен с "массой" Ограничение-2 крутящего момента двигателя
Штекеры 3 и 4 соединены с "массой" Ограничение-3 крутящего момента двигателя
Ограничитель скорости-2
Для реализации функции "Ограничитель скорости-2" необходимо присоединить выключатель к штекеру 6 разъема C 271.
Функция включается при соединении штекера с "массой".
Дополнительная информация об этой функции приведена в техническом описании системы управления двигателем.
Аварийное выключение двигателя
Для реализации функции аварийного выключения двигателя необходимо присоединить выключатель к штекеру 2 разъема C 271. Функция включается при соединении штекера с "массой".
Дополнительная информация об этой функции приведена в техническом описании системы управления двигателем.
См. также: