Система ECS-DC3 DAF (LF/CF)
ОБЩИЕ СВЕДЕНИЯ
Введение
Расположение узлов двигателя
ОПИСАНИЕ СИСТЕМЫ
Описание электрической системы ECS-DC3
Топливная система ECS-DC3
ОПИСАНИЕ УЗЛОВ
Электронный блок
Датчик педали акселератора
Датчик температуры охлаждающей жидкости
Датчик температуры топлива
Датчик давления наддува/температуры воздуха наддува
Датчик давления/температуры масла
Датчик положения коленчатого вала
Датчик положения распределительного вала
Топливный насос высокого давления
Форсунки
ФУНКЦИИ УПРАВЛЕНИЯ
Синхронизация при запуске двигателя
Включение/выключение электропитания
Предварительный и дополнительный разогрев свечи накаливания
Результат запуска
Разблокирование подачи топлива
Управление через сеть CAN
Ограничение дымности
Регулирование максимальной частоты вращения двигателя
Система защиты двигателя
Приведение в действие моторного тормоза
Управление частотой вращения двигателя посредством подрулевого переключателя
Круиз-контроль
Ограничение скорости автомобиля
Работа системы управления в случае отказа датчика педали акселератора
Функции управления через функциональный разъем регулирования частоты вращения
ПРОВЕРКА И РЕГУЛИРОВКА
Пункты, требующие особого внимания при проверке системы
Контактные выводы электронного блока
Пояснения к блок-схеме
Блок-схема
Проверка электрооборудования
Проверка управления форсунками
СНЯТИЕ И УСТАНОВКА
Установка датчика давления наддува/температуры воздуха наддува
Установка датчика давления/температуры масла
Установка датчика положения коленчатого вала
Установка датчика положения распределительного вала
ПРОВЕРКА СИСТЕМЫ ПРИ ПОМОЩИ ДИАГНОСТИЧЕСКОГО СКАНЕРА
Общие сведения.
ОБЩИЕ СВЕДЕНИЯ
ВВЕДЕНИЕ
В настоящем руководстве по эксплуатации системы описаны настройка, эксплуатация и проверка системы управления двигателем ECS-DC3.
ECS-DC3 является сокращением от «Engine Control System – DAF Cummins 3» (система управления двигателем DAF – Cummins 3).
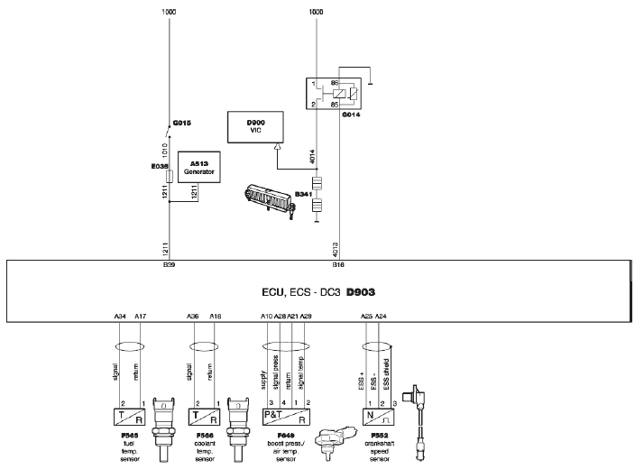
РАСПОЛОЖЕНИЕ УЗЛОВ ДВИГАТЕЛЯ


ОПИСАНИЕ СИСТЕМЫ
ОПИСАНИЕ ЭЛЕКТРИЧЕСКОЙ СИСТЕМЫ ECS-DC3
Электронный блок является главным узлом управления системы впрыска «ECS-DC3». Функции системы ECS-DC3 можно подразделить на те, которые относятся к двигателю, те, которые относятся к автомобилю, и функции диагностики.
Функции, относящиеся к двигателю, включают в себя:
- Ограничение полной нагрузки
- Ограничение дымности выхлопа
- Определение синхронизации и продолжительности впрыска топлива
- Коррекция количества впрыскиваемого топлива
- Холодный запуск
Функции, относящиеся к автомобилю, включают в себя:
- Регулировка частоты вращения двигателя при помощи подрулевого переключателя
Регулировка частоты вращения двигателя через функциональный разъем
Примечание:
Функциональный разъем относится к оборудованию, устанавливаемому за отдельную плату.
- Ограничение скорости автомобиля
- Регулируемый ограничитель скорости автомобиля
- Управление скоростью автомобиля (круиз-контроль)
Примечание:
Круиз-контроль относится к оборудованию, устанавливаемому за отдельную плату.

Для управления функциями двигателя и автомобиля, электронному блоку необходимы различные входные сигналы; блок управляет различными узлами посредством выходных сигналов.
Входные сигналы
Важнейшими входными сигналами являются:

Выходные сигналы
После обработки входных сигналов, выходные сигналы управляют:
- Форсунками (В131, В132, В133, В134, В135, В136)
- Свечой накаливания (В341) (опция)
- Моторным тормозом (В192)
- Приборным щитком через VIC (D900/D899)
- Электромагнитным клапаном управления топливным насосом (В334)
Сеть CAN
Через сеть CAN электронный блок ECS-DC3 связывается с другими электронными системами, установленными на автомобиле. Обмен данными при диагностике диагностическим сканером также происходит по сети CAN.
ТОПЛИВНАЯ СИСТЕМА ECS-DC3

Топливоподкачивающий насос (4а) засасывает топливо из топливного бака (1) через охладительную пластину (2) электронного блока (3).
Охладительная пластина (3) предназначена для предотвращения чрезмерного нагрева электронного блока.
Топливоподкачивающий насос (4а) установлен рядом с топливным насосом высокого давления (4с) и приводится в действие шестерней распределительного вала.
От топливоподкачивающего насоса топливо поступает в фильтр тонкой очистки топлива (5).
Пройдя через фильтр, топливо попадает в топливный насос высокого давления (4с), через электромагнитный клапан управления топливным насосом (4b), который регулирует количество топлива, поступающего в топливный насос высокого давления. Топливо, не попавшее в ТНВД, через перепускной клапан (4d) возвращается в подающий трубопровод топливоподкачивающего насоса, а часть его используется для смазки ТНВД.
Топливный насос высокого давления подает топливо под высоким давлением в топливную рампу (6). Топливная рампа распределяет топливо между форсунками (7). Топливная рампа (6) также работает как аккумулятор, для того, чтобы, по мере возможности, предотвращать изменения давления, возникающие вследствие открытия форсунок и пульсаций давления, создаваемого насосом.
Давление в топливной рампе регистрируется датчиком давления топлива (6а) в топливной рампе. Электронный блок использует эти данные для управления топливным насосом высокого давления (через электромагнитный клапан управления топливным насосом), таким образом, поддерживая давление в топливной рампе на необходимом уровне. Данное давление не является постоянным, а зависит от обстоятельств в процессе эксплуатации.
На торце топливной рампы установлен предохранительный перепускной клапан (6b). Если давление в топливной рампе становится чрезмерно высоким (в аварийной ситуации), данный клапан обеспечивает слив излишков топлива в сливной трубопровод. Сливной трубопровод соединен со сливным трубопроводом топливного бака (1).
Обратный клапан (8) соединяет сливные каналы форсунок в головке цилиндров со сливным трубопроводом топливного бака (1). Данный обратный клапан предотвращает вытекание топлива из форсунок после выключения двигателя.
Если система «открывалась», топливную систему можно прокачать при помощи вспомогательного насоса (2а), встроенного во влагоотделитель/фильтр грубой очистки топлива (2b).
ОПИСАНИЕ УЗЛОВ
ЭЛЕКТРОННЫЙ БЛОК

Электронный блок (1) непрерывно обрабатывает все входные сигналы, поступающие от датчиков и переключателей.
Все эти данные сравниваются с параметрами (программы управления и контрольные значения количества топлива), хранящимися в памяти электронного блока.
На основе этих данных электронный блок рассчитывает оптимальный момент впрыска топлива и его необходимое количество. Количество впрыскиваемого топлива определяется комбинацией факторов: давлением в топливной рампе и временем открытия форсунок. Топливные форсунки управляются отдельно для каждого цилиндра.
В электронный блок встроен датчик, измеряющий атмосферное давление.
Атмосферное давление измеряется через вентиляционное отверстие (2) блока.
Влияние атмосферного давления на систему.
Измеряемое атмосферное давление оказывает влияние на количество топлива, впрыскиваемого в режиме полной нагрузки.
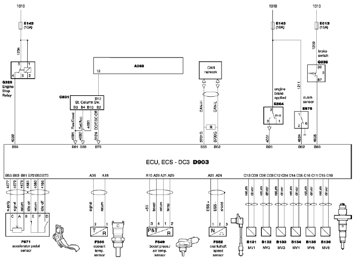
ДАТЧИК ПЕДАЛИ АКСЕЛЕРАТОРА

АВТОМОБИЛИ СЕРИИ LF
Датчик педали акселератора (F671), подсоединенный к электронному блоку, представляет собой потенциометр.
Выходное напряжение потенциометра является линейным сигналом и зависит от положения педали акселератора.
Реле оборотов холостого хода, подсоединенное к выводам В72 и В73 электронного блока, работает параллельно с потенциометром.
Реле оборотов холостого хода является переключателем на два направления. Как только нажимается педаль акселератора, реле переключается на другое направление.
Реле оборотов холостого хода является частью системы защиты.
Как только двигатель запускается, система защиты двигателя не дает электронному блоку ECS-DC3 реагировать на сигнал педали акселератора до тех пор, пока входной сигнал давления масла не превысит пороговое значение.
Выключатель режима «кик-даун»
Блок педали акселератора автомобилей серии LF не оснащен функцией «кик-даун».
Влияние выходного напряжения потенциометра на систему
Измеряемое выходное напряжение влияет на:
1. необходимое количество впрыскиваемого топлива.
Необходимое количество впрыскиваемого топлива корректируется по следующим функциям: ограничение дымности, регулировка максимальных оборотов двигателя и т.п. и, следовательно, не обязательно совпадает с реальным количеством впрыскиваемого топлива.

АВТОМОБИЛИ СЕРИИ СF
Датчик педали акселератора (F671), подсоединенный к электронному блоку, представляет собой потенциометр.
Выходное напряжение потенциометра является линейным сигналом и зависит от положения педали акселератора.
Реле оборотов холостого хода, подсоединенное к выводам В72 и В73 электронного блока, работает параллельно с потенциометром.
Реле оборотов холостого хода является переключателем на два направления. Как только нажимается педаль акселератора, реле переключается на другое направление.
Реле оборотов холостого хода является частью системы защиты.
Как только двигатель запускается, система защиты двигателя не дает электронному блоку ECS-DC3 реагировать на сигнал педали акселератора до тех пор, пока входной сигнал давления масла не превысит пороговое значение.
Выключатель режима «кик-даун»
После того, как выключатель режима «кик-даун» (1) срабатывает, он чисто механически образует сопротивление. Режим «кик-даун» распознается благодаря тому факту, что при срабатывании выключателя режима «кик-даун» значение выходного сигнала потенциометра выше, чем когда данный выключатель выключен.
Влияние выходного напряжения потенциометра на систему
Измеряемое выходное напряжение влияет на:
1. необходимое количество впрыскиваемого топлива.
Необходимое количество впрыскиваемого топлива корректируется по следующим функциям: ограничение дымности, регулировка максимальных оборотов двигателя и т.п. и, следовательно, не обязательно совпадает с реальным количеством впрыскиваемого топлива.
ДАТЧИК ТЕМПЕРАТУРЫ ОХЛАЖДАЮЩЕЙ ЖИДКОСТИ

Для измерения температуры охлаждающей жидкости используется датчик температуры.
Датчик температуры охлаждающей жидкости представляет собой терморезистор с отрицательным ТКС (ОТ). С повышением температуры сопротивление терморезистора уменьшается.
В случае отказа датчика, электронный блок использует запрограммированный в его памяти параметр, обеспечивая, тем самым, возможность продолжения движения.
Влияние температуры охлаждающей жидкости на систему
Измеряемая температура жидкости в системе охлаждения двигателя влияет на:
1. Установку момента впрыска топлива при запуске двигателя.
2. Установку момента впрыска топлива для уменьшения белого дымления двигателя.
Примечание:
Данная регулировка момента впрыска осуществляется по комбинации двух параметров: температуры охлаждающей жидкости и температуры воздуха наддува.
3. Продолжительность предварительного и дополнительного разогрева свечи накаливания.
4. Определение количества впрыскиваемого топлива при запуске двигателя.
5. Уменьшение количества впрыскиваемого топлива и максимальной частоты вращения двигателя в случае чрезмерного повышения температуры охлаждающей жидкости.

ДАТЧИК ТЕМПЕРАТУРЫ ТОПЛИВА

Для измерения температуры топлива используется датчик температуры.
Датчик температуры топлива представляет собой терморезистор с отрицательным ТКС (ОТ). С повышением температуры сопротивление терморезистора уменьшается.
В случае отказа датчика, электронный блок использует запрограммированный в его памяти параметр, обеспечивая, тем самым, возможность продолжения движения.
Влияние температуры топлива на систему
Информация о температуре топлива используется для включения и выключения системы подогрева топлива в фильтре грубой очистки/влагоотделителе автомобилей LF.
ДАТЧИК ДАВЛЕНИЯ НАДДУВА/ТЕМПЕРАТУРЫ ВОЗДУХА НАДДУВА

Данный датчик сочетает функцию измерения давления наддува с функцией измерения температуры воздуха наддува.
Для измерения температуры воздуха наддува используется датчик температуры.
Датчик температуры воздуха наддува представляет собой терморезистор с отрицательным ТКС (ОТ). С повышением температуры сопротивление терморезистора уменьшается.
В случае отказа датчика, электронный блок использует запрограммированный в его памяти параметр, обеспечивая, тем самым, возможность продолжения движения.
Влияние температуры воздуха наддува на систему
Измеряемая температура воздуха наддува влияет на:
1. установку момента впрыска топлива для уменьшения белого дымления двигателя;
Примечание:
Данная регулировка момента впрыска осуществляется по комбинации двух параметров: температуры охлаждающей жидкости и температуры воздуха наддува.
2. функцию ограничения дымности выхлопа (коррекция измеряемого давления наддува).

Для измерения давления наддува используется датчик давления.
Датчик давления наддува представляет собой пьезоэлектрический датчик. Данный датчик передает информацию о давлении на электронный блок в форме электрического сигнала (напряжения).
В случае отказа датчика, электронный блок использует запрограммированный в его памяти параметр, обеспечивая, тем самым, возможность продолжения движения.
Влияние давления наддува на систему
Измеряемое давление наддува влияет на:
количество впрыскиваемого топлива (функция ограничения дымности выхлопа)
ДАТЧИК ДАВЛЕНИЯ/ТЕМПЕРАТУРЫ МАСЛА

Данный датчик сочетает функцию измерения давления масла в двигателе с функцией измерения температуры масла в двигателе.
Для измерения температуры масла используется датчик температуры.
Датчик температуры масла представляет собой терморезистор с отрицательным ТКС (ОТ). С повышением температуры сопротивление терморезистора уменьшается.
Влияние температуры масла в двигателе на систему
Измеряемая температура масла влияет на работу системы защиты.
Для измерения давления масла в двигателе используется датчик давления.
Датчик давления масла представляет собой пьезоэлектрический датчик. Данный датчик передает информацию о давлении на электронный блок в форме электрического сигнала (напряжения).

Влияние давления масла в двигателе на систему
Измеряемое давление масла в двигателе влияет на работу системы защиты двигателя. Данная система предупреждает водителя посредством системы DIP и ограничивает максимальные обороты двигателя и количество впрыскиваемого топлива, для сведения к минимуму возможного повреждения двигателя.
ДАТЧИК ПОЛОЖЕНИЯ КОЛЕНЧАТОГО ВАЛА


Для регистрации частоты вращения двигателя и точного определения момента впрыска, а, следовательно, косвенно и синхронизации активации форсунки в соответствующем цилиндре, датчик положения коленчатого вала регистрирует частоту вращения и положение коленчатого вала двигателя.
Метку верхней мертвой точки (ВМТ) первого цилиндра можно определить по двум пропущенным отверстиям (3) в кольце датчика (2).
Датчик положения коленчатого вала представляет собой индуктивный датчик, что означает то, что он выдает синусоидальный сигнал напряжения переменного тока (2) при регистрации отверстия (1).
Электронный блок преобразует синусоидальный сигнал в цифровой сигнал (3), который может быть использован вычислительным блоком.
Датчик положения коленчатого вала является полярно-зависимым. Сигнал должен быть поляризован таким образом, чтобы положительная половина синусоиды шла первой, обеспечивая возможность надлежащего включения при прохождении нуля.
В точке прохождения нуля синусоидального сигнала происходит изменение амплитуды цифрового сигнала, служащее для синхронизации.
Влияние сигнала датчика положения коленчатого вала на систему
Сигнал датчика положения коленчатого вала влияет на:
1. Определение момента впрыска топлива;
2. регистрацию частоты вращения двигателя;
3. регистрацию частоты вращения двигателя для следующих целей:
- установки момента впрыска топлива
- установки продолжительность впрыска топлива
- ограничения дымности выхлопа
4. Подмены сигнала датчика положения распределительного вала при отсутствии этого сигнала.
ДАТЧИК ПОЛОЖЕНИЯ РАСПРЕДЕЛИТЕЛЬНОГО ВАЛА

Для каждого цилиндра впрыск топлива должен происходить точно в нужный момент 4-тактного цикла. Для этого необходимо знать положение вращающейся части двигателя. Данная установка момента впрыска называется синхронизацией.
Синхронизация осуществляется при помощи определенной последовательности отверстий с обратной стороны шестерни распределительного вала (2), которую сканирует датчик положения распределительного вала (1). По одному из этих отверстий (3) осуществляется синхронизация.
На шестерне распределительного вала двигателя СЕ имеется еще шесть отверстий, разделенных 60-градусными интервалами. У двигателей ВЕ таких отверстий четыре и интервалы между ними составляют 90°.
Функция данных отверстий заключается в определении частоты вращения двигателя и установки момента впрыска топлива в случае отказа датчика положения коленчатого вала.

Датчик положения распределительного вала представляет собой индуктивный датчик, что означает то, что он выдает синусоидальный сигнал напряжения переменного тока (2) при регистрации отверстия (1).
Электронный блок преобразует синусоидальный сигнал в цифровой сигнал (3), который может быть использован системой управления.
Датчик положения распределительного вала является полярно-зависимым. Сигнал должен быть поляризован таким образом, чтобы положительная половина синусоиды шла первой, обеспечивая возможность надлежащего включения при прохождении нуля.
В точке прохождения нуля синусоидального сигнала происходит изменение амплитуды цифрового сигнала, служащее для синхронизации.
Влияние сигнала датчика положения распределительного вала на систему
Сигнал датчика положения распределительного вала влияет на:
1. Синхронизацию.
2. Регистрацию частоты вращения двигателя и установку момента впрыска в случае отказа датчика положения коленчатого вала.
3. Подмену сигнала датчика положения коленчатого вала при отсутствии данного сигнала.
ТОПЛИВНЫЙ НАСОС ВЫСОКОГО ДАВЛЕНИЯ

Принцип работы
Вал насоса (1) снабжен эксцентриком. Этот эксцентрик приводит в действие кольцо эксцентрика (4). Плунжеры насоса (3) приводятся в действие кольцом эксцентрика и толкаются назад пружиной (2).
Топливо подается через быстроразъемную муфту (5). Подача топлива в насосные секции дозируется и регулируется электромагнитным клапаном управления топливным насосом (6). Этот электромагнитный клапан управления топливным насосом управляется электронным блоком по сигналу датчика давления топлива в топливной рампе.


Во время такта всасывания топливоподкачивающий насос подает топливо, через впускной клапан (8).
Во время такта нагнетания, нагнетательный клапан закрыт под действием пружины (7) и происходит рост давления топлива. Топливо покидает насосную секцию через нагнетательный клапан (9). Из трех насосных секций топливо под давлением аккумулируется в корпусе насоса и выходит из него через штуцер высокого давления.
ФОРСУНКИ
Принцип работы

Форсунка закрыта
У форсунки имеется два топливных соединения, соединение подачи топлива под высоким давлением (А) и соединение для слива топлива (В). В положении, показанном на рисунке, форсунка закрыта. Игла форсунки (1) прижата к своему седлу удерживающей пружиной (2) и давлением топлива (С), давящим на иглу перед сужением (3). В полости с диаметром, меньшим, чем диаметр иглы (Е), давление низкое; его величина почти равна величине противодавления. В результате этой разницы давления и диаметра, на иглу форсунки оказывается дополнительное давление.
Высокое давление над иглой форсунки (С) может поддерживаться благодаря шарику (4), прижатому к своему гнезду корпусом якоря (5) и пружиной якоря (6). Уплотняемая поверхность шарика достаточно мала, а усилие пружины (6) достаточно велико для того, чтобы очень высокое давление в топливной рампе (С) не подняло шарик с его гнезда, преодолевая противодавление (Е).
Форсунка открыта
Когда электронный блок подает напряжение на катушку (7) форсунки, корпус якоря (5) поднимается, преодолевая сопротивление пружины (6). В результате этого, шарик (4) перестает быть прижатым к гнезду и выталкивается высоким давлением топлива (С). Это приводит к быстрому падению высокого давления (С) над иглой (1) форсунки. Вследствие данного падения, давление над иглой форсунки (С) становится значительно ниже давления под иглой форсунки (F). В результате, игла форсунки поднимается, преодолевая сопротивление пружины (2) и происходит впрыск топлива.
Когда напряжение на катушку (7) не подается, пружина якоря (6) толкает корпус якоря (5) и шарик (4) вниз. В результате, в зоне над иглой форсунки (С) вновь создадутся условия для создания высокого давления, которое вновь вернет иглу вниз и форсунка закроется.
ФУНКЦИИ УПРАВЛЕНИЯ
СИНХРОНИЗАЦИЯ ПРИ ЗАПУСКЕ ДВИГАТЕЛЯ

Во время запуска двигателя, электронному блоку необходима информация о положении поршней, а также о том, на какой стадии дизельного цикла находится каждый поршень, с тем, чтобы сделать возможным определение момента впрыска. Это означает необходимость определения положения двигателя.
Для этой цели в электронный блок (D903) поступают сигналы от датчика положения коленчатого вала (F552) и датчика положения распределительного вала (F558).
Эти два сигнала характеризуются уникальной формой, способной дать информацию не только о частоте вращения, но и о текущем положении коленчатого и распределительного валов. Посредством сравнения сигналов от обоих датчиков картину положения двигателя можно получить еще быстрее.
На обратной стороне шестерни распределительного вала (2) имеется определенная последовательность отверстий, которая сканируется датчиком положения распределительного вала (1).
Одно из отверстий является отверстием синхронизации (3), положение которого точно известно электронному блоку.

На колесе датчика положения коленчатого вала (2) пропущены два отверстия (3), положение которых точно известно электронному блоку.
При запуске двигателя электронный блок получает сигналы от обоих датчиков.
Электронный блок может точно определить положение двигателя по сочетанию сигналов от специальных меток. При этом происходит «синхронизация» системы и электронный блок может затем активизировать форсунки в нужной последовательности, в нужное время и установив нужную продолжительность впрыска. Этот процесс известен как установка момента впрыска и регулирование количества впрыскиваемого топлива.

Синхронизация в случае отказа датчика положения распределительного вала
В случае отказа датчика положения распределительного вала, остается только сигнал о положении коленчатого вала. Определение положения двигателя по сочетанию двух сигналов становится невозможным.
Возможность синхронизации остается только посредством единственной метки на кольце датчика положения коленчатого вала. Для определения положения двигателя коленчатый вал должен сначала провернуться несколько раз. Как следствие, пройдет больше времени, прежде чем двигатель заработает.
Синхронизация в случае отказа датчика положения коленчатого вала
В случае отказа датчика положения коленчатого вала остается только сигнал о положении распределительного вала. Определение положения двигателя по сочетанию двух сигналов становится невозможным.
Возможность синхронизации остается только посредством единственной метки на кольце датчика положения распределительного вала. Для определения положения двигателя распределительный вал должен сначала провернуться несколько раз. Как следствие, пройдет больше времени, прежде чем двигатель заработает.
В случае отказа датчика положения коленчатого вала, электронный блок будет определять по сигналу датчика положения распределительного вала не только положение двигателя, но и частоту его вращения.
ВКЛЮЧЕНИЕ/ВЫКЛЮЧЕНИЕ ЭЛЕКТРОПИТАНИЯ
LF

CF 65

Включение электропитания
После включения электропитания, входное напряжение подается на вывод В39 электронного блока.
После подачи входного напряжения на вывод В39, прежде всего, происходит внутренняя самодиагностика системы. Данная самодиагностика подразумевает проверку и обработку показаний различных датчиков, включая расчет результата запуска, продолжительность предварительного и дополнительного разогрева свечи накаливания, установку момента впрыска топлива и т.п.
Далее, блок через шину CAN блок связывается с иммобилайзером, для разблокирования подачи топлива.
Выключение электропитания
При выключении электропитания подача напряжения на вывод В39 прекращается.
При этом начинается передача накопленных ошибок из оперативной памяти в постоянное запоминающее устройство. Все исполнительные механизмы (форсунки, электромагнитные клапаны и т.п.) немедленно отключаются. В результате этого, форсунки более не могут открываться и двигатель прекращает работать.
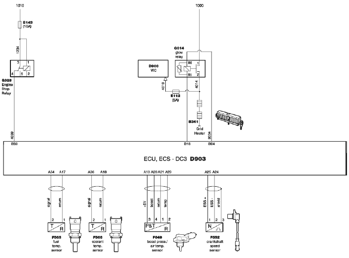
ПРЕДВАРИТЕЛЬНЫЙ И ДОПОЛНИТЕЛЬНЫЙ РАЗОГРЕВ СВЕЧИ НАКАЛИВАНИЯ
LF

CF 65

На основе различных входных сигналов, поступающих от датчиков температуры, электронный блок (D903) автоматически определяет необходимую продолжительность предварительного и дополнительного разогрева свечи накаливания.
После включения электропитания, измеряются температура топлива (F565), температура воздуха наддува (F649) и температура жидкости в системе охлаждения двигателя (F566). На основании этих данных электронный блок рассчитывает необходимую продолжительность предварительного и дополнительного разогрева свечи накаливания.
Условия для функции предварительного разогрева
Предварительный разогрев свечи накаливания включается только если:
1. измеренная температура ниже значения, запрограммированного в электронном блоке для включения функции предварительного разогрева;
2. отсутствует сигнал о частоте вращения двигателя (функция предварительного разогрева свечи накаливания отключается, если электронный блок регистрирует сигнал о частоте вращения двигателя).
Примечание:
Во время прокручивания двигателя стартером функция предварительного разогрева свечи накаливания отключается для того, чтобы отдать стартеру большую мощность аккумуляторной батареи.
Условия для функции дополнительного разогрева
Дополнительный разогрев свечи накаливания включается только если:
1. измеренная температура ниже значения, запрограммированного в электронном блоке для включения функции дополнительного разогрева;
2. присутствует сигнал о частоте вращения двигателя.
Если необходимо активировать функцию разогрева свечи накаливания, электронный блок ECS-DC3 подает напряжение на свой вывод В16.
В результате этого активируется реле (G014).
РЕЗУЛЬТАТ ЗАПУСКА

Для обеспечения быстрого запуска двигателя в любых обстоятельствах, при минимально-возможной дымности, электронным блоком (D903) рассчитывается результат запуска.
Количество топлива, впрыскиваемого при запуске, рассчитывается на основе:
- температуры жидкости в системе охлаждения двигателя (F566).
Температура определяет исходный результат запуска.
- частоты вращения двигателя (F552).
С ростом числа оборотов двигателя, количество впрыскиваемого топлива уменьшается.
Кроме того, устанавливается опережение момента впрыска для ограничения белого дымления выхлопа.
РАЗБЛОКИРОВАНИЕ ПОДАЧИ ТОПЛИВА

Как только включается электропитание, начинается процедура идентификации между иммобилайзером и ключом электропитания.
Во время данной процедуры идентификации между иммобилайзером и ключом электропитания, через шину CAN начинается вторая процедура идентификации между электронным блоком ECS-DC3 и иммобилайзером.
После того, как электронный блок ECS-DC3 опознал код, блокировка постоянной подачи топлива снимается.
Если идентификационные коды не совпадают, либо в случае неисправности в соединении по CAN, форсунки будут отключены электронным блоком и электронный блок ECS-DC3 начнет аварийную процедуру.
В случае применения аварийной процедуры, электронный блок ECS-DC3 зажжет лампу «stop» на приборном щитке, которая будет мигать с определенной частотой, сигнализируя водителю о начале данной процедуры. После начала мигания лампы «stop» можно вводить PIN-код.
Лампа «stop» включается через вывод В47, соединенный с VIC.
При этом сохраняется возможность разблокировать подачу топлива (активировать форсунки), посредством ввода PIN-кода в электронный блок ECS-DC3 при помощи педали акселератора.
УПРАВЛЕНИЕ ЧЕРЕЗ СЕТЬ CAN
LF

CF 65

Электронный блок ECS-DC3 связывается с другими электронными системами, установленными на автомобиле, через выводы шины CAN В52 и В53.
Через эту шину происходит обмен данными, обеспечивая возможность взаимодействия других электронных систем с функциями управления ECS-DC3 или использование данных их собственных функций управления.
Информация, получаемая блоком ECS-DC3, включает в себя:
- Запрос на отключение моторного тормоза при включении АБС.
- Запрос на уменьшение частоты вращения двигателя/отключение круиз-контроля при работе ASR.
- Запрос на включение механизма отбора мощности/регулирования частоты вращения двигателя.
- Запрос на включение круиз-контроля (только серия LF).
- Запрос на отключение моторного тормоза при отключении автоматической блокировки трансмиссии.
- Идентификационный код иммобилайзера для разблокирования постоянной подачи топлива.
- Информацию для включения механизма отбора мощности/регулирования частоты вращения двигателя.
- Информацию о работе стояночного тормоза.
- Информацию о работе рабочего тормоза (только серия LF).
- Информацию о работе педали сцепления (только серия LF).
- Информацию о работе переключателя моторного тормоза (только серия LF).
- Информацию о скорости автомобиля (только серия LF).
Информация, посылаемая блоком ECS-DC3, включает в себя:
- Информацию о температуре охлаждающей жидкости.
- Информацию о частоте вращения двигателя.
- Информацию о крутящем моменте двигателя.
- Информацию о расходе топлива.
- Информацию о номере шасси в связи с проверкой номера шасси.
- Информацию, относящуюся к измеряемому давлению наддува.
- Информацию об отказе в системе ECS-DC3 («желтые» сигнальные сообщения и «красные» сообщения о серьезных неисправностях).
- Информацию о положении педали акселератора.
- Информацию о работе моторного тормоза (только CF65).
ОГРАНИЧЕНИЕ ДЫМНОСТИ

Если топлива впрыснуто больше, чем это необходимо, возрастает выброс сажи.
Момент, когда начинается выброс сажи, является пределом дымности отработанных газов.
Как только достигается предел дымности отработанных газов, количество впрыскиваемого топлива ограничивается.
Диапазон ограничения количества впрыскиваемого топлива определяется давлением наддува в сочетании с измеряемой температурой воздуха наддува. Оба эти параметра измеряются датчиком давления наддува/температуры воздуха наддува (F649).
РЕГУЛИРОВАНИЕ МАКСИМАЛЬНОЙ ЧАСТОТЫ ВРАЩЕНИЯ ДВИГАТЕЛЯ

По достижении максимальной частоты вращения двигателя, количество впрыскиваемого топлива регулируется таким образом, чтобы при нормальных условиях эксплуатации не превысить максимальную частоту вращения двигателя.
Если датчики электронного блока ECS-DC3 дают для этого повод, электронный блок может (временно) понизить максимальную частоту вращения двигателя, предотвращая его повреждение. Примером такой ситуации может служить чрезмерно-высокая температура охлаждающей жидкости.
СИСТЕМА ЗАЩИТЫ ДВИГАТЕЛЯ

Электронный блок ECS-DC3 оснащен электронной системой защиты двигателя. Эта система использует датчики для распознавания ситуаций, которые могут серьезно сократить срок службы двигателя. При определении наличия такой ситуации, количество впрыскиваемого топлива и максимальная частота вращения двигателя могут быть последовательно временно уменьшены.
Для этого электронный блок ECS-DC3 использует следующие датчики:
- Датчик температуры охлаждающей жидкости
- Датчик давления/температуры масла
- Датчик давления наддува/температуры воздуха наддува
Как только двигатель запускается, система защиты двигателя не дает электронному блоку ECS-DC3 реагировать на сигнал педали акселератора до тех пор, пока входной сигнал давления масла не превысит пороговое значение.
ПРИВЕДЕНИЕ В ДЕЙСТВИЕ МОТОРНОГО ТОРМОЗА
Автомобили серии LF

Управление моторным тормозом происходит через сеть CAN. Переключатель моторного тормоза (Е564) непосредственно подключен к VIC (D900). Cразу по получению сигнала, VIC посылает сообщение в сеть CAN. Это сообщение должно быть получено электронным блоком ECS-DC3 (D903), который также подключен к этой сети. В результате этого, электронный блок ECS-DC3 приводит в действие клапан моторного тормоза (В192).
Приведение тормоза в действие осуществляется посредством замыкания вывода В11 электронного блока ECS-DC3 на «массу».
После приведение в действие моторного тормоза впрыск топлива прекращается.
Моторный тормоз может включаться автоматически. Водитель может переключить моторный тормоз в автоматический режим при помощи подрулевого переключателя (Е564). В автоматическом режиме необходимость включения моторного тормоза определяет электронный блок ECS-DC3.
Условия приведения в действие моторного тормоза
1. Электронный блок ECS-DC3 (D903) должен получить сообщение по сети CAN о том, что произошло включение переключателя моторного тормоза.
2. Электронный блок ECS-DC3 (D903) не должен получить сообщение по сети CAN о том, что моторный тормоз должен быть отключен в связи, например, с вмешательством системы АБС/ASR.
3. Должны быть отключены механизм отбора мощности, система регулировки частоты вращения двигателя, а также круиз-контроль.
4. Сигнал датчика педали акселератора должен быть 0%.
5. Частота вращения двигателя должна быть больше 1000 об/мин.
Автомобили CF 65

При включении переключателя моторного тормоза (Е564), на вывод В20 электронного блока (D903) поступает входной сигнал.
Если соблюдены все условия, на вывод В11 подается напряжение для приведения в действие клапана моторного тормоза (В192).
После приведение в действие моторного тормоза впрыск топлива прекращается.
Условия приведения в действие моторного тормоза
1. На электронный блок ECS-DC3 (D903) должен поступить сигнал о включении переключателя моторного тормоза (Е564).
2. Электронный блок ECS-DC3 (D903) не должен получить сообщение по сети CAN о том, что моторный тормоз должен быть отключен в связи, например, с вмешательством системы АБС/ASR.
3. Должен быть отключен механизм отбора мощности.
4. Сигнал датчика педали акселератора должен быть 0%.
5. Частота вращения двигателя должна быть больше 1000 об/мин.
УПРАВЛЕНИЕ ЧАСТОТОЙ ВРАЩЕНИЯ ДВИГАТЕЛЯ ПОСРЕДСТВОМ ПОДРУЛЕВОГО ПЕРЕКЛЮЧАТЕЛЯ
Автомобили серии LF

На автомобилях серии LF подрулевой переключатель регулировки частоты вращения двигателя (С831) подключен к VIC (D900). Команды на электронный блок ECS-DC3 посылаются по сети CAN.
Режим управления регулированием частоты вращения двигателя может быть задан, посредством кратковременного поворота переключателя (С) в положение RES – или SET +, в то время как переключатель ON/OFF (В) находится в положении ON (включено).
Для положений RES – и SET + могут быть заданы две различные частоты вращения двигателя. Обороты двигателя можно регулировать при помощи переключателя (С): положение SET + для увеличения оборотов, RES – для уменьшения. Минимальное и максимальное значение частоты вращения двигателя ограничены заранее запрограммированным значением в электронном блоке.
Примечание:
Заранее запрограммированное значение может быть изменено при помощи диагностического сканера.
Использование на холостом ходу
Управление частотой вращения двигателя может быть задействовано в том случае, если автомобиль заторможен стояночным тормозом, а педали сцепления и рабочего тормоза не нажаты.
В зависимости от программы, заложенной в электронный блок, после включения управления частотой вращения двигателя педаль акселератора может либо функционировать, либо нет.
Прерывание управления частотой вращения двигателя на холостом ходу
1. После нажатия педали тормоза.
2. После отключения стояночного тормоза.
3. После нажатия педали сцепления.
После прерывания, управление частотой вращения двигателя может быть возобновлено, посредство кратковременного поворота переключателя (С) в положение SET + или RES –.
Использование во время движения
Управление оборотами двигателя может быть задействовано в случае, если скорость автомобиля не превышает 9 км/ч. В зависимости от программы, заложенной в электронный блок, после включения управления частотой вращения двигателя педаль акселератора может либо функционировать, либо нет.
В данной версии, после этого можно управлять автомобилем при включенном управлении частотой вращения двигателя.
Максимальная скорость автомобиля при этом ограничена значением, запрограммированным в электронном блоке. Если автомобиль превышает запрограммированную скорость, управление частотой вращения двигателя отключается.
Прерывание управления частотой вращения двигателя во время движения
1. После нажатия педали тормоза.
2. После включения системы ASR.
3. Если скорость автомобиля превысила запрограммированное значение.
4. После нажатия педали сцепления.
5. После срабатывания внешнего ограничителя скорости.
После прерывания, управление частотой вращения двигателя может быть возобновлено, посредством кратковременного поворота переключателя (С) в положение SET + или RES –. Система управления частотой вращения двигателя доведет обороты до запрограммированного значения.
Отключение управления частотой вращения двигателя
Поверните переключатель ON/OFF (В) в положение OFF (выключено).
Условия включения режима управления частотой вращения двигателя
В зависимости от параметров, запрограммированных в электронном блоке при помощи диагностического сканера включение режима управления частотой вращения двигателя возможно при наличии одного из двух возможных условий.
Условие 1
Включение режима управления частотой вращения двигателя возможно в случае, если приведен в действие стояночный тормоз (по сети CAN), а педаль сцепления не нажата (по сети CAN).
В этом случае, педаль акселератора, после включения режима управления частотой вращения двигателя, перестает функционировать.
Условие 2
Включение режима управления частотой вращения двигателя возможно вне зависимости от того, приведен ли в действие стояночный тормоз или нет, нажата педаль сцепления или нет.
В этом случае, педаль акселератора, после включения режима управления частотой вращения двигателя, продолжает функционировать. Это делает возможным увеличение частоты вращения двигателя нажатием на педаль акселератора.
Примечание:
В случае применения данного условия, существует возможность отключения функционирования педали акселератора посредством диагностического сканера.
В случае применения данного условия, автомобиль может двигаться при включенном режиме управления частотой вращения двигателя.
Максимальная скорость автомобиля при этом ограничена значением, запрограммированном в электронном блоке (заводская установка – 9 км/ч).
Примечание:
Значение, запрограммированное в электронном блоке, можно изменить при помощи диагностического сканера.
Отключение управления частотой вращения двигателя
1. Поворотом переключателя ON/OFF (2) подрулевого переключателя в положение OFF (выключено).
2. После нажатия педали тормоза.
Примечание:
Это условие можно изменить при помощи диагностического сканера.
3. Если автомобиль двигается в режиме управления частотой вращения двигателя и скорость автомобиля превышает прибл.15 км/ч (например, на спуске).
4. Если (в зависимости от запрограммированного условия включения) отключается стояночный тормоз.
5. Если (в зависимости от запрограммированного условия включения) выжимается сцепление.
6. Если отключается подрулевой переключатель, вследствие включения режима управления частотой вращения двигателя через функциональный разъем (А068).
Автомобили CF 65

Включение посредством кнопки «RES» на подрулевом переключателе
При нажатии кнопки «RES» (3), напряжение подается на вывод В60 электронного блока (D903).
В этот момент частота вращения двигателя увеличивается до значения, запрограммированного в электронном блоке (заводская установка – 1200 об/мин).
Примечание:
Значение, запрограммированное в электронном блоке, можно изменить при помощи диагностического сканера.

Включение посредством перемещения подрулевого переключателя в направлении функции set+ или set-
Кратковременное однократное перемещение подрулевого переключателя (1) в направлении А (set+) или В (set-) включает режим управления частотой вращения двигателя, однако только в том случае, если обороты двигателя (установленные нажатием педали акселератора) превышают значение, запрограммированное в электронном блоке.
Примечание:
Значением, запрограммированным в электронном блоке, является минимально-достижимое значение частоты вращения двигателя в режиме управления частотой вращения двигателя.
Это значение можно изменить (увеличить) при помощи диагностического сканера.
Если удовлетворяется данное условие, при вертикальном перемещении подрулевого переключателя, текущая частота вращения двигателя будет сохранена в электронном блоке в качестве желаемой частоты вращения.
Увеличение или уменьшение частоты вращения двигателя
Если включено управление частотой вращения двигателя, значение частоты вращения можно уменьшить, переместив подрулевой переключатель в положение В (set-).
При перемещении подрулевого переключателя в положение А (set+), частота вращения двигателя увеличивается.
Минимальное и максимальное значения частоты вращения двигателя, которые можно задать, определяются значением, запрограммированным в электронном блоке.
Примечание:
Значение, запрограммированное в электронном блоке, можно изменить при помощи диагностического сканера.
Условия включения режима управления частотой вращения двигателя
В зависимости от параметров, запрограммированных в электронном блоке при помощи диагностического сканера включение режима управления частотой вращения двигателя возможно при наличии одного из двух возможных условий.

Условие 1
Включение режима управления частотой вращения двигателя возможно в случае, если приведен в действие стояночный тормоз (сигнал по сети CAN), а педаль сцепления не нажата (напряжение на выводе В62).
В этом случае, педаль акселератора, после включения режима управления частотой вращения двигателя, перестает функционировать.
Условие 2
Включение режима управления частотой вращения двигателя возможно вне зависимости от того, приведен ли в действие стояночный тормоз или нет, нажата педаль сцепления или нет.
В этом случае, педаль акселератора, после включения режима управления частотой вращения двигателя, продолжает функционировать. Это делает возможным увеличение частоты вращения двигателя нажатием на педаль акселератора.
Примечание:
В случае применения данного условия, существует возможность отключения функционирования педали акселератора посредством диагностического сканера.
В случае применения данного условия, автомобиль может двигаться при включенном режиме управления частотой вращения двигателя.
Максимальная скорость автомобиля при этом ограничена значением, запрограммированном в электронном блоке (заводская установка – 9 км/ч).
Примечание:
Значение, запрограммированное в электронном блоке, можно изменить при помощи диагностического сканера.
Отключение управления частотой вращения двигателя
1. Поворотом переключателя ON/OFF (2) подрулевого переключателя в положение OFF (выключено).
2. После нажатия педали тормоза.
Примечание:
Это условие можно изменить при помощи диагностического сканера.
3. При включении моторного тормоза.
4. Если автомобиль двигается в режиме управления частотой вращения двигателя и скорость автомобиля превышает значение, запрограммированное в электронном блоке (например, на спуске).
5. Если (в зависимости от запрограммированного условия включения) отключается стояночный тормоз.
6. Если (в зависимости от запрограммированного условия включения) выжимается сцепление.
7. Если отключается подрулевой переключатель, вследствие включения режима управления частотой вращения двигателя через функциональный разъем (А068).
КРУИЗ-КОНТРОЛЬ
Автомобили серии LF

На автомобилях серии LF подрулевой переключатель круиз-контроля (С831) подключен к VIC (D900). Команды на электронный блок ECS-DC3 посылаются по сети CAN.
Включение круиз-контроля
Режим круиз-контроля можно включить на скорости, превышающей 30 км/ч.
Переведите переключатель ON/OFF (В) в положение ON (включено).
На короткое время переведите переключатель SET + /RES – (С) в положение SET +. Включится режим круиз-контроля и автомобиль будет поддерживать текущую скорость постоянной.
Эту скорость можно увеличить или уменьшить при помощи переключателя SET + /RES – (С): для увеличения скорости, поверните его в положение SET +, для уменьшения – в положение RES –.

Примечание:
Педаль акселератора продолжает функционировать. Когда после ускорения педаль отпускается, скорость автомобиля возвращается к ранее установленному значению.
Прерывание режима круиз-контроля
Режим круиз-контроля прерывается любой из нижеперечисленных операций:
1. Нажатие на педаль сцепления
2. Нажатие на педаль тормоза
3. Включение стояночного тормоза
4. Если срабатывает система АБС/ASR
5. Если скорость падает ниже 30 км/ч
6. Если обороты двигателя падают ниже 1 000 об/мин.
Повторное включение режима круиз-контроля после прерывания
Для восстановления ранее установленной скорости, кратковременно поверните переключатель SET + /RES – (С) в положение RES –.
Для фиксирования текущей скорости, кратковременно поверните переключатель SET + /RES – (С) в положение SET +.
Автомобили серии CF 65

Режим круиз-контроля включается посредством подрулевого переключателя (С831).
Режим круиз-контроля можно включить на скорости, превышающей или равной 30 км/ч.
Режим круиз-контроля включается посредством кратковременного перемещения подрулевого переключателя в положение в направлении А (set+) или В (set-).
При перемещении подрулевого переключателя текущее значение скорости автомобиля сохраняется в электронном блоке в качестве желаемого значения скорости и поддерживается постоянным.
Примечание:
После включения режима круиз-контроля педаль акселератора (F671) продолжает функционировать.

Если включен режим круиз-контроля, при перемещении подрулевого переключателя в направлении А (set+) или В (set-), скорость автомобиля можно увеличить или уменьшить, соответственно.
При повороте поворотного переключателя (2) на подрулевом переключателе в положение «OFF», круиз-контроль отключается.
При нажатии на кнопку «RES» (3) на подрулевом переключателе круиз-контроль вновь включается и использует последнее установленное значение скорости.
Отключение режима круиз-контроля
1. Поворотом поворотного переключателя (2) в положение «OFF» (выключено).
2. Нажатием на педаль тормоза
3. Включением моторного тормоза.
4. Если скорость автомобиля в режиме круиз-контроля падает ниже 25 км/ч.
5. При включении стояночного тормоза.
6. Если активна система ASR (сообщение по сети CAN).
7. При выжимании сцепления.
8. При включении регулируемого ограничителя скорости поворотом поворотного переключателя на подрулевом переключателе в положение «LIM».
9. Если замедление автомобиля > 2 м/с2.
ОГРАНИЧЕНИЕ СКОРОСТИ АВТОМОБИЛЯ
LF

CF

На автомобилях серии LF подрулевой переключатель ограничителя скорости (С831) подключен к VIC (D900). Команды на электронный блок ECS-DC3 посылаются по сети CAN.

Включение регулируемого ограничителя скорости
Регулируемый ограничитель скорости обеспечивает возможность ограничения скорости автомобиля значением, определяемым водителем. Ограничитель можно включить, если скорость автомобиля превышает 30 км/ч, а переключатель ON/OFF (В) находится в положении OFF (выключено). Начальной скоростью является текущая скорость движения автомобиля в момент нажатия на кнопку подрулевого переключателя.
Установленная скорость высвечивается на дисплее и может быть увеличена или уменьшена при помощи переключателя SET +/RES (С): для того, чтобы увеличить скорость, поверните его в направлении SET +, для того, чтобы уменьшить – в направлении RES –.
Отключение регулируемого ограничителя скорости
Регулируемый ограничитель скорости можно отключить поворотом переключателя ON/OFF (В) в положение ON.
Внешний ограничитель скорости
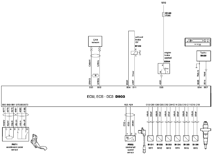
Внешний ограничитель скорости состоит из переключателя, установленного на кузове автомобиля и подсоединен через функциональный разъем (А068). При помощи этого переключателя скорость автомобиля может быть ограничена запрограммированным значением, без использования водителем каких-либо переключателей. Сигнал переключателя должен посылаться на вывод В25.
РАБОТА СИСТЕМЫ УПРАВЛЕНИЯ В СЛУЧАЕ ОТКАЗА ДАТЧИКА ПЕДАЛИ АКСЕЛЕРАТОРА

Неработающий потенциометр
В случае, когда не работает датчик педали акселератора (F671), автомобиль (с полной загрузкой) может доехать до безопасного места за счет использования реле оборотов холостого хода в датчике педали акселератора.
В датчике педали акселератора реле оборотов холостого хода (F671) работает параллельно с потенциометром.
Реле оборотов холостого хода является переключателем на два направления. Как только слегка нажимается педаль акселератора, уровни напряжения на обоих выходах меняются местами. Это распознается электронным блоком ECS-DC3 (D903).
При нажатии педали, электронный блок активирует форсунки таким образом, чтобы обороты двигателя плавно увеличивались. В этом случае наблюдается постепенное увеличение количества впрыскиваемого топлива. В процессе этого, максимальное количество впрыскиваемого топлива удерживается в определенных пределах.
ФУНКЦИИ УПРАВЛЕНИЯ ЧЕРЕЗ ФУНКЦИОНАЛЬНЫЙ РАЗЪЕМ РЕГУЛИРОВАНИЯ ЧАСТОТЫ ВРАЩЕНИЯ ДВИГАТЕЛЯ
LF

CF 65

Через функциональный разъем регулирования частоты вращения двигателя (А068) реализуются следующие возможности/функции управления:
- Ограничение скорости автомобиля при перевозке особых грузов
- Регистрация частоты вращения двигателя
- Регулируемое управление частотой вращения двигателя (отбор мощности)
- Нерегулируемое управление частотой вращения двигателя (отбор мощности) «n2» и «n3»
ОГРАНИЧЕНИЕ СКОРОСТИ АВТОМОБИЛЯ ПРИ ПЕРЕВОЗКЕ ОСОБЫХ ГРУЗОВ
Максимальная скорость автомобиля может быть ограничена 30 км/ч (например, для мусоровозов).
Данное значение запрограммировано в электронном блоке. Его можно изменить при помощи диагностического сканера.
Данный режим включен, если на вывод В25 электронного блока (D903) подано входное напряжение.
Вывод В25 соединен с выводом 4 функционального разъема (А046).
РЕГИСТРАЦИЯ ЧАСТОТЫ ВРАЩЕНИЯ ДВИГАТЕЛЯ
Частота вращения двигателя регистрируется датчиком положения коленчатого вала (F552).
Выходной сигнал датчика положения коленчатого вала представляет собой синусоидальный сигнал, частота которого соответствует числу отверстий в кольце датчика на демпфере вибраций.
Для выходного напряжения на выводе В49 электронного блока (D903) синусоидальный сигнал в электронном блоке «преобразуется» в прямоугольный сигнал. Этот сигнал передается на вывод 3 функционального разъема (А068).
УСЛОВИЯ, РАЗРЕШАЮЩИЕ УПРАВЛЕНИЕ ЧАСТОТОЙ ВРАЩЕНИЯ ДВИГАТЕЛЯ
Все соединения функционального разъема (А068), относящиеся к системе управления частотой вращения двигателя (отбор мощности) подключены к электронному блоку VIC.
Электронный блок ECS-DC3 получает эту информацию от блока VIC по сети CAN.
Электронный блок ECS-DC3 дает разрешение на управление частотой вращения двигателя через функциональный разъем (А068) только если соблюдены все нижеприведенные условия.
Условие 1
Электронный блок ECS-DC3 должен получить от блока VIC сообщение «разрешить управление частотой вращения двигателя».
Данное сообщение посылается электронным блоком VIC в случае, если на блок VIC через вывод 7 (провод 3143) функционального разъема подано напряжение.
Примечание:
Если электронный блок ECS-DC3 получил сообщение «разрешить управление частотой вращения двигателя», управление частотой вращения двигателя при помощи подрулевого переключателя становится невозможным.
Условие 2
Должны быть соблюдены условия включения режима управления частотой вращения двигателя.
В зависимости от параметров, запрограммированных в электронном блоке при помощи диагностического сканера, включение режима управления частотой вращения двигателя возможно при соблюдении одного из двух условий. Эти условия аналогичны условиям включения режима управления частотой вращения двигателя при помощи подрулевого переключателя.
РЕГУЛИРУЕМОЕ УПРАВЛЕНИЕ ЧАСТОТОЙ ВРАЩЕНИЯ ДВИГАТЕЛЯ (ОТБОР МОЩНОСТИ)
Режим регулируемого управления частотой вращения двигателя (отбор мощности) можно включить, если соблюдены условия, разрешающие управление частотой вращения двигателя.
Если условия соблюдены и, если через вывод 8 (провод 3144) функционального разъема на электронный блок VIC подается непрерывный сигнал, включится режим управления частотой вращения двигателя, с использованием последнего значения частоты вращения, установленного при помощи «set+» или «set-».
Частоту вращения двигателя можно увеличить, подавая входное напряжение на электронный блок VIC через вывод 6 (провод 3142) функционального разъема.
Частоту вращения двигателя можно уменьшить, подавая входное напряжение на электронный блок VIC через вывод 5 (провод 3141) функционального разъема.
НЕРЕГУЛИРУЕМОЕ УПРАВЛЕНИЕ ЧАСТОТОЙ ВРАЩЕНИЯ ДВИГАТЕЛЯ «N2» И «N3» (ОТБОР МОЩНОСТИ)
Нерегулируемые режимы управления частотой вращения двигателя «n2» и «n3» (при отборе мощности) можно включить, если соблюдены условия, разрешающие управление частотой вращения двигателя.
Если условия соблюдены и, если через вывод 9 (провод 3145) или вывод 10 (провод 3146) функционального разъема на электронный блок VIC подается непрерывный сигнал, включится режим управления частотой вращения двигателя, с использованием запрограммированного значения n2 (1300 об/мин) или n3 (1400 об/мин), соответственно.
Примечание:
Значение, запрограммированное в электронном блоке, можно изменить при помощи диагностического сканера.
Определение приоритетов режимов управления частотой вращения двигателя
При управлении частотой вращения двигателя через функциональный разъем, n2 имеет наивысший приоритет, затем следует n3, а регулируемое управление частотой вращения двигателя обладает самым низким приоритетом.
Отключение режима управления частотой вращения двигателя (отбор мощности)
1. При нажатии на педаль тормоза (входное напряжение на выводе В80, на автомобилях CF65, либо по сети CAN, на автомобилях LF).
Примечание:
Данное условие можно изменить при помощи диагностического сканера.
2. При включении моторного тормоза (входное напряжение на выводе В20, на автомобилях CF65, либо по сети CAN, на автомобилях LF).
3. Если, в зависимости от запрограммированных условий включения, отключается стояночный тормоз (сигнал по сети CAN).
4. Если, в зависимости от запрограммированных условий включения, выжимается сцепление (отсутствие входного напряжения на выводе В62, на автомобилях CF65, либо по сети CAN, на автомобилях LF).
5. Если через функциональный разъем (А068) не подается напряжение на вывод «разрешения управления частотой вращения двигателя» блока VIC. Электронный блок VIC перестает посылать данное сообщение, если на блок VIC не подается входное напряжение через вывод 7 (провод 3143) функционального разъема.
6. Если автомобиль движется и его скорость превышает прибл. 10 км/ч (например, при движении под уклон).
Примечание:
Значение, запрограммированное в электронном блоке, можно изменить при помощи диагностического сканера.
ПРОВЕРКА И РЕГУЛИРОВКА
ПУНКТЫ, ТРЕБУЮЩИЕ ОСОБОГО ВНИМАНИЯ ПРИ ПРОВЕРКЕ СИСТЕМЫ
1. Каждый раз, при соединении и рассоединении разъемов, отключайте электропитание.
2. При осуществлении проходных соединений и/или проведении измерений параметров системы, используйте специальный инструмент, универсальный тестер ВОВ, (DAF № 1329433), в комбинации со жгутом проводов ВОВ ECS-DC3 (DAF № 1329462).
3. При осуществлении проходных соединений используйте провод, защищенный предохранителем.
4. При возникновении неисправностей, прежде всего, проверьте соединения энергопитания и «массы». Кроме того, проверьте надежность контактов в разъемах (коррозия и т.п.).
5. Вследствие неточности измерений, значения, полученные в процессе их проведения могут несколько отличаться от указанных в настоящем руководстве.

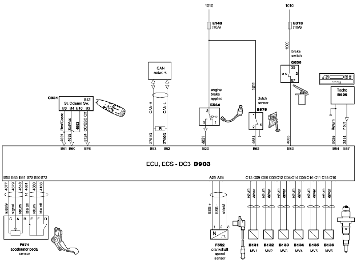
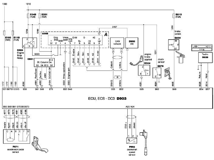
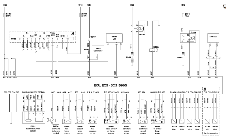
КОНТАКТНЫЕ ВЫВОДЫ ЭЛЕКТРОННОГО БЛОКА
Электронный блок снабжен тремя разъемами: разъемы А, В и С.
Разъем А представляет собой 36-полюсную колодку с выводами для датчиков и электромагнитного клапана управления топливным насосом.
Разъем В представляет собой 89-полюсную колодку с выводами для функциональных узлов автомобиля.
Разъем С представляет собой 16-полюсную колодку с выводами для форсунок.

Разъем А (относится к LF и CF)


Разъем В (относится только к CF 65)



Разъем В (относится только к LF)



Разъем С (относится к LF и CF)

ПОЯСНЕНИЯ К БЛОК-СХЕМЕ
Основной код Описание
- А068 Функциональный разъем, управление оборотами двигателя
- А513 Генератор
- В131 Электромагнитный клапан, узел насос/форсунка, цилиндр 1
- В132 Электромагнитный клапан, узел насос/форсунка, цилиндр 2
- В133 Электромагнитный клапан, узел насос/форсунка, цилиндр 3
- В134 Электромагнитный клапан, узел насос/форсунка, цилиндр 4
- В135 Электромагнитный клапан, узел насос/форсунка, цилиндр 5
- В136 Электромагнитный клапан, узел насос/форсунка, цилиндр 6
- В182 Элемент, подогрев топлива
- В192 Клапан, моторный тормоз
- В334 Электромагнитный клапан, управление топливным насосом
- В341 Свеча накаливания
- В525 Модульный тахометр
- С831 Подрулевой переключатель, круиз-контроль/управление оборотами/замедлитель
- D903 Электронный блок, ECS-DC3
- D900 Электронный блок, VIC
- E013 Предохранитель, стоп-сигналы
- E035 Предохранитель, приборы и сигнальные лампы
- E091 Предохранитель, подрулевой переключатель
- E118 Предохранитель, энергопитание UPEC/ECS-DC3
- E143 Предохранитель, ECS-DC3
- E160 Предохранитель, ECS-DC3
- E164 Предохранитель, подогрев топлива
- E564 Выключатель, моторный тормоз
- E575 Бесконтактный выключатель, педаль сцепления
- F552 Датчик положения коленчатого вала
- F558 Датчик положения распределительного вала
- F565 Датчик температуры топлива
- F566 Датчик температуры охлаждающей жидкости
- F647 Датчик давления масла + температуры масла
- F648 Датчик давления топлива в топливной рампе
- F649 Датчик давления наддува/температуры воздуха наддува
- F671 Датчик педали акселератора, ECS-DC3
- G014 Реле свечи накаливания
- G015 Реле электропитания
- G036 Реле стоп-сигналов
- G201 Реле подогрева топлива
- G328 Реле останова двигателя


А: Функциональный разъем управления частотой вращения двигателя; если выбран данный вариант, управление частотой вращения двигателя осуществляется только через этот разъем.
В: В135 и В136 задействованы только на двигателях СЕ.
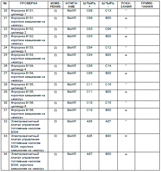
ПРОВЕРКА ЭЛЕКТРООБОРУДОВАНИЯ
Имеется две проверочных таблицы:
- Проверочная таблица для измерения сигналов и напряжения
- Проверочная таблица для измерения сопротивления и срабатывания узлов
Пояснения к проверочным таблицам
Проверочные таблицы состоят из нескольких колонок.
В этих колонках представлены символы и/или сокращения.

Примечание:
Показания, полученные при помощи универсального тестера ВОВ, могут несколько отличаться от показаний, перечисленных в колонке «показания», вследствие сопротивления контактов универсального тестера ВОВ и жгута проводов ВОВ.
ПРОВЕРОЧНАЯ ТАБЛИЦА ДЛЯ ИЗМЕРЕНИЯ СИГНАЛОВ И НАПРЯЖЕНИЯ
1. Выключите электропитание.
2. Отсоедините разъемы от электронного блока.
3. Подсоедините жгут проводов ВОВ для ECS-DC3 (DAF № 1329462) к универсальному тестеру ВОВ (DAF № 1329433).
Подсоедините разъемы (1) жгута проводов ВОВ к электронному блоку ECS-DC3 (2), а разъемы (3) электронного блока ECS-DC3 к разъемам (4) жгута проводов ВОВ.




ПРОВЕРОЧНАЯ ТАБЛИЦА ДЛЯ ИЗМЕРЕНИЯ СОПРОТИВЛЕНИЯ И СРАБАТЫВАНИЯ УЗЛОВ
1. Выключите электропитание.
2. Отсоедините разъемы от электронного блока.
3. Подсоедините жгут проводов ВОВ для ECS-DC3 (DAF № 1329462) к универсальному тестеру ВОВ (DAF № 1329433).
Подсоедините разъемы (3) электронного блока ECS-DC3 (2) к разъемам (4) жгута проводов ВОВ.
Разъемы (1) жгута проводов ВОВ для электронного блока не должны подсоединяться к электронному блоку ECS-DC3.
Примечание:
Если снимались разъемы электронного блока, а затем включалось электропитание автомобиля, в памяти электронных блоков, подключенных по сети CAN, может сохраниться сообщение об ошибке.



ПРОВЕРКА УПРАВЛЕНИЯ ФОРСУНКАМИ
Для проверки управления форсунками электронным блоком можно использовать светодиодный индикатор напряжения.
Таким образом, можно проверить, носит ли неисправность механический характер (напр., подача топлива) или электрический характер.
Подсоедините светодиодный индикатор напряжения к обоим электрическим соединениям форсунки рядом с проходным разъемом в боковой клапанной крышке и запустите двигатель.
Примечание:
Форсунки включаются при напряжении прибл. 80 В постоянного тока. При этом пиковые броски напряжения при отключении могут достигать даже более высоких значений. Примите меры предосторожности, с тем, чтобы не касаться оголенных проводников.