Полные описания Loadalls JCB

Электрика
- All models from m/c no. 567362
Main Components
- 1 Battery
- 2 Starter Motor
- 3 Starter Solenoid
- 4 Starter Switch
- 5 Thermostart
- 6 Starter Relay
- 9 Safe Load Indicator Readout Box
- 10 Rear SLI Boss
- 11 Front SLI Boss
- 15 Heater Switch
- 16 Heater Resistor
- 17 Heater Motor
- 19 Seat Relay Swedish
- 20 Parking Brake Switch machines
- 21 Seat Switch only
- 23 Horn Push
- 24 Horn
- 25 Wash/Wipe Switch
- 26 Front Wiper Motor
- 27 Washer Pump
- 30 Hazard Switch
- 31 Indicator Relay
- 32 Indicator Switch
- 34 Fuel Shut-off Solenoid
- 36 Reverse Alarm Relay
- 37 Reverse Alarm
- 39 Forward/Reverse Selector Switch
- 40 Neutral Start Relay
- 41 Parking Brake Warning Relay
- 42 Reverse Relay
- 43 Forward Relay
- 44 Reverse Solenoid
- 45 Forward Solenoid
- 46 Transmission Dump Switch
- 47 Parking Brake Switch
- 48 Trailer Socket
- 49 Air Filter Switch
- 50 Engine Oil Pressure Switch
- 51 Transmission Oil Temperature Switch
- 52 Transmission Oil Pressure Switch
- 53 Water Temperature Switch
- 54 Hourmeter
- 55 Alternator
- 56 Tachometer
- 57 Fuel Gauge
- 58 Water Temperature Gauge
- 59 Fuel Gauge Sender
- 60 Water Temperature Gauge Sender
- 61 Warning Buzzer
- 62 L. H. Stabiliser Switch
- 63 R. H. Stabiliser Switch
- 65 Interior Light Switch
- 66 Roof Wiper Motor and Switch
- 67 Rear Wiper Motor and Switch
- 68 Beacon Switch
- 69 Beacon
- 71 Brake Switch
- 71B Brake Switch Relay
- 72 2/4 Wheel Drive Switch (not fitted on permanent 4 wheel drive)
- 73 2 Wheel Drive Solenoid
- 75 Front Axle Proximity Switch
- 76 Rear Axle Proximity Switch
- 77 Steering Mode Selector Switch
- 78 Steer Mode Printed Circuit Board
- 78A Relay 2
- 78B Relay 1
- 78C Relay 1 (latch)
- 78D Relay 2 (unlatch)
- 78E Relay 1 (unlatch)
- 78F Relay 2 (latch)
- 79 4 Wheel/Crab Steer Solenoid
- 80 4 Wheel Steer Solenoid
- 81 Crab Steer Solenoid
- 82 2 Wheel Steer Solenoid
- 83 Side Lights Relay
- 86 Working Light Switch
- 87 Road Light Switch
- 88 Headlamp Dip Switch
- 93 Headlamp Flasher
- 99 Radio (Optional)
- 100 Transmission Dump Relay
- 101 Transmission Dump Switch
Lamps
- 202 Trailer Indicator Warning
- 203 Hazard Warning
- 204 L.H. Indicators
- 205 R.H. Indicators
- 206 Indicator Warning
- 207 Hazard Indicator Warning
- 208 Reversing Lights
- 209 Parking Brake Warning
- 210 Air Filter Blocked Warning
- 211 Engine Oil Pressure Warning
- 212 Transmission Oil Temperature Warning
- 213 Transmission Oil Pressure Warning
- 214 Water Temperature Warning
- 215 Alternator Warning
- 216 Stabiliser Indicators
- 217 Interior Light
- 218 Beacon Warning
- 219 2 Wheel Drive Warning
- 220 L.H. Brake Lights
- 221 R.H. Brake Lights
- 222 4 Wheel Steer Warning
- 223 Crab Steer Warning
- 224 2 Wheel Steer Warning
- 225 Instrument Panel Illumination
- 226 L.H. Side Light
- 227 R.H. Side Light
- 229 Number Plate Light
- 230 Working Light Warning
- 231 Cab Working Light
- 232 Headlamp Dip Beam
- 233 Headlamp Main Beam
- 234 Headlamp Main Beam Warning
- 235 Inclinometer Illumination
Fuses
- Fuses are numbered as shown on
- the fuse box in the cab.
- Cable Colour Code
- G Green
- N Brown
- U Blue
- Y Yellow
Все следующие электро и гидравлические схемы
доступны только пользователям
- 520-55 (504B N. Am), 520-55 RS from m/c no. 277001 to 277535
- 520-55 from m/c no. 277536
- 526-55 to m/c no. 278965
- All models from 567362 (Powershift option)
- Safe Load Indicator Circuit from m/c no. 576404
- 520-55, 520S from m/c no. 278966
- 526-55, 526S (526 N.Am) from m/c no. 278966 to 280299
- 526-55, 526, 526S (526 N.Am)(Powershift ECU) from m/c no. 280300 to 280576
- 526-55, 526, 526S (526 N. Am) (Syncroshuttle) from m/c no. 280300
- 520-55 (Syncro Shuttle) from m/c no. 281847
- 526, 526S (526 N. Am) (Powershift) from m/c no. 280577
- 528-70 (Syncro Shuttle) from m/c no. 796000
- 528S (Powershift) from m/c no. 796102
- 528S (Syncro Shuttle) from m/c no. 796102
- 530 Without Neutral Start Relay from m/c no. 767001 to768836
- 530 With Nuetral Start Relay/ECU from m/c no. 768837 to 770053
- 530 With Relay Controlled Transmission (ECU not fitted) from m/c no. 770054 to 770958
- 530, 540 Sway Machines from m/c no. 770959
- 530, 540 Non-Sway Machines from m/c no. 770959
- 530, 540 With Manual Auxiliary Controls from m/c no. 775402
- 535 With Manual Auxiliary Controls from m/c no. 777362
- 530, 540 With Single Lever Controls from m/c no. 775402
- 535 With Single Lever Controls from m/c no. 777362
- 530, 535, 540 from m/c no. 7670001/530 FS Super, 540 FS Super, 530SXL, 540 SXL
- 532, 537 Without Neutral Start Relay from m/c no. 767001 to 768956
- 532, 537 With Neutral Start Relay/ECU from m/c no. 768957 to 770063
- 532, 537 With Relay Controlled Transmission (ECU not fitted) from m/c no. 770064 to 770958
- 532, 537, 550 from m/c no. 770959
- 532, 537, 550 With Manual Auxiliary Controls from m/c no. 775402
- 540-170, 5508 with Servo Controls to m/c no. 1004130
- 540-170, 5508 with Servo Controls from m/c no. 1004131
- 506B (Syncro Shuttle) to m/c no. 578676
- 506B (Syncro Shuttle) from m/c no. 578677
- 506C, 508C (Syncro Shuttle) to m/c no. 585396
- 506C, 508C (Syncro Shuttle) from m/c no. 585397
- 506C, 508C (Powershift with 6 Transmission Relays) to m/c no. 585396
- 506C, 508C (Powershift with 7 Transmission Relays) to m/c no. 585396
- 506C, 508C(Powershift) from m/c no. 585397
- 533-105 Machines
Гидравлика
- 525-58/67, 527-58/67, 530-95 from m/c no. 567362 to 574295
- F Filter
- P1 Main pump
- P2 Steering pump
- P3 Cooling fan pump
- P4 Supplementary pump (Farm Special Plus Only)
- S1 Main pump suction line
- S2 Steering pump suction line
- S3 Cooling fan pump suction line
- T Tank
- 1A Neutral circuit feed line
- 1B Neutral circuit return line
- 2 Valve block
- 2A Main relief valve (M.R.V.)
- 2B Lift spool
- 2C Extension spool
- 2CC Extension spool (Half motor spool type, 530-95 Only)
- 2D Auxiliary spool see note 2
- 2E Tilt spool
- 2F Auxiliary spool
- 2G Sway spool
- 2H Auxiliary relief valve (A.R.V)
- 2J Auxiliary relief valve (A.R.V)
- 2K Auxiliary relief valve (A.R.V)
- 2L Auxiliary relief valve (A.R.V)
- 2M Auxiliary relief valve (A.R.V)
- 2N Auxiliary relief valve (A.R.V)
- 2P Auxiliary relief valve (A.R.V) see note 3
- 2Q Auxiliary relief valve (A.R.V) see note 3
- 2Y Auxiliary relief valve (A.R.V) (530-95 Only)
- 2R Load hold check valve (L.H.C.V)
- 2S Load hold check valve (L.H.C.V)
- 2T Load hold check valve (L.H.C.V)
- 2U Load hold check valve (L.H.C.V)
- 2V Load hold check valve (L.H.C.V)
- 2W Load hold check valve (L.H.C.V)
- 2X Pressure test point
- 10 Lift rams
- 10A Lift ram check valves
- 11 Displacement ram
- 12 Extension ram
- 12A Extension ram check valve
- 13 Tilt ram
- 13A Tilt ram check valve
- 14 Non-return valve (525-58 Only)
- 15 Sway ram (530-95)
- 15A Sway ram check valve Optional
- 15B Sway isolation valve
- 29 Steering Anti-cavitation valve
- 30 Steering flow control valve
- 31 Steering pressure relief valve
- 32 Steering pressure test point
- 33 Steering unit
- 34 Steering mode valve
- 34A Steering mode valve
- 34B Steering mode valve
- 35 Front axle steering rams
- 36 Rear axle steering rams
- 40 Cooling fan pressure test point
- 41 Cooling fan motor (inset is for later machines)
- 41A Cooling fan motor relief valve
- 42 Auxiliary attachment ram
- 43 Displacement ram isolation valve (530-95 Only)
- 527-58/67, 535-67 from m/c no. 574296
- 530-120 from m/c no. 567362
- 530-110 from m/c no. 567362
- 505-19 & 505-22 from m/c no 567362 to 574295
- 505-19 & 505-22 from m/c no. 574296
- 506-36 from m/c no. 567362
- 508-40 from m/c no. 567362
- 510-40 from m/c no. 567362
- 520-55 RS, 520-55 4 Wheel Steer from m/c no. 277001 to 278610
- 520-50 4 Wheel Steer from m/c no. 278611
- 526-55, 526, 526S from m/c no 277001 to 280299
- 537-120, 537-130 from m/c no. 572900
- 520-50, 525-50, 525-52 from m/c no. 754000
- 520-55 RS, 520-55 4WS from 278610
- 520-55 4WS from m/c no. 278611
- 526-55, 526, 526S to m/c no. 280299
- 526, 526S with Dual Lever Control from m/c no. 280300
- 526, 526S with Single Lever Control Option from m/c no.280300
- 528-70 from m/c. 796000
- 528S from m/c no. 796102
- 528S with Single Lever Controls from m/c no. 796102
- 530, 540 Agricultural from m/c no. 767001
- 530 Construction from m/c no. 767001 to 770616
- 530, 540 Construction with Single Lever Control from m/c no. 767001 to 770617
- 530 Construction with Manual Auxiliary Controls from m/c no. 775402
- 530 Construction with Manual Auxiliary Controls from m/c no. TBA (fitted with 2-stage pump)
- 530 Construction with Manual Auxiliary Controls from m/c no. 775402 (fitted with 3-stage pump)
- 540 Construction with Manual Auxiliary Controls from m/c no 775402
- 540 Construction with Manual Auxiliary Controls from m/c no. 775402 (fitted with 3-stage pump)
- 535-95 from m/c no. 777362
- 535-95 Machines (fitted with a 3-stage pump) from m/c no. 777362
- 535-95 Machines (fitted with a 2-stage pump) from m/c no. TBA
- 532 to m/c no. 770638
- 537, 550 to m/c no. 770613
- 532 from m/c no 770639 to 775401
- 537, 550 from m/c no. 770614 to 775401
- 532, 537, 550 with Manual Auxiliary Controls from m/c no. 775402
- 506B
- 506C
- 506C (HL), 508C
- 540-170 with Servo Controls from m/c no. 780925
- 533-105 Machines from serial no. 786756
Вся доступная информация по Loadalls JCB
General Information
Fluids, Lubricants and Capacities
- 525-58, 525-67, 527-58, 527-67, 530-95
- 530-110
- 530-10 (AK/AR Builds)
- 530-120, 537-120, 537-130
- 505-19, 505-22
- 506-36
- 508-40 & 510-40
- 525-58 FS Plus, 530-67, 535-67
- 520-55 RS
- 520-55 AWS (AA/AB Builds)
- 520-55 AWS (AK/AR Builds)
- 526-55, 526, 526S (AA/AB Builds)
- 526-55, 526, 526S (AK/AR Builds)
- 520-50 (N. America)
- 528-70, 528S
- 506B, 506C, 506C (HL), 508C
- 520-50, 525-50 (AA Build)
- 520-50, 525-50, 525-52 (AK/AR Builds)
- 526 (N.America)
- 530, 535, 540
- 530, 533, 535, 540
- 532, 537, 550
Static Dimensions & Weights
- 525-58, 525-67, 527-58,527-67
- 530-95
- 530-110
- 530-120, 537-130
- 505-19 & 505-22
- 506-36
- 508-40
- 510-40
- 520-55, 520S
- 526-55, 526, 526S
- 537-120
- 530-67, 535-67
- 520-50, 525-50, 525-52
- 530, 540
- 535
- 530, 535, 540 Performance Dimensions
- 532, 537, 550
- 506, 506 (HC), 508 (N. America)
- 526 (N. America)
- 528-70, 528S
Data - Electrical
- From m/c no. 567362
General
Fuses
Relay Indentification
- 520-55, 520S, 520-55 RS (504B N. Am), 526-55, 526, 526S (526N.Am) from m/c no. 277001
- 520-50, 525-50, 525-52 from m/c no. 754000
Data - Electrical (cont’d)
520-55, 526-55, 526, 526S (526 N.Am) From m/c no. 279000 to 280299
Relay Identification
Fuse Identification
526, 526S (526N. Am)
Relay Identification
Fuse Identification
530, 535, 540 From m/c no 767001
Relay Identification
Fuse Identification
532, 537, 540-170, 550, 5508 From m/c no. 767001
Relay Identification
Fuse Identification
Fuse Links
528-70 Syncro Shuttle Transmission From m/c no. 796000
Fuse and Relay Identification
528S From m/c 796102
Relay Identification
Fuse Identification
528-70, 528S From m/c no. 796000
Fuse Links
506B, 506C, 506C(HL), 508C
Relay Identification
Fuse Identification
Data Hydraulics
- 525-58, 525-67, 527-58, 527-67, 535-67 From m/c no. 567362
- 530-95 From m/c no. 567362
- 530-110 From m/c no. 567362
- 530-120 From m/c no. 567362
- 505-19 & 505-22 From m/c no. 567362
- 506-36 From m/c no. 567362
- 508-40 From m/c no. 567362
- 510-40 From m/c no. 567362
- 520-55, 526-55, 520S, 526, 526S from m/c no. 567362
- 537-120 From m/c no. 567362
- 537-130 From m/c no. 567362
- 520-50, 525-50, 525-52 From m/c no. 754000
- 530 Agricultural
- 530 Construction
- 540 Agricultural From m/c no. 767001
- 540 Construction From m/c no. 767001
- 535 From m/c no. 767001
- 532 from m/c no. 567362
- 537, 550 From m/c no. 767001
- 528-70, 528S From m/c no. 796000
- 506B, 506C
- 506C (HL), 508C
- 540-170, 5508 with Servo Controls from m/c no. 780925
Data Engine
- All models from m/c no. 567362
- 520-55, 526-55, 526, 526S From m/c no.277001
- 520-50, 525-50, 525-52 From m/c no. 754000
- 530, 535, 540 and 532, 537, 550 From m/c no. 767001
Axles
- 525-58, 67, 527-58, 67, 530-67, 95, 535-67, 505-19 & 22 From m/c no. 567362
- 530-120, 537-120, 130, 508-40 & 510-40 From m/c no. 567362
- 530-110 & 506-36 From m/c no. 567362
- 520-55 RS From m/c 277001
- 520-55 4 Wheel Steer to m/c no. 2768610
- 520-55 4 Wheeled Steer from m/c no. 2768611
- 526-55, 526, 526S to m/c no. 280999
- 526-55, 526, 526S to m/c no. 280299
- 520-50, 525-50 from m/c no. 754000,
- 526, 526S from m/c no. 280300
- 528-70 from m/c no. 796000
- 528S from m/c no. 796102
- 506B, 506C, 506C (HL),508C
Data-Tyres
- All models, except 530, 532, 535, 537, 540, 550 20 - 05 - 04A/1
- 530, 532, 535, 537, 550, 540 20 - 05 - 04A/4
Data Transmission
- Syncro Shuttle, All models from m/c no. 567362
- 520-55 Syncro Shuttle from m/c no. 277001
- 520-50, 525-50, 525-52 from m/c no. 754000
- 520, 526 Powershift from m/c no. 277001
- 528 Powershift from m/c no. 796000
- 506, 508 Powershift
- 520, 526 Syncro Shuttle from m/c no. 277001
- 528 Syncro Shuttle from m/c no. 796000
- 506, 508 Syncro Shuttle
- 530, 532, 535, 537, 540, 550 Powershift
- 532, 537, 550, Axles and Stall Speeds from m/c no. 767001
- 530, 535, 540 Axles and Stall Speeds from m/c no. 767001
Data-Brakes
- 525-58/67, 527-58/67, 530-67, 535-67, 505-19/22 From m/c no. 567362
- 530-95/110, 506-36 from m/c no. 567362
- 530-120, 537-120/130, 508-40, 510-40 from m/c no. 567362
- 520-55 RS from m/c no. 277001 to 279119
- 520-55 AWS from m/c no. 277001 to 279119
- 526-55, 526, 526S from m/c no. 277467 to 280299
- 520-55 AWS from m/c no. 279120
- 520-50, 525-50, 525-52
- 526-55, 526, 526S, 520-55 4WS, from m/c no. 2768611
- 532, 537 from m/c no. 2768611
- 528-70 from m/c no. 796000
- 528S from m/c no. 796102
- 530, 535, 540 from m/c no. 767001
- 532, 537, 550 fromm/c no. 767001
- 506B, 506C, 506C(HL), 508C
9804/1103 Issue 3*
Data-Steering
- All models from m/c no. 567362
- 520-55, 526-55, 526, 526S from m/c no. 277001
-All models from m/c no. 773135
- 520-50, 525-50, 525-52 from m/c no. 754000
- 530, 532, 537 from m/c no 754000
- 528-70 from m/c no. 796000
- 528S from m/c no. 796102
- 530, 535, 540 from m/c no. 767001
- 532, 537, 550 from m/c no. 767001
- 506B, 506C, 506C (HL), 508C
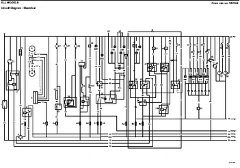
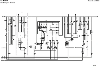
Circuit Diagrams-Electrical
- All models from m/c no. 567362
- 520-55 (504B N. Am), 520-55 RS from m/c no. 277001 to 277535
- 520-55 from m/c no. 277536
- 526-55 to m/c no. 278965
- All models from 567362 (Powershift option)
- Safe Load Indicator Circuit from m/c no. 576404
- 520-55, 520S from m/c no. 278966
- 526-55, 526S (526 N.Am) from m/c no. 278966 to 280299
- 526-55, 526, 526S (526 N.Am)(Powershift ECU) from m/c no. 280300 to 280576
- 526-55, 526, 526S (526 N. Am) (Syncroshuttle) from m/c no. 280300
- 520-55 (Syncro Shuttle) from m/c no. 281847
- 526, 526S (526 N. Am) (Powershift) from m/c no. 280577
- 528-70 (Syncro Shuttle) from m/c no. 796000
- 528S (Powershift) from m/c no. 796102
- 528S (Syncro Shuttle) from m/c no. 796102
- 530 Without Neutral Start Relay from m/c no. 767001 to768836
- 530 With Nuetral Start Relay/ECU from m/c no. 768837 to 770053
- 530 With Relay Controlled Transmission (ECU not fitted) from m/c no. 770054 to 770958
- 530, 540 Sway Machines from m/c no. 770959
- 530, 540 Non-Sway Machines from m/c no. 770959
- 530, 540 With Manual Auxiliary Controls from m/c no. 775402
- 535 With Manual Auxiliary Controls from m/c no. 777362
- 530, 540 With Single Lever Controls from m/c no. 775402
- 535 With Single Lever Controls from m/c no. 777362
- 530, 535, 540 from m/c no. 7670001/530 FS Super, 540 FS Super, 530SXL, 540 SXL
- 532, 537 Without Neutral Start Relay from m/c no. 767001 to 768956
- 532, 537 With Neutral Start Relay/ECU from m/c no. 768957 to 770063
- 532, 537 With Relay Controlled Transmission (ECU not fitted) from m/c no. 770064 to 770958
- 532, 537, 550 from m/c no. 770959
- 532, 537, 550 With Manual Auxiliary Controls from m/c no. 775402
- 540-170, 5508 with Servo Controls to m/c no. 1004130
- 540-170, 5508 with Servo Controls from m/c no. 1004131
- 506B (Syncro Shuttle) to m/c no. 578676
- 506B (Syncro Shuttle) from m/c no. 578677
- 506C, 508C (Syncro Shuttle) to m/c no. 585396
- 506C, 508C (Syncro Shuttle) from m/c no. 585397
- 506C, 508C (Powershift with 6 Transmission Relays) to m/c no. 585396
- 506C, 508C (Powershift with 7 Transmission Relays) to m/c no. 585396
- 506C, 508C(Powershift) from m/c no. 585397
- 533-105 Machines
Circuit Diagrams - Hydraulics
- 525-58/67, 527-58/67, 530-95 from m/c no. 567362 to 574295
- 527-58/67, 535-67 from m/c no. 574296
- 530-120 from m/c no. 567362
- 530-110 from m/c no. 567362
- 505-19 & 505-22 from m/c no 567362 to 574295
- 505-19 & 505-22 from m/c no. 574296
- 506-36 from m/c no. 567362
- 508-40 from m/c no. 567362
- 510-40 from m/c no. 567362
- 520-55 RS, 520-55 4 Wheel Steer from m/c no. 277001 to 278610
- 520-50 4 Wheel Steer from m/c no. 278611
- 526-55, 526, 526S from m/c no 277001 to 280299
- 537-120, 537-130 from m/c no. 572900
- 520-50, 525-50, 525-52 from m/c no. 754000
- 520-55 RS, 520-55 4WS from 278610
- 520-55 4WS from m/c no. 278611
- 526-55, 526, 526S to m/c no. 280299
- 526, 526S with Dual Lever Control from m/c no. 280300
- 526, 526S with Single Lever Control Option from m/c no.280300
- 528-70 from m/c. 796000
- 528S from m/c no. 796102
- 528S with Single Lever Controls from m/c no. 796102
- 530, 540 Agricultural from m/c no. 767001
- 530 Construction from m/c no. 767001 to 770616
- 530, 540 Construction with Single Lever Control from m/c no. 767001 to 770617
- 530 Construction with Manual Auxiliary Controls from m/c no. 775402
- 530 Construction with Manual Auxiliary Controls from m/c no. TBA (fitted with 2-stage pump)
- 530 Construction with Manual Auxiliary Controls from m/c no. 775402 (fitted with 3-stage pump)
- 540 Construction with Manual Auxiliary Controls from m/c no 775402
- 540 Construction with Manual Auxiliary Controls from m/c no. 775402 (fitted with 3-stage pump)
- 535-95 from m/c no. 777362
- 535-95 Machines (fitted with a 3-stage pump) from m/c no. 777362
- 535-95 Machines (fitted with a 2-stage pump) from m/c no. TBA
- 532 to m/c no. 770638
- 537, 550 to m/c no. 770613
- 532 from m/c no 770639 to 775401
- 537, 550 from m/c no. 770614 to 775401
- 532, 537, 550 with Manual Auxiliary Controls from m/c no. 775402
- 506B
- 506C
- 506C (HL), 508C
- 540-170 with Servo Controls from m/c no. 780925
- 533-105 Machines from serial no. 786756









