Диагностика неисправностей отопителей Eberspacher Hydronic M-II

- 1 Блок управления
- 2 Двигатель горелки
- 3 Электрод накаливания
- 4 Жаровая труба
- 5 Датчик перегрева
- 6 Теплообменник
- 7 Водяной насос
- 8 Камера сгорания
- 9 Датчик горения
WE = Впуск воды
WA = Выпуск воды
A = Выхлопные газы
B = Топливо
V = Воздух, подаваемый в камеру сгорания
В случае неисправности сначала проверьте следующее:
• Проверка:
– Есть ли топливо в топливном баке?
– Герметичны ли топливопроводы? (внешний осмотр)
– Нет ли остатков летнего дизеля в топливопроводе?
– Установлен ли регулятор температуры (водяной вентиль) полностью на „ТЕПЛО”?
– Нет ли засоров в каналах подачи воздуха в камеру сгорания или отвода выхлопных газов и не повреждены ли они?
• Электрические компоненты:
– Не повреждена ли проводка, соединения, места разъемов?
– Не окислены ли контакты?
– Исправны ли предохранители?
– Исправна ли проводка? (короткие замыкания, обрывы)
• Проверить напряжение аккумулятора
– При напряжении аккумулятора < 20 В, срабатывает защита от минимального напряжения отопительного прибора – 24 В.
• Проверить напряжение питания Uаккум (клемма 30)
Отсоединить 12-контактный штекер (B2) и измерьте напряжение на блоке управления/блоке вентилятора между контактом A3 (кабель 2,52 rt) и контактом A2 (кабель 2,52 br).
При отклонении напряжения аккумулятора проверить предохранители, проводку, контакт на массу и плюсовую клемму аккумулятора на падение напряжения (коррозия / обрыв).
• Проверьте сигнал включения (S+)
При использовании элементов управления EasyStart R+, R и T.
Отсоедините 12-контактный штекер (B2) от блока управления/блока вентилятора и затем включите отопительный прибор при помощи элемента управления.
Измерить напряжение на штекере (B2) между контактом В4 (кабель 0,752 bl/ws) и контактом A2 (кабель 2,52 br).
Если напряжение отсутствует, проверить проводку (кабель 12 ge), предохранитель 5 A (поз. 2.7.1 на монтажной схеме) и элемент управления.
Для всех остальных элементов управления
Отсоединить 12-контактный штекер (B2) от блока управления/блока нагнетателя и затем нажать кнопку C на элементе управления.
Измерить напряжение на штекере (B2) между контактом C4 (кабель 12 ge) и контактом A2 (кабель 2,52 br). Если напряжение отсутствует, проверить проводку (кабель 12 ge), предохранитель 5 A (поз. 2.7.1 на монтажной схеме) и элемент управления.
КОДЫ НЕИСПРАВНОСТЕЙ
| КОД | ОПИСАНИЕ ОШИБКИ | ПРИЧИНА • Меры по устранению |
000 | Без ошибок | — — |
005 | Предупреждение Короткое замыкание на выходе противоугонной системы | • Проверить подключение или проводку на проходимость, короткое замыкание и наличие повреждений. |
009 | Отключение ADR / ADR99 | • Выключить и вновь включить отопление – отключение через D+ или HA / NA должно быть квитировано. |
010 | Отключение при перенапряжении | Перенапряжение на блоке управления сохраняется не менее 6 секунд непрерывно –> отопительный прибор отключается. • Разъедините штекерное соединение отопительный прибор / кабельный жгут, запустите двигатель транспортного средства, измерьте напряжение. Штекер B2, штырек A2 и A3: – Если напряжение >15 В или >30 В, проверьте регулятор генератора или аккумулятор. |
011 | Отключение при падении напряжения | Пониженное напряжение на блоке управления сохраняется не менее 20 секунд непрерывно –> отопительный прибор отключается. • Разъедините штекерное соединение отопительный прибор / кабельный жгут, запустите двигатель транспортного средства, измерьте напряжение. Штекер B2, штырек A2 и A3: – Если напряжение <10 В или < 20 В, проверьте предохранитель, питающие провода, контакты на массу и плюсовую клемму аккумулятора на падение напряжения (коррозия). |
012 | Перегрев | Датчик перегрева сообщает о температуре выше 120 °C. • Откачайте воздух из отопительного прибора (недостаток воды), откройте шибер отопления, проверьте массовый расход воды. • Измерить сопротивление датчика перегрева, на штекере B1, штырек 2 и 4. – Если датчик перегрева в порядке, проверить подключение на проходимость, короткое замыкание и наличие повреждений. |
014 | Слишком большая разница температур между датчиком горения и датчиком перегрева | Разница между измеренными значениями на датчике перегрева и датчике температуры > 70 K. • Откачайте воздух из отопительного прибора (недостаток воды), откройте шибер отопления и проверьте массовый расход воды. • Измерить сопротивление датчика температуры, на штекере B1, штырек 2 и 4, на штекере В1, штырек 1 и 2. – Если датчик температуры в порядке, проверить подключение на проходимость, короткое замыкание и наличие повреждений. |
017 | Перегрев, переход аппаратного ограничения блок управления заблокирован | Превышена макс. температура на датчике перегрева (180 °C). • Откачайте воздух из отопительного прибора (недостаток воды), откройте шибер отопления, проверьте массовый расход воды. • Проверить датчик перегрева —> код неисправности 012. • Проверить блок управления. |
019 | Недостаточная энергия воспламенения на штифтовом электроде 1 | Слишком низкое потребление энергии на штифтовом электроде 1 (< 2000 Втс) • Проверить штифтовой электрод на проходимость, короткое замыкание и наличие повреждений. —> код неисправности 020. • Проверить блок управления. |
020 021 022 | Обрыв штифтового электрода 1 Перегрузка/замыкание на массу штифтового электрода 1 Короткое замыкание штифтового электрода 1 на +Ub | • Измерить холодное сопротивление штифтового электрода примерно при 20 °C – штекер B1, штырек 7 и 10. Если при следующих значениях штифтовой электрод в порядке, а значения отклоняются, заменить штифтовой электрод. Измеренное значение: • 12 В – штифтовой электрод = 0,42 – 0,6 Ом • 24 В – штифтовой электрод = 1,2 – 1,9 Ом – если штифтовой электрод в порядке, проверить кабельный жгут от штифтового электрода на проходимость, короткое замыкание и наличие повреждений. |
023 024 | Обрыв штифтового электрода 2 Перегрузка/замыкание на массу штифтового электрода 2 | • Измерить холодное сопротивление штифтового электрода примерно при 20 °C – штекер B1, штырек 11 и 14. Если при следующих значениях штифтовой электрод в порядке, а значения отклоняются, заменить штифтовой электрод. Измеренное значение: • 12 В – штифтовой электрод = 0,42 – 0,6 Ом • 24 В – штифтовой электрод = 1,2 – 1,9 Ом – если штифтовой электрод в порядке, проверить кабельный жгут от штифтового электрода на проходимость, короткое замыкание и наличие повреждений. |
025 | Ошибка линии JE-K Отопительный прибор остается в состоянии готовности к работе | • Проверить диагностический кабель на проходимость, короткое замыкание и наличие повреждений – штекер B2, штырек B4. – если в порядке, проверить блок управления. |
026 | Короткое замыкание штифтового электрода 2 на +Ub | см. коды неисправностей 023 / 024 |
029 | Недостаточная энергия воспламенения на штифтовом электроде 2 | Слишком низкое потребление энергии на штифтовом электроде 2 (< 2000 Втс) • Проверить штифтовой электрод на проходимость, короткое замыкание и наличие повреждений. —> код неисправности 023. • Проверить блок управления. |
031 032 033 034 | Обрыв двигателя горелки Перегрузка двигателя горелки Ошибка числа оборотов двигателя горелки/блокировка Короткое замыкание двигателя горелки на +Ub или на массу | • Проверить соединительные кабели на проходимость, короткое замыкание и наличие повреждений – штекер B1, штырек 3, 6 и 9. • Проверить вращение двигателя горелки путем вращения крыльчатки нагнетателя вручную – если вращается с трудом, устранить причину блокировки. – если в порядке, заменить блок управления/блок нагнетателя. |
037 | Не работает водяной насос | • Проверить водяной насос. Подать напряжение на водяной насос – штекер B1, штырек 12 и 13 (потребление тока = макс. 4 A или 2 A) – Если водяной насос не вращается, заменить его. – если водяной насос в порядке, заменить блок управления/блок нагнетателя. |
041 042 043 | Обрыв водяного насоса Водяной насос Перегрузка по КЗ Водяной насос Перегрузка на +Ub | • Проверить соединение и кабельный жгут на проходимость, короткое замыкание и наличие повреждений – штекер B1, штырек 12 и 13. – Если в порядке, проверить водяной насос —> код неисправности 037. Водяной насос работает без смазки • Откачать воздух из отопительного прибора (недостаток воды), открыть шибер отопления, проверить массовый расход воды. |
047 048 049 | Дозирующий насос Перегрузка по КЗ Дозирующий насос – обрыв Дозирующий насос Перегрузка на +Ub | • Проверить соединение и кабельный жгут дозирующего насоса на проходимость, короткое замыкание и наличие повреждений – штекер B2, штырек A1. – Если в порядке, проверить дозирующий насос – заданное значение ок. 20 Ом. |
052 | Превышение безопасного лимита времени | На этапе запуска не определяется наличие пламени. Значение датчика горения < 80 °C, вследствие чего выполняется аварийное отключение из-за превышение ли- мита безопасного времени. • Проверьте систему подачи топлива, систему отвода выхлопных газов и систему подачи воздуха в камеру сгорания. • Проверить штифтовой электрод –> см. коды неисправностей с 019 по 024 / 026 / 029. • Проверьте датчик горения –> см. коды неисправностей 064 и 065. |
053 054 055 056 057 058 | Обрыв пламени на ступени регулирования „МОЩНОСТЬ” Обрыв пламени на ступени регулирования „ВЫСОКАЯ” Обрыв пламени на ступени регулирования „Средняя” (D 8 W / D 10 W) ступени регулирования „Средняя 1” (D 12 W) Обрыв пламени на ступени регулирования „Средняя 2” (D 12 W) Обрыв пламени на ступени регулирования „Средняя 3” (D 12 W) Обрыв пламени на ступени регулирова-ния „МАЛАЯ” | Отопительный прибор запускается (определено наличие пламени) и на одной из ступеней мощности сообщает об обрыве факела. • Проверьте объем подачи топлива, число оборотов нагнетателя, систему подачи топлива, систему отвода выхлопных газов и систему подачи воздуха в камеру сгорания. • Проверьте датчик горения –> см. коды неисправностей 064 и 065. |
059 | Слишком быстрый подъем температуры воды | • Откачайте воздух из отопительного прибора (недостаток воды), откройте шибер отопления, проверьте массовый расход воды. • Проверьте датчик температуры –> код неисправности 060 / 061 |
060 061 | Датчик температуры – обрыв Температурный датчик – короткое замыкание | Датчик температуры сообщает о температуре, выходящей за границы диапазона измерения. • Измерить сопротивление датчика температуры на штекере B1, штырек 1 и 2, значения измерения см. на стр. 28. – Если датчик температуры в порядке, проверить подключение на проходимость, короткое замыкание и наличие повреждений. |
064 065 | Датчик горения – обрыв Датчик горения – короткое замыкание | Датчик горения сообщает о температуре, выходящей за границы диапазона измерения. • Измерить сопротивление датчика горения на штекере B1, штырек 5 и 8. – Если датчик горения в порядке, проверить соединительные кабели на проходимость, короткое замыкание и наличие повреждений. |
071 072 | Обрыв датчика перегрева Датчик перегрева – короткое замыкание | Датчик перегрева сообщает о температуре, выходящей за границы диапазона измерения. • Проверьте датчик перегрева –> код неисправности 012. |
074 | Неисправность аппаратуры определения перегрева, функциональная блокировка | • Неисправен блок управления. Заменить блок управления/блок нагнетателя |
090 | Внешний сброс | • Сброс блока управления вследствие подачи внешнего напряжения помех. Проверить подачу питания – аккумулятор, проводку, генератор, предохранители |
091 092 093 094 095 096 097 098 099 | Внутренний сброс Ошибка ПЗУ Ошибка ОЗУ, как минимум одна ячейка ОЗУ не работает Ошибка ЭСППЗУ, ошибка контрольной суммы в области эксплуатационных данных, диагностических параметров или калибровочных значений Недействительный блок данных, ошибка контрольной суммы Внутренняя ошибка датчика температуры/слишком высокая температура ЭБУ Внутренняя ошибка прибора Неисправно главное реле Слишком много сбросов, функциональная блокировка | • Внутренняя ошибка датчика температуры. Заменить блок управления/блок нагнетателя |
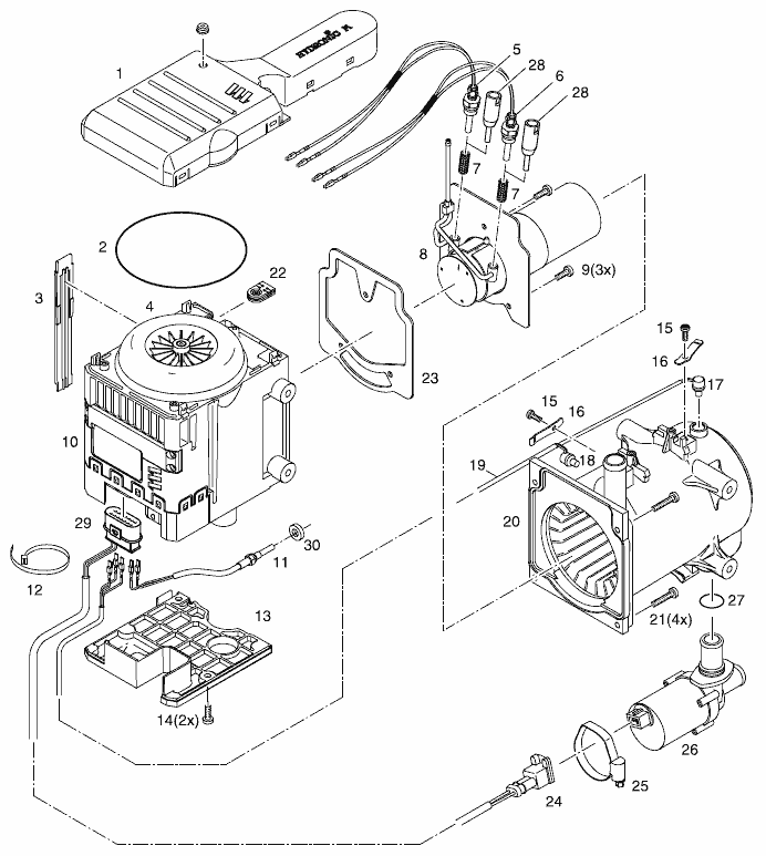
Сборочный чертеж

- 1 Крышка крыльчатки нагнетателя
- 2 Уплотнительное кольцо 117,07 x 3,53
- 3 Боковая крышка
- 4 Крыльчатка нагнетателя
- 5 Электрод накаливания 1
- 6 Электрод накаливания 2
- 7 Обкладка патрубка свечи
- 8 Камера сгорания
- 9 Винт M5 x 16 TAPTITE / DIN 7500 TORX
- 10 Блок управления/блок нагнетателя
- 11 Датчик горения
- 12 Лента для кабельного монтажа
- 13 Крышка эл/двигателя
- 14 Винт M5 x 16 TAPTITE / DIN 7500 TORX
- 15 Винт M4 x 12 TAPTITE / DIN 7985 TORX
- 16 Прижимная пружина
- 17 Датчик перегрева
- 18 Температурный датчик
- 19 Стренга кабеля датчика перегрева/температуры
- 20 Кожух с теплообменником
- 21 Винт M5 x 25 TAPTITE / DIN 7500 TORX
- 22 Втулка
- 23 Уплотнение камеры сгорания
- 24 Штекер кабельного жгута водяного насоса
- 25 Шланговый хомут
- 26 Водяной насос
- 27 Уплотнительное кольцо 19,8 x 2,3
- 28 Монтажный инструмент для обкладок патрубков свечей
- 29 14-контактный штекер
- 30 Специальная шайба 6,4 x 11 x 3,2 (требуется для блока управления / блока нагнетателя без усилительной планки)
Указания по различным компонентам
• Блок управления/блок нагнетателя, поз. 10
Блок управления/блок нагнетателя и электродвигатель не демонтируются. Если эти компоненты неисправны, необходимо заменить весь блок управления/блок нагнетателя.
• Кожух с теплообменником, поз. 20 Кожух и теплообменник не демонтируются. Если эти
компоненты неисправны, необходимо заменить кожух с теплообменником в блоке.
• Уплотнительное кольцо, поз. 2 Уплотнительное кольцо входит в комплект поставки сменного узла „Блок управления / блок нагнетателя”. Уплотнительное кольцо также можно заказать отдельно.
• Уплотнение камеры сгорания, поз. 23 Уплотнение камеры сгорания входит в комплект сменных
узлов:
– кожух с теплообменником (20)
– камера сгорания (8)
– электрод накаливания (5) и (6)
Уплотнение камеры сгорания также можно заказать отдельно.