FOTON AUMAN 4189 - Электрооборудование

СОДЕРЖАНИЕ
1.Монтажный блок кабины
2.Монтажный блок рамы
3.Монтажный блок АКБ
4.ACC замка зажигания
5.IGN замка зажигания
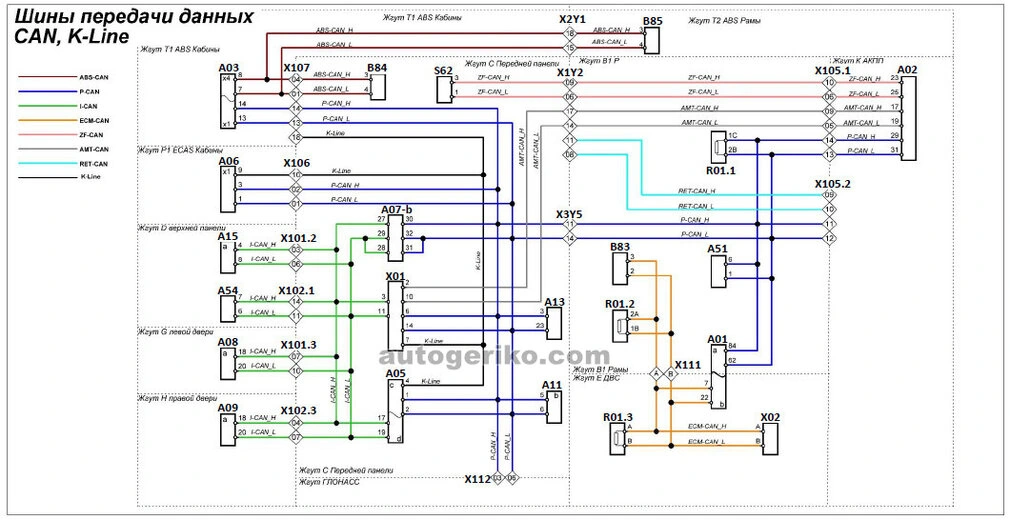
6.CAN, K-Line
7.Система пуска
8.Генератор
9.Систему управления двигателем
10.КПП ZF Traxon
11.ABS
12.CBCU (общая схема)
13.Габариты
14.Система освещения
15.Стеклоочистители и омыватель
16.Звуковые сигналы
17.Внутреннее освещение
18.ECAS
19.Комбинация прибров
20.Тахограф и датчик скорости
21.Блокировка моста
22.DCM,PCM,ЦЗ, Стеклоподъемники
23.Климат-контроль
24.Воздушный автономный отопитель
25.Жидкостный автономный отопитель
26.Аудиосистема
27.ГЛОНАСС
28.Система подогрева топлива
29.Холодильник
30.Зеркала заднего вида
31.Подъем кабины
32.Розетки 12,24В, преобр-ль 24/220В
33.Подключение прицепа
34.Люк
35.Мультируль
36.Фонари «Автопоезд» (нештатные)
Монтажный блок кабины. Лист 1 из 2

F1 Компрессор кондиционера
F2 Освещение ящиков, ламп спальников, прожектора
F3 Мотор отопителя салона
F4 Селектор АКПП; АКПП
F13 Прикуриватель
F15 Розетка 24В
F19 Насос подъема кабины
F25 Розетка OBD
F26 Блокировки
F28 Отборы мощности
F29 ECAS
F30 ABS и ABS прицепа
LL-F3 Магнитола
LL-F6 Холодильник
LR-F1 Замок зажигания и предохр. АСС
LR-F2 Замок зажигания
LR-F5 ГЛОНАСС, 24/220; автономка
LR-F6 Подогрев топлива
LR-F7 Подогрев топлива
RR-F3 Селектор АКПП
RR-F5 ABS
RR-F10 ???
K1 Реле кондиционера
K4 Реле АСС???
K5 Реле розетки 24В
K6 Реле омывателял/с
K7 Реле розетки 12В
K10 Реле прикуривателя
K16 Реле мотора отопителя
K18 не используется
K21 Реле зажигания 1
K22 Реле зажигания 2
RL-K1 Реле прожектора
RL-K2 Реле автономки
RL-K4 Реле АСС
A102 Монтажный блок АКБ
F/L5 Отключаемое питание кабины
F/L2 Неотключаемое питание кабины
S02 Основной выключатель питания

Монтажный блок кабины. Лист 2 из 2

F5 CBCU
F6 много потребителей
F7 CBCU
F8 CBCU
F9 CBCU
F10 CBCU
F12 CBCU
F16 Мотор стеклоочистителя
F17 Звуковые сигналы
F18 пусто
F20 Тахограф
F21 Комбинация приборов
F22 пусто
F23 Блок PCM
F24 Блок DCM
LL-F1 Регулировка зеркал, мотор люка, клавиша подъема кабины
LL-F2 Магнитола
LR-F3 Автономный отопитель
LR-F4 Подогрев сиденья водителя
RR-F4 Задний ход
RR-F7 ECAS
RR-F8 Подогрев зеркал
RR-F9 Климат-контроль
K2 Реле фонарей заднего хода
K3 Реле подогрева зеркал
K11 Реле пневмосигнала
K12 Реле электросигнала
K13 Реле 1 мотора стеклоочистителей
K14 Реле 2 мотора стеклоочистителей
RL-K5 Реле FAN
RL-K6 Реле подогрева сиденья водителя

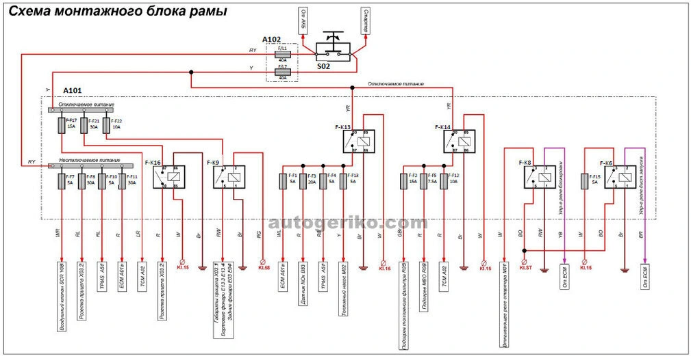
Монтажный блок рамы

Предохранители
F-F1 IGN ECM A01a
F-F2 Подогрев топливного фильтра R05
F-F3 Датчик NOx B83
F-F4 IGN TPMS A51
F-F5 подогрев МВО R08
F-F7 Воздушный клапан SCR Y08
F-F8 IGN Розетка прицепа X03.2
F-F10 TPMS A51
F-F11 ECM A01
F-F12 TCM A02
F-F13 Топливный насос M02
F-F15 Дистанционный запуск M01
F-F17 TCM A02
F-F21 Розетка прицепа X03.2
F-F22 Габариты прицепа, бортовые фонари, задние габариты
Реле
F-K6 Реле дистанционного запуска
F-K8 Реле блокировки стартера
F-K9 Реле габаритов рамы и прицепа
F-K1 3реле зажигания №1 на ECM, TPMS, NOx, топл.насос
F-K14 Реле зажигания №2 на TCM, подогрев фильтраиМВО
F-K16 Реле зажигания №3 на прицеп
A102 Монтажный блок силовых предохранителей
F/L1 Неотключаемое питание монтажного блока рамы
F/L7 Отключаемое питание монтажного блока рамы
S02 Основной выключатель питания

Монтажный блок АКБ

A102 Монтажный блок силовых предохранителей
Предохранители
F12V Розетка 12В в кабине
F/L1 Неотключаемое питание монтажного блока рамы (клапан SCR, прицеп, TPMS, ECM)
F/L2 Неотключаемое питание монтажного блока кабины (реле К21, К22, DCM, PCM, Тахограф, ГЛОНАСС, IMMO, ЦЗ, автономный отопитель, CBCU, комбинация приборов, магнитола, реле звуковых сигналов К11 К12, люк, регулировка зеркал)
F/L3 Генератор
F/L4 Предпусковой подогрев воздуха
F/L5 Отключаемое питание монтажного блока кабины (Замок зажигания, мотор отопителя салона, прикуриватель, подсветка ящиков, лампы спальников, прожектор, OBD, розетка 24В, насос подъема кабины, стеклоочистители, подогрев зеркал, подогрев сиденья, ECAS, задний ход, климат-контроль,)
F/L6 Розетка ABSприцепа; блок ABS
F/L7 Отключаемое питание монтажного блока рамы (TCM, прицеп, габариты прицепа и рамы)
F/L8 Резерв
Источники питания
G01.1АКБ №1 снизу
G01.2АКБ №2 сверху
Выключатели
S02 Основной выключатель питания

ACC замка зажигания

A100 Монтажный блок кабины
Предохранители
F13 Прикуриватель
F15 Розетка 24В
LL-F3 Магнитола
LL-F6 Холодильник
LR-F1 Замок зажигания и предохр. АСС LR-F5ГЛОНАСС, 24/220; автономка
Реле
K4 Реле АСС (резерв)
K5 Реле розетки 24В
K7 Реле розетки 12В
K10 Реле прикуривателя
RL_K2 Реле автономки
RL_K4 Реле АСС
Переключатели
S01 Замок зажигания

IGN замка зажигания

A100 Монтажный блок кабины
Предохранители
F26 Блокировки
F27 Омывательл/с
F28 F28отборы мощности
F29 ECAS
F30 F30ABS и ABS прицепа
LR-F1 Замок зажигания и предохр. АСС
LR-F2 Замок зажигания
LR-F6 Подогрев топлива
LR-F7 Подогрев топлива
RR-F3 Селектор АКПП
Реле
K6 Реле омывателял/с
K21 Реле зажигания 1
K22 Реле зажигания 2
RL-K2 Реле автономки
RL-K5 Реле FAN
RL-K6 Реле подогрева сиденья
A101 Монтажный блок рамы
Предохранители
F-F1 IGN ECM
F-F2 Подогрев топливного фильтра
F-F3 Датчик NOx
F-F4 IGN TPMS
F-F5 Подогрев МВО
F-F12 TCM
F-F13 Топливный насос
F-F15 Дистанционный запуск
Реле
F-K6 Реле дистанционного запуска
F-K13 Реле зажигания №1 на ECM, TPMS, NOx, топл.насос
F-K14 Реле зажигания №2 на TCM, подогрев фильтраиМВО
F-K16 Реле зажигания №3 на прицеп
Переключатели
S01 Замок зажигания
Розетки, разъемы
X3Y5 Разъем yellow рама-кабина
X101.1 Разъем brown кабина-потолок
X101.3 Разъем yellow кабина-дверь водителя

Системы передачи данных.CAN, K-Line

Блоки управления, контроллеры
A01 Блок ECM управления двигателем
A02 Блок TCU ZF Traxon
A03 Блок ABS
A05 Блок CBCU
A06 Блок ECAS
A07 Комбинация приборов
A08 Блок DCM левой двери
A09 Блок PCM правой двери
A11 Контроллер иммобилайзера
A13 Панель климат-контроля
A15 Тахограф
A51 Контроллер TPMS
A54 Контроллер LDWS
Датчики
B83 Датчик NOx
B84 Датчик SAS положения руля
B85 Датчик YRS поперечного ускорения
Сопротивления
R01.1 Резистор 120 Ом у ЕСМ
R01.2 Резистор 120 Ом у датчика NOx
R01.3 Резистор 102 Ом у ЕСМ
Переключатели
S62 Селектор КПП
Розетки, разъемы
X01 Розетка OBD
X02 Розетка диагностики Inline
X1Y2 Разъем Рама-Кабина
X2Y1 Разъем ABSРамы –ABS кабины
X3Y5 Разъем Рама -Кабина
X101.2 У левой стойки №2
X101.3 У левой стойки №3
X102.1 У правой стойки №1
X102.3 У правой стойки №3
X105.1 Разъем Рама-КПП №1
X105.2 Разъем Рама-КПП №2
X106 Разъем на жгут ECASкабины
X107 Разъем на жгут ABS кабины
X111 Разъем на жгут ГЛОНАСС

Полный мануал смотри в