Электросхемы ECAS 2 MAN
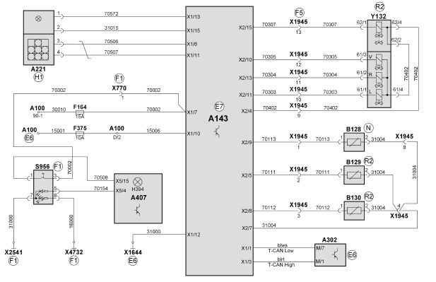
ECAS 2 4x2 FLL, седельный TGA
A100 Центральная электрическая сеть
A143 Блок управления ECAS
A221 Дистанционное управление ECAS
A302 Центральный компьютер 2
A407 Приборная панель
B128 Датчик перемещения переднего моста
B129 Датчик перемещения заднего моста слева
B130 Датчик перемещения заднего моста справа
F164 Предохранитель ECAS (клемма 30)
F366 Предохранитель ECAS/TPM (клемма 15)
H394 Контрольная лампа ECAS неисправности/предупреждения
X1644 Точка массы кабины рядом с центральной электрической сетью
X1809 Штекерное соединение ECAS (клемма 15)
X1945 Штекерное соединение ECAS/CDC
Y132 Гидрораспределитель ECAS
E6 Место установки области центральной электрической сети
E7 Место установки салазок блоков управления
F5 Место установки передка внутри справа
H1 Место установки центральной стойки со стороны водителя
N Место установки переднего моста
R2 Место установки задней части рамы
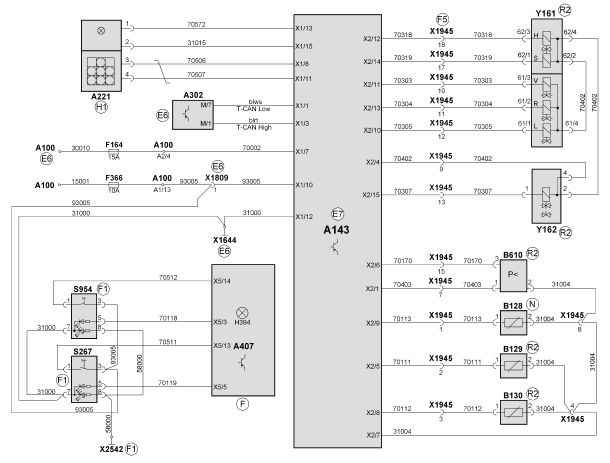
ECAS 2 4x2 FLL, седельный TGS/TGX
A100 Центральная электрическая сеть
A143 Блок управления ECAS
A221 Дистанционное управление ECAS
A302 Центральный компьютер 2
A407 Приборная панель
B128 Датчик перемещения переднего моста
B129 Датчик перемещения заднего моста слева
B130 Датчик перемещения заднего моста справа
F164 Предохранитель ECAS (клемма 30)
F375 Предохранитель (клемма 15) кабины снаружи
H394 Контрольная лампа ECAS неисправности/предупреждения
S956 Кнопка ECAS уровня I/II
X770 Штекерное соединение ECAS, уровень подвески II
X1644 Точка массы кабины рядом с центральной электрической сетью
X1945 Штекерное соединение ECAS/CDC
X2541 Распределитель потенциалов 21-контактного провода 31000
X4732 Распределитель потенциалов провода 16000 освещения переключателя
Y132 Гидрораспределитель ECAS
E6 Место установки области центральной электрической сети
E7 Место установки салазок блоков управления
F1 Место установки средней части
F5 Место установки передка внутри справа
H1 Место установки центральной стойки со стороны водителя
N Место установки переднего моста
R2 Место установки задней части рамы
ECAS 2 6x2 FNLL TGA
A100 Центральная электрическая сеть
A143 Блок управления ECAS
A221 Дистанционное управление ECAS
A302 Центральный компьютер 2
A407 Приборная панель
B128 Датчик перемещения переднего моста
B129 Датчик перемещения заднего моста слева
B130 Датчик перемещения заднего моста справа
F164 Предохранитель ECAS (клемма 30)
F375 Предохранитель (клемма 15) кабины снаружи
H394 Контрольная лампа ECAS неисправности/предупреждения
S956 Кнопка ECAS уровня I/II
X770 Штекерное соединение ECAS, уровень подвески II
X1644 Точка массы кабины рядом с центральной электрической сетью
X1945 Штекерное соединение ECAS/CDC
X2541 Распределитель потенциалов 21-контактного провода 31000
X4732 Распределитель потенциалов провода 16000 освещения переключателя
Y132 Гидрораспределитель ECAS
E6 Место установки области центральной электрической сети
E7 Место установки салазок блоков управления
F1 Место установки средней части
F5 Место установки передка внутри справа
H1 Место установки центральной стойки со стороны водителя
N Место установки переднего моста
R2 Место установки задней части рамы
ECAS 2 6x2 FNLL TGS/TGX
A100 Центральная электрическая сеть
A143 Блок управления ECAS
A221 Дистанционное управление ECAS
A302 Центральный компьютер 2
A407 Приборная панель
B128 Датчик перемещения переднего моста
B129 Датчик перемещения заднего моста слева
B130 Датчик перемещения заднего моста справа
B610 Датчик давления заднего моста слева
F164 Предохранитель ECAS (клемма 30)
F375 Предохранитель (клемма 15) кабины снаружи
H394 Контрольная лампа ECAS неисправности/предупреждения
S267 Кнопка устройства ECAS, увеличивающего сцепление колес с дорогой
S954 Кнопка ECAS, подъем/опускание заднего поддерживающего/переднего поддерживающего моста
S956 Кнопка ECAS уровня I/II
X770 Штекерное соединение ECAS, уровень подвески II
X1644 Точка массы кабины рядом с центральной электрической сетью
X1945 Штекерное соединение ECAS/CDC
X2541 Распределитель потенциалов 21-контактного провода 31000
X4732 Распределитель потенциалов провода 16000 освещения переключателя
Y161 Блок электромагнитных клапанов ECAS заднего моста
Y162 Блок электромагнитных клапанов ECAS переднего моста
E6 Место установки области центральной электрической сети
E7 Место установки салазок блоков управления
F Место установки приборной панели
F1 Место установки средней части
F5 Место установки передка внутри справа
H1 Место установки центральной стойки со стороны водителя
N Место установки переднего моста
R2 Место установки задней части рамы



