Перечень и расположение компонентов DAF
LF45, LF55
Компонент ECN с кодом A
- A000 разъем, прицеп, 7-контактный
- A001 разъем, дополнительное оборудование прицепа, 7-контактный
- A004 разъем, прицеп, ABS/EBS, 7-контактный
- A011 разъем, дополнительное оборудование, 12 В, 2-контактный
- A058 разъем, прицеп, 15-контактный
- A068 разъем, ESC
- A070 разъем, вспомогательный, надстройка, 8-контактный
- A100 разъем, диагностика HD-OBD
- A102 разъем, body builder, 8-контактный
- A103 разъем, body builder, 12-контактный
- A108 разъем, диагностика, AGC-A разъем, диагностический, AGC-A, LF55
- A126 разъем, FMS, 2-контактный
- A202 разъем, гибридный, диагностический
- A500 аккумуляторные батареи (2x)
- A513 генератор
Компонент ECN с кодом B
- B000 электродвигатель, очиститель ветрового стекла
- B001 насос, омыватель ветрового стекла
- B003 электродвигатель стеклоподъемника, дверь со стороны водителя
- B004 электродвигатель стеклоподъемника, дверь со стороны второго водителя
- B005 электродвигатель регулировки зеркал, дверь со стороны водителя
- B006 электродвигатель регулировки зеркал, дверь со стороны второго водителя
- B009 привод люка крыши
- B017 обогрев зеркала, со стороны водителя
- B018 обогрев зеркала, со стороны второго водителя
- B023 радиоприемник
- B024 громкоговоритель, задний левый
- B025 громкоговоритель, задний правый
- B030 прикуриватель, со стороны водителя
- B042 обогреватель, осушитель воздуха
- B079 клапан, защита диапазона
- B122 топливный насос, обогреватель кабины
- B129 электродвигатель, высота фары, лев.
- B130 электродвигатель, высота фары, прав.
- B192 клапан, тормоз-замедлитель
- B199 электродвигатель, центральный замок, со стороны водителя
- B200 электродвигатель, центральный замок, со стороны второго водителя
- B237 клапан, ASR
- B243 клапан, поперечная блокировка
- B245 клапан, управление PTO 1
LF55IV
- B250 клапан, подающий, ведущая ось
- B256 клапан, ABS, левый, передний
- B257 клапан, ABS, правый, передний
- B258 клапан, ABS, ведущая ось, левый
- B259 клапан, ABS, ведущая ось, правый
- B334 клапан, топливный насос
- B338 сирена, система сигнализации
- B341 элемент предпускового подогрева
- B360 натяжитель ремня безопасности, со стороны водителя
- B361 подушка безопасности
- B371 резистор, обогреватель, ветровое стекло
- B377 вентилятор обогревателя
- B381 блок клапанов, RAS-EC
- B401 сигнал
- B421 электромагнитный клапан, форсунка, цил. 1
- B422 электромагнитный клапан, форсунка, цил. 2
- B423 электромагнитный клапан, форсунка, цил. 3
- B424 электромагнитный клапан, форсунка, цил. 4
- B425 электромагнитный клапан, форсунка, цил. 5
- B426 электромагнитный клапан, форсунка, цил. 6
- B468 оконечный резистор, D-CAN
- B470 ECU, телефонный интерфейс
- B471 основная плата, телефонный интерфейс
- B476 микрофон
- B479 громкоговоритель, телефон
LF55IV
- B494.B модуль дозирования, EAS
- B525 тахометр
- B538 нагревательный элемент, влагоотделитель
Компонент ECN с кодом C
- C000 фара, ближний свет, левая
- C001 фара, ближний свет, правая
- C002 фара, дальний свет, левая
- C003 фара, дальний свет, правая
- C006 точечный светильник, левый
- C007 точечный светильник, правый
- C008 фара, противотуманная, передняя левая
- C009 фара, противотуманная, передняя правая
- C014 указатель поворота, передний левый
- C015 указатель поворота, передний правый
- C016 указатель поворота, боковой, со стороны водителя
- C017 указатель поворота, боковой, со стороны второго водителя
- C018 указатель поворота, задний левый
- C019 указатель поворота, задний правый
- C020 стоп-сигнал, левый
- C021 стоп-сигнал, правый
- C022 фонарь, задний левый
- C023 фонарь, задний правый
- C024 фонарь, противотуманный, задний левый
- C025 фонарь, противотуманный, задний левый
- C026 фонарь заднего хода, задний левый
- C027 фонарь заднего хода, задний левый
- C038 подсветка, номерной знак
- C062 освещение, ступенька кабины, левая сторона
- C063 освещение, ступенька кабины, правая сторона
- C071 рабочее освещение
- C074 габаритный фонарь, задний левый
- C075 габаритный фонарь, задний правый
- C110 лампа, нижнее спальное место
- C111 лампа, верхнее спальное место
- C119 освещение, внутреннее, с выключателем, сторона водителя
- C120 освещение, внутреннее, с выключателем, сторона второго водителя
- C144 лампа, проблесковый маячок, левая
- C145 лампа, проблесковый маячок, правая
- C154 подсветка, номерной знак, левый
- C158 габаритный фонарь, средний, левый, 2-й
- C159 габаритный фонарь, средний, правый, 2-й
- C201 фонарь, задний левый
- C202 фонарь, задний правый
- C203 фара, передняя, левая
- C204 фара, передняя, правая
- C263 освещение кузова, заднее, правая сторона
- C264 освещение кузова, заднее, левая сторона
- C265 освещение, внутреннее, грузовой отсек
- C266 освещение, внутреннее, грузовой отсек
- C267 освещение, внутреннее, грузовой отсек
- C622 переключатель, освещение
- C716 переключатель, проблесковый маячок
- C725 переключатель, рабочее освещение
- C727 переключатель, противотуманные фары и фонари, зад. и перед.
- C736 переключатель, люк крыши
- C748 переключатель, поперечная блокировка
- C750 переключатель, управление МОМ 1
- C763 регулятор яркости, подсветка приборов
- C765 переключатель, аварийная сигнализация
- C773 переключатель, противотуманные фонари, зад.
- C774 переключатель, центральный замок дверей
- C775 переключатель, рулевая колонка, левый
- C835 переключатель, отключение определения проникновения во внутреннее пространство
- C836 переключатель, отключение контроля проникновения в грузовой отсек
- C841 замок зажигания/переключатель стартера
- C842 рулевая колонка
- C853 главный выключатель, кабина
- C854 главный выключатель, шасси
- C864 переключатель, электростеклоподъемник, со стороны второго водителя (на двери со стороны водителя)
- C865 переключатель, электростеклоподъемник, со стороны второго водителя (на двери со стороны второго водителя)
- C866 переключатель, электростеклоподъемник, со стороны водителя (на двери со стороны водителя)
- C867 переключатель, обогрев зеркал
- C868 переключатель, регулировка зеркал
- C871 переключатель, высота пучка света фар
- C880 выключатель, звуковой сигнал заднего хода
- C892 переключатель, вентилятор обогревателя
- C893 переключатель, кондиционер
- C923 переключатель, функция stop & go
- C926 переключатель, обогреватель кабины
- C938 выключатель, главный, ручной
- C939 переключатели на рулевом колесе
- C942 переключатель селектора, ручн./автомат.
- C943 переключатель, ручн. переключение на более высокую/низкую передачу
- C945 переключатель, опоясывающие габаритные огни
- C956 переключатель, подъемное приспособление в задней части грузового автомобиля
Компонент ECN с кодом D
- D176 лампа, предупреждение подъемного приспособления в задней части грузового автомобиля
- D320 ECU, главный выключатель
- D328 ECU, блок питания AS Tronic Lite
- D338 часовая пружина
- D358L ECU, VIC-3 Lite
- D360 ECU, подъемное приспособление в задней части грузового автомобиля, LED состояния
- D361 ECU, подъемное приспособление в задней части грузового автомобиля, дистанционное управление
- D362 ECU, подъемное приспособление в задней части грузового автомобиля, внешнее управление
- D363 ECU, подъемное приспособление в задней части грузового автомобиля, предупредительный LED температуры
- D364 ECU, ECS-DC5
- D403 ECU, AБС-E2
- D407 инвертор
- D408 питание электронных компонентов кронштейн
- D409 ЭБУ, управление гибридным двигателем
- D410 ЭБУ, трансмиссия гибридного двигателя
- D610 диод, дальний/ближний свет
- D715 светодиодный индикатор, система сигнализации
- D758 диод, подавление обратной связи на VIC
- D784 диод, освещение для Швеции
- D785 диод, освещение для Швеции
LF55IV
- D851 ECU, ECAS-3
- D899 ECU, DIP-4
- D904 Главный переключатель меню
- D905 ECU, CDS
- D911 ECU, сигнализация ALS-S
- D912 ECU, иммобилайзер
- D926 ECU, подушка безопасности
- D940 ECU, RAS-EC
- D942 предохранитель, блок
- D958 Преобразователь постоянного тока
- D993 ECU, электронный модуль Body Builder Module
- D996 ECU, рычаг переключения передач, модуль Е
Компонент ECN с кодом E
- E004 предохранитель, ближний свет, со стороны водителя
- E005 предохранитель, ближний свет, со стороны второго водителя
- E006 предохранитель, дальний свет, со стороны водителя
- E009 предохранитель, противотуманные фары
- E013 предохранитель, стоп-сигналы
- E016 предохранитель, фонари заднего хода и управление блокировкой межколесного дифференциала
- E018 предохранитель, стеклоочиститель
- E019 предохранитель, сигнал/рулевая колонка, левый
- E023 предохранитель, DIP/тахометр
- E025 предохранитель, стеклоочиститель
- E026 предохранитель, прикуриватель
- E027 предохранитель, преобразователь
- E028 предохранитель, внутренний
- E031 предохранитель, вентилятор обогревателя
- E035 предохранитель, рулевая колонка
- E039 предохранитель, подогрев сиденья
- E043 предохранитель, ABS/EBS, прицеп
- E044 предохранитель, обогрев и регулировка зеркал и управление стеклоподъемниками
- E052 предохранитель, рабочий фонарь
- E053 предохранитель, диагностика
- E062 предохранитель, гидравлическая подъемная шестерня
- E091 предохранитель, нагревательный элемент, PTO, вспомогательный разъем
- E108 предохранитель, VIC
- E114 предохранитель, обогреватель кабины
- E142 предохранитель, ACC до замка зажигания
- E143 предохранитель, двигатель/тахометр/сигнализация/ABS/ASR-E
- E144 предохранитель, AGC-A
- E145 предохранитель, AGC-A
- E153 предохранитель, тахометр, ADR/SLP
- E156 предохранитель, дополнительное оборудование, освещение
- E160 предохранитель, двигатель
- E164 предохранитель, подогреватель топлива
- E190 предохранитель, ABS/EBS
- E198 предохранитель, центральный замок
- E277 предохранитель, VIC
- E280 предохранитель, VIC
- E282 предохранитель, тормоз двигателя/переключатель, стоп-сигналы
- E283 предохранитель, высота фар/габаритный фонарь, задние фонари
- E284 предохранитель, габаритные огни/задние фонари
- E285 предохранитель, VIC/противотуманные фонари
- E290 предохранитель, RAS-EC
- E297 предохранитель, подушка безопасности
- E299 предохранитель, обогрев ветрового стекла
- E310 предохранитель, щиток приборов
- E349 предохранитель, источник электропитания
- E350 предохранитель, электрические системы
- E357 предохранитель, EAS
- E390 предохранитель, электронный модуль Body Builder Module, 1-й
- E402 предохранитель, предварительный обогрев (решетка)
- E409 предохранитель, модуль дозирования
- E410 предохранитель, обогреватель, AdBlue
- E411 предохранитель, дополнительный обогрев/переключатель сигнализации/телефон
- E414 предохранитель, AS Tronic Lite
- E417 предохранитель, охладитель масла
- E418 предохранитель, охладитель масла
- E419 предохранитель, главный охладитель масла
- E434 предохранитель, датчик NOx
- E436 предохранитель, тахометр, ADR/SLP
- E438 предохранитель, подъемное приспособление в задней части грузового автомобиля
- E439 предохранитель, подъемное приспособление в задней части грузового автомобиля, переключатель в кабине
- E489 предохранитель, гибридная трансмиссия
- E490 предохранитель, электрический исполнительный механизм сцепления
- E491 предохранитель, ЭБУ гибридного двигателя
- E492 предохранитель, питание электронных компонентов вентилятора охлаждения, кронштейн
- E493 предохранитель, включение двигателя
- E494 предохранитель, насос охлаждающей жидкости гибридного двигателя
- E495 предохранитель, блок реле, гибрид
- E501 переключатель, положение заднего хода
- E508 переключатель, температура кондиционера
- E509 переключатель, давление в систем кондиционирования воздуха
- E514 выключатель замка двери, со стороны водителя
- E515 выключатель замка двери, со стороны второго водителя
- E569 переключатель, нейтральное положение
- E585 датчик, AGC AT1000/2000
- E586 переключатель, обогреватель кабины
- E587 переключатель, стоп-сигналы/сцепление
- E602 переключатель, режим движения
- E605 селектор, переключение передач, AGC-A
- E607 датчик, температура масла
Компонент ECN с кодом F
- F000 переключатель, стояночный тормоз
- F006 Переключатель, поперечная блокировка, 1й
- F009 переключатель, замок кабины
- F011 датчик, давление моторного масла
- F087 переключатель, состояние PTO, 1-й
- F107 переключатель, износ тормозных колодок, 1-я передняя ось, левый
- F108 переключатель, износ тормозных колодок, 1-я передняя ось, правый
- F111 переключатель, износ тормозных колодок, 1-я задняя ось, левый
- F112 переключатель, износ тормозных колодок, 1-я задняя ось, правый
- F113 переключатель, износ тормозных колодок, 2-я задняя ось, левый
- F114 переключатель, износ тормозных колодок, 2-я задняя ось, правый
- F116 реле уровня масла, резервуар, RAS-EC
- F139 управляющий переключатель, уровень жидкости
- F142 переключатель, состояние ремня безопасности
- F512 датчик, левый, передняя ось
- F513 датчик, правый, передняя ось
- F514 датчик, левый, ведущая ось
- F515 датчик, правый, ведущая ось
- F533 датчик, скорость движения
- F552 датчик, коленчатый вал
- F558 датчик, распределительный вал
- F566 датчик, температура охлаждающей жидкости
- F601 датчик, частота оборотов выходного вала
- F602 датчик, обороты двигателя
- F608 датчик, уровень топлива
- F609 датчик, давление окружающей среды
LF55IV
- F612 датчик, высота ECAS, задняя ось, левый "E503193"
LF55IV
- F613 датчик, высота ECAS, задняя ось, правый
- F648 датчик, давление топлива
- F649 датчик, давление наддува и температура воздуха на впуске
- F651 датчик, температура окружающей среды
- F652 датчик, давление воздуха
- F655 датчик, содержание воды в топливе
- F686 датчик, сигнал предупреждения радара
- F692 датчик, влагоотделитель
- F695 датчик, угол поддерживающей оси, RASEC
- F696 датчик, угол передней оси, RAS-EC
- F767 датчик, скорость движения автомобиля
- F723 датчик, темп./уровеньAdBlue
- F765 датчик, температура отработавших газов после каталитического нейтрализатора
- F766 датчик, температура отработавших газов до каталитического нейтрализатора
- F767 датчик, скорость движения автомобиля
- F768 датчик движения, переключение передачи
- F769 датчик движения, выбор диапазона
- F770 датчик скорости
- F771 датчик движения, сцепление
- F776 датчик, педаль акселератора
- F791 датчик, NOx, после каталитического нейтрализатора
- F821 датчик, давление, EBL
- F848 датчик, педаль акселератора
- F858 датчик, частота вращения двигателя гибрид
- F859 датчик, температура, электродвигатель/генератор
- F860 датчик, частота вращения, электродвигатель/генератор
- F864 датчик, частота вращения, выходной вал
- F865 датчик, переключение диапазона
- F866 датчик, селектор скорости хода
- F867 датчик, частота вращения, входной вал
- F791 датчик, NOx, после каталитического нейтрализатора
Компонент ECN с кодом G
- G000 реле, задний габаритный фонарь, прожекторы
- G001 реле, ближний свет
- G002 реле, дальний свет
- G004 реле, противотуманные фары
- G005 реле, противотуманные фонари
- G008 реле, очиститель/омыватель ветрового стекла
- G014 реле, обогреватель решетки
- G015 реле, контактное
- G036 реле, стоп-сигнал
- G188 реле, дополнительное оборудование, освещение
- G201 реле, подогреватель топлива
- G203 реле, стартер, передача контроля
- G350 реле, фонари заднего хода
- G353 реле, контактное
- G354 реле, очиститель/омыватель ветрового стекла
- G355 реле, обогрев сиденья, водитель
- G371 реле, управление PTO
- G397 реле, обогреватель, ветровое стекло, переднее
- G426 реле, контактное
- G507 центральная точка "массы" кабины, шасси
- G516 центральная точка "массы" кабины, со стороны второго водителя
- G517 центральная точка "массы" кабины, со стороны водителя
- G520 центральная точка "массы", шасси, передняя часть
- G522 центральная точка "массы" стартера
- G523 центральная точка "массы" двигателя
- G528 центральная точка "массы", кабина, подушка безопасности
- G529 центральная точка "массы", кабина, ополнительный обогреватель
- G537 центральная точка "массы", кабина, PCB
- G538 центральная точка "массы", кабина, PCB
- G735 сквозное соединение, освещение для Швеции
- G743 сквозное соединение, дальний свет
- G766 сквозное соединение, питание
- G771 "Масса" топливный бак
- G773 центральная точка "массы", шасси, передняя часть, гибрид
- G774 центральная точка "массы", шасси, задняя часть, гибрид
Компонент ECN с кодом L
- L012 компрессор кондиционера
- L013 звуковой сигнал, задний ход
- L014 Стартер
- L016 охладитель, масло
- L017 охладитель, масло
- L040 подъемное приспособление в задней части грузового автомобиля
- L052 обогреватель
- L053 клапан, тормоз опускания подъемного приспособления в задней части грузового автомобиля
- L054 клапан, опускание подъемного приспособления в задней части грузового автомобиля
- L055 электродвигатель насоса, подъемное приспособление в задней части грузового автомобиля
- L058 ECU, Airtop 2000 ST
- L103 исполнительный механизм муфта электрический
- L104 насос охлаждающая жидкость гибрид
- L105 электродвигатель/генератор
- L106 Исполнительный механизм, трансмиссия
- L107 Оконечный резистор HEV CAN
Компонент ECN с кодом R
- R004 реле, дозатор, система EAS
- R006 реле, управление стояночным тормозом
- R007 реле, коробка передач, вентилятор
- R014 реле, обогреватель
- R020 реле, электродвигатель насоса, подъемное приспособление в задней части грузового автомобиля
- R021 реле, проблесковый маячок подъемного приспособления в задней части грузового автомобиля
- R037 реле, запуск
- R038 реле, включение двигателя
- R039 реле, питание электронных компонентов вентилятора охлаждения, кронштейн
- R040 реле, насос охлаждающей жидкости гибридного двигателя
Компонент ECN с кодом S
- S065 селектор, передача, Eaton
Точка подключения компонента ECN
- A100 разъем, HD-OBD, диагностика
- B470 ECU, телефонный интерфейс
- B494 модуль дозирования, EAS
- B525 тахометр "K100883" C939 переключатели на рулевом колесе
- D310L ECU, VIC-2 Lite
- D310L ECU, VIC-3 Lite
- D312 ECU, AGC-A
- D317 ECU, ECS-DC4
- D320 ECU, главный выключатель
- D328 ECU, блок питания AS Tronic Lite
- D329 ECU, ABS-E
- D338 часовая пружина
- D364 ECU, ECS-DC5
- D403 ECU, AБС-E2
- D408 Кронштейн блока силовой электроники
- D409 ЭБУ, управление гибридным двигателем
- D521 ECU, ACH-W2
- D851 ECU, ECAS-3
- D899 ECU, DIP-4
- D905 ECU, CDS
- D911 ECU, сигнализация ALS-S
- D912 ECU, иммобилайзер
- D926 ECU, подушка безопасности
- D940 ECU, RAS-EC
- D942 предохранитель, блок
- D993 ECU, электронный модуль Body Builder Module
- D996 ЭБУ, рычаг переключения передач, модуль E (AS Tronic Lite)
- L058 ECU, Airtop 2000 ST
Объяснение кодов разъемов
Коды разъемов с 1 или 2 цифрами
Если код разъема состоит из 1 или 2 цифр, например 1V, это означает, что данный разъем расположен в канале перегородки. Числовой код с буквой суффикса также указывают на расположение разъема в данном канале перегородки.

Код разъема размером более 2 цифр
Если код разъема состоит из более чем 2 цифр, например 420F, данная информация означает: 420 = код разъема, буква суффикса указывает на сферу применения:
- F = шасси
- C = кабина
- E = двигатель

Коды разъемов с кодом A
Разъемы с кодом A, например A068, являются разъемами автомобиля.
Такие разъемы используются для соединения, например, надстройки, прицепа или дополнительного
оборудования.
Расположение разъемов с кодом A

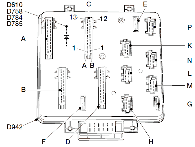
Информация о расположении, блок предохранителей

Точки подключения блока предохранителей (D942)

Информация о расположении, электропитание до
включения зажигания

Информация о расположении, соединения "массы"

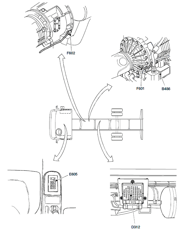
Информация о расположении, АБС-E2
LF55IV, FA, FT
Модель LF55 IV без системы ASR (система противоскольжения) (4S/3M)

LF55IV, FAN
Модель LF55 IV FAN без системы ASR (система противоскольжения) (4S/4M)

LF55IV, FA, FT
Модель LF55 IV с системой ASR (система противоскольжения) (4S/4M)

Информация о расположении, подушка безопасности

Информация о расположении, система
кондиционирования воздуха
Электрические компоненты, система кондиционирования воздуха

Механические компоненты, система кондиционирования воздуха

1. Осушитель
2. Конденсатор
3. Рабочий клапан, сторона высокого давления
4. Расширительный клапан
5. Испаритель
6. Рабочий клапан, сторона низкого давления
Информация о расположении, Airtop 2000 ST (ACH-W3)

Информация о расположении, ALS-S

Информация о расположении, AGC-A

Информация о расположении, AS Tronic Lite

Информация о расположении, электронный модуль Body
Builder Module (BBM)

Информация о расположении, внутренние компоненты
кабины

1. Левые вентиляционные решетки
2. Щиток приборов
3. Декоративная планка
4. Панель аудиосистемы
5. Край рамы панели крышки
6. Верхняя приборная панель, сторона водителя
7. Панель управления на центральной консоли
8. Панель верхней крышки
9. Верхняя крышка
10. Правые вентиляционные решетки
11. Правая приборная панель
12. Крышка центрального блока
13. Нижняя приборная панель, сторона второго водителя
14. Пепельница
15. Приборная панель отсека двигателя
16. Нижняя приборная панель, сторона водителя
17. Приборная панель рулевой колонки
Информация о расположении, CDS-3

Информация о расположении, DIP-4

Информация о расположении, ECAS-3
LF55IV

Информация о расположении, ECS-DC5, двигатель

Информация о расположении, ECS-DC5, шасси

Информация о расположении, EAS

Информация о расположении системы гибридного
привода (HDS-E)

Информация о расположении, иммобилайзер

Информация о расположении, обогрев/регулировка
зеркала и подогрев ветрового стекла

Информация о расположении, RAS-EC электрические компоненты

Информация о расположении, RAS-EC механические компоненты

Информация о расположении, переключатели на
рулевом колесе (SWS)

Информация о расположении, тахометр

Информация о расположении, подъемное
приспособление в задней части грузового автомобиля RPT1007
Электрические компоненты подъемного приспособления в задней части грузового автомобиля RPT1007




Механические/гидравлические компоненты подъемного приспособления в задней части грузового автомобиля RPT1007

1. Корпус узла центрального блока
2. Заливная горловина / сапун
3. Обратный клапан
4. Разгрузочный клапан
5. Насос гидравлического масла (внутри резервуара)
Информация о расположении, подъемное
приспособление в задней части грузового автомобиля RQ1008
Электрические компоненты подъемного приспособления в задней части грузового автомобиля RQ1008



Механические/гидравлические компоненты подъемного приспособления в задней части грузового автомобиля RQ1008

1. Корпус узла центрального блока
2. Заливная горловина / сапун
3. Обратный клапан
4. Разгрузочный клапан
5. Насос гидравлического масла (внутри резервуара)
Информация о расположении, телефонный интерфейс

Информация о расположении, VIC-3 Lite, общее

Информация о расположении, VIC-3 Lite, система
аварийной световой сигнализации/указателей поворота

Информация о расположении, VIC-3 Lite, система
очистителей/омывателей ветрового стекла

Информация о расположении, VIC-3 Lite, сигналы скорости

Информация о расположении, VIC-3 Lite, сигналы о состоянии

Информация о расположении, VIC-3 Lite,
предупреждающие сигналы

Информация о расположении, VIC-3 Lite, освещение

Информация о расположении, электростеклоподъемники

Информация о расположении, другие переключатели и компоненты
