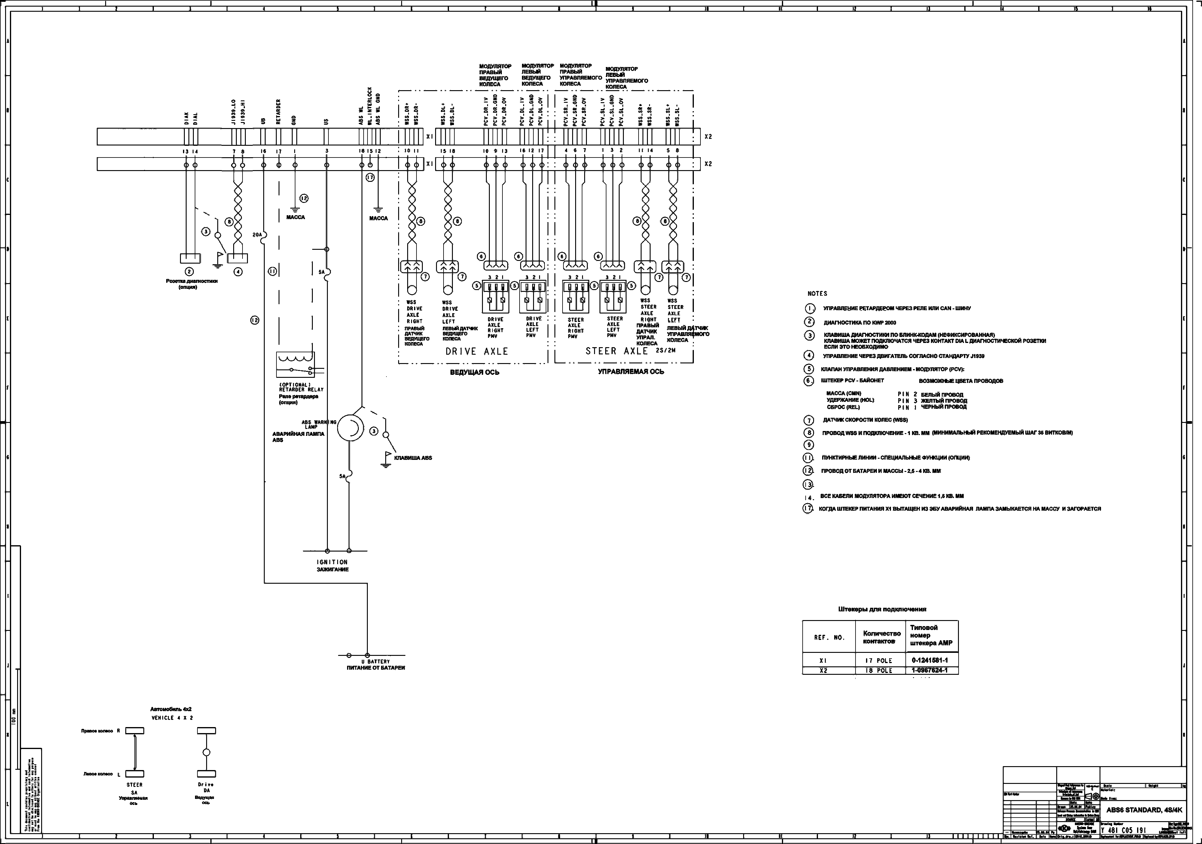
Диагностика тормозной системы ABS 6 “Standard”
Диагностика ABS 6 “Standard” по световым кодам (блинк кодам)
Вызов и отображение кодов ошибок
Перед инициализацией диагностики по блинк-кодам необходимо включить зажигание (подать напряжение на ABS). В процессе диагностики ABS не функционирует! После включения зажигания и до нажатия диагностической клавиши подождать не менее 1 с.
Вызов кодов ошибок производится одним нажатием на диагностическую клавишу втечение 0.5 - 8 с., а отображение производится посредством мигания аварийной лампы (выдача так называемых "блинк-кодов"). Каждая запомненная ошибка выдаётся блоком, состоящим из двух разрядов, первый из
которых обозначает номер компонента, а второй - номер ошибки. Коды ошибок приведены в таблице ниже.
Прервать выдачу кодов ошибок можно повторным нажатие диагностической клавиши.

Вызов кодов ошибок (блинк кодов)
Ошибки, описываемые блинк-кодами.




Вызов и отображение кодов конфигураций
Запрос на считывание кодов конфигурации производится методом двух нажатий на диагностическую клавишу с перерывом менее 1 с. Конфигурация выдаётся миганиями в двух блоках, каждый из которых
выдаёт по два разряда (десятки и единицы), как это показано на рисунке ниже. Все возможные конфигурации приведены в таблице ниже.

Вызов кодов конфигураций
Конфигурации, описываемые блинк-кодами ABS 6.

Конфигурация ЭБУ
Самоконфигурация ABS ECU это автоматическая функция для подключения компонентов -ABS, ATS и Тормоза-замедлителя.
Конфигурация каналов связи и реле ретардера независима от клапанов и сенсоров ABS ECU может быть сконфигурирована тремя различными путями.
• Самоконфигурация с помощью Диагностической Кнопки (только на повышение) – только ECU 24V.
ECU 24V может настраиваться на повышение конфигурации (для подключения дополнительных компонентов) если удерживать диагностическую кнопку в положении ВКЛ. несколько секунд, при включенном замке зажигания.
В защитных целях ECU не будет самоконфигурироваться на более низкий уровень, т.е. при удалении компонентов. Если будет обнаружено меньшее число компонентов чем в текущей конфигурации, то ECU включит лампу ABS и в памяти будет сохранена неисправность для отсутствующего компонента.
• Самоконфигурация с помощью Диагностической Кнопки (на повышение и на понижение) – только ECU 12V.
ECU 12V могут настраиваться на повышение конфигурации (для подключения дополнительных компонентов) или на понижение (при удалении компонентов) если нажать и удерживать диагностическую кнопку в положении ВКЛ при включенном зажигании, а затем нажать и отпустить ещё семь раз.
• Самоконфигурирование с помощью Диагностического средства по собственному запросу конфигурации.
ECU может быть переконфигурирована на более низкий или высокий уровень с использованием диагностических подключений KWP2000 или SAE J1587.
• Конфигурирование с помощью Диагностического средства по загрузке параметра
ECU имеет стандартные значения конфигурации. Отклонения от этих установок не может быть самостоятельно изучено ECU с помощью автоматической функции. Это должно быть запрограммировано с помощью программного средства. В данном случае, это две различные функции с одинаковым количеством компонентов. Примером может быть выбор слабого или сильного
управления оси. Ещё как пример это 6S/6M конфигурация с одной ведущей осью (6х2) или 2-мя ведущими осями (6х4).
Модифицирования относительно стандарта должны быть документированы (т.е. ECU номером детали, меткой).
Любая, не зарегистрированная или неправильная конфигурация, немедленно вызовет код ошибки. В этом случае ECU не будет менять конфигурацию.
Стирание памяти ошибок
После устранения неисправностей в системе необходимо стереть ошибку из памяти ошибок блока управления. Для этого необходимо при выключенном зажигании нажать диагностическую клавишу и отпустить только после включения зажигания. Менее, чем через 3 секунды память ошибок стёрта.

Стирание памяти ошибок
Заключительная проверка AБС 6
Провести динамический тест. Необходимо провести заезды автобуса, троллейбуса (разгон - торможение) по ровной площадке на территории завода или на местном полигоне (если имеется). Аварийная лампа должна погаснуть при достижении скорости автобуса 6 ... 10 км/ч.
