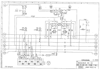
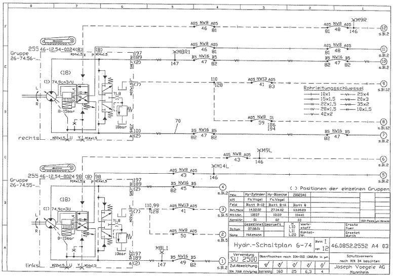
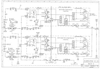
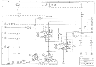
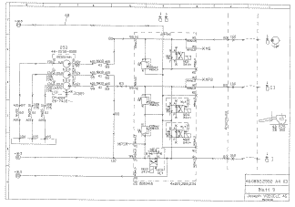
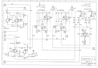
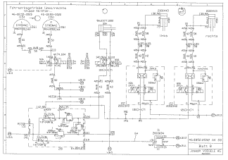
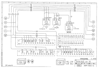
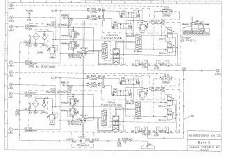
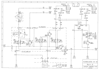
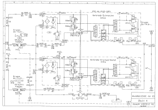
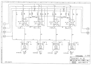
Схемы асвальтоукладчика VOGELE SUPER 2500
Все схемы в высоком качевстве - доступны только пользователям
Электрика







Гидравлика







Подписывайтесь на наш канал в Telegram и будьте всегда в курсе самых последних сообщений и публикаций с сайта. |













