Отопитель AIRTRONIC D2-24v в Hyundai 450


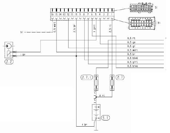
2.2 Дозирующий насос
2.7 Главный предохранитель 12 В = 20 А
24 В = 10 А
2.7.1 Предохранитель срабатывания 5 А
5.1 Аккумулятор
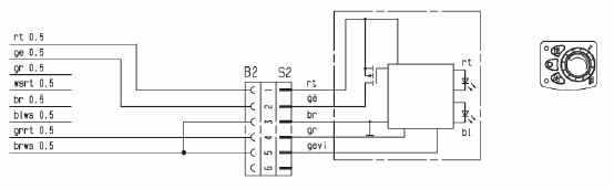
Подключение элемента управления и внешнего датчика в соответствии с монтажной схемой
- rt = Плюсовой потенциал - клемма 30
- gе = Сигнал включения - S+
- gr = Температура - фактическое значение
- wsrt = Выключение противоугонной системы (ADR / ADR99 - ответный сигнал для часового реле)
- bг = Минусовой потенциал - клемма 31
- blws = Диагностика
- grrt = Температура - заданное значение
- brws = Датчик, опорный сигнал
Место установки мини-регулятора


Цветовые обозначения проводов на монтажных схемах
- sw = черный
- ws = белый
- гt = красный
- ge = желтый
- gn = зеленый
- vl = фиолетовый
- br = коричневый
- gr = серый
- bl = синий
- li = лиловый