Установка и ремонт отопителей на грузовиках HINO 300, 500, 700
Все описания смотри в 113 обновлении
- HYDRONIC D5W S 24V - для автомобиля HINO 300
- HYDRONIC D10 24V- для автомобиля HINO 500
- HYDRONIC M12 24V - для автомобиля HINO 700
HINO 300

Цветовое обозначение проводов:
sw – черный
ws – белый
rt – красный
ge – желтый
gn – зеленый
vi – фиолетовый
br – коричневый
gr – серый
bl – синий
li – лиловый
or – оранжевый

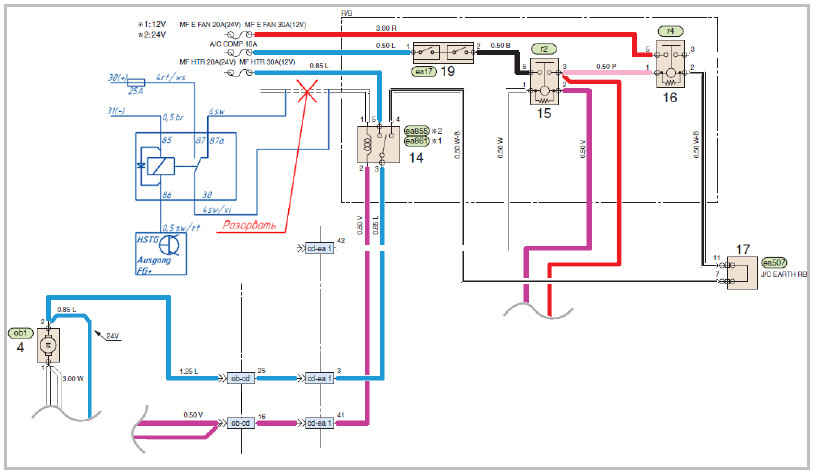
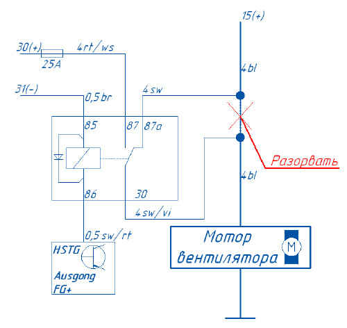
Подключение вентилятора автомобиля производиться в панели со штатными предохранителями и реле (слева по направлению движения автомобиля, за кабиной)

Необходимо вытащить штатную колодку реле

Разорвать управляющий провод (белый) вентилятора и подключить к предпусковому подогревателю Hydronic согласно схеме
HINO 500

Цветовое обозначение проводов:
sw – черный
ws – белый
rt – красный
ge – желтый
gn – зеленый
vi – фиолетовый
br – коричневый
gr – серый
bl – синий
li – лиловый
or – оранжевый

Подключение вентилятора автомобиля производиться в панели со штатными предохранителями и реле (справа по направлению движения автомобиля, в кабине)


Проложить жгут проводов из моторного отсека в кабину автомобиля через штатный разъем
HINO 700

Цветовое обозначение проводов:
sw – черный
ws – белый
rt – красный
ge – желтый
gn – зеленый
vi – фиолетовый
br – коричневый
gr – серый
bl – синий
li – лиловый
or – оранжевый

Подключить красный (+) провод предпускового подогревателя Hydronic к плюсовой клемме внутри монтажного блока автомобиля, располагающегося на раме шасси справа по ходу движения авто


Проложить жгут проводов от отопителя к устройству управления в кабине машины и к блоку предохранителей вдоль штатной проводки через имеющиеся заглушки и резиновые рукава