Проверка джойстика MANITOU MT - MLT
- MT 732 Серия B-E2
- MT 932 Серия B-E2
- MLT 630 Turbo Серия B-E2
- MLT 630 120 LSU Серия B-E2
- MLT 634 Turbo LSU Серия B-E2
- MLT 634 120 LSU Серия B-E2
- MLT 634 120 LSU POWERSHIFT Серия B-E2
- MLT 731 Turbo Серия B-E2
- MLT 731 Turbo LSU Серия B-E2
СОДЕРЖАНИЕ
БЛОК УПРАВЛЕНИЯ ГИДРАВЛИКОЙ 4TH5
• Вид
• Функция
• Технические характеристики
• Кривая управления
• Руководство по применению и установке
ТЕХНИЧЕСКОЕ ОБСЛУЖИВАНИЕ
• Устранение неисправностей
• Рекомендации по демонтажу блока управления гидравликой
• Процедуры ремонта блока управления
- Замена кожуха или рукоятки
- Замена кардана
- Замена направляющей / плунжера и блока регулировки
МНОГОФУНКЦИОНАЛЬНАЯ РУЧКА
• Расположение
• Технические характеристики электропропорционального управления
• Руководство по применению
• Внутренние соединения
• Установка тестера (проверка правильности его функционирования)

КОНСТРУКЦИЯ
Блоки управления 4ТН5 состоят в основном из рычага управления (5), четырех клапанов регулировки давления и корпуса (10).
Каждый клапан регулировки давления включает регулирующий золотник (6), управляющую пружину (7), пружину возврата (8) и плунжер (9).
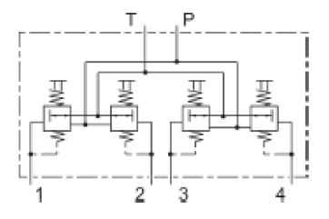
ПОРТЫ
P Питание
T Резервуар
1, 2, 3, 4 Порты управления
ФУНКЦИЯ
Когда рычаг управления не включен, в нулевом положении его удерживают четыре пружины возврата (8). Порты управления (1, 2, 3, 4) соединены с портом резервуара T посредством высверленного отверстия (11).
При отклонении рычага управления (5) плунжер (9) толкает пружину возврата (8) и управляющую пружину (7). Управляющая пружина (7) сначала смещает регулирую-щий золотник (6) вниз и перекрывает соединение между соответствующим портом и портом резервуара T. Отдновременно соответствующий порт сообщается с портом P посредством высверленного отверстия (11). Фаза управления начинается, как только регулирующий золотник (6) сбалансирует силу давления управляющей пружины (7) и результирующей силы гидравлического давления на соответствующем порте (порты 1, 2, 3 или 4).
Благодаря взаимодействию регулирующего золотника (6) и управляющей пружины (7) давление на соответствующих портах пропорционально ходу плунжера (9) и, соответственно, положению рычага управления (5).
Резиновый кожух (12) защищает механические компоненты от загрязнения корпуса.

МЕХАНИЧЕСКИЕ ТЕХНИЧЕСКИЕ ХАРАКТЕРИСТИКИ

ГИДРАВЛИЧЕСКОЕ ОБОЗНАЧЕНИЕ

НАЗНАЧЕНИЕ МАНИПУЛЯТОРА / ЗАЗОР
4 TH 5 E XX - 1X / - - 23 - - -

1 Отклоните рычаг для одновременно-го управления двумя пусками.
2 Отклоните рычаг для управления одним пуском.
КРИВЫЕ УПРАВЛЕНИЯ


В указанных моментах возбуждения учитываются гидравлические силы, действующие на площадь золотника, сила пружины возврата (стандартная версия) и сопротивление резинового кожуха.

- Снимите пластмассовый кожух с манипулятора.
- Разъедините соеинители манипулятора / машины.
- Вставьте тестер между 2 соединителями (смотрите схему напротив).
- Запустите машину.
- Используя вольтметр, выполните проверку кнопок.
- Активируйте кнопки, передвигая их вперед и назад, и проверьте значения, показываемые вольтметром.

Все инструкции смотри в