Электросхемы и коды неисправностей
Landscape Loader 210LE John Deere
(S.N. —880053)
Power Charging and Start Circuit
Start Aid and Fuel Shut-Off Circuit

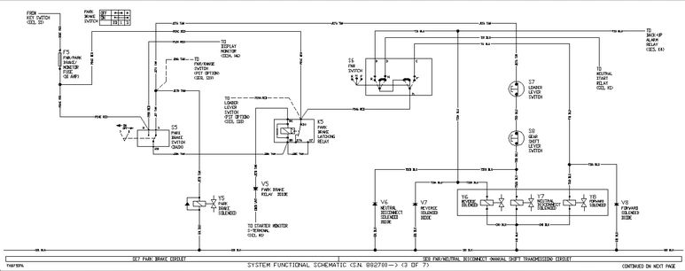
Park Brake/Neutral Disconnect Circuit

Horn, Beacon, Return to Dig Circuit

Drive Light, Turn Signal & Flasher Circuit

Display Monitor & Indicator Circuit
- B1—Reverse Warning Alarm (SE5, W4)
- B2—Horn (SE7, W4)
- B3—Fuel Sender (SE8, W4)
- B4—Brake Light Switches (SE10, W8)
- B5—Hydraulic Filter Restriction Switch (SE12, W4)
- B6—Converter Oil Temperature Switch (SE12, W4)
- B7—Air Filter Restriction Switch (SE12, W4)
- B8—Engine Oil Pressure Switch (SE12, W4)
- B9—Engine Coolant Temperature Switch (SE12, W4)
- B10—Park Brake Pressure Switch (SE12, W4)
- E1—Beacon Light (SE7)
- E2—Fuel Gauge Light (SE8, W8)
- E3—Left Rear Work Light (SE9, W7)
- E4—Right Rear Work Light (SE9, W7)
- E5—Left Front Drive Light (SE9, W7)
- E6—Right Front Drive Light (SE9, W7)
- E7—Left Brake/Tail Light (SE10, W7)
- E8—Right Brake/Tail Light (SE10, W7)
- F1—Start Protect Fuse (SE1, W8)
- F2—Accessory Fuse (SE1, W8)
- F3—Alternator Protect Fuse (SE1, W8)
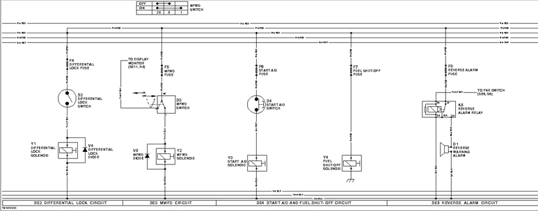
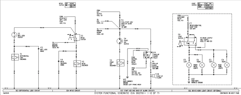
- F4—Differential Lock Fuse (SE2, W8)
- F5—MFWD Fuse (SE3, W8)
- F6—Start Aid Fuse (SE4, W8)
- F7—Fuel Shut-Off Fuse (SE4, W8)
- F8—Reverse Alarm Fuse (SE5, W8)
- F9—Park Brake/FNR Fuse (SE6, W8)
- F10—Horn Fuse (SE7, W8)
- F11—Beacon Fuse (SE7, W8)
- F12—Return-To-Dig Fuse (SE7, W8)
- F13—Fuel Gauge Fuse (SE8, W8)
- F14—Monitor Fuse (SE 11, W8)
- F15—Fuse Block (W8)
- G1—Batteries (SE1, W4)
- G2—Alternator (SE1, W4)
- H1—Left Turn Light (SE10, W7 [see E7])
- H2—Right Turn Light (SE10, W7 [see E8])
- H3—Monitor Alarm (SE11, W8)
- H4—Display Monitor (SE11, W8)
- K1—Ignition Relay (SE1, W8)
- K2—Neutral Start Relay (SE1, W8)
- K3—Start Relay (SE1, W8)
- K4—Accessory Relay (SE1, W8)
- K5—Reverse Alarm Relay (SE5, W8)
- K6—Park Brake Protect Relay (SE6, W8)
- K7—Park Brake Latching Relay (SE6, W8)
- M1—Starter Motor (SE1, W4)
- P1—Fuel Gauge (SE8, W8)
- P2—Hour Meter (SE8, W8)
- S1—Key Switch (SE1, W8)
- S2—Differential Lock Switch (SE2, W4)
- S3—MFWD Switch (SE3, W8)
- S4—Start Aid Switch (SE4, W8)
- S5—Park Brake Switch (SE6, W8)
- S6—FNR Switch (SE6, W8)
- S7—Load Lever Switch (SE6, W4)
- S8—Gear Lever Switch (SE6, W4)
- S9—Horn Switch (SE7, W4)
- S10—Beacon Switch (SE7, W8)
- S11—Return-To-Dig Switch (SE7, W4)
- S12—Light Switch (SE9, W8)
- S13—Turn Signal Switch (SE10, W8)
- S14—Flasher Switch (SE10, W8)
- S15—Four-Way Flasher Switch (SE10, W8)
- V1—Start Relay Diode (SE1, W8)
- V2—Start Solenoid Diode (SE1, W8)
- V3—Alternator Diode (SE1, W8)
- V4—Differential Lock Diode (SE2, W6)
- V5—MFWD Diode (SE3, W6)
- V6—Park Brake Solenoid Diode (SE6, W6)
- V7—Reverse Diode (SE6, W8)
- V8—Forward Diode (SE6, W8)
- V9—Park Brake Reset Diode (SE6, W8)
- V10—Reverse Solenoid Diode (SE6, W5)
- V11—Neutral Solenoid Diode (SE6, W5)
- V12—Forward Solenoid Diode (SE6, W5)
- V13—Four-Way Flasher Diode (SE10, W8)
- V14—Four-Way Flasher Diode (SE10, W8)
- W1—Machine Frame Ground, Left Side Above Axle (SE1, W4)
- W2—Engine Ground Strap (SE1, W4)
- W3—ROPS/Roof Harness Ground (SE10, W7)
- W4—Main Harness
- W5—Transmission Diode Harness
- W6—Differential Lock, Park Brake And MFWD Solenoid Diode Harness
- W7—ROPS Harness
- W8—Dash Harness
- X1—Hour Meter Connector (W8)
- X2—Main Harness-To-Transmission Diode Harness Connector (W4, W5)
- X3—Top Main Harness-To-Dash Harness Connector
- X4—Main Harness-To-Dash Harness Connector (W4, W8)
- X5—Main Harness-To-Differential Lock Solenoid Diode Harness Connector (W4, W6)
- X6—Main Harness-To-Park Brake Solenoid Diode Harness (W4, W6)
- X7—Main Harness-To-MFWD Solenoid Diode Harness (W4, W6)
- X8—Main Harness-To-ROPS Harness Connector (W4, W3)
- X9—Transmission Diode Harness-To-FNR Solenoids Connector (W5)
- Y1—Differential Lock Solenoid (SE2, W6)
- Y2—MFWD Solenoid (SE3, W6)
- Y3—Start Aid Solenoid (SE4, W4)
- Y4—Fuel Shut-Off Solenoid (SE4, W4)
- Y5—Park Brake Release Solenoid (SE6, W6)
- Y6—Reverse Solenoid (SE6, W5)
- Y7—Neutral Disconnect Solenoid (SE6, W5)
- Y8—Forward Solenoid (SE6, W5)
- Y9—Return-To-Dig Solenoid (SE7, W4)
(S.N. 880054—882699)





(S.N. 882700— )







Коды неисправностей
ECU (Level 12)
- 000028.03 Throttle Voltage High
- 000028.04 Throttle Voltage Low
- 000029.03 Throttle Voltage High
- 000029.04 Throttle Voltage Low
- 000029.14 Throttle Voltage Out of Range
- 000084.31 Vehicle Speed Mismatch
- 000091.03 Throttle Voltage High
- 000091.04 Throttle Voltage Low
- 000091.07 Throttle Calibration Invalid
- 000091.09 Throttle CAN message Missing
- 000091.10 Throttle Voltage Low
- 000091.13 Throttle Calibration Aborted
- 000091.14 Throttle Voltage Out of Range
- 000094.01 Fuel Pressure Extremely Low
- 000094.03 Fuel Pressure Input Voltage High
- 000094.04 Fuel Pressure Input Voltage Low
- 000094.18 Fuel Pressure Moderately Low
- 000097.00 Water in Fuel Continuously Detected Diagnostic Procedure
- 000097.03 Water in Fuel Signal Voltage High
- 000097.04 Water in Fuel Signal Voltage Low
- 000097.16 Water in Fuel Detected
- 000097.31 Water in Fuel Detected (750J Crawler Only)
- 000100.01 Engine Oil Pressure Extremely Low
- 000100.03 Engine Oil Pressure Input Voltage High
- 000100.04 Engine Oil Pressure Input Voltage Low
- 000100.16 Engine Oil Pressure High, Moderately Severe Level Incorrect Reading Diagnostic
- Procedure
- 000100.18 Engine Oil Pressure Moderately Low
- 000100.31 Engine Oil Pressure Detected with Engine Stopped
- 000105.00 Manifold Air Temperature Extremely High
- 000105.03 Manifold Air Temperature Input Voltage High
- 000105.04 Manifold Air Temperature Input Voltage Low
- 000105.16 Manifold Air Temperature Moderately High
- 000107.00 Air Filter Restriction Switch Activated
- 000110.00 Engine Coolant Temperature Extremely High
- 000110.03 Engine Coolant Temperature Input Voltage High
- 000110.04 Engine Coolant Temperature Input Voltage Low
- 000110.15 Engine Coolant Temperature High Least Severe
- 000110.16 Engine Coolant Temperature Moderately High
- 000111.00 Loss of Coolant Temperature Extremely High
- 000111.03 Loss of Coolant Temperature Input Voltage High
- 000111.04 Loss of Coolant Temperature Input Voltage Low
- 000158.17 ECU Power Down Error
- 000160.02 Wheel Speed Input Noise
- 000171.03 Ambient Air Temperature Input Voltage Out Of Range High (750J Crawlers only)
- 000171.04 Ambient Air Temperature Input Voltage Out Of Range Low (750J Crawlers Only)
- 000174.00 Fuel Temperature Extremely High
- 000174.03 Fuel Temperature Input Voltage High
- 000174.04 Fuel Temperature Input Voltage Low
- 000174.16 Fuel Temperature High Moderately Severe
- 000189.00 Engine Speed Derate
- 000190.00 Engine Overspeed Extreme
- 000190.01 Engine Overload Moderate
- 000190.01 Engine Speed Below Normal Operational Range, Most Severe Level
- 000190.16 Engine Overspeed Moderate
- 000190.18 Engine Overload Severe
- 000523.09 Current Gear Selection Invalid or Not Received (J-series Loaders Only)
- 000620.03 Sensor Supply Voltage High
- 000620.04 Sensor Supply Voltage Low
- 000629.13 ECU Error
- 000637.02 Crank Position Input Noise
- 000637.08 Crank Position Input Missing
- 000637.10 Crank Position Input Pattern Error
- 000639.13 CAN Bus Error
- 000644.02 External Speed Command Input (OEM, Marine Only)
- 000729.03 Inlet Air Heater Signal High
- 000729.05 Inlet Air Heater Signal Low
- 000898.09 Vehicle Speed or Torque Message Invalid
- 000970.31 Auxiliary Engine Shutdown Switch Active
- 000971.31 External Engine Derate Switch Active
- 001069.09 Tire Size Invalid
- 001069.31 Tire Size Error
- 001076.00 Pump Control Valve Closure Too Long
- 001076.01 Pump Control Valve Closure Too Short
- 001076.03 Pump Solenoid Current High
- 001076.05 Pump Solenoid Circuit Open
- 001076.06 Pump Solenoid Circuit Severely Shorted
- 001076.07 Pump Control Valve Closure Not Detected
- 001076.10 Pump Solenoid Circuit Moderately Shorted
- 001076.13 Pump Current Decay Time Invalid
- 001079.03 Sensor Supply Voltage High
- 001079.04 Sensor Supply Voltage Low
- 001109.31 Engine Protection Shutdown Warning
- 001110.31 Engine Protection Shutdown
- 001569.31 Fuel Derate
- 002000.06 Internal ECU Failure
- 002000.13 Security Violation
- 002006.06 Internal ECU Failure

