Тренинг персонала RENAULT TRUCKS (EBS 5)
Компоненты

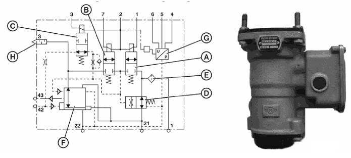
КРАН НОЖНОГО ТОРМОЗА
Это — новое устройство со встроенной функцией «пробуждения» («wake up»).
Ввиду того, что в новую конструкцию включена функция «пробуждения», при замене крана производить калибровку не требуется.

Описание
(A) Потенциометр 1
(B) Потенциометр 1
(C) Включатели «wake up»
(D) Пневматическая ступень переднего тормозного контура
(E) Пневматическая ступень заднего тормозного контура
(F) Выпуск
Технические характеристики
Запитывающее давление 13 бар
Максимальное давление в тормозных камерах 9 бар
Разница давлений P2.1 и P2.2 (в режиме « backup ») + 2 бара
Напряжение в цепи электропитания 5 В
Сопротивление потенциометра 1 — от 4,2 до 7,5 кОм
Сопротивление потенциометра 2 — от 5,3 до 2 кОм
Разъем:

ПЕРЕДНИЙ МОДУЛЬ
Функции аналогичны функциям модуля предыдущего поколения

Разъемы

Разъем LWS A/B
1 «Масса» датчика износа левого (0160)
2 Сигнал датчика износа левого (0161)
3 Питание 5 В датчика давления левого (0162)
4 «Масса» датчика износа правого (0107)
5 Сигнал датчика износа правого (0108)
6 Питание 5 В датчика давления правого (0109)
Разъем WSSA
1 Датчик скорости колеса переднего правого
2 Датчик скорости колеса переднего правого
Разъем WSSB
1 Датчик скорости колеса переднего левого
2 Датчик скорости колеса переднего левого
Разъем CAN/B–SPL/GND
1 «Масса» модуля (5080)
2 Питание модуля 24 В (5079)
3 Линия «High» шины связи CAN (0148)
4 Линия «Low» шины связи CAN (0147)
ЗАДНИЙ МОДУЛЬ
Функции аналогичны функциям модуля предыдущего поколения

Разъемы

Разъем LWS A/B
1 «Масса» датчика износа левого (0166)
2 Сигнал датчика износа левого (0167)
3 Питание 5 В датчика давления левого (0168)
4 «Масса» датчика износа правого (0163)
5 Сигнал датчика износа правого (0164)
6 Питание 5 В датчика давления правого (0165)
Разъем WSSA
1 Датчик скорости колеса переднего правого
2 Датчик скорости колеса переднего правого
Разъем WSSB
1 Датчик скорости колеса переднего левого
2 Датчик скорости колеса переднего левого
Разъем CAN/B–SPL/GND
1 «Масса» модуля (5082)
2 Питание модуля 24 В (5081)
3 Линия «High» шины связи CAN (066)
4 Линия «Low» шины связи CAN (064)
КЛАПАН УПРАВЛЕНИЯ ПРИЦЕПОМ (TCV)

Описание
(А) Электроклапан впуска
(B) Электроклапан выпуска
(C) Электроклапан аварийного режима (« back-up »)
(D) Отсечный клапан
(E) Внутренний фильтр
(F) Клапан-ускоритель
(G) Датчик давления воздуха
(H) Выпуск
Технические характеристики
Сопротивление бобин электроклапанов А и В: 17,1 ом
Сопротивление бобин электроклапана С: 11,1 ом
Разъем:

ЭЛЕКТРОКЛАПАН АНТИБЛОКИРОВКИ КОЛЕС

Описание
(А) Электроклапан впуска
(B) Электроклапан выпуска
(C) Выпуск
Технические характеристики
Питание 24 вольта
Сопротивление бобин электроклапанов: 15 ом
Разъем:

ДАТЧИКИ СКОРОСТЕЙ КОЛЕС
Новые комплектующие

Технические характеристики
Сопротивление датчика: 1150 +100/-50 ом
ДАТЧИК ПОПЕРЕЧНОГО УСКОРЕНИЯ
Местоположение
Датчик установлен на поперечине рамы шасси в зоне центра тяжести. Он обменивается информацией с э.б.у. через внутреннюю шину связи EBS.

ВНИМАНИЕ:
ПРИ ВЫПОЛНЕНИИ ЛЮБЫХ ДЕЙСТВИЙ ОБСЛУЖИВАНИЯ ИЛИ РЕМОНТА С ЭТИМ ДАТЧИКОМ
НЕОБХОДИМО ОБЯЗАТЕЛЬНО ВЫПОЛНИТЬ КАЛИБРОВКУ ПРИ ПОМОЩИ ДИАГНОСТИЧЕСКОГО КОМПЬЮТЕРА.
Разъем:

ДАТЧИК УГЛА ПОВОРОТА РУЛЯ
Местоположение
Датчик установлен в рулевой колонке. Он обменивается сигналами с э.б.у. через внутреннюю шину связи EBS.

ВНИМАНИЕ:
ПРИ ВЫПОЛНЕНИИ ЛЮБЫХ ДЕЙСТВИЙ ОБСЛУЖИВАНИЯ ИЛИ РЕМОНТА С ЭТИМ ДАТЧИКОМ
НЕОБХОДИМО ОБЯЗАТЕЛЬНО ВЫПОЛНИТЬ КАЛИБРОВКУ ПРИ ПОМОЩИ ДИАГНОСТИЧЕСКОГО КОМПЬЮТЕРА.
Разъем:

ДАТЧИК ИЗНОСА ТОРМОЗА
Индуктивный датчик, состоящий из катушки индуктивности с магнитным якорем, операционного усилителя, работающего как схема сравнения, и делителя напряжения,

ПРИМЕЧАНИЯ
1. (напоминание) Электромагнитная индукция — физическое явление, связанное с возникновением или исчезновением электрического тока в обмотке катушки.
2. Датчик максимального износа тормозных колодок больше не применяется.
ПОДКЛЮЧЕНИЕ ДАТЧИКОВ ИЗНОСА К МОДУЛЯМ ТС

ЭЛЕКТРОННЫЙ БЛОК УПРАВЛЕНИЯ EBS
Существует два разных номенклатурных номера для этого э.б.у.
Они различаются количеством модулей:
• Один э.б.у. для автомобилей типа 4х2
• Один э.б.у. для автомобилей типа 6х2
Местонахождение

Разъемы

Выводы разъема X1

Выводы разъема X2

Выводы разъема X3

Выводы разъема X4
