Перейти к контенту

Пропустить меню
Подписывайтесь на наш канал в Telegram и будьте всегда в курсе самых последних сообщений и публикаций с сайта.
 См. также:
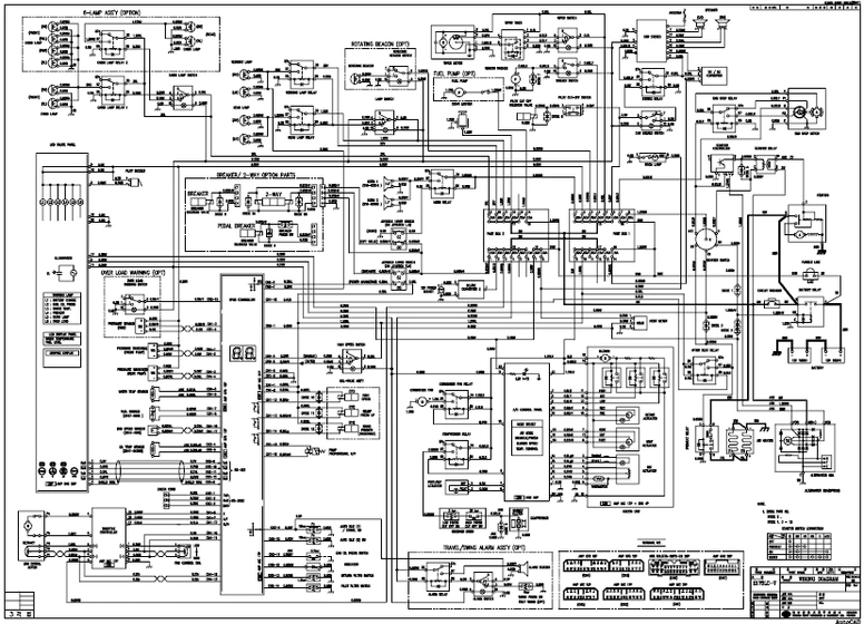
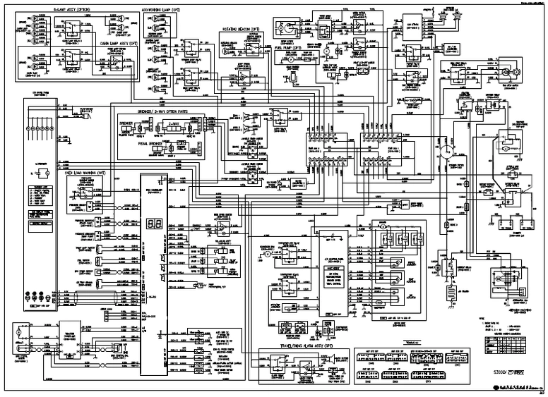
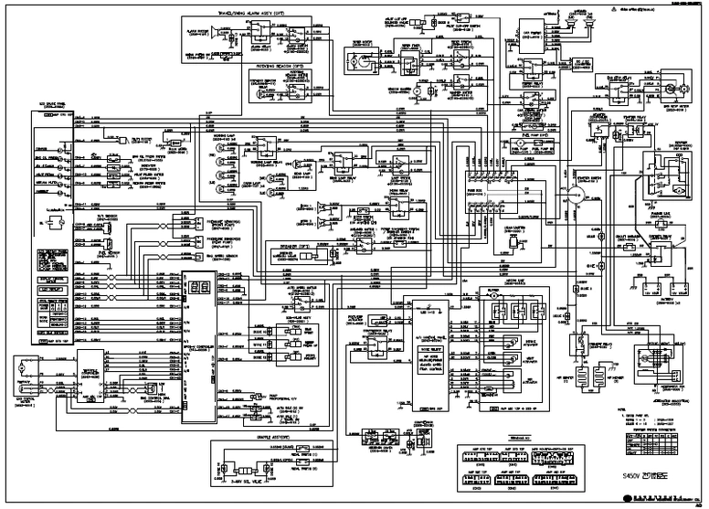
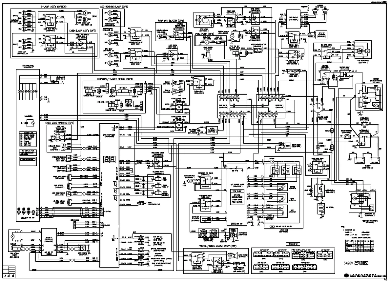
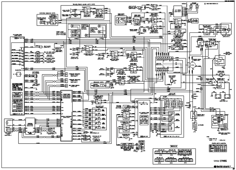
Электросхемы DOOSAN серии Solar LC-V
(130 LC-V, 140 LC-V, 175 LC-V, 220 LC-V, 225 LC-V,
255 LC-V, 290 LC-V, 300 LC-V, 330-360 LC-V, 340-370 LC-V,
400 LC-V, 420 LC-V, 450 LC-V, 470 LC-V)

130 LC-V


140 LC-V


175 LC-V


220 LC-V


225 NLC-V


255 LC-V


290 LC-V


300 LC-V


330-360 LC-V


340-370 LC-V


400 LC-V


420 LC-V


450 LC-V


470 LC-V


gerikogan@gmail.com

Сайт (2149 страниц) - создан из материалов"Большой энциклопедии для автоэлектриков и диагностов"и на нем лишь мизерное количество информациис огромной электронной энциклопедии !!!

подписчики
1981
Назад к содержимому