Схемы TATA Daewoo MAXIMUS DL06K E5
CIRCUIT DIAGRAM BY SYSTEMS
1. AUX. FUSE BOX CIRCUIT DIAGRAM
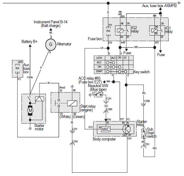
2. STARTER CIRCUIT DIAGRAM
3. COMBINATION SWITCH CIRCUIT DIAGRAM(1)
4. COMBINATION SWITCH CIRCUIT DIAGRAM(2)
5. WIPER CIRCUIT DIAGRAM
6. POWER WINDOW, AUTO MIRROR SWITCH CIRCUIT DIAGRAM
7. AUDIO CIRCUIT DIAGRAM
8. 12V CONVERT, CIGAR LIGHTER, STARTER SWITCH "ACC" CIRCUIT DIAGRAM
9. SEAT BELT, SEAT HEATER, VENTILATION SEAT, SEAT HEIGHT CONTROL, AIR DRYER CIRCUIT DIAGRAM
10. HEATER AND AIR CONDITIONER CIRCUIT DIAGRAM
11. AUTO AIR CONDITIONER CIRCUIT DIAGRAM
12. AUX. HEATER CIRCUIT DIAGRAM
13. CAB TILT SYSTEM CIRCUIT DIAGRAM
14. HORN, TOOL BOX LAMP CIRCUIT DIAGRAM
15. BUNK CONTROL MODULE CIRCUIT DIAGRAM
16. BUNK CONTROL MODULE(AUX.HEATER) DIAGNOSTIC CODE
17. DIAGNOSIS CONNECTOR CIRCUIT DIAGRAM
18. TACHOGRAPH CIRCUIT DIAGRAM
19. METER CLUSTER CIRCUIT DIAGRAM(1)
20. METER CLUSTER EOL DATA
21. METER CLUSTER FAULT CODE
22. AIR TANK PRESSURE SENSOR, FUEL SENSOR CIRCUIT DIAGRAM
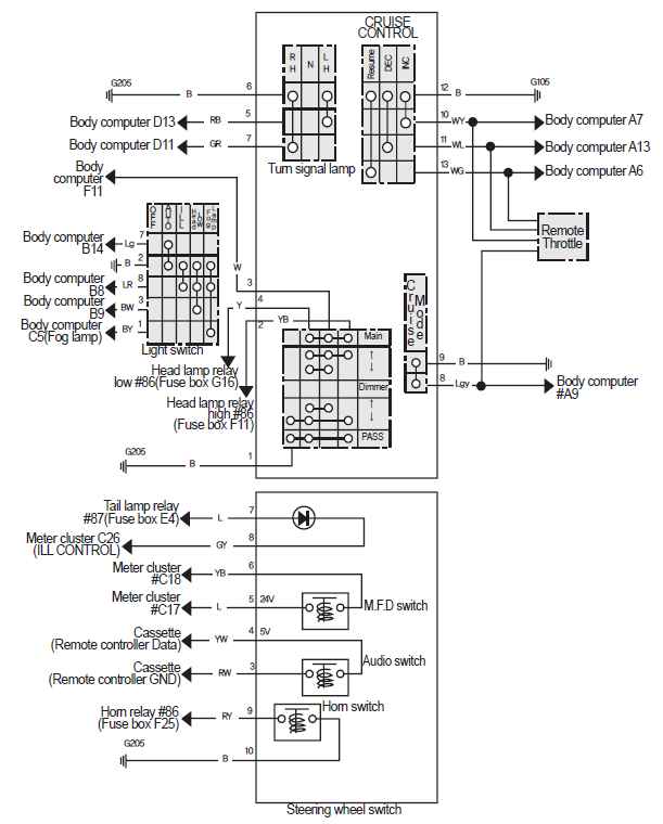
23. BODY COMPUTER CIRCUIT DIAGRAM(1)
24. BODY COMPUTER CIRCUIT DIAGRAM(2)
25. BODY COMPUTER CIRCUIT DIAGRAM(3)
26. BCM EOL LIST
27. BRAKE CIRCUIT DIAGRAM(STOP, ENGINE BRAKE, PARKING)
28. LIGHT CIRCUIT DIAGRAM(ILLUMINATION, HEAD LAMP, FOG LAMP)
29. BACK UP LAMP, NEUTRAL SWITCH CIRCUIT DIAGRAM
30. PTO, WORKING LAMP, REAR FOG LAMP CIRCUIT DIAGRAM
31. AUTO DOOR LOCK, FOCUS LAMP, STEERING COLUMN SWITCH CIRCIT DIAGRAM
32. BLINK UNIT, MIRROR & FUEL HEATER CIRCUIT DIAGRAM
33. INHIBITOR FREQUENCY SWITCH SETTING
34. KEYLESS ENTRY SYSTEM, DOOR SWITCH CIRCUIT DIAGRAM
35. ABS/ASR ELECTRIC CIRCIT DIAGRAM(E-VERSION)
36. ABS/ASR PRESSURE VALVE, WHEEL SPEED SENSOR CIRCUIT DIAGRAM(E-VERSION)
37. ABS FAULT CODE
38. HILL HOLDER UNIT
39. DRL(DAYTIME RUNNING LAMP) CONTROL UNIT
40. SCR MODULE CIRCUIT DIAGRAM
41. DL06 ENGINE(1)
42. DL06 ENGINE(2)
1. AUX. FUSE BOX CIRCUIT DIAGRAM

1) CONNECTOR AND PIN NUMBER

2. STARTER CIRCUIT DIAGRAM

1) CONNECTOR AND PIN NUMBER

3. COMBINATION SWITCH CIRCUIT DIAGRAM (1)

1) CONNECTOR AND PIN NUMBER

4. COMBINATION SWITCH CIRCUIT DIAGRAM (2)

1) CONNECTOR AND PIN NUMBER

5. WIPER CIRCUIT DIAGRAM

1) CONNECTOR AND PIN NUMBER

Все схемы в