См. также:
Автономный отопитель ПЛАНАР - 4Д
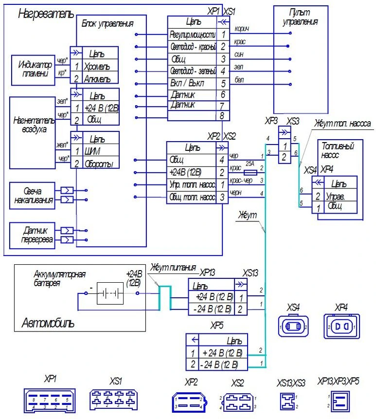
Блок управления отопителя (БУ)
БУ обеспечивает управление отопителем совместно с пультом управления.
БУ выполняет следующие функции:
а) начальную диагностику (проверку исправности) узлов отопителя при запуске;
б) диагностику узлов отопителя во время всей работы;
в) включение и выключение отопителя по команде с пульта управления;
г) управление процессом горения;
д) автоматическое выключение отопителя:
- при потере работоспособности одного из контролируемых узлов;
- при выходе параметров за допустимые пределы (температуры теплообменника, напряжения питания и срыве пламени в камере сгорания).
Назначение пульта управления
Пульт управления (пульт) предназначен для применения в составе отопителя в качестве устройства, обеспечивающего ручное управление отопителем.
Пульт предназначен для:
- запуска (режима нагрева или вентиляции) и остановки отопителя в ручном режиме;
- изменения в ручном режиме работы отопителя (температуру нагрева или интенсивности вентиляции);
- индикации состояния отопителя ( светодиод светится красным- режим обогрева, зеленым – режим вентиляции, мигает красным цветом - неисправность (авария), не светится - отопитель не работает.
Устройство пульта и работа с ним
На лицевой панели пульта расположены: ручка переключателя (поз.1) и светодиод (поз.2).

Ручка переключателя предназначена для выполнения следующих команд:
- при установке ручки переключателя в крайнее левое положение (после щелчка) отопитель выключен;
- при повороте по часовой стрелке после щелчка отопитель включится на режим обогрева или вентиляции. Для смены режима работы необходимо произвести двойное включение с интервалом не менее 2 сек между щелчками;
- при установке ручки ( при режиме обогрева) в любое положение отопитель будет работать с теплопроизводительностью в пределах от 1 до 3 кВт в зависимости от положения ручки переключателя, а в режиме вентиляции с определенной величиной оборотов вентилятора.
Светодиод поз.2 показывает состояние отопителя:
- светится зеленным цветом - режим вентиляции;
- светится красным цветом – режим обогрева;
- мигает красным цветом - при неисправности (аварии). Количество миганий после паузы соответствует коду неисправности;
- не светится - при не работающем отопителе.


Неисправности, их причины и методы устранения
Расшифровка количества миганий при неисправности отопителя
Количество миганий свето-диода
Описание неисправности
Устранение неисправностей
1
Перегрев теплообменника
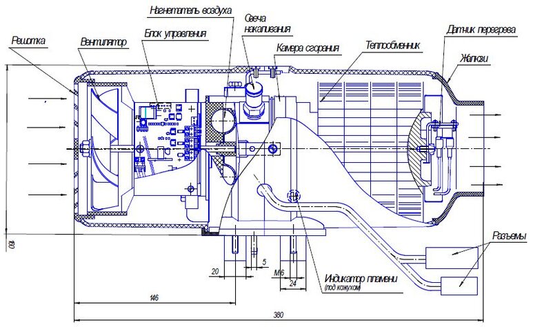
Проверить входной и выходной патрубок нагревателя на предмет свободного входа и выхода нагреваемого воздуха.
2
Попытки запуска исчерпаны
Если допустимое количество попыток запуска использовано – проверить количество и подачу топлива. Проверить систему подвода воздуха для сгорания и газоотводящий трубопровод.
3
Прерывание пламени
Проверить количество и подачу топлива. Проверить систему подвода воздуха для сгорания и газоотводящий трубопровод. Если отопитель запускается, то проверить индикатор пламени и при необходимости заменить.
4
Неисправность свечи накаливания
Неисправность мотора нагнетателя воздуха
Проверить свечу накаливания, при необходимости заменить.
Проверить электропроводку мотора нагнетателя воздуха, при необходимости заменить нагнетатель воздуха
5
Неисправность индикатора пламени
Проверить цепь индикатора пламени на обрыв при этом сопротивление между выводами должно быть не более 1 Ом.
Если индикатор неисправен, то его необходимо заменить
7
Неисправность топливного насоса
Проверить электропровода топливного насоса на короткое замыкание, при необходимости заменить.
8
Нет связи между пультом управления и блоком управления
Проверить соединительные провода, разъемы.
9
Отключение, повышенное напряжение
Отключение, пониженное напряжение
Проверить батарею, регулятор и подводящую электропроводку. Напряжение между 1 и 2 контактами разъема ХР13 должно быть не выше 30 В (15 В).
Проверить батарею, регулятор и подводящую электропроводку. Напряжение между 1 и 2 контактами разъема ХР13 должно быть не ниже 20 В (10,8 В).
10
Превышено время на вентиляцию
За время продувки недостаточно охлаждён нагреватель. Проверить систему подачи воздуха для сгорания и газоотводящий трубопровод. Проверить индикатор пламени и при необходимости заменить.