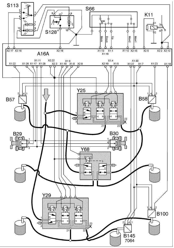
Электрооборудование и пневматическая система SUSPL-EC
Volvo Truck


Номер Компонент
A16A Модуль управления системой ECS
B29 Левый датчик уровня шасси, задняя ось
B30 Правый датчик уровня шасси, задняя ось
B55 Датчик давления воздуха в пневмобаллонах подвески, 3-я ось
B57 Левый датчик давления воздуха в пневмобаллонах подвески, задняя ось
B58 Правый датчик давления воздуха в пневмобаллонах подвески, задняя ось
B100 Датчик давления воздуха в пневмобаллонах подвески строенного моста
B145 Датчик давления в подъемных пневмобаллонах строенного моста
K11 Реле пневматической подвески
S66 Блок переключателей ECS, полная пневматическая подвеска
S113 Переключатель, подъем строенного моста
S128 Выключатель положения, распределитель давления между осями
Y25 Блок электромагнитных клапанов регулировки уровня, пневматическая подвеска
Y29 Блок электромагнитных клапанов, дополнительный задний мост
Y68 Электромагнитный клапан