См. также:
Схемы подключений системы HALDEX




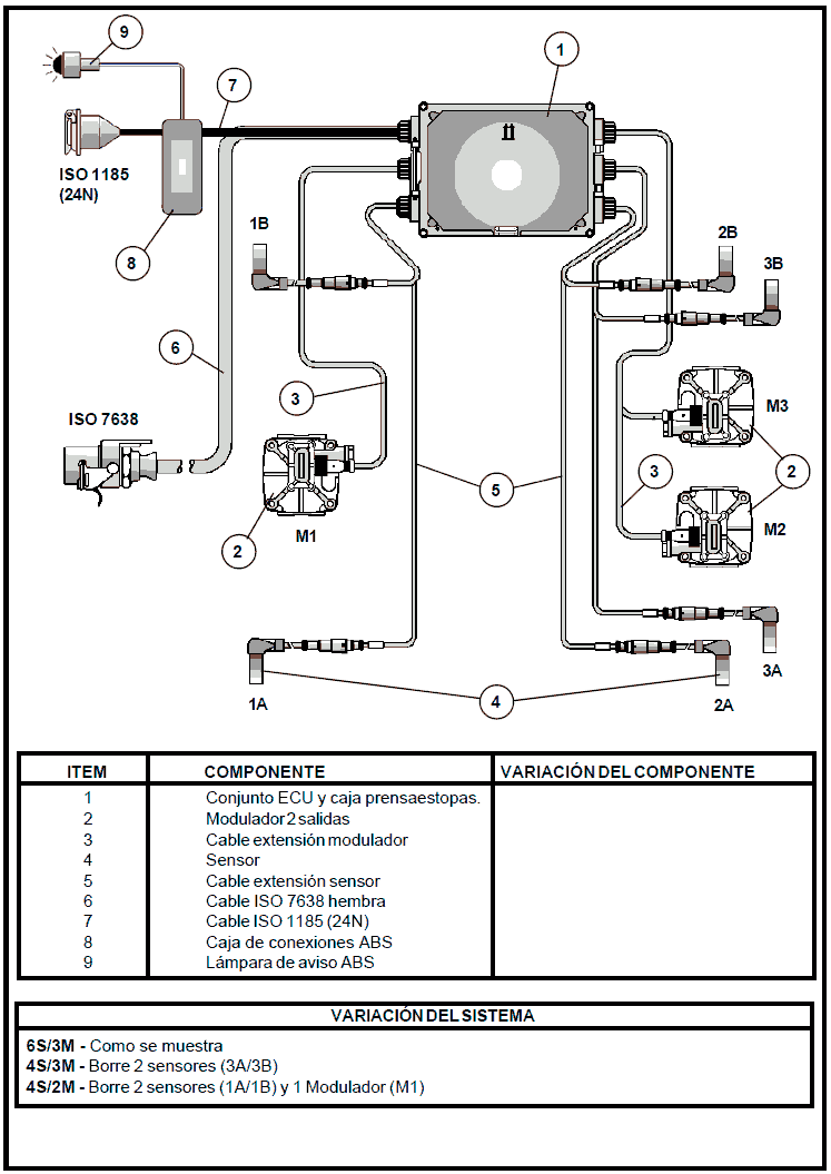
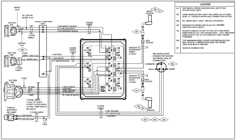
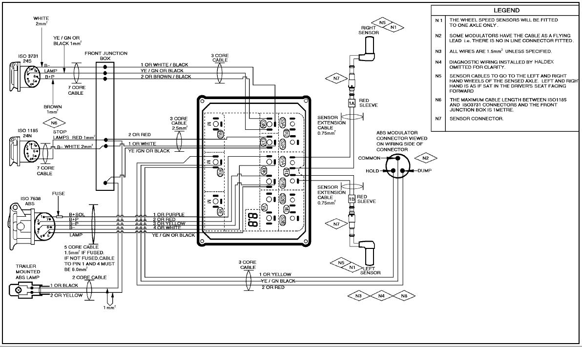
MODAL CABLEADO SEMIRREMOLQUE CON DOS SENSORES Y UN MODULADOR (2S1M)
MODAL CABLEADO SEMIRREMOLQUE CON DOS O CUATRO SENSORES Y DOS MODULADORES
(2S2M O 4S2M)
MODAL CABLEADO SEMIRREMOLQUE CON CUATRO O SEIS SENSORES Y TRES MODULADORES
(4S3M O 6S3M)
MODAL CABLEADO SEMIRREMOLQUE CON DOS O CUATRO SENSORES Y DOS MODULADORES
(2S2M O4S2M) PARA TRANSPORTE DE MERCANCÍAS PELIGROSAS

MODAL CABLEADO SEMIRREMOLQUE CON CUATRO O SEIS SENSORES Y TRES MODULADORES
(4S3M O 623M) PARA MERCANCÍAS PELIGROSAS

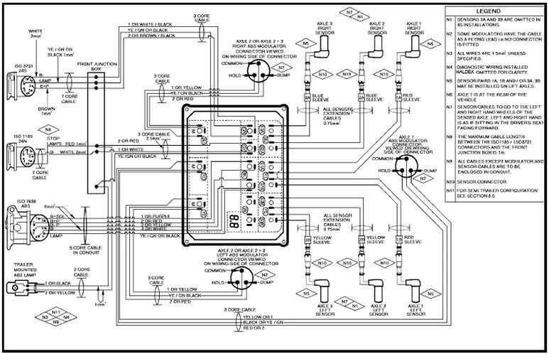
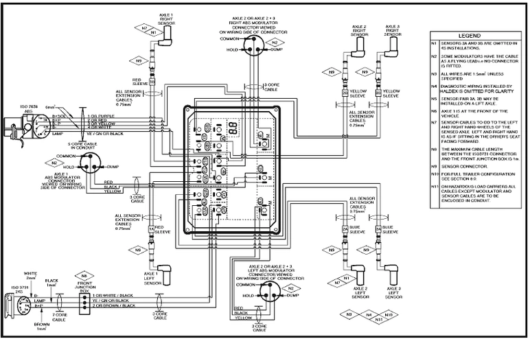
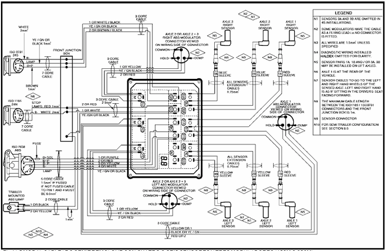
MODAL CABLEADO REMOLQUE EJES SEPARADOS CON CUATRO O SEIS SENSORES Y TRES MODULADORES (4S3M O 6S3M)

MODAL DIAGRAMA CABLEADO SEMIRREMOLQUE 6S/3M CON REPOSICIÓN AUTOMÁTICA
DE ALTURA DE ORDEN DE MARCHA (COLAS® )

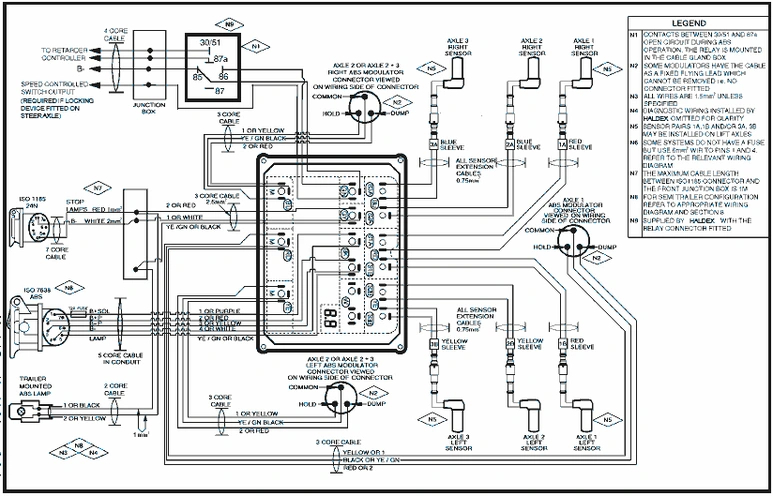
MODAL DIAGRAMA DE CABLEADO SEMIRREMOLQUE 6S/3M CON RETARDER

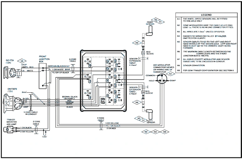
MODAL DIAGRAMA DE CABLEADO SEMIRREMOLQUE 2S/1M (SISTEMA 12V)


S = CONEXIÓN DE SENSOR, S1A, S2A, S3A etc. INDICA SENSOR
RD = CÓDIGO DEL COLOR ROJO
YE = CÓDIGO DEL COLOR AMARILLO
BU = CÓDIGO DEL COLOR AZUL
M = CONEXIÓN DE MODULADOR
GN = VERDE (ALIMENTACIÓN ISO3731(24S)) - ECU sin auxiliares (Sólo ABS)
VERDE (COLAS® , RELÉ RETARDER o SALIDA CON CONTROL DE VELOCIDAD) - ECU con auxiliares
(ABS + COLAS® , RETARDER y/o DISPOSITIVO DE BLOQUEO EJE DIRECCIONAL)
GY = GRIS (ALIMENTACIÓN ISO1185 (24N) - 24V)
GRIS (ALIMENTACIÓN ISO1724 (12N) - 12V)
BK = NEGRO (ALIMENTACIÓN ISO7638 - 24V)
NEGRO (ALIMENTACIÓN ISO72570 - 12V)
W = BLANCO (CONEXIONES SALIDA DE DIAGNÓSTICO)
8.8 = PANTALLA TODD
B- = (GN & GY) NEGATIVO DE BATERÍA 1mm² - ECU sin auxiliares (Sólo ABS)
(GN) TERMINAL COLAS® - ECU con auxiliares (ABS + COLAS® )
(GN) TERMINAL 85 RELÉ)* - ECU con auxiliares (ABS + RETARDER)
B-SOL = NEGATIVO DE BATERÍA A SOLENOIDES 6mm²
B+P = (GN & GY) POSITIVO DE BATERÍA (ALIMENTACIÓN PERMANENTE) - ECU sin auxiliares (Sólo ABS)
(GN) TERMINAL 86 RELÉ)* - ECU con auxiliares (ABS + RETARDER)
B+I = POSITIVO DE BATERÍA ALIMENTACIÓN POR LUZ DE PARE
B+SOL = POSITIVO DE BATERÍA ALIMENTACIÓN SOLENOIDES
L = (GN & BK) RETORNO DE LÁMPARA A B- (o salida control de velocidad) - ECU sin auxiliares (Sólo ABS)
(GN) COLAS® TERMINAL +ve - ECU sin auxiliares (ABS + COLAS® )
TL = RETORNO DE LÁMPARA DEL REMOLQUE A BDS
= SOLENOIDE DE DESCARGA
HS = SOLENOIDE DE MANTENIMIENTO
DIAGS = SALIDAS AL CONECTOR DE DIAGNÓSTICO DE LA CAJA


