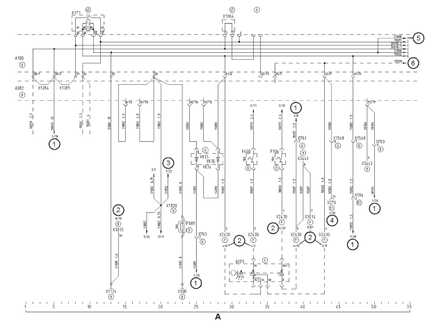
A = электропитание, замок зажигания

- A100 Электрическая бортовая сеть
- A302 Центральный процессор 2
- F104 Предохранитель замка рулевого колеса
- F400 Предохранитель замка рулевого колеса
- F685 Предохранитель для кабеля 31002
- K171 Реле потребителя (клемма 15)
- Q101 Замок рулевого колеса
- V634 Группа диодов 2-кратная V635; V636
- V635 Диод центрального бортового компьютера - устройство управления разъединителя аккумуляторной батареи
- V636 Диод клемма 15 - устройство управления разъединителя аккумуляторной батареи
- X100 Подключение на массу двигателя
- X104 Штекерное соединение основной кабельный жгут - приборная плата 1
- X270 Штекерное соединение - приборная плата 1 - генератор
- X763 Штекерное соединение - электрический основной выключатель аккумуляторной батареи
- X1064 Перемычка на электрическую бортовую сеть 2 Поз. 37 (контакт 1-2)
- X1124 Точка массы на основной коммутационной панели
- X1364 Перемычка электрической бортовой сети для центрального бортового компьютера 90/1-90/2
- X1365 Перемычка электрической бортовой сети для центрального бортового компьютера 90/2-91
- X1549 Штекерное соединение - двигатель/EDC/коробка передач I
- X1830 Обжимное соединение кабеля 31002
- X2430 Штекерное соединение - выключатель на рулевой колонке / замок зажигания
- X3014 Штекерное соединение - приборный щиток 2
- X3015 Штекерное соединение - приборный щиток 3
- X3443 Штекерное соединение - интерфейс 1 кузова (основная приборная панель)
|
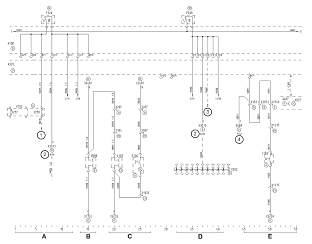
A = электропитание бортового компьютера / B = электропитание трансмиссионного тормоза, EBS, ECAS, ECAM / C = электропитание тормоза-замедлителя / D = электропитание управляющего процессора автомобиля

- A100 Электрическая бортовая сеть
- A302 Центральный процессор 2
- F243 Предохранитель центрального бортового компьютера постоянный плюс
- F244 Предохранитель центрального бортового компьютера (клемма 30-1)
- F245 Предохранитель центрального бортового компьютера (клемма 30-2)
- F246 Предохранитель центрального бортового компьютера (клемма 15)
- X102 Клеммная панель основной приборной панели
- X257 Перемычка на клеммную панель основной приборной панели
- X258 Перемычка на клеммную панель основной приборной панели
|
A = индикация бака / B = температура охлаждающей жидкости EDC / C = датчик давления воздушного фильтра / D = уровень охлаждающей жидкости

- A100 Электрическая бортовая сеть
- A302 Центральный процессор 2
- A403 Управляющий процессор автомобиля
- A407 Приборная панель
- A435 Блок управления EDC
- B103 Датчик уровня топлива
- B124 Датчик температуры охлаждающей жидкости
- B139 Щуп уровня охлаждающей жидкости
- B433 Датчик давления воздушного фильтра
- H110 Контрольная лампа температуры охлаждающей жидкости
- H374 Контрольная лампа загрязнения воздушного фильтра
- P104 Индикатор запаса топлива
- X100 Подключение на массу двигателя
- X238 Штекерное соединение - двигатель/приводной модуль - место разъединения
- X1315 Штекерное соединение - датчик уровня топлива
- X1551 Штекерное соединение - двигатель/EDC/коробка передач II
- X3443 Штекерное соединение - интерфейс 1 кузова (основная приборная панель)
|
A = уровень масла гидравлической системы рулевого управления / B = сцепление / C = диагностика

- A100 Электрическая бортовая сеть
- A302 Центральный процессор 2
- B371 Выключатель резервуара масла в рулевой колонке
- B434 Щуп для жидкости сцепления
- X100 Подключение на массу двигателя
- X200 Штекер диагностики
- X238 Штекерное соединение - двигатель/приводной модуль - место разъединения
- X1551 Штекерное соединение - двигатель/EDC/коробка передач II
- X1553 Штекерное соединение - двигатель/EDC/коробка передач IV
- X2544 Распределитель потенциала 21-полюсного К-кабеля
- X3090 Штекерное соединение - диагностика K-кабеля центрального процессора (ZBRO)
- X3488 Штекерное соединение - ящик моторного отсека CAN/диагностика
|
A = электропитание постоянно включённого потребителя / B = штекерный разъём основной приборной панели / C = освещение двигателя, штекерный разъем, приборный отсек / D = электропитание +15 / E = блокирование стартера

- A100 Электрическая бортовая сеть
- A302 Центральный процессор
- A407 Приборная панель
- E104 Освещение моторного отсека
- F128 Предохранитель постоянно включённых потребителей
- F628 Предохранитель клемма 15
- H327 Контрольная лампа блокировки стартера
- S101 Пусковой блокиратор
- X102 Клеммная панель основной приборной панели
- X104 Штекерное соединение - основной кабельный жгут-приборная плата 1
- X128 Штекерный разъём на приборной плате 1
- X257 Перемычка на клеммную панель
- X258 Перемычка на клеммную панель
- X267 Штекерное соединение - основная приборная панель-основной кабельный жгут
- X362 Распределитель кабеля 16000
- X669 Штекерное соединение - блокировка стартера
- X987 Штекерное соединение - основной кабельный жгут-задняя часть
- X989 Штекерное соединение - главная приборная панель
- X1124 Точка массы на главной коммутационной панели
- X1215 Штекерное соединение - основной кабельный жгут-пуск/останов двигателя
- X1549 Штекерное соединение - двигатель/EDC/коробка передач I
- X1631 Штекерное соединение - блокировка стартера
- X1925 Штекерное соединение - задний жгут-приборная плата
- X3013 Штекерное соединение - приборный щиток 1
- X3015 Штекерное соединение - приборный щиток 3
- X3438 Масса клеммной панели X3477, перемычка 1 и 6 в ящике задней части
- X3487 Штекерное соединение - интерфейс 1 кузова (главная приборная панель)
|
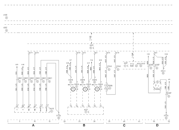
A = электропитание управляющего процессора автомобиля / B = распределитель кабеля 60028 / C = диагностика управляющего процессора автомобиля / D = тормоз-замедлитель / E = питание управления двигателем

- A100 Электрическая бортовая сеть
- A142 Блок управления регулирования двигателя
- A302 Центральный процессор 2
- A403 Управляющий процессор автомобиля
- A407 Приборная панель
- A435 Блок управления EDC
- F236 Предохранитель регулировки двигателя (клемма 15)
- F371 Предохранитель управляющего процессора автомобиля кл. 30
- F372 Предохранитель управляющего процессора автомобиля кл. 15
- F583 Предохранитель управляющего процессора автомобиля (кл. 15), выключатели/датчики
- H296 Контрольная лампа EDC (сбой)
- S479 Выключатель тормоза-замедлителя
- X1001 Штекерное соединение - шина данных CAN регулирования двигателя
- X1549 Штекерное соединение - двигатель/EDC/коробка передач I
- X1551 Штекерное соединение - двигатель/EDC/коробка передач II
- X1693 Паяное соединение кабеля 60028
- X2544 Распределитель потенциала 21-полюсного К-кабеля
- X3013 Штекерное соединение - приборный щиток 1
- X3344 Штекерное соединение - двигатель/EDC 2
- X3429 Точка массы шасси (главная приборная панель)
|
A = модуль педали акселератора / B = кнопочный выключатель тормоза-замедлителя / C = наружная температура / D = стояночный тормоз

- A100 Электрическая бортовая сеть
- A302 Центральный процессор 2
- A403 Управляющий процессор автомобиля
- A407 Приборная панель
- A410 Модуль педали акселератора
- A437 Кнопочный выключатель тормоза-замедлителя
- B269 Термодатчик наружного воздуха
- B369 Кнопочный выключатель сигнализатора стояночного тормоза
- H117 Контрольная лампа стояночного тормоза
- H145 Контрольная лампа тормоза-замедлителя
- P113 Индикатор температуры наружного воздуха
- X1124 Точка массы на главной коммутационной панели
- X1545 Штекерное соединение - передняя часть, левая
- X2307 Штекерное соединение - стояночный тормоз
- X3016 Штекерное соединение - приборный щиток 4
- X3021 Штекерное соединение - датчик педали акселератора
- X3443 Штекерное соединение - интерфейс 1 кузова (главная приборная панель)
|
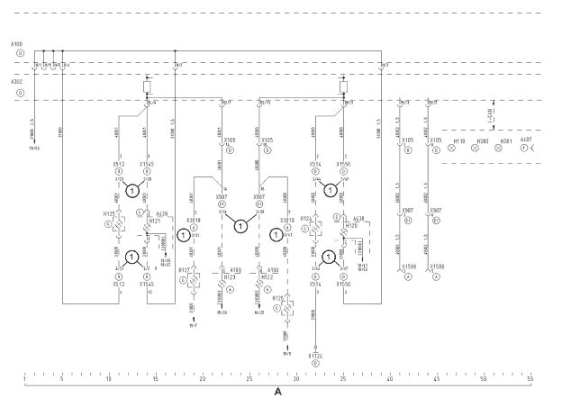
A = стояночный тормоз / B = выбор передачи, система автоматического поддержания скорости Tempomat / C = передача DNR / D = запас масла гидровентилятора / E = электромагнитная муфта компрессора

- A100 Электрическая бортовая сеть
- A302 Центральный процессор 2
- A403 Управляющий процессор автомобиля
- A407 Приборная панель
- A429 Выключатель на рулевой колонке системы автоматического поддержания скорости/коробки передач
- A434 Переключатель запаса хода коробки передач
- B230 Кнопочный выключатель стояночного тормоза включен
- B547 Выключатель запаса масла гидровентилятора
- H378 Контрольная лампа FGR/FGB (светодиод)
- H470 Контрольная лампа запаса масла гидровентилятора
- P122 Индикация включенной передачи
- X100 Подключение на массу двигателя
- X238 Штекерное соединение - двигатель/приводной модуль - место разъединения
- X267 Штекерное соединение - главная приборная панель-основной кабельный жгут
- X2307 Штекерное соединение - стояночный тормоз
- X3014 Штекерное соединение - приборный щиток 2
- X3016 Штекерное соединение - приборный щиток 4
- X3443 Штекерное соединение - интерфейс 1 кузова (главная приборная панель)
- X3487 Штекерное соединение - интерфейс 1 кузова (главная приборная панель)
- Y114 Электромагнитная муфта компрессора
|
A = интерфейс регулирования промежуточной частоты вращения (FFR, MDB, HGB) / B = моторный тормоз / C = муфта включения вентилятора / D = термостат обогрева

- A100 Электрическая бортовая сеть
- A302 Центральный процессор 2
- A403 Управляющий процессор автомобиля
- R134 Группа резисторов EDC
- X100 Подключение на массу двигателя
- X105 Штекерное соединение - основной кабельный жгут-главная приборная панель
- X238 Штекерное соединение - двигатель/приводной модуль - место разъединения
- X1068 Штекерное соединение - основной кабельный жгут-задняя часть
- X1551 Штекерное соединение - двигатель/EDC/коробка передач II
- X1996 Штекерное соединение - регулирование промежуточной частоты вращения-интерфейс (FFR)
- X3443 Штекерное соединение - интерфейс 1 кузова (главная приборная панель)
- Y144 Регулирующий клапан привода вентилятора
- Y281 Магнитный клапан моторного тормоза
|
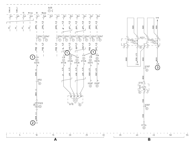
A = питание приборной панели TG

- A100 Электрическая бортовая сеть
- A302 Центральный процессор 2
- A407 Приборная панель
- A408 Тахограф
- F398 Предохранитель тахографа, приборной панели (клемма 15)
- F412 Предохранитель тахографа, приборной панели (клемма 30)
- H111 Центральная сигнальная лампа
- H162 Предупредительный зуммер
- P101 Тахометр
- P106 Индикатор температуры охлаждающей воды
- P107 Часы
- P116 Индикация давления наддува
- P118 Индикация скорости
- P119 Индикация пробега в километрах
- P120 Индикация суточного пробега
- V846 Группа диодов зуммера приборного щитка
- V847 Диод зуммера приборного щитка
- V848 Диод зуммера приборного щитка
- X2047 Штекерное соединение - Тахограф
- X2544 Распределитель потенциала 21-полюсного К-кабеля
- X3015 Штекерное соединение - приборный щиток 3
- X3443 Штекерное соединение - интерфейс 1 кузова (главная приборная панель)
- X3679 Штекерное соединение - I-CAN
|
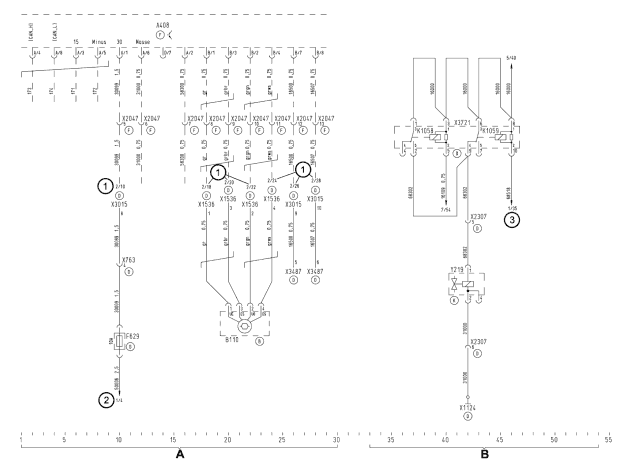
A = тахограф / B = регулятор рулевой колонки с HSB/FSB

- A408 Тахограф
- B110 Импульсный датчик тахографа
- F629 Предохранитель клемма 30, электропитание Тахограф
- K1058 Реле регулятора рулевой колонки со стояночным тормозом
- K1059 Реле регулятора рулевой колонки с остановочным тормозом
- X763 Штекерное соединение - электрический основной выключатель аккумуляторной батареи
- X1124 Точка массы на главной коммутационной панели
- X1536 Штекерное соединение - тахограф
- X2047 Штекерное соединение - тахограф
- X2307 Штекерное соединение - стояночный тормоз
- X3015 Штекерное соединение - приборный щиток 3
- X3487 Штекерное соединение - интерфейс 1 кузова (главная приборная панель)
- X3721 Колодка реле K1058, K1059
- Y219 Клапан ТНВД регулятора рулевой колонки
|
A = сигнал / B = дверь открыта

- A100 Электрическая бортовая сеть
- A302 Центральный процессор 2
- F375 Предохранитель кабины снаружи (клемма 15)
- H102 Звуковой сигнал
- S108 Переключатель на рулевой колонке (указатель поворота, стеклоочиститель и фары)
- X1124 Точка массы на главной коммутационной панели
- X1550 Штекерное соединение - передняя часть, правая
- X2430 Штекерное соединение - выключатель на рулевой колонке / замок зажигания
- X3487 Штекерное соединение - интерфейс 1 кузова (главная приборная панель)
|
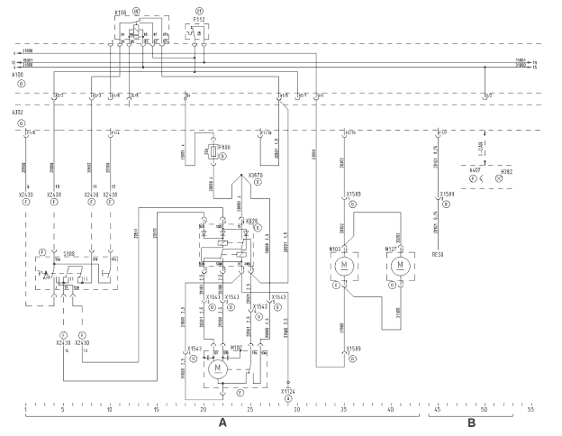
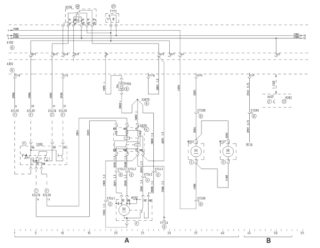
A = система стеклоочистителя и стеклоомывателя / B = проверка моечной воды

- A100 Электрическая бортовая сеть
- A302 Центральный процессор 2
- A407 Приборная панель
- F112 Предохранитель стеклоочистителя / стеклоомывателя
- F606 Предохранитель системы стеклоочистителя и стеклоомывателя (нагрузочное реле)
- H382 Контрольная лампа уровня жидкости для омывателя
- K106 Реле импульса стеклоочистителя
- K828 Нагрузочное реле стеклоочистителя
- M102 Электродвигатель стеклоочистителя
- M103 Насос стеклоомывателя
- M127 2. Насос стеклоомывателя
- RES6 Вставить запасной провод в кабельный жгут
- S108 Переключатель на рулевой колонке (указатель поворота, стеклоочиститель и фары)
- X1124 Точка массы на главной коммутационной панели
- X1543 Штекерное соединение - двигатель стеклоочистителя
- X1589 Штекерное соединение - насос стеклоомывателя
- X2430 Штекерное соединение - выключатель на рулевой колонке / замок зажигания
- X3670 Обжимное соединение кабеля 20000
|
A = переключение света / B = проверка освещения

- A100 Электрическая бортовая сеть
- A302 Центральный процессор 2
- A407 Приборная панель
- F534 Предохранитель переключателя света
- H383 Контрольная лампа проверки освещения
- S111 Переключатель света
- S329 Клавишный выключатель проверки освещения
- X3013 Штекерное соединение - приборный щиток 1
|
A = стояночное освещение слева / B = запасные кабели для штепсельной розетки прицепа

- A100 Электрическая бортовая сеть
- A187 Фара слева
- A189 Задний габаритный фонарь слева
- A302 Центральный процессор 2
- E109 Подфарник слева
- E115 Габаритный фонарь спереди слева
- E117 Габаритный фонарь сзади слева
- E119 Задний габаритный фонарь слева
- E121 Фонарь освещения номерного знака слева
- F117 Предохранитель стояночного заднего габаритного фонаря слева
- K116 Реле стояночного заднего габаритного фонаря
- X105 Штекерное соединение - основной кабельный жгут-главная приборная панель
- X395 Штекерное соединение - габаритные и внутренние фонари слева и справа
- X987 Штекерное соединение - основной кабельный жгут-задняя часть
- X1545 Штекерное соединение - передняя часть, левая
- X1586 Штекерное соединение - соединение штепсельной розетки прицепа 1
- X1587 Штекерное соединение - соединение штепсельной розетки прицепа 2
- X1925 Штекерное соединение - задний жгут-приборная плата
- X3018 Штекерное соединение - задние фонари вверху слева
- X3438 Масса клеммной панели X3477, перемычка 1 и 6 в ящике задней части
|
A = стояночное освещение справа

- A100 Электрическая бортовая сеть
- A188 Фара справа
- A190 Задний габаритный фонарь справа
- A302 Центральный процессор 2
- E108 Подфарник справа
- E114 Габаритный фонарь спереди справа
- E116 Габаритный фонарь сзади справа
- E118 Задний габаритный фонарь справа
- E120 Фонарь освещения номерного знака справа
- F118 Предохранитель стояночного заднего габаритного фонаря справа
- X105 Штекерное соединение - основной кабельный жгут-главная приборная панель
- X395 Штекерное соединение - габаритные и внутренние фонари слева и справа
- X987 Штекерное соединение - основной кабельный жгут-задняя часть
- X1550 Штекерное соединение - передняя часть, правая
- X1586 Штекерное соединение - соединение штепсельной розетки прицепа 1
- X1925 Штекерное соединение - задний жгут-приборная плата
- X3018 Штекерное соединение - задние фонари вверху слева
- X3438 Масса клеммной панели X3477 перемычка 1 и 6 в ящике задней части
|
A = световой сигнал / B = ближний свет, дальний свет / C = поисковый прожектор

- A100 Электрическая бортовая сеть
- A187 Фара слева
- A188 Фара справа
- A302 Центральный процессор 2
- A407 Приборная панель
- E110 Ближний свет справа
- E111 Ближний свет слева
- E112 Дальний свет справа
- E113 Дальний свет слева
- F125 Предохранитель прожектора
- H129 Контрольная лампа дальнего света
- S108 Переключатель на рулевой колонке (указатель поворота, стеклоочиститель и фары)
- X1545 Штекерное соединение - передняя часть, левая
- X1550 Штекерное соединение - передняя часть, правая
- X2430 Штекерное соединение - выключатель на рулевой колонке / замок зажигания
- X2542 Распределитель потенциала 21-полюсного кабеля 58000
- X3015 Штекерное соединение - приборный щиток 3
- X3443 Штекерное соединение - интерфейс 1 кузова (главная приборная панель)
|
A = задний противотуманный фонарь / B = переключение противотуманной фары/задних противотуманных фар / C = противотуманная фара/дополнительный дальний свет

- A100 Электрическая бортовая сеть
- A189 Задний габаритный фонарь слева
- A190 Задний габаритный фонарь справа
- A302 Центральный процессор 2
- A407 Приборная панель
- A438 Световая полоса справа
- A439 Световая полоса слева
- E122 Противотуманная фара справа
- E123 Противотуманная фара слева
- E124 Противотуманная задняя фара справа
- E125 Противотуманная задняя фара слева
- E194 Фара дальнего света справа
- E195 Фара дальнего света слева
- S483 Комбинация переключателя/клавишного выключателя противотуманной фары/противотуманной задней фары
- X105 Штекерное соединение - основной кабельный жгут-главная приборная панель
- X987 Штекерное соединение - основной кабельный жгут-задняя часть
- X1545 Штекерное соединение - передняя часть, левая
- X1550 Штекерное соединение - передняя часть, правая
- X1587 Штекерное соединение - соединение штепсельной розетки прицепа 2
- X3014 Штекерное соединение - приборный щиток 2
|
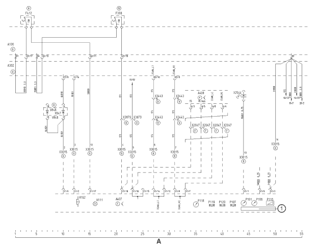
A = сигнал торможения / B = фара заднего хода / C = масса прицепа / D = выключатель аварийного сигнала/выключатель аварийной световой сигнализации

- A100 Электрическая бортовая сеть
- A189 Задний габаритный фонарь слева
- A190 Задний габаритный фонарь справа
- A302 Центральный процессор 2
- E102 Фара заднего хода справа
- E103 Фара заднего хода слева
- F314 Предохранитель фары заднего хода
- F535 Предохранитель переключателя аварийного светового сигнала
- H112 Сигнал торможения справа
- H113 Сигнал торможения слева
- H114 Дополнительный сигнал торможения справа вверху
- H115 Дополнительный сигнал торможения слева вверху
- K250 Реле фары заднего хода
- S108 Переключатель на рулевой колонке (указатель поворота, стеклоочиститель и фары)
- S109 Переключатель системы аварийной световой сигнализации
- X105 Штекерное соединение - основной кабельный жгут-главная приборная панель
- X987 Штекерное соединение - основной кабельный жгут-задняя часть
- X1586 Штекерное соединение - соединение штепсельной розетки прицепа 1
- X1587 Штекерное соединение - соединение штепсельной розетки прицепа 2
- X1627 Штекерное соединение - фонарь заднего хода
- X1925 Штекерное соединение - задний жгут-приборная плата
- X2430 Штекерное соединение - выключатель на рулевой колонке / замок зажигания
- X2678 Штекерное соединение - сигнал торможения
- X3013 Штекерное соединение - приборный щиток 1
- X3018 Штекерное соединение - задние фонари вверху слева
- X3128 Колодка реле K250, K609
- X3438 Масса клеммной панели X3477, перемычка 1 и 6 в ящике задней части
- X3443 Штекерное соединение - интерфейс 1 кузова (главная приборная панель)
|
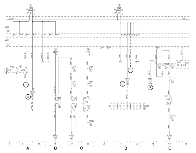
A = мигающий указатель поворота

- A100 Электрическая бортовая сеть
- A189 Задний габаритный фонарь слева
- A190 Задний габаритный фонарь справа
- A302 Центральный процессор 2
- A407 Приборная панель
- A438 Световая полоса справа
- A439 Световая полоса слева
- H119 Контрольная лампа указателя поворота прицепа
- H120 Указатель поворота спереди справа
- H121 Указатель поворота спереди слева
- H122 Указатель поворота сзади справа
- H123 Указатель поворота сзади слева
- H124 Указатель поворота сбоку справа
- H125 Указатель поворота сбоку слева
- H126 Указатель поворота в задней части справа вверху
- H127 Указатель поворота в задней части слева вверху
- H380 Контрольная лампа указателя поворота автомобиля-тягача справа
- H381 Контрольная лампа указателя поворота автомобиля-тягача слева
- X105 Штекерное соединение - основной кабельный жгут-главная приборная панель
- X513 Штекерное соединение - габаритный боковой фонарь
- X514 Штекерное соединение - габаритный боковой фонарь
- X987 Штекерное соединение - основной кабельный жгут-задняя часть
- X1124 Точка массы на главной коммутационной панели
- X1545 Штекерное соединение - передняя часть, левая
- X1550 Штекерное соединение - передняя часть, правая
- X1586 Штекерное соединение - соединение штепсельной розетки прицепа 1
- X3018 Штекерное соединение - задние фонари вверху слева
|
A = диагностика / B = EK-отключение / C = температура трансмиссионного масла / D = генератор 1 / E = генератор 2 / F = включение стартера / G = фильтр CRT / H = система подогрева топливного фильтра/ I = запасные трубопроводы

- A302 Центральный процессор 2
- X104 Штекерное соединение - основной кабельный жгут-приборная плата 1
- X200 Штекерное соединение - Диагностика
- X267 Штекерное соединение - главная приборная панель-основной кабельный жгут
- X270 Штекерное соединение - приборная плата 1 - генератор
- X404 Штекерное соединение - коробка передач
- X1549 Штекерное соединение - двигатель/EDC/коробка передач I
- X1551 Штекерное соединение - двигатель/EDC/коробка передач II
- X1553 Штекерное соединение - двигатель/EDC/коробка передач IV
- X2544 Распределитель потенциала 21-пол. К-кабеля
- X2711 Штекерное соединение - система подогрева топливного фильтра
- X2786 Штекерное соединение - адаптация фильтра CRT системы фильтров
- X3014 Штекерное соединение - приборный щиток 2
- X3090 Штекерное соединение - диагностика K-кабеля центрального процессора (ZBRO)
- X3343 Штекерное соединение - двигатель/EDC 1
- X3344 Штекерное соединение - двигатель/EDC 2
- X3443 Штекерное соединение - интерфейс 1 кузова (главная приборная панель)
- X3487 Штекерное соединение - интерфейс 1 кузова (главная приборная панель)
|