Тренинг персонала по КП AS-Tronic MAN

СОДЕРЖАНИЕ
- Электрооборудование
- Содержание
- Сокращения
- Общая информация
- Правила техники безопасности
- Описание системы
- Конструкция AS-Tronic
- Преимущества AS-Tronic
- Структура (электрическая)
- Функции
- Коробка передач AS-Tronic
- Электронный блок управления
- Датчик частоты вращения
- Привод сцепления (сервопривод)
- Переключатель на рулевой колонке
- Переключатель диапазона изменения передаточного отношения
- Дисплей
- Интерфейсы к другим системам
- Функциональное описание
- Электронный блок управления
- Привод сцепления (сервопривод)
- Датчик частоты вращения
- Кабельный жгут
- Переключатель на рулевой колонке
- Переключатель диапазона изменения передаточного отношения
- Реле фонаря заднего хода
- Описание компонентов
- Модуль переключения
- Электронный блок управления
- Привод сцепления (сервопривод)
- Датчик частоты вращения
- Переключатель на рулевой колонке
- Переключатель диапазона изменения передаточного отношения
- Электрические схемы
- Содержание
- Руководство по использованию электрических схем
- Краткий обзор AS-Tronic (TG-A)
- Краткий обзор AS-Tronic (R02/R03)
- Электрическая схема AS-Tronic (12 передач) (TG-A)
- Электрическая схема AS-Tronic (16 передач) (TG-A)
- Электрическая схема модуля привода AS-Tronic (R02/R03)
- Электрическая схема AS-Tronic (R02/R03)
- Диагностика
- Диагностическая розетка
- Код сбоя
- Функции диагностической системы
- Индикация неисправности
- Аварийные функции
- Бортовая диагностика
- Перечень сбоев (коды SPN)
- Описание кода сбоя (SPN)
- Системная структура K-кабелей

Конструкция AS-Tronic
AS-Tronic представляет собой систему привода транспортных средств для перевозки грузов и пассажиров, оснащенных электронной системой регулирования впрыска дизельного топлива (EDC).
Основной тенденцией автомобилестроения в настоящее время является улучшение комфортности
обслуживания, иными словами - создание различных систем для усиления привода переключения.
Механическая часть коробок передач оснащается такими дополнительными компонентами, как рабочие
цилиндры, клапаны и датчики (расширительные конструктивные решения add-on).
Следующий этап предусматривает интеграцию этих систем с блоками управления, которые могут управлять переключением в полном или частичном автоматическом режиме.
Преселекторный выбор передачи передается водителем на блок управления через переключатель на
рулевой колонке/переключатель диапазона изменения передаточного отношения. Блок управления
соотносит команду водителя с другими входящими параметрами и затем передает уставку передачи на
клапаны сервоцилиндра в качестве электрических сигналов.
Клапаны осуществляют пневматическое управление рабочими цилиндрами.
Датчики сообщают блоку управления позиции штока вилки переключения или валов в коробке передач.
Система электронного управления коробкой передач AS-Tronic представляет собой сочетание
электропневматической коробки передач с автоматическим сцеплением.
Все функции коробки передач и компоненты интегрированы в единый узел, что позволило отказаться от большей части всех электрических и пневматических соединений и кабелей.
Кроме преселекторного выбора передачи электронный блок управления осуществляет управление
сцеплением. Переключение передачи облегчается при помощи системы EDC (дозированное частичное открытие дроссельной заслонки).
В ручном режиме преселекторный выбор передачи осуществляется водителем через переключатель на
рулевой колонке и переключатель диапазона изменения передаточного отношения.
В автоматическом режиме водитель пользуется только педалью газа или тормоза. Система осуществляет переключение передач в автоматическом режиме.
Благодаря автоматическому сцеплению, водителю больше не требуется выжимать сцепление. Переключение передач дополнительно облегчается электронным переключателем на рулевой колонке.
Этот переключатель на рулевой колонке обслуживается с минимальным усилием, иными словами, в
полуавтоматическом режиме от водителя требуется только выбор передачи.
Непосредственно процесс переключения выполняется электронной системой управления коробкой передач, причем неправильные переключения передач, которые могут привести к повреждению автомобиля, автоматически предотвращаются системой.
Водитель имеет возможность выбора как полуавтоматического, так и полностью автоматического управления автомобилем. При полностью автоматическом режиме выбор передачи происходит автоматически, причем водитель имеет возможность вмешаться в работу системы. Через дисплей, который находится на приборной панели, водитель получает всю необходимую системную информацию, как, например, включенная передача, переключение передачи, перегрузка сцепления и информация диагностики.
Система управления коробкой передач AS-Tronic отличается высоким уровнем интеграции своих
компонентов.
В систему интегрированы блок управления для электронного управления коробкой передач, привод
сцепления (сервопривод), трансмиссионный тормоз (интардер), магнитные клапаны, датчики перемещения и датчик частоты вращения.
Преимущества системы AS-Tronic
- Увеличение надежности за счет интеграции компонентов
- Сокращение издержек на логистику и сервис
- Оптимальное управление автомобилем через шину CAN
- Постоянный электронный контроль и информация о состоянии системы для водителя на дисплее
- В сочетании с трансмиссионным тормозом ZF, высокая эффективность торможения
- Не требующее усилий переключение передач переключателем на рулевой колонке
- Простые трогание с места и маневрирование - в том числе на уклоне
- Быстрое и мягкое переключение передачи в любой дорожной ситуации
- Неправильные команды - например, неправильные переключения передач и связанная с ними
недопустимая частота вращения двигателя - не исполняются
- Водитель сам принимает решение о ручном или автоматическом режиме переключения передач
- Отсутствие системы тяг и рычагов
- Улучшенная экономичность
- Повышенная безопасность движения
- Экономия топлива
- Малошумная коробка передач
- Оптимальный КПД
- Сокращенный износ сцепления
- Продолжительные интервалы замены масла
- Малый вес коробки передач
- Простой поиск неисправностей благодаря внутрисистемной регистрации сбоев и диагностике
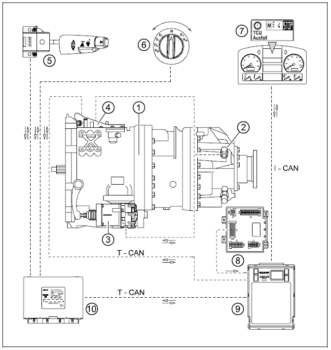
Структура (электрика)
- TG-A

1 Коробка передач
2 Датчик частоты вращения
3 Привод сцепления (сервопривод)
4 Модуль переключения со встроенным электронным блоком управления (A330)
5 Переключатель на рулевой колонке режима поддержания постоянной скорости Tempomat/коробки передач (A429)
6 Переключатель диапазона изменения передаточного отношения коробки передач (A434)
7 Дисплей (на приборной панели A407)
8 Центральный бортовой компьютер (A302)
9 Управляющий процессор автомобиля (A403)
T-CAN Шина данных трансмиссии
I-CAN Шина данных CAN приборной панели
R02/R03

1 Коробка передач
2 Датчик частоты вращения
3 Привод сцепления (сервопривод)
4 Модуль переключения со встроенным электронным блоком управления (A330)
5 Переключатель на рулевой колонке режима поддержания постоянной скорости Tempomat/коробки передач (A429)
6 Переключатель диапазона изменения передаточного отношения коробки передач (A434)
7 Дисплей (на приборной панели A407)
8 Мультиплексный узел блоков управления 1.3 (A413)
9 Центральный бортовой компьютер (A302)
10 Управляющий процессор автомобиля (A403)
T-CAN Шина данных трансмиссии
I-CAN Шина данных CAN приборной панели
Функции
Переключение передач
Для исполнения переключения передач сцепление автоматически открывается и закрывается.
При переключении на нижнюю передачу сцепление также срабатывает, чтобы создать в коробке
передач синхронную частоту вращения через систему адаптации частоты вращения двигателя.
Для переключения передач через системный интерфейс на электронную систему управления впрыском
дизельного топлива (EDC) проводится регулирование объема впрыска топлива.
Система переключения
При переключении передач водитель через переключатель на рулевой колонке (А429)/переключатель
диапазона изменения передаточного отношения (A434) сам определяет момент переключения
передачи, а также диапазон переключения передачи.
Если требуется переключение в более широком диапазоне, при помощи функции поиска водитель
может включить передачу, подходящую к скорости движения автомобиля. Двигатель может
эксплуатироваться по выбору в экономичном или мощностном диапазоне частоты вращения.
Диагностика
Если во время эксплуатации система обнаружит сбои, в том числе спорадические, сбои и параметры
окружения (серьезность сбоя) записываются в память регистратора неисправностей электронного блока
управления (A330).
Водитель получает информацию об установленном сбое через дисплей на приборной панели (A407).
Блокировка стартера
Запуск двигателя возможен только в том случае, если коробка передач находится в положении "N"
(нейтральная передача).
Электрическая цепь стартера соединена с контактором нейтральной передачи, что не позволяет запуск
двигателя на включенной передаче.
При остановке двигателя коробка передач автоматически переключается на нейтральную передачу "N".
Парковка автомобиля на включенной передаче невозможна.
Защита двигателя от превышения допустимой частоты вращения
Автоматические функции переключения коробки передач предотвращают превышение максимально
допустимой частоты вращения двигателя.
Система не выполняет переключения на нижнюю передачу, при которых возможно превышение
максимально допустимой частоты вращения двигателя.
Защитные функции
Ошибочно затребованное водителем переключение передачи, которое может повлечь за собой
критические для безопасности движения ситуации, а также повреждение двигателя или коробки
передач, подавляется или корректируется системой управления коробкой передач.
Аварийное переключение передач
Устройство аварийного переключения коробки передач предусмотрено на случай отказа переключателя
на рулевой колонке/переключателя диапазона изменения передаточного отношения.
Устройство не включается автоматически, а должно быть активировано водителем. При помощи
отдельного переключателя диапазона изменения передаточного отношения устройства аварийного
переключения коробки передач можно включать передачи "2", "5", "N" (нейтральная передача) и
медленную передачу "R".
При отказе пневматической системы система может переключать коробку передач до тех пор, пока в
ресивере находится достаточное количество сжатого воздуха.
Если давление воздуха снижается, водитель получает предупреждение на дисплее приборной панели
(A407) в виде "AL" (Airless = недостаток воздуха). В случае необходимости пневматическая система
может быть снова запитана сжатым воздухом от постороннего источника.
При наличии неисправностей в коробке передач автомобиль не может эксплуатироваться при
следующих условиях:
- Прерывание питающего напряжения в автомобиле
- Недостаток сжатого воздуха
- Полный отказ электронного узла управления, блок управления
- Отказ водительского интерфейса и отказ устройства аварийного переключения передач
- Отказ центрального отключающего воздушного клапана в системе управления коробкой передач
- При механических дефектах коробки передач (отсутствие сквозного привода)
Внимание!
Во время стоянки автомобиля с работающим двигателем и включенной передачей автомобиль может
начать движение при нажатии педали газа!
Перед покиданием автомобиля с работающим двигателем следует переключить коробку передач на
нейтральную передачу и поставить автомобиль на стояночный тормоз.
Компоненты
Коробка передач AS-Tronic
AS-Tronic представляет собой коробку передач с делителем.
Коробки передач AS-Tronic состоят из 4-скоростного блока в исполнении 16 передач (16 AS 2601) или
3-скоростного блока в исполнении 12 передач (12 AS 2301) и в исполнении 10 передач (10 AS 2301),
а также переднего делителя (GV) и подключенного заднего делителя (GP) планетарной конструкции.
Задний делитель
Задний делитель удваивает 4 ступени коробки передач переднего хода в исполнении 16 передач до
8 или 3 ступени коробки передач переднего хода в исполнении 12 передач и 10 передач до 6.
Задний делитель синхронизирован.
Передний делитель
При помощи переднего делителя количество переключений этих 8 или 6 ступеней можно удвоить еще
раз. Таким образом, в распоряжении водителя имеются в общей сложности 16 или 12 ступеней
переднего хода и соответственно 2 ступени заднего хода. Для автобусов предусмотрены 10 ступеней
переднего хода и 1 ступень заднего хода. Передний делитель синхронизирован.
Коробка передач AS-Tronic выполнена с 2-мя промежуточными валами, а 4 (3)-скоростной блок коробки передач выполнен с кулачковым включением.
Синхронизация осуществляется через EDC (электронная система управления впрыском дизельного
топлива) и трансмиссионный тормоз.
Передаваемая двигателем мощность равномерно распределяется через ведущий вал на оба промежуточных вала и возвращается в соответственно включенной через "кулачки" передаче на коренной вал.
Отбор мощности происходит в медленном диапазоне коробки (например, при коробке 16-передач на
передачах 1 - 8) через задний делитель (GP), в быстром диапазоне коробки (например, при коробке
16-передач на передачах 9 - 16) непосредственно к фланцу ведомого вала.
Коробка передач AS-Tronic может быть оборудована трансмиссионным тормозом/тормозом-
замедлителем.
Электронный блок управления (A330)
Электронный блок управления управляет и осуществляет контроль за функциями коробки передач
AS-Tronic.
В блоке управления регистрируются различные параметры работы автомобиля, коробки передач и
сцепления, которые преобразуются им в сигналы для инициации коробки передач, сцепления и
периферийных устройств автомобиля.
Блок управления (A330) находится на картере коробки. Передача данных к другим системам
осуществляется через шину данных CAN "Трансмиссия" (T-CAN).
Блок управления запрограммирован по принципу EOL (End Of Line). Дополнительно к введенным
параметрам производителя системы производитель автомобиля вводит по окончании производства
дополнительные специфические параметры.
Введенные параметры могут быть проверены и, в случае необходимости, изменены при помощи
диагностической системы MAN-cats.
Модуль переключения, где интегрирован электронный блок управления, используется для переключения коробки передач и предназначен для быстрого выбора передачи, соответствующей требованиям текущей дорожной ситуации.
Электропневматическое управление модуля переключения передач осуществляется через
пневматические вспомогательные магнитные клапаны, которые в свою очередь управляются от блока
управления.
Фактическое состояние коробки передач определяется сенсорами. Замер частоты вращения на входе
коробки передач осуществляется через интегрированный в модуле переключения датчик частоты
вращения.
Наряду с управлением коробкой передач, модуль переключения также осуществляет управление
сервоприводом сцепления для включения сцепления.
Датчик частоты вращения
Датчик частоты вращения проверяет в ручном режиме возможность включения выбранной передачи без подвергания двигателя работе на недопустимо высокой или низкой частоте вращения. Частота вращения ведомого вала коробки передач определяется на основании сообщения TCO 1 шины данных CAN "Трансмиссия" (T-CAN). Частота вращения воспринимается датчиком частоты вращения как сигнал.
Привод сцепления (сервопривод)
Для привода автоматического сцепления используется привод сцепления (также называемый
сервоприводом), задачами которого являются открытие сцепления, закрытие сцепления и одновременно
замер хода расцепления.
При этом имеется возможность настройки различных параметров скорости работы сцепления. Привод
сервоцилиндра происходит пневматически.
Цилиндр позиционируется 4 магнитными клапанами. Для открытия и закрытия сцепления используются по 2 клапана.
4 магнитных клапана непосредственно управляются блоком управления. Настройка различных параметров скорости происходит благодаря модулированному управлению клапанами.
Переключатель на рулевой колонке (A429)
Управление коробкой передач AS-Tronic осуществляется через переключатель на рулевой колонке или
переключатель диапазона изменения передаточного отношения (A434).
Переключение передач осуществляется касанием переключателя на рулевой колонке. Переключатель
на рулевой колонке не функционирует, если переключатель диапазона изменения передаточного
отношения находится в положении "N". В переключателе на рулевой колонке интегрирован светодиод
для регулирования скорости (FGR) и ограничения скорости (FGB).
При стоянке автомобиля можно:
- Включить нейтральную передачу (N)
- Откорректировать передачу для трогания с места макс. D5 на 10 AS 2301 (10 передач)
на 12 AS 2301 (12 передач)
макс. D7 на 16 AS 2601 (16 передач)
При движении автомобиля можно:
- Выбрать нейтральную передачу (N), или
- Выбрать уровень автоматики (автоматический/ручной режим), или
- Осуществлять переключения
Датчик частоты вращения в ручном режиме проверяет перед переключением передачи возможность включения выбранной передачи без подвергания двигателя работе на недопустимо высокой или низкой частоте вращения.
Управление переключателем на рулевой колонке

Указание:
После каждого переключения переключатель на рулевой колонке снова отпружинивает в свою исходную позицию.
Переключатель диапазона изменения передаточного отношения (A434)
Коробка передач AS-Tronic управляется через переключатель диапазона изменения передаточного
отношения или переключатель на рулевой колонке (A429).
В автоматическом режиме во время движения автомобиля функции переключателя диапазона
изменения передаточного отношения не работают за исключением переключения в положение "N"
(нейтральная передача).
В переключателе диапазона изменения передаточного отношения установлен светодиод для ночной
подсветки.
При стоянке автомобиля можно:
- Включить нейтральную передачу (N)
- Выбрать направление движения (D = вперед; автоматический/ручной режим и R = назад)
- Выбрать передачу для трогания с места D1 - D5 на 10 AS 2301 (10 передач)
на 12 AS 2301 (12 передач)
D1 - D7 на 16 AS 2601 (16 передач)
- Выбрать маневровый режим (DM, RM)
Параметры выбранных позиций передаются на электронный блок управления (A330).
Если автомобиль останавливается, а переключатель диапазона изменения передаточного отношения
установлен на прежнее направление движения, на электронный блок управления посылается сигнал
нейтрального положения (N) коробки передач.
Если автомобиль останавливается, а управляющий процессор автомобиля (A403) получает от блока
управления сигнал включения передачи, то эта передача сравнивается с выбранной передачей для
трогания с места. Управляющий процессор автомобиля выбирает наименьшую из двух передач и
передает сигнал дальше на электронный блок управления.
В ручном режиме при переключении в нейтральное положение или на другое направление движения
управляющий процессор автомобиля (A403) всегда должен запомнить прежнее направление движения.
Если снова повернуть переключатель диапазона изменения передаточного отношения в прежнюю
позицию, система снова включит подходящую скорость.
Переключатель диапазона изменения передаточного отношения: 10 AS 2301 (10 передач)
12 AS 2301 (12 передач)

Переключатель диапазона изменения передаточного отношения: 16 AS 2601 (16 передач)

Дисплей
Дисплей интегрирован в приборной панели (A407). На дисплей выводится вся информация для
водителя и сервисных центров.
Вид дисплея

Электронный блок управления (A330)
Электропитание (клемма напряжения 30) осуществляется от центрального распределительного устройства (A100). Интегрированный в модуле переключения блок управления обрабатывает входящие сигналы, которые он получает через датчик частоты вращения, сенсор перемещения и шину данных "Трансмиссия" (T-CAN). При включении зажигания (напряжение клемма 15) электронный блок управления проверяет положение сцепления, управляет 4 магнитными клапанами в сервоприводе сцепления и контролирует ход расцепления через интегрированный в блоке датчиков датчик перемещения.
Блок управления проверяет выбор передачи. Входящие сигналы от переключателя на рулевой колонке
(A429) или переключателя диапазона изменения передаточного отношения (A434) обрабатываются
управляющим процессором автомобиля (A403) и преобразуются в формат шины передачи данных. Оттуда сигналы поступают через шину данных CAN (T-CAN) на центральный бортовой компьютер (A302), и затем центральный бортовой компьютер информирует блок управления. Выдача сигнала происходит через T-CAN (шина трансмиссии).
При возникновении сбоев записанные в память регистратора неисправностей электронного блока
управления коды неисправностей могут быть считаны через диагностический K-кабель при помощи
компьютерной диагностической системы MAN-cats II.
Штекерная разводка контактов
(объем производителя автомобиля)

Приводимая ниже разводка контактов задокументирована в электрической схеме.
(20-полюсное резьбовое/штекерное соединение)

Вся информация в высоком качестве - в