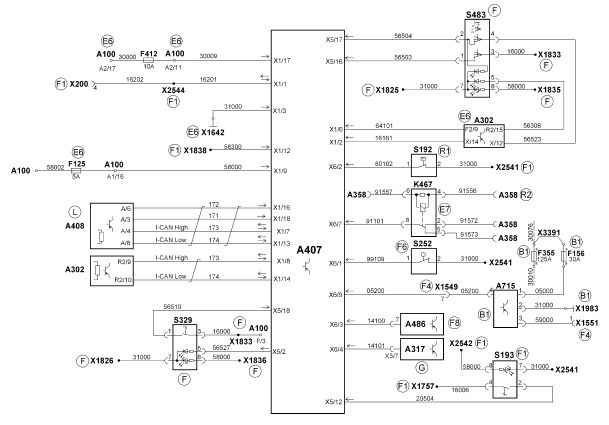
Приборная панель TGA
Baseline
A100 Центральная электрическая сеть
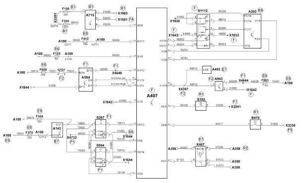
A407 Приборная панель
A715 Система подогрева топливного фильтра – PTC
F125 Предохранитель подсветки приборов, переключателей и вспомогательного освещения
F156 Предохранитель системы подогрева топливного фильтра
F355 Главный предохранитель 30-2
F398 Предохранитель тахоспидографа, приборной панели (клемма 15)
F412 Предохранитель тахоспидографа, приборной панели (клемма 30)
K467 Реле грузоподъемного борта
S192 Переключатель индикации опрокидывающего механизма
S483 Комбинированный выключатель/кнопка противотуманной фары/противотуманной задней фары
X200 Разъем диагностики (MAN-cats)
X744 Штекерное соединение Кабина – грузовой борт с подъемником
X1551 Штекерное соединение Двигатель/EDC/коробка передач II
X1559 Штекерное соединение Двигатель/EDC/коробка передач I
X1642 Точка массы кабины позади приборного щитка
X1644 Точка массы кабины рядом с центральной электрической сетью
X1825 Обжимное соединение провода 31000
X1833 Обжимное соединение провода 16000
X1835 Обжимное соединение провода 58000
X1838 Обжимное соединение провода 58300
X1983 Шпилька с резьбой по всей длине M6 (коробка MP)
X2541 Распределитель потенциалов 21-контактного провода 31000
X2544 Распределитель потенциалов 21-контактного К-провода
X3186 Штекерное соединение Грузоподъемная платформа
X3391 Перемычка провода 30076 (блок MP)
B1 Место установки двигателя
E6 Место установки сектора центральной электрической сети
E7 Место установки салазок блоков управления
F Место установки приборной панели
F1 Место установки средней части
F4 Место установки передка внутри слева
F5 Место установки передка внутри справа
R1 Место установки передней части рамы
A100 Центральная электрическая сеть
A143 Блок управления ECAS
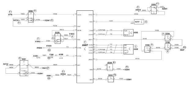
A302 Центральный компьютер 2
A317 Блок управления выключателем аккумуляторной батареи, аварийное отключение аккумуляторной батареи
A407 Приборная панель
A408 Тахоспидограф
A486 Блок управления подушки безопасности
F366 Предохранитель ECAM/ECAS (клемма 15)
S193 Кнопка очистителя фар
S252 Переключатель в замке ремня безопасности водителя
S266 Переключатель ECAS для поднятия/опускания заднего поддерживающего/переднего поддерживающего моста
S267 Кнопка ECAS системы поддержки при трогании с места
S329 Кнопка адаптивного контроля осветительных приборов
S472 Выключатель ECAS уровня I/II
S747 Кнопка ECAS системы поддержки при трогании с места для эксплуатации в условиях севера
S790 Кнопка ECAS для поднятия/опускания заднего поддерживающего/переднего поддерживающего моста для эксплуатации в условиях севера
X1757 Паяное соединение провода 16006
X1809 Штекерное соединение ECAS (клемма 15)
X1826 Обжимное соединение провода 31000
X1833 Обжимное соединение провода 16000
X1836 Обжимное соединение провода 58000
X2541 Распределитель потенциалов 21-контактного провода 31000
X2542 Распределитель потенциалов 21-контактного провода 58000
E6 Место установки сектора центральной электрической сети
F Место установки приборной панели
F1 Место установки средней части
F6 Место установки сиденья водителя
F8 Место установки консоли коробки передач
G Место установки отсека аккумуляторной батареи
L Место установки потолка/крыши
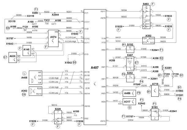
Highline
A100 Центральная электрическая сеть
A148 Радиоприемник/кассетный проигрыватель
A302 Центральный компьютер 2
A407 Приборная панель
A574 Устройство управления MMI (информационное меню человек-машина)
A635 Truck-Gate
A715 Система подогрева топливного фильтра – PTC
F125 Предохранитель подсветки приборов, переключателей и вспомогательного освещения
F398 Предохранитель тахоспидографа, приборной панели (клемма 15)
F412 Предохранитель тахоспидографа, приборной панели (клемма 30)
K467 Реле грузоподъемного борта
S192 Переключатель индикации опрокидывающего механизма
S483 Комбинированный выключатель/кнопка противотуманной фары/противотуманной задней фары
X200 Разъем диагностики (MAN-cats)
X744 Штекерное соединение Кабина – грузовой борт с подъемником
X1535 Штекерное соединение Кабина – спидограф
X1551 Штекерное соединение Двигатель/EDC/коробка передач II
X1559 Штекерное соединение Двигатель/EDC/коробка передач I
X1642 Точка массы кабины позади приборного щитка
X1644 Точка массы кабины рядом с центральной электрической сетью
X1825 Обжимное соединение провода 31000
X1833 Обжимное соединение провода 16000
X1835 Обжимное соединение провода 58000
X1983 Шпилька с резьбой по всей длине M6 (коробка MP)
X2541 Распределитель потенциалов 21-контактного провода 31000
X2544 Распределитель потенциалов 21-контактного К-провода
X3186 Штекерное соединение Грузоподъемная платформа
X3391 Перемычка провода 30076 (блок MP)
B1 Место установки двигателя
E6 Место установки сектора центральной электрической сети
E7 Место установки салазок блоков управления
F Место установки приборной панели
F1 Место установки средней части
F4 Место установки передка внутри слева
F5 Место установки передка внутри справа
R1 Место установки передней части рамы
A100 Центральная электрическая сеть
A143 Блок управления ECAS
A302 Центральный компьютер 2
A317 Блок управления выключателем аккумуляторной батареи, аварийное отключение аккумуляторной батареи
A407 Приборная панель
A408 Тахоспидограф
A486 Блок управления подушки безопасности
F366 Предохранитель ECAM/ECAS (клемма 15)
S193 Кнопка очистителя фар
S252 Переключатель в замке ремня безопасности водителя
S266 Переключатель ECAS для поднятия/опускания заднего поддерживающего/переднего поддерживающего моста
S267 Кнопка ECAS системы поддержки при трогании с места
S329 Кнопка адаптивного контроля осветительных приборов
S472 Выключатель ECAS уровня I/II
S747 Кнопка ECAS системы поддержки при трогании с места для эксплуатации в условиях севера
S790 Кнопка ECAS поднятия/опускания заднего поддерживающего/переднего поддерживающего моста для эксплуатации в условиях севера
X1757 Паяное соединение провода 16006
X1809 Штекерное соединение ECAS (клемма 15)
X1826 Обжимное соединение провода 31000
X1833 Обжимное соединение провода 16000
X1836 Обжимное соединение провода 58000
X2541 Распределитель потенциалов 21-контактного провода 31000
X2542 Распределитель потенциалов 21-контактного провода 58000
E6 Место установки сектора центральной электрической сети
F Место установки приборной панели
F1 Место установки средней части
F6 Место установки сиденья водителя
F8 Место установки консоли коробки передач
G Место установки отсека аккумуляторной батареи
L Место установки потолка/крыши







