HOWO A7 Диагностика цепей питания
(тренинг персонала)

В электрических цепях автомобиля используется однопроводная схема (для электрических устройств шасси в версии 08 используется двухпроводная схема электрооборудования). Номинальное напряжение в цепях питания составляет 24В, при этом цвета проводников кодируются прописными латинскими буквами, как это показано ниже:

Ниже приведены фрагменты принципиальных электрических схем автомобиля HOWO7C. В соответствии с этими схемами, на
них можно найти информацию по особенностям структуры электрических цепей, перечню компонентов, величинам напряжений, описанию точек подключения «массы» и т.п.

Схема электрических систем автомобиля HOWO7C

(1) «Отрицательная» клемма аккумуляторной батареи
(41) Левая точка подключения «массы» кабины
(43) Правая точка подключения «массы» кабины
A. Напряжение питания
B. Обогрев сиденья, осушитель воздуха
Типичной неисправностью автомобиля, оборудованного двигателем с электронной системой управления впрыском топлива, является нарушение пуска. Применительно к двигателю, соответствующему требованиям Euro II, что может быть наиболее частой причиной нарушения пуска? Поскольку нарушение пуска на двигателе с электронной системой управления впрыском топлива может быть вызвано повреждением не только цепей системы пуска, но также и тем обстоятельством, что блок управления двигателем не обнаруживает состояния пуска. Таким образом, система управления двигателем требует наличия целого ряда исправных электрических цепей, которые потенциально могут быть повреждены в нескольких характерных точках.
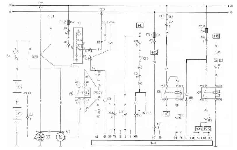
Ниже приведено описание цепей питания на автомобиле HOWO7C, которое позволяет выполнить диагностику всех их возможных неисправностей.

Схема цепей питания на автомобиле HOWO7C
Описание работы системы
a. Главный выключатель S4 управляет подачей питания на контакт 30. В результате этого питание от контакта JPA.1 правого
блока управления поступает на контакт 17 блока управления двигателем (ECU).
b. При установке выключателя зажигания S1 в положение, соответствующее пуску двигателя, от контакта JPB.4 правого блока
управления по цепи +15 напряжение питания поступает на распределительный блок. После того, как на распределитель питания
подается напряжение +15 В:
1) Активируется реле PCV – KP, при этом через его замкнутые силовые контакты на компоненты PCV1 и PCV2 подается напряжение питания.
2) Одновременно напряжение питания поступает на контакты 46 и 56 блока управления двигателем, при этом блок управления
двигателем коммутирует контакты 74 и 75 на «массу». Главное реле KE системы управления двигателем активируется, в
результате чего через его замкнутые контакты напряжение питания подается на контакт +E распределителя напряжения
питания:
• От контакта +E распределителя питания напряжение через контакт XE3.1 подается на контакты 5, 6 и 7 блока управления
двигателем.
• От контакта +E распределителя питания напряжение через контакт XE3.2 подается на контакты 35 и 76 блока управления
двигателем.
• От контакта +E распределителя питания напряжение через контакт XС1.8 подается на датчик S14 нейтрального положения
трансмиссии.
c. При установке рычага управления коробкой передач в нейтральное положение контакты датчика S14 замкнуты.
1) После контакта LS3.13 левый блок управления принимает сигнал нейтрального положения трансмиссии (высокий уровень),
а на ЖКИ - дисплее отображается символ N, свидетельствующий о нейтральном положении трансмиссии.
2) При этом, если на контакте 66 блока управления двигателем регистрируется наличие сигнала нейтрального положения
трансмиссии, контакт 42 блока управления двигателем через его внутренние цепи соединяется с «массой», в результате чего
контакт 2 реле A8 также окажется соединенным с «массой».
d. При установке выключателя зажигания S1 в 1-е положение:
1) На контакт 48 блока управления двигателем поступает сигнал пуска;
2) На контакт JPE1.3 правого блока управления поступает сигнал пуска.
3) При этом силовые контакты реле пуска А8 замкнуты.
e. На контакт 50 стартера M1 поступает напряжение питания, стартер начинает работать, в результате чего начинается процесс
пуска двигателя.
Цепи реле пуска двигателя

1. «Положительная» клемма аккумуляторной батареи
2. Выключатель электрического питания
3. «Положительная» клемма стартера
4. «Положительная» клемма генератора
5. Контакт 30 жгута проводов кабины
6. «Отрицательная» клемма аккумуляторной батареи
7. Контакт соединения стартера с «массой»
8. Контакт 50 стартера
9. Контакт реле стартера
10. Провод внутренней «массы» блока управления двигателем
Поиск причин нарушения пуска
Анализ вышеприведенной информации показывает, что причинами нарушения пуска могут быть различные факторы. К нарушениям пуска могут привести неисправности какого-либо из указанных ниже компонентов. Ниже приведены наиболее вероятные причины неисправности:
a. Обрыв или повреждение в цепи диода D3, в результате чего на клапан PCV не подается питание.
b. Обрыв или повреждение в цепи реле KP, в результате чего на клапан PCV не подается питание.
c. Обрыв или повреждение в цепи реле KP, в результате чего на блок управления двигателем не подается питание.
d. Повреждение предохранителя F1.2, F2.1, F2.5, F3.4, вызванное нарушением в электрической цепи.
e. Обрыв или повреждение в цепи датчика нейтрального положения коробки передач, в результате чего блок управления двигателем не разрешает пуска двигателя.
f. Повреждение в цепи контакта режима пуска выключателя зажигания, что обуславливает отсутствие сигнала пуска.
g. Повреждение обмотки или контакта реле пуска, в результате чего на контакт 50 стартера не поступает сигнала пуска.
h. Повреждение стартера.
i. Стартер работает, однако двигатель не запускается, например, вследствие нарушения в системе топливоподачи.
Полный мануал в