Подписчикам
"Большой энциклопедии
для автоэлектриков
и диагностов"
доступно 52 гиг. информации
по спецтехнике
KOMATSU
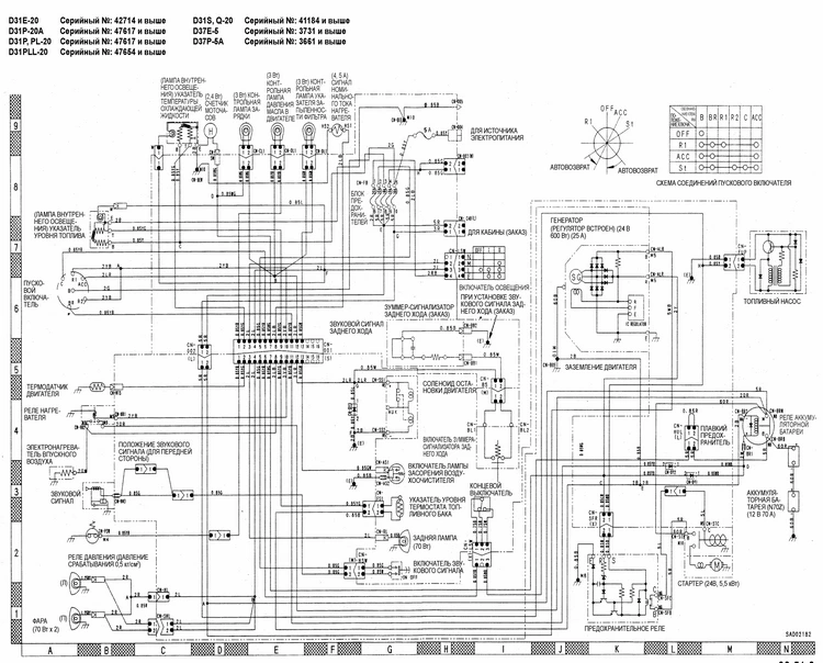
Электросхемы Komatsu D31
ДАТЧИКИ
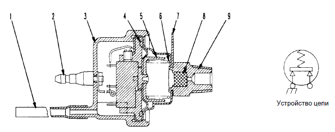
ДАТЧИК ЗАСОРЕНИЯ ВОЗДУХООЧИСТИТЕЛЯ

1. Шланг
2. Соединитель
3. Корпус
4. Диафрагма
5. Направляющая
6. Пружина
7. Клемма
8. Фильтр
9. Выступ
Назначение
• Датчик засорения воздухоочистителя установлен на выпускное отверстие воздухоочистителя, и если воздухоочиститель засорен и давление (отрицательное давление) достигает нормативного давления, то включатель перемещается диафрагмой в положение ON и загорается лампа, предупреждая о неисправности.
ДАТЧИК ДАВЛЕНИЯ МАСЛА В ДВИГАТЕЛЕ

1. Пробка
2. Контактное кольцо
3. Контакт
4. Диафрагма
5. Пружина
6. Клемма
Назначение
• Датчик давления масла в двигателе установлен на блок цилиндров двигателя. Диафрагма фиксирует давление масла, и если оно опускается ниже нормативного давления, то включатель устанавливается в положение ON и лампа загорается, предупреждая о неисправности.
ДАТЧИК ТЕМПЕРАТУРЫ ОХЛАЖДАЮЩЕЙ ЖИДКОСТИ В ДВИГАТЕЛЕ

1. Клемма
2. Пробка
3. Терморезистор
Назначение
• Датчик температуры охлаждающей жидкости в двигателе установлен на блок цилиндров двигателя. Изменение температуры выявляется по изменению сопротивления терморезистора, при этом на контрольную панель техобслуживания посылается сигнал об изменении температуры.
ДАТЧИК УРОВНЯ ТОПЛИВА

1. Поплавок
2. Переменное сопротивление
3. Кронштейн
Назначение
• Датчик уровня топлива установлен на боковой поверхности топливного бака, и поплавок перемещается вверх и вниз в соответствии с уровнем топлива. Перемещение поплавка передается через рычаг для того, чтобы задействовать переменное сопротивление и послать сигнал на контрольную панель для обозначения уровня оставшегося топлива.
Продолжение информации и в полном объеме - только в


