SHACMAN X600 EPB (электрический стояночный тормоз)

Описание системы EPB
Кнопка электрического стояночного тормоза и сигнал сбора соответственно вводятся в сигнал контроллера стоянки и информацию о состоянии автомобиля через бортовую сеть и отправляются в VCU. VCU обрабатывается в соответствии с способом управления, генерирует управляющий сигнал и отправляет его на электромагнитный клапан, где надувается и сдувается, а датчик давления определяет давление воздуха в воздушной камере и дает обратная связь о значении давления воздуха на VCU. А VCU рассчитывает и сравнивает значения давления воздуха для обеспечения надежной парковки автомобиля.
Ниже отдельно приведены несколько функций электронной системы стояночного тормоза.
Ручная парковка
Функция: реализуется и сбрасывается стояночный тормоз транспортного средства, а также аварийный тормоз транспортного средства.
Автоматическая парковка
При включении питания транспортного средства загорается индикатор по умолчанию, и функция активируется. Когда индикатор горит, нажмите один раз, индикатор гаснет, и функция будет отключена вручную.
Для автомобилей с АБС, при активации функции и нулевой скорости автомобиля рабочий тормоз включается автоматически через 3 секунды, а по истечении установленного времени (30 секунд) автоматически включается стояночный тормоз; для автомобилей с EBS, когда функция активирована и скорость автомобиля составляет нуль, по истечении установленного времени (20 секунд) он автоматически переключится на стояночный тормоз.
В процессе автоматического торможения при движении световой индикатор меняется с постоянного на мигающий.
Проверка положения прицепа
Функция: Включите переключатель определения положения прицепа, тормоз прицепа будет отпущен, но стояночный тормоз автомобиля останется, чтобы проверить, может ли эффективное торможение автомобиля поддерживаться только стояночным тормозом транспортного средства.
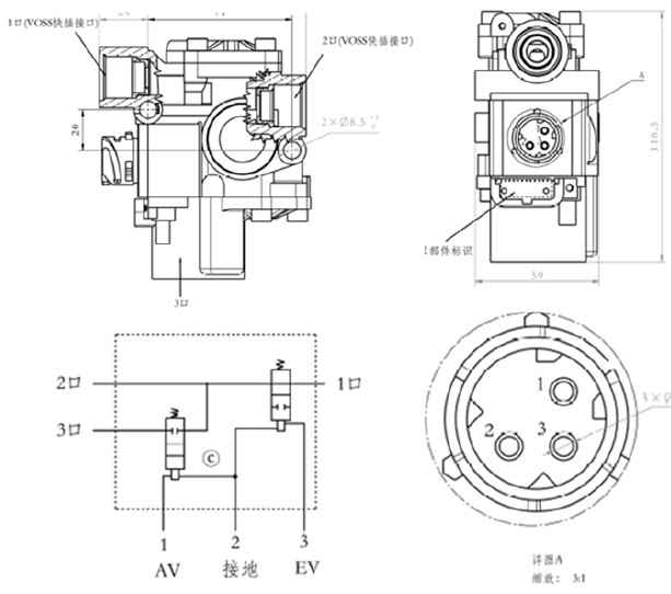
Принципиальная схема системы EPB
Принципиальная схема воздушного контура

Определение контактного вывода системы EPB

Определение контактного вывода VCU
Электронный переключатель парковки


Переключатель AUTO HOLD

Контроль прицепа и выключатель тормоза прицепа

Электромагнитный клапан ABS
Электромагнитный клапан ABS используется для автономного тормозного контура прицепа. При срабатывании функции автономного торможения прицепа электромагнитный клапан ABS регулируется таким образом, чтобы 22 порта регулирующего клапана прицепа выдавали 4 бар для автономного торможения прицепа.

Полный мануал в