TATRA ADBLUE UDA2 для блока управления двигателем TEU1






TEU-1
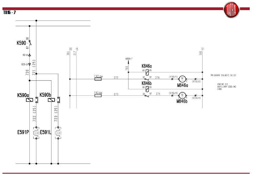
Elektronická jednotka TEU-1 je hlavní řídící jednotkou pro vzduchem chlazené motory TATRA vybavená sběrnicí CAN dle normy SAE J1939 a zapojená ve vozidle do komunikační sítě CAN.
Mezi nejdůležitější funkce jednotky TEU-1 patří:
- (zcela detailní popis funkcí- viz externí dokument TATRA TRUCKS a.s.: Řídící jednotka motoru TEU-1)
- ovládání hlavního ventilátoru chlazení
- ovládání přídavného ventilátoru chlazení (volitelná funkce)
- ovládání předehřevu nasávaného vzduchu (volitelná funkce)
- ovládání motorové brzdy
- zastavování motoru
- sledování hladiny paliva v nádrži (volitelná funkce)
- ovládání ohřevu paliva (volitelná funkce)
- ovládání omezovače výkonu motoru
- signalizace přetočení motoru
- měření barometrického tlaku (interní barometrický snímač)
- měření množství nasávaného vzduchu (poskytuje všechna napětí pro snímač množství vzduchu MAF)
- měření teploty hlav válců, oleje a teploty okolí
- výpočet spotřeby paliva a zatížení motoru
- palubní diagnostika, signalizace poruch
- záznam provozních dat
- záznam a kontrola identifikačních dat
- CAN komunikace s ostatními řídicími jednotkami, vysílaní provozních hodnot do CAN sběrnice vozidla
Pomocí programu TATRAdiagnoser (pTD) je možno provést konfiguraci TEU, tj. zapnutí/vypnutí volitelných funkcí, nastavení kalibrovatelných hodnot, zápis identifikačních dat, přečtení, příp. i vymazání záznamu provozních dat a chybových hlášení a manuální ovládání veškerých výstupních signálů.

Полный мануал в