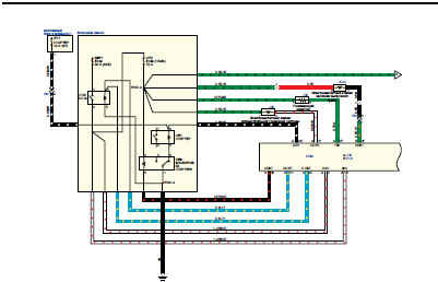
Электронная система управления двигателем 4HK1 ISUZU
Гидравлическая тормозная система




Пневматическая тормозная система




Все схемы в высоком качестве смотри в
Подписывайтесь на наш канал в Telegram и будьте всегда в курсе самых последних сообщений и публикаций с сайта. |







