Перейти к контенту

Пропустить меню
Подписывайтесь на наш канал в Telegram и будьте всегда в курсе самых последних сообщений и публикаций с сайта.
См. также:
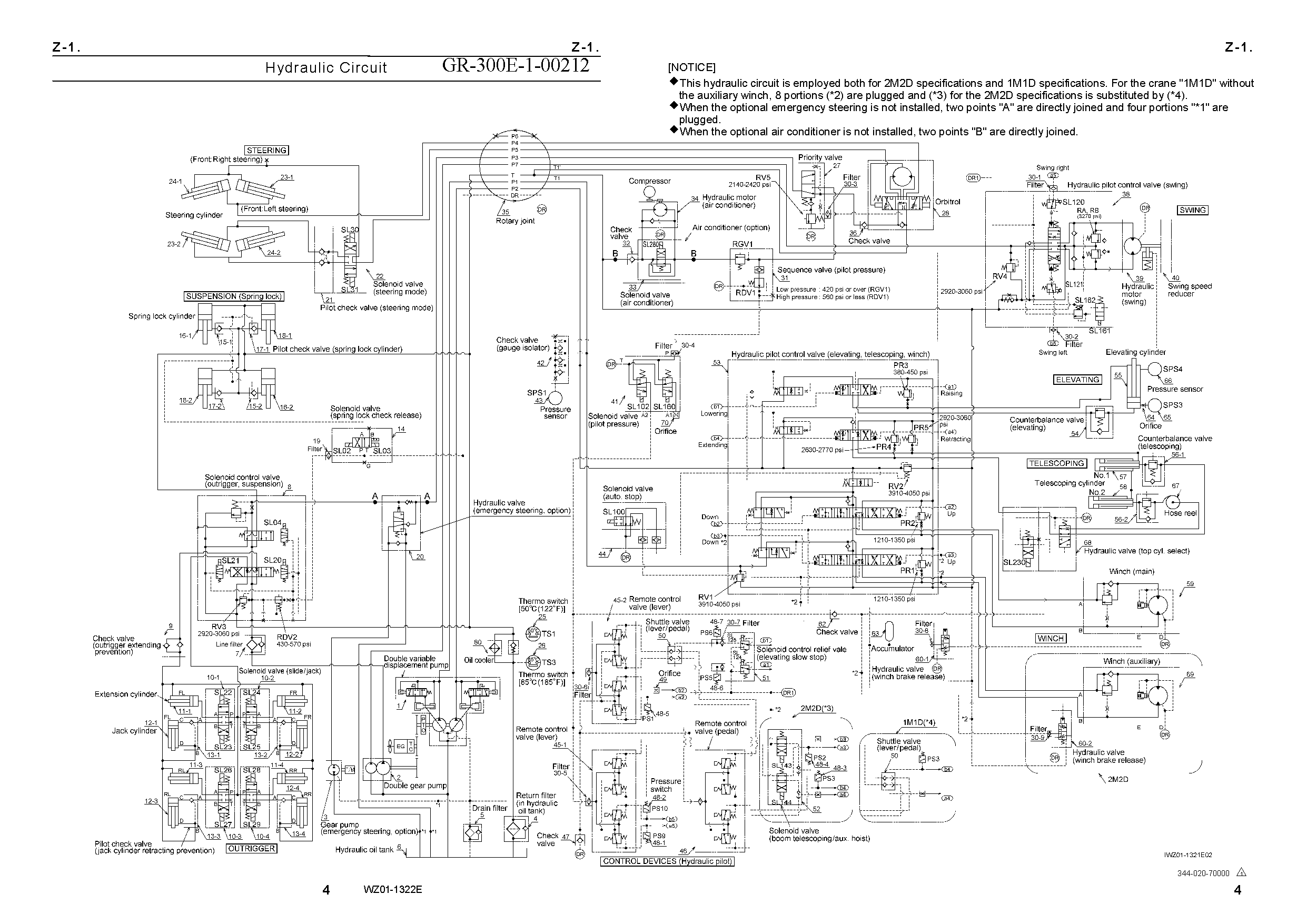
Схемы кранов TADANO серии
GR-300E-1, GR-300E-2, GR-500E-2, GR-550E-1, GR-600E-2, GR-700E-1, GR-750-2, GR-800E-2



GR-300E-1






Схемы всех следующих моделей можно посмотреть только в

gerikogan@gmail.com

Сайт (2149 страниц) - создан из материалов"Большой энциклопедии для автоэлектриков и диагностов"и на нем лишь мизерное количество информациис огромной электронной энциклопедии !!!

подписчики
1981
Назад к содержимому