Описание DMCI DAF XF105

На автомобилях серии DAF XF105 применена система управления двигателем DMCI (DAF Multi Controlled Injection
- управление многоточечным впрыском DAF).
Впрыск топлива контролируется электронноуправляемыми блок-насосами в паре с электронноуправляемыми форсунками.
Блок-насос отвечает за подачу топлива на форсунку. Момент впрыска определяется форсункой, а количество впрыскиваемого топлива регулируется сочетанием блок-насоса и форсунки.
Само собой электронный блок DMCI обрабатывает информацию от различных датчиков для правильного управления блок-насосами и форсунками для определения момента впрыска и необходимого дозирования впрыскиваемого топлива.
Электронный блок DMCI является центральным управляющим органом системы управления двигателя DMCI. Выполняемые электронным блоком функции можно разделить на два типа: функции двигателя и функции автомобиля.
Примечание
В зависимости от конфигурации автомобилей некоторые функции могут быть опциональными.
Функции двигателя:
• статус системы;
• управление CAN;
• пред- и послепусковой подогрев двигателя;
• управление топливоподачей;
• обнаружение и синхронизация цилиндров;
• впрыск топлива при запуске;
• управление опережением впрыска топлива;
• управление холостым ходом;
• управление давлением наддува;
• ограничение дымности;
• ограничение максимальной нагрузки
и защитные функции двигателя;
• управление тормозом двигателя.
Функции автомобиля:
• Круиз-контроль;
• Управление скоростью при движении автомобиля по склону;
• Ограничение скорости движения автомобиля согласно действующему законодательству;
• Различные режимы ограничения скорости;
• Ограничение скорости движения для специального оборудования;
• Управление частотой вращения двигателя;
• Управление CAN.
Для управления функциями двигателя и автомобиля электронному блоку DMCI требуется большое количество входных сигналов, а различные исполнительные компоненты активируются выходными сигналами.
Наиболее важными входными сигналами являются сигналы:
• бесконтактного датчика сцепления (Е575);
• рабочего тормоза (G469);
• датчика педали акселераторатора (F672);
• датчика нейтрального положения (F593/F599);
• датчика уровня масла (F673);
• второго датчика температуры охлаждающей жидкости (F743);
• датчика температуры охлаждеющей жидкости (F566);
• датчика давления наддува и температуры воздуха на впуске (F649);
• датчика давления и температуры моторного масла (F744);
• датчика давления и температуры топлива (F713);
• датчика коленчатого вала (F552);
• датчика распределительного вала (F558);
• электронноуправляемой муфты вентилятора (В335);
• реле предпускового подогрева (G014).
После обработки входных сигналов электронный блок генерирует выходные сигналы для приведения в действия таких компонентов, как:
• электронноуправляемая муфта вентилятора (В335);
• красное предупреждение VIC-2 (D310);
• клапан wastegate (В368);
• стартер (ВОЮ);
• клапан выхлопного тормоза (В192);
• электромагнитные клапаны DEB (с В411 по В416);
• реле предпускового подогрева (G014);
• блок-насосы (с В131 по В136);
• форсунки (с В421 по В426).
DMCI связывается с различными прочими электронными системами автомобиля посредством шины CAN.

Назначение компонентов
Электронный блок DMCI

Электронный блок крепится на блоке цилиндров посредством резиновых втулок (3).
Электронный блок имеет три 62-выводных разъема. Входные сигналы от различных датчиков постоянно обрабатываются и сравниваются с данными, которые хранятся в различных картах (базах) электронного блока.
Приводы активируются на основании полученных сигналов и карт.
Корпус (1) электронного блока напрямую соединен с блоком цилиндров кабелем массы (2). Это соединение необходимо для защиты внутренних компонентов электронного блока от воздействия
наружных радиоволн.
Также на блоке имеется идентификационная наклейка (5).
Электронный блок включает в себя датчик атмосферного давления и тем пературы. Датчик атмосферного давления расположен в отверстии (4) электронного блока.
Атмосферное давление оказывает влияние на - количество впрыскиваемого топлива на больших высотах (в областях пониженного давления).
Если атмосферное давление низкое (в высокогорных районах), воздух разрежен, а значит, имеет меньшую плотность. Электронный блок использует эту информацию для контроля давления наддува и соответствующим образом регулирует количество впрыскиваемого топлива.
Внутренний датчик температуры измеряет температуру электронного блока.
Он не оказывает влияния на работу системы. Если температура становится слишком большой, в памяти системы сохраняется код неисправности.
Калибровка
Вследствие погрешностей производства производительность различных блок-насосов и форсунок может
слегка отличаться. Данные небольшие различия компенсируются процедурой калибровки, позволяющей оптимизировать эксплуатационные и экологические характеристики двигателя.
Калибровочный код используется для индивидуального программирования блок-насосов и форсунок в электронном блоке. На основании калибровочных кодов электронный блок корректирует управление конкретными блок-насосами и форсунками.
Датчик педали акселератора

Датчик положения педали акселератора (F672) установлен на педали акселератора.
Датчик (2) состоит из потенциометра и выключателя.
Потенциометр
Выходной сигнал (ВЗЗ) от потенциометра представляет собой напряжение, линейное значение которого напрямую зависит от положения педали акселератора, выбираемого водителем.
На основании сигнала потенциометра определяется количество впрыскиваемого топлива. Потенциометр
связан с электронным блоком посредством соединений В34 (подача питания) и В37 (масса).
Датчик холостого хода
Параллельно потенциометру от педали акселератора управляется датчик холостого хода. Датчик холостого хода разомкнут в положении без нагрузки и замкнут при нажатой педали акселератора,
Датчик необходим для аварийных ситуаций, когда сигнал потенциометра отсутствует.
Благодаря этой функции автомобиль может доехать до безопасного места или до мастерской без сигнала потенциометра.
Одна сторона датчика соединена с массой (В38) через электронный блок. Положительная сторона (В41)
соединена с массой через выключатель.
Датчик кик-дауна
(нажатия педали до упора)
Датчик кик-дауна (1) под педалью акселератора предназначен лишь для создания механического сопротивления при полном нажатии на педаль акселератора.
Электронный блок обнаруживает статус кик-дауна по значению выходного сигнала от потенциометра,
когда оно превышает значение полной нагрузки. Датчик кик-дауна, например, используется для временного отключения различных ограничителей скорости движения автомобиля для того, чтобы автоматическая/автоматизированная коробка передач могла переключиться на пониженную передачу
(для ускорения).
Влияние сигналов на систему
Влияние выходного сигнала потенциометра на систему:
• на основании сигнала определяется количество впрыскиваемого топлива;
• включение/выключение тормоза двигателя;
• выключение системы управления скоростью при движении по склону;
• сообщение CAN положения педали акселератора через V-CAN1 (AS Tronic, AGC-A) и V-CAN2 (EBS-2, VIC-2, блок кузовной надстройки ВВМ).
• сообщение CAN активации положения кик-даун через V-CAN1 (AS Tronic, AGC-A).
Влияние выходного сигнала датчика холостого хода на систему:
• аварийная функция при нерабочем потенциометре;
• режим включения/выключения тормоза двигателя;
• выключение режима управления скоростью при движении по склону;
• сообщение CAN активации датчика холостого хода через V-CAN1 (AS Tronic) и V-CAN2 (VIC-2, ZF интардер EST-42, EBS-2, DIP-4, блок кузовной надстройки ВВМ).
Датчик температуры охлаждающей жидкости

Датчик температуры охлаждающей жидкости выдает сигнал, отображающий температуру охлаждающей жидкости и, косвенно, температуру двигателя.
Используется датчик с отрицательным температурным коэффициентом, т.е. чем выше температура, тем
ниже сопротивление датчика.
Влияние выходного сигнала датчика температуры охлаждающей жидкости на систему:
• вычисление времени предпускового подогрева;
• вычисление количества впрыскиваемого топлива и времени впрыска;
• вычисление активации электронноуправляемой муфты вентилятора;
• ограничение крутящего момента двигателя при слишком высокой температуре;
• сообщение CAN о температуре двигателя через V-CAN2 на VIC-2 для отображения на приборной панели;
• ограничение максимальной частоты вращения двигателя, когда двигатель не прогрет.
Второй датчик температуры охлаждающей жидкости

Второй датчик температуры охлаждающей жидкости (F743) посылает сигналы температуры охлаждающей жидкости и, косвенно, двигателя на уровне шестого цилиндра. Сигнал в электронном
блоке (D965) сравнивается с сигналом от датчика температуры охлаждающей жидкости (F566) на уровне цилиндра
1. Используется датчик с отрицательным температурным коэффициентом, т.е. чем выше температура, тем ниже сопротивление датчика.
Влияние выходного сигнала второго датчика температуры охлаждающей жидкости на систему:
• обнаружение проблем в системе охлаждения вследствие ограничения крутящего момента двигателя.
Датчик давления наддува и температуры воздуха на впуске

Данный комбинированный датчик служит для измерения давления и температуры воздуха во впускном коллекторе.
Электронный блок использует эти данные для вычисления количества входящего в двигатель воздуха, что в свою очередь определяет количество впрыскиваемого топлива для предотвращения
дымообразования. Давление наддува также находится в прямой зависимости от управления турбокомпрессором, поэтому на основании сигналов датчика также активируется клапан wastegate.

Для измерения температуры воздуха на впуске используется датчик с отрицательным температурным коэффициентом (3), т.е. чем выше температура, тем ниже сопротивление датчика.
Для измерения давления используется пьезорезистивный датчик (1). Доступ воздуха в датчик осуществляется через отверстие (4). Чем выше давление, тем выше напряжение сигнала датчика. Датчик уплотняется в посадочном гнезде головки блока цилиндров уплотнительным кольцом (5).

Сигнал температуры поступает в электронный блок через вывод (2).
Пьезорезистивный датчик, соединенный с подачей питания (3) и массой (1), генерирует сигнал линейного напряжения (4).
Влияние сигнала температуры на систему:
• вычисление времени предпускового подогрева;
• корректировка управления клапаном Wastegate;
• корректировка системы ограничения дымности.
Влияние сигнала давления на систему:
• вычисления для ограничения дымности;
• вычисления для управления клапаном Wastegate;
• защита турбокомпрессора;
• сообщение CAN на VIC для отображения давления наддува на главном дисплее DIP.
Датчик давления и температуры топлива

Данный комбинированный датчик служит для измерения давления и температуры топлива в топливной системе.
Датчик расположен в средней части топливной галереи между блок-насосоми третьего и четвертого цилиндров.
Для измерения температуры топлива используется датчик с отрицвтельным температурным коэффиентом, т.е. чем выше температура, тем ниже сопротивление датчика.
Для измерения давления топлива используется пьезоемкостный датчик. Чем выше давление, тем выше напряжение сигнала.

Сигнал температуры поступает в электронный блок через вывод (3).
Пьезоемкостный датчик, соединенный с подачей питания (1) и массой (4), генерирует сигнал линейного напряжения (2).
Влияние сигнала температуры на систему:
• корректировка количества впрыскиваемого топлива;
• вычисление времени предпускового подогрева.
Влияние сигнала давления на систему:
• возможность считывания значения давления топлива через диагностический сканер.
Датчик давления и температуры моторного масла

Данный комбинированный датчик служит для измерения давления и температуры моторного масла в главной масляной галерее блока цилиндров.
Для измерения температуры масла используется датчик с отрицательным температурным коэффициентом. Чем выше температура, тем ниже сопротивление датчика.
Для измерения давления масла ис1ьзуется пьезоемкостный датчик - чем выше давление, тем выше напряжение сигнала. Давление масла измеятся через отверстие в датчике.

Сигнал температуры поступает в электронный блок через вывод (3).
Пьезоемкостный датчик, соединенный с подачей питания (1) и массой (4), генерирует сигнал линейного напряжения (2).
Влияние сигнала температуры на систему отсутствует.
Влияние сигнала давления на систему:
• сообщение CAN на VIC для включения индикатора давления масла и вывода предупреждения на главный дисплей DIP при слишком низком давлении масла.
Датчик коленчатого вала
Датчик коленчатого вала (F552) регистрирует скорость двигателя и используется для определения момента впрыска топлива в цилиндры. Датчик коленчатого вала вместе с датчиком распределительного вала отвечает за синхронизацию при запуске двигателя.
При отсутствии сигнала от датчика распределительного вала для распознавания цилиндра используется сигнал датчика коленчатого вала.

Датчик коленчатого вала (А) установлен на картере маховика (В). Это индуктивный датчик, состоящий из магнита (С), металлического сердечника (D) и обмотки (Е). Датчик самостоятельно генерирует сигнал переменного напряжения посредством изменения магнитного поля.
Шаблонные отверстия (F) в маховике обеспечивают генерирование определенных переменных сигналов. Шаблон состоит из трех секций по 18 отверстий в каждой, а также областей с двумя пропущенными отверстиями (G).
Каждый сегмент используется для вычислений по каждой из пар цилиндров (1/6, 2/5 и 3/4).
Разъем датчика имеет три вывода.
Выводы 1 и 2 используются для сигнала:
вывод 2 передает сигнал, а вывод 1 - соединение с массой. Вывод 3 соединен с экраном вокруг сигнальных проводов и с соединением с массой (вывод 1). Благодаря этому сигналы от датчика защищены от воздействия помех извне.

Самые мощные изменения в магнитном поле датчика происходят, когда отверстия (1) в маховике меняются выступами и наоборот. В результате изменений магнитного поля генерируется
синусоидальное переменное напряжение (2). Напротив отверстий сигнал датчика коленчатого вала
имеет максимальное положительное значение, а напротив выступов - максимальное отрицательное. Сигнал распознается электронным блоком, который преобразует синусоидальное напряжение в цифровой сигнал (3), используемый для дальнейших вычислений.

Синусоидальные сигналы (2) могут быть измерены при помощи осциллографа во время работы двигателя.
Каждое отверстие в сегменте (Ь) генерирует синусоидальный импульс.
Когда над датчиком коленчатого вала проходит область с двумя пропущенными отверстиями (а и с)
происходит обрыв сигналов. Это позволяет датчику определять конец сегмента.
Влияние выходного сигнала датчика коленчатого вала на систему:
• синхронизация во время запуска двигателя;
• вычисление момента опережения впрыска топлива;
• регистрация частоты вращения двигателя;
• распознавание цилиндра при отсутствии сигнала от датчика распределительного вала;
• сообщение CAN о частоте вращения двигателя для других систем автомобиля через V-CAN2 (VIC-2, ZF
интардер EST-42, ABS-D, EBS-2, DIP-4, ECAS-4, модуль кузовной надстройки ВВМ);
• выходной сигнал частоты вращения двигателя (EMAS, проходной разъем кабины).
Датчик распределительного вала
Датчик распределительного вала (F558) вместе с датчиком коленчатого вала отвечает за синхронизацию при запуске двигателя. Сигнал датчика распределительного вала также предоставляет информацию относительно распознавания цилиндров двигателя. Если датчик коленчатого вала (F552) неисправен, сигнал датчика распределительного вала используется в качестве резервного для регистрации частоты вращения двигателя и определения соответствующего угла опережения впрыска.

Датчик распределительного вала (A) установлен на картере маховика (B). Это индуктивный датчик, состоящий из магнита (С), металлического сердечника (D) и обмотки (Е). Датчик самостоятельно генерирует сигнал переменного напряжения посредством изменения магнитного поля.
Датчик способен генерировать определенный переменный сигнал, используя выступы импульсного диска (F).
Разъем датчика имеет три вывода.
Выводы 1 и 2 используются для сигнала:
вывод 1 передает сигнал, а вывод 2 - соединение с массой. Вывод 3 соединено экраном вокруг сигнальных проводов и с соединением с массой (вывод 2). Благодаря этому сигналы от датчика защищены от воздействия помех извне.

Самые мощные изменения в магнитном поле датчика происходят, когда выступы импульсного диска меняются впадинами и наоборот. В результате изменений магнитного поля генерируется
синусоидальное переменное напряжение (2). Напротив выступов сигнал датчика коленчатого вала имеет максимальное положительное значение, а напротив впадин - максимальное отрицательное. Сигнал распознается электронным блоком, который преобразует синусоидальное напряжение в цифровой сигнал (3), используемый для дальнейших вычислений.

Синусоидальные сигналы (2) могут быть измерены при помощи осциллографа во время работы двигателя.
Каждый выступ, и соответственно импульс, соответствуют определенному цилиндру двигателя. Дополнительный выступ перед выступом первого цилиндра является синхронизационным (s). Генерируемый данным выступом импульс совместно с сигналом датчика коленчатого вала позволяет осуществлять синхронизацию двигателя.
Влияние выходного сигнала датчика распределительного вала на систему:
• синхронизация в процессе запуска двигателя;
• распознавание цилиндра;
• вычисление угла опережения впрыска в случае неисправности датчика коленчатого вала;
• сообщение CAN о частоте вращения двигателя для других систем автомобиля в случае неисправности
датчика коленчатого вала через VCAN1 (AS Tronic, EAS) и V-CAN2 (VIC-2, ZF интардер EST-42, ABS-D, EBS-2, DIP-4, ECAS-4, модуль кузовной надстройки BBM);
• выходной сигнал частоты вращения двигателя в случае неисправности датчика коленчатого вала (EMAS, проходной разъем кабины).
Клапан Wastegate

Клапан wastegate управляет открытием и открытием перепускной заслонки турбокомпрессора.
Подача воздуха на порт (6) клапана wastegate осуществляется непосредственно от контура 4 (примерно 10 бар).
Подаваемое давление корректируется в клапане управляющим давлением (9) камеры диафрагмы. Измерение давления в клапане производится при помощи внутреннего датчика (11). Сигнал от этого датчика во внутреннем электронном блоке (2) сравнивается с сигналом от электронного блока. Внутренняя електроника запитывает обмотку (3) сигналом рабочего цикла (PWM). Если требуемое давление отличается от существующего, внутренняя электроника клапана соответствующим образом
корректирует рабочий цикл.
Исходное положение/выпуск воздуха

В исходном положении или в процессе выпуска воздуха обмотка (3) не запитана. Поршень (8) и клапан (5) усилием пружин прижаты кверху. Благодаря этому металлический сердечник (4) также прижат кверху. Порт (9) в этот момент сообщается с выпуском воздуха (7).
Постоянное давление

При запитывании обмотки (3) металлический сердечник (4) выходит вниз. Клапан (5) перекрывает отверстие выпуска воздуха в поршне (8).
Давление, присутствующее на порту (9) остается постоянным.
Повышение давления

Если обмотка (3) остается запитанной продолжительное время, клапан (5) прижимает поршень (8) дальше вниз, открывая подачу воздуха из порта (6) на порт (9). Благодаря этому выходное
давление повышается.
Блок-насос

Блок-насос подает топливо на форсунку.
Блок-насос состоит из металлического корпуса (3), в котором расположена электрическая катушка (2), открывающая клапан (1). В исходном положении клапан (1) прижат кверху пружиной (4). Электрический разъем (8) привинчен снаружи блок-насоса. Роликовый толкатель (6), взаимодействующий с распредвалом, активирует плунжер (5), нагнетающий давление топлива.
Топливо входит в блок-форсунку через порт (А), который сообщается с топливной галереей в блоке цилиндров двигателя. Выходит топливо из блок-насоса в направлении форсунки через нагнетательный клапан (7). Топливопровод высокого давления форсунки подсоединен к порту (С) блок-насоса.
Протекающее/смазочное топливо от плунжера стекает в возвратную магистраль блока цилиндров через возвратный порт (В).
Электрическое управление

Блок-насос активируется напряжением примерно 50 В. Это напряжение подается от конденсатора электронного блока DMCI. Поскольку это относительно высокое напряжение, сила тока увеличивается стремительно, в результате клапан блок-насоса открывается быстро. Это пиковая фаза.
Если ток не будет ограничен, он может стать слишком большим и может повредить обмотку блок-насоса. Поэтому увеличение тока ограничивается переключением на пульсирующее управление примерно 24 В после разряда конденсатора. Это фаза выдержки.
При этом ток остается достаточно высоким, чтобы удерживать клапан открытым.
Длина пиковой фазы остается практически идентичной при любых обстоятельствах. Длина фазы выдержки зависит от вычислений электронного блока управления.
Когда блок-насос деактивируется, из-за отключения подачи тока на катушку блок-насоса создается отрицательный пик индукции.
Работа блок-насоса

Топливо подается на блок-насос из галереи в блоке цилиндров, поступая в нагнетательную камеру над плунжером.
Нагнетательная камера заполняется.

Давление не нагнетается мгновенно, когда плунжер движется вверх под действием распредвала, поскольку топливо имеет возможность стекать обратно в топливную магистраль блока цилиндров через подающий порт.

Когда катушка запитывается, клапан перемещается вниз, перекрывая порт топливной галереи. После этого под действием перемещения плунжера начинает нагнетаться давление. Топливо не может вернуться обратно в галерею и начинает поступать к выводу топливной форсунки через нагнетательный клапан. Топливо подается на форсунку.

После того, как катушка деактивируется электронным блоком, клапан снова прижимается вверх усилием
пружины, открывая порт топливной галереи.
Благодаря этому подача топлива на форсунку прекращается.
Каждый блок-насос после производства проходит процедуру калибровки для компенсации погрешностей.

Топливная форсунка

Блок-насос подает топливо на форсунку. Форсунка состоит по существу из двух частей. Верхняя часть - это металический корпус (1), к которому присоединен электрический разъем (7). Катушка (10) и пружина (9), которые открывают и закрывают клапан (11), также располагаются в корпуta. Нижняя часть форсунки очень сходна по устройству с обычными топливными форсунками. В этой части располагаются клапан (11) с направляющей, размещенные в держателе форсунки (4). Под клапаном размещается плунжер (12) с пружиной (13). На конце форсунки имеется сопло (6) с иглой (14) внутри. Между держателем форсунки и соплом имеется медная шайба (5). Топливо входит в форсунку через
канал (А) с запрессованным в него трубчатым фильтром (8). Возврат топлива из форсунки осуществляется через отверстие (8), из которого топливо попадает в возвратную магистраль головки блока цилиндров.
Электрическое управление

Форсунка активируется напряжением примерно 50 В. Это напряжение подается от конденсатора электронного блока DMCI. Поскольку это относительно высокое напряжение, сила тока увеличивается стремительно, в результате клапан форсунки открывается быстро.
Это пиковая фаза.
Если ток не будет ограничен, он может стать слишком большим и может повредить обмотку форсунки. Поэтому увеличение тока ограничивается переключением на пульсирующее управление примерно 24 В после разряда конденсатора.
Это фаза выдержки. При этом ток остается достаточно высоким, чтобы удерживать клапан открытым.
Длина пиковой фазы остается практически идентичной при любых обстоятельствах. Длина фазы выдержки зависит от вычислений электронного блока управления.
Когда блок-насос деактивируется, из-за отключения подачи тока на катушку блок-насоса создается отрицательный пик индукции.
Работа топливной форсунки

В исходном положении клапан прижат вниз усилием пружины над ним. Возвратное отверстие при этом перекрыто.

Несмотря на то, что топливо поступает в форсунку, это не значит, что оно сразу же впрыскивается в цилиндр. То же самое давление, которое должно открывать иглу форсунки, также прижимает
плунжер, наряду с усилием пружины плунжера. Поэтому игла форсунки в данный момент остается закрытой.

Когда катушка запитывается электронным блоком, клапан втягивается против усилия пружины, открывая возвратное отверстие. В результате давление над плунжером падает. Давление топлива под иглой форсунки теперь превышает прижимное давление пружины над плунжером - происходит
поднятие иглы и впрыск топлива.
Для прекращения впрыска давление топлива в форсунке снижается деактивацией блок-насоса. Обмотка
форсунки деактивируется только после того, как давление топлива достаточно понизится. Благодаря этому пружина плунжера быстро запирает иглу форсунки.
Примечание
Каждая форсунка после производства проходит процедуру калибровки для компенсации погрешностей/разницы изготовления. На корпусе форсунки имеется шестибуквенный калибровочный код, который вводится в электронный блок для оптимизации управления впрыском топлива. Если форсунка заменяется новой или переставляется, необходимо заново ввести калибровочный код в электронный блок при помощи диагностического оборудования.

Примечание
А. Версия с системой предпускового подогрева.
В. Версия с AS Tronic.
C. Версия с механической коробкой передач.
D. Версия с ABS-D.
Е Версия с механической коробкой передач.
F. Версия с электронноуправляемой муфтой сцепления (в зависимости от характеристик двигателя, стандартно в сочетании с интардером ZF).
6. Версии с электронноуправляемым клапаном wastegate (в зависимости от характеристик
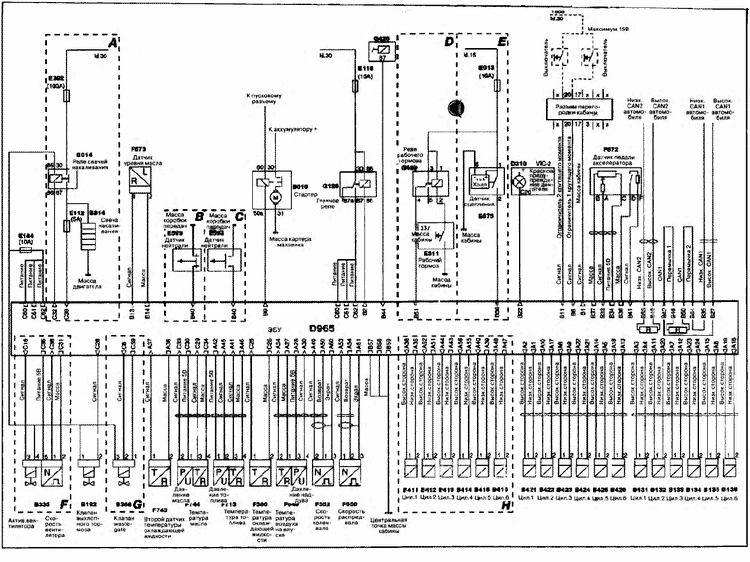
- В010 Стартер
- В131 Электромагнитный клапан блок-насоса цилиндра №1
- В132 Электромагнитный клапан блок-насоса цилиндра №2
- В133 Электромагнитный клапан блок-насоса цилиндра №3
- В134 Электромагнитный клапан блок-насоса цилиндра №4
- В135 Электромагнитный клапан блок-насоса цилиндра №5
- В136 Электромагнитный клапан блок-насоса цилиндра №6
- В192 Клапан выхлопного тормоза
- В335 Электронноуправляемая муфта вентилятора
- В341 Свеча накаливания
- В368 Клапан wastegate
- В411 Электромагнитный клапан DEB цилиндра №1
- В412 Электромагнитный клапан DEB цилиндра №2
- В413 Электромагнитный клапан DEB цилиндра №3
- В414 Электромагнитный клапан DEB цилиндра №4
- В415 Электромагнитный клапан DEB цилиндра №5
- В416 Электромагнитный клапан DEB цилиндра №6
- В421 Электромагнитный клапан форсунки №1
- В422 Электромагнитный клапан форсунки №2
- В423 Электромагнитный клапан форсунки №3
- В424 Электромагнитный клапан форсунки №4
- В425 Электромагнитный клапан форсунки №5
- В426 Электромагнитный клапан форсунки №6
- D310 Электронный блок VIC-2
- D965 Электронный блок DMCI
- Е013 Предохранитель стоп-сигналов
- Е112 Предохранитель индикатора предпускового подогрева
- Е118 Предохранитель подачи питания на систему управления двигателем
- Е392 Предохранитель свечи накаливания
- Е511 Выключатель стоп-сигналов
- Е593 Датчик нейтрального положения механической коробки передач
- Е575 Бесконтактный датчик сцепления
- Е599 Датчик нейтрального положения коробки передач AS Tronic
- F552 Датчик коленчатого вала
- F558 Датчик распределительного вала
- F566 Датчик температуры охлаждающей жидкости
- F649 Датчик давления наддува и температуры воздуха на впуске
- F672 Датчик педали акселератора
- F673 Датчик уровня моторного масла
- F713 Датчик давления и температуры топлива
- F743 Второй датчик температуры охлаждающей жидкости
- F744 Датчик давления и температуры моторного масла
- G014 Реле свечи накаливания
- G126 Силовое реле системы управления двигателем
- G426 Контактное реле
- G469 Реле тормозного сигнала

Подача питания и масса системы управления двигателем DMCI

Соединения CAN электронного блока DMCI

Нагрузочное сопротивление V-CAN1: ± 120 Ом (измерить сопротивление на выводах В46 и В50).
Нагрузочное сопротивление V-CAN2: ± 120 Ом (измерить сопротивление на выводах В45 и В53).
Сигналы статуса электронного блока DMCI

Датчик педали акселератора

Значение сопротивления потенциометра (В-С) (педаль акселератора не нажата): 1000 Ом ± 40%.
Значение выходного сопротивления потенциометра (A-В) (педаль акселератора не нажата): 1500 Ом ± 40%.
Значение выходного сопротивления потенциометра (A-С) (педаль акселератора не нажата): 2500 Ом ± 40%.
Значение сопротивления поперек датчика холостого хода (в открытом положении): бесконечо
Значение сопротивления поперек датчика холостого хода (в закрытом положении при нажатой педали акселератора): 1000 Ом ± 40%. Изд-во «Monolith»

Датчик температуры охлаждающей жидкости


Примечание
Значение сопротивления относительно измеряемой температуры проверяется на выводах датчика температуры охлаждающей жидкости.
Второй датчик температуры охлаждающей жидкости


Датчик давления наддува и температуры воздуха на впуске


Цвет уплотнительного кольца датчика: зеленый.
Тип датчика температуры: с отрицательным температурным коэффициентом.


Примечание
Значение сопротивления относительно измеряемой температуры проверяется на выводах 1 и 2 датчика
Тип датчика давления: пьезорезистивный.

Датчик давления и температуры топлива


Прокладка датчика: медное кольцо.
Тип датчика температуры: с отрицательным температурным коэффициентом.


Примечание
Значение сопротивления относительно измеряемой температуры проверяется на выводах 3 и 4 датчика.
Тип датчика давления: пьезоемкостный.

Датчик давления и температуры моторного масла


Прокладка датчика: медное кольцо.
Тип датчика температуры: с отрицательным температурным коэффициентом.


Примечание
Значение сопротивления относительно измеряемой температуры проверяется на выводах 3 и 4 датчика.
Тип датчика давления: пьезоемкостный.

Датчик положения коленчатого вала

Тип датчика: индуктивный.
Версия сигнала: синусоидальный переменного напряжения.
Общее количество импульсов за оборот коленчатого вала: 54.
Количество фиксируемых импульсов за оборот коленчатого вала: 3.
Эффективное напряжение при запуске: примерно 1.5 В
Эффективное напряжение на холостом ходу: примерно 4.0 В
Эффективное напряжение при 1200 об/мин: примерно 7.0 В
Значение сопротивления: 860 Ом ± 10% при 20°С *2.
Примечание
Измерения производятся при помощи мультиметра в режиме «напряжение переменного тока.
Измеряется на выводах 1 и 2 датчика.

Датчик положения распределительного вала

Тип датчика: индуктивный.
Версия сигнала: синусоидальный переменного напряжения.
Общее количество импульсов за каждые два оборота коленчатого вала: 7.
Эффективное напряжение при запуске: примерно 0.5 В
Эффективное напряжение на холостом ходу: примерно 2.0 В
Эффективное напряжение при 1200 об/мин: примерно 4.0 В
Значение сопротивления: 860 Ом ± 10% при 20‘С *г.
Примечание
Измерения производятся при помощи мультиметра в режиме напряжение переменного тока.
Измеряется на выводах 1 и 2 датчика.

Датчик уровня моторного масла

Напряжение питания: примерно 24 В.
Значение сопротивления (при 20"С): 20.5-23.5 Ом (в процессе измерения сопротивления значение тока не должно превышать 200 мА).
Датчики механической коробки передач

Датчик сцепления
Тип: бесконтактный датчик Холла.
Датчик нейтрального положения коробки передач
Тип: нормально разомкнутый.
Датчики коробки передач AS TRONIC

Датчик нейтрального положения коробки передач
Тип: нормально замкнутый.
Функции проходного блока перегородки

Красные предупреждения

Стартер

Компоненты предпускового подогрева

Реле свечей накаливания
Напряжение питания: напряжение АКБ.
Значение сопротивления обмотки: 21 Ом±10%.
Нагревательный элемент
Напряжение питания: напряжение АКБ.
Номинальная мощность: 1.9 кВт ±10%.
Значение сопротивления: 0.25 Ом ± 10%.
Клапан WASTEGATE

Напряжение питания: примерно 24 В.
Давление воздуха: примерно 10 бар.
Управляющий сигнал: управляемый массой рабочий цикл (проверка рабочего цикла производится при помощи мультиметра,
поместив плюсовой пробник к выводу С59, а минусовой - к выводу С8).
Уровень напряжения рабочего цикла: примерно 12 В.
Частота сигнала рабочего цикла: примерно 160 Гц.

Клапан выхлопного тормоза

Значение сопротивления: 56 Ом ± 10%.
Электромагнитый клапан тормоза двигателя DEB


Значение сопротивления: 40 Ом±Ю% (сопротивление измеряется на выводах клапанов соответствующих рядных разъемов).
Блок-насосы

Пиковое напряжение: примерно 50 В.
Выдерживаемое напряжение: примерно 24 В.

Значение сопротивления электромагнитного клапана (измеряется на выводах блок-насоса):

Частота при скорости вращения вентилятора 1000 об/мин: 100 Гц.
Количество импульсов за один оборот вентилятора: 6.

Управление муфтой вентилятора: управляемый массой рабочий цикл (0-100%)
Уровень напряжения рабочего цикла: 24 В.
Частота сигнала рабочего цикла: 2 Гц.
Верхний рабочий цикл *: понижение скорости вентилятора.
Нижний рабочий цикл *: повышение скорости вентилятора.
Примечание
Измеряется, поместив плюсовой пробник на вывод В60, а минусовой - на вывод С16.


