CROWN - WE 2300
(схемы, ремонт, диагностика)

INDEX
- Table of Contents
- Safety
- Introduction
- Lubrication & Adjustment
- Hydraulic System
- Drive Unit
- Electrical System
- Brake System
- Steering
- Lifting Mechanism
- Cylinders
- Platform
- Schematic Diagrams
- Hydraulic Schematic
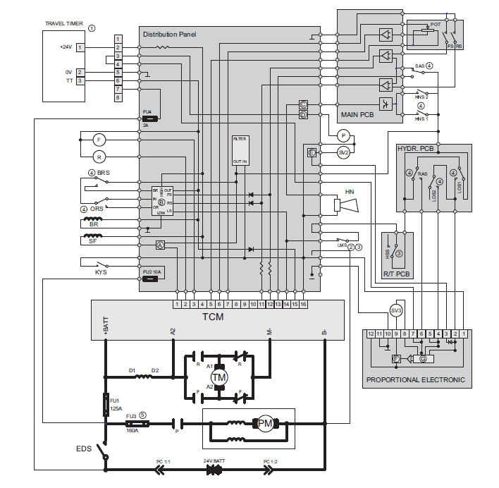
SCHEMATIC DIAGRAMS
Schematic Diagram, Standard

1 Travel Timer
2 Forks higher than 250 - 2300 mm (depends on mast type): LMS open
3 Reduced speed: HSS and / or LMS open
4 Active: RAS, BRS, ORS, SAS, HNS, LOS1 & LOS2 are closed
5 For North American truck only: FU3 = 125 A
A Shunt Field Driver
B Brake Circuit
C Horn Driver
D RAS Driver
E LOS1 Driver
F Proportional Driver
G PWM Logic
Distribution Panel, Standard

Полный мануал смотри в