Электрические схемы Eberspacher HYDRONIC L
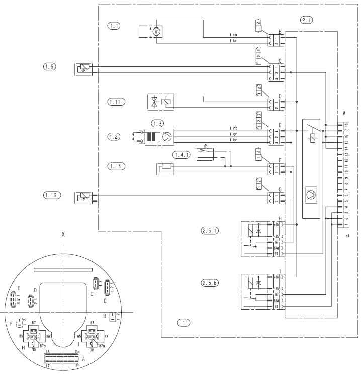
Монтажная схема отопительного прибора – часть 1
Hydronic 16 – 24 В 25 2165 01 00 00 (с температурным реле, поз. 1.4.1)
Hydronic 24 – 24 В 25 1817 01 00 00 (с температурным реле, поз. 1.4.1)

1.1 Двигатель горелки
1.2 Поджигающий электрод
1.3 Источник искры зажигания
1.4.1 Температурное реле – только на Hydronic 16 / 24
1.5 Датчик перегрева
1.11 Топливный магнитный клапан
1.13 Температурный датчик
1.14 Нагревательный элемент штока форсунки
2.1 Блок управления
2.5.1 Реле, нагревательный элемент
2.5.6 Реле, водяной насос
a) Разъем подключения отопительного прибора
X Графическое представление блока управления со стороны крыльчатки нагнетателя
Штекеры и корпуса розеточных частей соединителей показаны со стороны входа проводки.
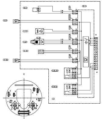
Монтажная схема отопительного прибора – часть 1
Hydronic 16 – 24 В 25 2165 01 00 00 (без температурного реле)
Hydronic 24 – 24 В 25 1817 01 00 00 (без температурного реле)
Hydronic 30 – 24 В 25 1818 01 00 00
Hydronic 35 – 24 В 25 1819 01 00 00

1.1 Двигатель горелки
1.2 Поджигающие электроды
1.3 Источник искры зажигания
1.5 Датчик перегрева
1.11 Топливный магнитный клапан
1.13 Датчик регулирующей температуры, внутренний
1.14 Нагревательный элемент топливной форсунки
2.1 Блок управления
2.5.6 Реле водяного насоса
2.5.10 Реле нагревательного элемента
a) Подсоединение элемента управления
X Графическое представление блока управления со стороны крыльчатки нагнетателя
Штекеры и корпуса розеточных частей соединителей показаны со стороны входа проводки.
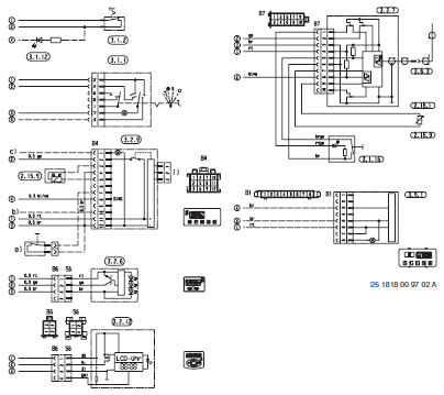
Монтажная схема отопительного прибора – часть 2
с водяным насосом (стандартное исполнение) и водяным насосом Bus 2000

2.5.7 Реле управления напр., вентилятора автомобиля
2.7 Главный предохранитель 15 A
2.7.1 Предохранитель, срабатывание при 5 A
2.7.2 Предохранитель водяного насоса 15 A
2.12.1 Водяной насос Bus 2000
2.12.2 Водяной насос (стандартное исполнение)
3.1.4 Выключатель, сброс температуры
3.1.5 Выключатель, водяной насос
3.4.1 Рабочий индикатор / индикатор горения
3.4.3 Индикация кода неисправности
3.4.6 Подсветка индикатора горения
5.1 Аккумулятор
5.2 Разъединитель аккумулятора
a) Разъем подключения отопительного прибора
d) по выбору 2.12.1 либо 2.12.2
f) При использовании 3.2.6 по выбору клемма 15 или клемма 30 – иначе включающий импульс
(провод 1² желтый)
Монтажная схема отопительного прибора – часть 3
с водяным насосом FLOWTRONIC

2.5.7 Реле управления вентилятором автомобиля
2.7 Главный предохранитель 15 A
2.7.1 Предохранитель, срабатывание при 5 A
2.7.3 Предохранитель водяного насоса 15 A
2.12.1 Водяной насос FLOWTRONIC 6000S
2.12.2 Водяной насос FLOWTRONIC 5000 / 5000S
3.1.4 Выключатель, сброс температуры
3.1.5 Выключатель, водяной насос
3.4.1 Регулятор включения
3.4.3 Индикатор неисправности
3.4.6 Подсветка индикатора горения
5.1 Аккумулятор
5.2 Разъединитель аккумулятора
a) Разъем подключения отопительного прибора
d) По выбору 2.12.1 либо 2.12.2
f) При использовании 3.2.6, по выбору клемма 15 или клемма 30 – либо включающий импульс
(кабель 1² желтый)
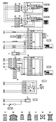
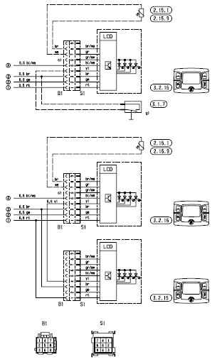
Монтажная схема элементов управления

2.15.1 Датчик температуры внутри салона
2.15.9 Датчик наружной температуры
3.1.1 Универсальный включатель
3.1.2 Включатель, обогрев, длительный режим работы
3.1.12 Запрос кода неисправности
3.1.16 Кнопочный выключатель, радиоуправление
3.2.9 Модульное реле
3.2.12 Часовое реле, мини (12 / 24 В)
3.3.7 Радиоуправление TP5
3.8.3 Антенна
3.9.1 Диагностический прибор, диагностика компании Eberspächer
b) Подключить к +15
c) Освещение, клемма 58
e) Внешняя кнопка "ВКЛ / ВЫКЛ" (опция)
i) Подключение радиоуправления
Изолировать неиспользуемые концы проводки.
Штекеры и корпуса розеточных частей соединителей показаны со стороны входа проводки.

2.15.9 Датчик наружной температуры
3.1.1 Универсальный включатель
3.1.2 Включатель, обогрев, длительный режим работы
3.1.12 Запрос кода неисправности
3.2.9 Модульное реле
3.2.12 Часовое реле, мини (12 / 24 В)
3.2.14 Часовое реле, мини, освещение (12 / 24 В
3.9.2 Диагностический прибор
b) Подключить к +15
c) Освещение, клемма 58
e) Внешняя кнопка "ВКЛ / ВЫКЛ" (опция)
i) Подсоединение радиомодуля
k) Не входит в комплект поставки модели 3.9.2
z) Клемма 58 (освещение)
Изолировать неиспользуемые концы проводки.
Штекеры и корпуса розеточных частей соединителей показаны со стороны входа проводки.
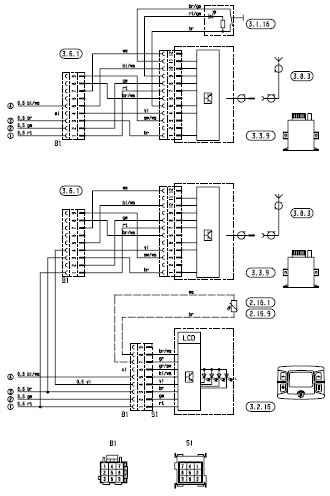
Спецификация монтажной схемы элементов управления – EasyStart
2.15.1 Датчик температуры внутри салона (для EasyStart R+ входит в комплект поставки, для EasyStart T и EasyStart R – опция)
2.15.9 Датчик наружной температуры (опция)
3.1.7 Кнопка "ВЫКЛ"
3.1.9 Выключатель "Обогрев / Вентиляция" (для EasyStart Т входит в комплект поставки, для EasyStart R опция)
3.1.16 Кнопочный выключатель радиоуправления
3.2.15 Часовое реле EasyStart T
3.3.9 Блок радиоуправления EasyStart R (стационарная часть)
3.3.10 Блок радиоуправления EasyStart R+ (стационарная часть)
3.6.1 Кабельный стренг
3.8.3 Антенна
c) Клемма 58 (освещение)
d) Автономная вентиляция при помощи автомобильного вентилятора (опция)
e) Подключение часового реле EasyStart T
g) Внешняя кнопка "ВКЛ / ВЫКЛ" (опция)
Цветовые обозначения проводов на монтажных схемах
sw = черный
ws = белый
rt = красный
ge = желтый
gn = зеленый
vi = фиолетовый
br = коричневый
gr = серый
bl = синий
li = лиловый
Штекеры и корпуса розеточных частей соединителей показаны со стороны входа проводки.
Монтажная схема элементов управления – EasyStart R

Монтажная схема элементов управления – EasyStart R+

Монтажная схема элементов управления – EasyStart Т

Все схемы в высоком качестве смотри в