Вилочные погрузчики «Linde»
H 12 T - 0 3 /H 16 T - 0 3 / H 18 T - 0 3 /H 20 T - 0 3
С двигателем, работающим на природном газе
Вся информация в высоком качестве в
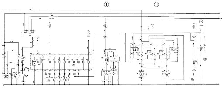
Схема электрооборудования
1А1 Блок управления зажиганием
9А2 Блок управления вентилятором
1B1 Датчик фактических оборотов
1В2 Сдвоенный потенциометр акселератора
1Е40 Распределитель зажигания
1Е41 Свечи зажигания
F1 Предохранитель МТА, 50 А
F2 Предохранитель 5 А
F3 Предохранитель 5 А
F4 Предохранитель 15 А
F5 Предохранитель 10 А
1F17 Предохранитель системы LCH, 1 А
1F18 Предохранитель системы LCH, 15 А
9F16 Предохранитель МТА, вентилятор 30 А
G1 Генератор с регулятором напряжения
G2 Аккумуляторная батарея на 88 Ач
H1 Контр. лампа разряда батареи, 2 Вт
H2 Контр. лампа отказа системы управления, 1.2 Вт
Н3 Контр. лампа температуры двигателя, 1.2 Вт
H4 Контр. лампа температуры гидрожидкости, 1.2 Вт
H5 Контр. лампа давления масла в двигателе, 1.2 Вт
H6 Контр. лампа воздушного фильтра, 1.2 Вт
H12 Контр. лампа указателей поворота, 1.2 Вт
H13 Контр. лампа резерва топлива**
Н24 Контр. лампа вентилятора, 1.2 Вт
Н25 Пусковой подогреватель**
H26 Контр. лампа сажевого фильтра**
4H7 Звуковой сигнал, 60 Вт
K2 Реле стартера
К3 Вспомогательное реле, вывод 15
1К1 Реле, вывод 30 в LHC
9R1/2/3 Реле
9К4 Вспомогательное реле
M1 Стартер, 1.7 кВт
9М5 Двигатель вентилятора, 324 Вт
1N2 Электронная система управления движением LHC
P1 Счетчик рабочих часов
6Р3 Комбинация приборов
9R1/2/3 Резистор
9R4 Резистор вентилятора
S1 Выключатель зажигания/стартера
S2 Датчик температуры двигателя
S3 Датчик температуры гидрожидкости
S4 Датчик давления масла в двигателе
S5 Вакуумный датчик воздушного фильтра
S6 Датчик резерва топлива*
S14 Датчик педали тормоза 2 (блокировка запуска)
1S1 Датчик давления на 6 бар
1S2 Датчик давления на 14 бар
1S5 Датчик педали тормоза 1
1S25 Переключатель, однопедальное управление*
4S8 Кнопка звукового сигнала
9S17 Термодатчик (85/93°С)
1Т1 Катушка зажигания
V1/3 Развязывающий диод
9V1/2/3 Развязывающие диоды
Х1 Разъем, 16-контактный
Х2 Разъем, 3-контактный
Х3 Разъем, 1-контактный
1Х10 Разъем, 3-контактный
1Х20 Разъем, 3-контактный
1Х21 Разъем, 6-контактный
1Х23 Разъем, 6-контактный
6Х6 Разъем, 4-контактный
9Х5 Разъем, 2-контактный
1Y1 Установочный магнит оборотов двигателя (дроссельный клапан)
1Y2 Соленоидный клапан y, передний ход
1Y3 Соленоидный клапан z, задний ход
1Y4 Разрешающий клапан
1Y5 Отсекающий соленоидный клапан подачи газа
I Система зажигания
II Управление вентилятором
III Электрогидравлическое управление машиной
а На электросхему дополнительного оборудования
b Интерфейс ISO
с Кодовая вилка 2-педального управления
d Переключатель направления хода модели с одной педалью хода
Обозначение цвета проводов
BK черный
WH белый
BU синий
OG оранжевый
BN коричневый
GN зеленый
VT фиолетовый
RD красный
YE желтый
GY серый
- Число перед обозначением цвета – сечение провода.
- Провода без маркировки имеют сечение 0.75 мм2.
* Дополнительное оборудование
** Не используется на погрузчиках с газовым двигателем

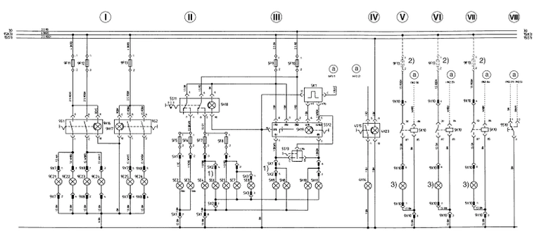
Схема электрооборудования (дополнения)
7А1 Контроллер
7А2 Привод
7В1 Лямбда-датчик
5Е2 Левая фара, ближний свет, 55 Вт
5Е3 Правая фара, ближний свет, 55 Вт
5Е4 Левый передний габаритный фонарь, 5 Вт
5Е5 Правый передний габаритный фонарь, 5 Вт
5Е6 Левый задний габаритный фонарь, 10 Вт
5Е7 Правый задний габаритный фонарь, 10 Вт
5Е8 Подсветка номерного знака, 5 Вт
9Е21-26 Рабочие фары, 55 Вт
5F5 Предохранитель, 10 А
5F6 Предохранитель, 10 А
5F7 Предохранитель, 5 А
5F8 Предохранитель, 5 А
5F9 Предохранитель, 15 А
5F10 Предохранитель, 15 А
7F1 Предохранитель, 5 А
7F2 Предохранитель, 1 А
9F4 Предохранитель, 10 А
9F5 Предохранитель, 10 А
9F11 Предохранитель, 15 А
9F12 Предохранитель, 15 А
9F13 Предохранитель, 15 А
4H14 Вращающийся проблесковый маячок, 55 Вт
4Н23 Подсветка переключателя, 1.2 Вт
5Н8 Левый передний указатель поворота, 21 Вт
5Н9 Левый задний указатель поворота, 21 Вт
5Н10 Правый передний указатель поворота, 21 Вт
5Н11 Правый задний указатель поворота, 21 Вт
5Н18 Подсветка переключателя, 1.2 Вт
5Н19 Подсветка переключателя, 1.2 Вт
5Н20 Стоп-сигнал, левый, 21 Вт
5Н21 Стоп-сигнал, правый, 21 Вт
9Н3 Подсветка переключателя, 1.2 Вт
9Н4 Подсветка переключателя, 1.2 Вт
9Н16 Подсветка переключателя, 1.2 Вт
9Н17 Подсветка переключателя, 1.2 Вт
5К1 Мигающее устройство
5К10 Реле UPA (специальное дополнение)
9К5 Реле прерывистого режима очистителя переднего стекла
9К6 Реле прерывистого режима очистителя заднего стекла
9М1 Двигатель переднего стеклоочистителя
9М2 Двигатель заднего стеклоочистителя
5S15 Выключатель проблеского маячка
5S11 Выключатель освещения
5S12 Выключатель аварийной сигнализации
5S13 Переключатель указателей поворота
9S1 Выключатель рабочего освещения, переднее
9S2 Выключатель рабочего освещения, заднее
9S3 Переключатель очистителя переднего стекла
9S4 Переключатель очистителя заднего стекла
9S10 Переключатель под сиденьем
5Х1 Разъем, 8-контактный
5Х2 Разъем, 6-контактный
5Х3 Разъем, 3-контактный
7Х1 Разъем, 2-контактный
7Х2 Разъем, 2-контактный
7Х4 Разъем, 2-контактный
7Х5 Разъем диагностики, 6-контактный
9Х1 Разъем, 6-контактный
9Х2 Разъем, 3-контактный
9Х7 Разъем, 6-контактный
9Х8 Разъем, 6-контактный
9Х10 Разъем, 6-контактный
I Рабочее освещение
II Освещение
III Мигающее устройство указателей поворота и аварийной сигнализации
IV Вращающийся проблесковый маячок
V Стоп-сигналы
VI Мигающий сигнал заднего хода
VII Постоянный сигнал заднего хода
VIII Выключатель под сиденьем
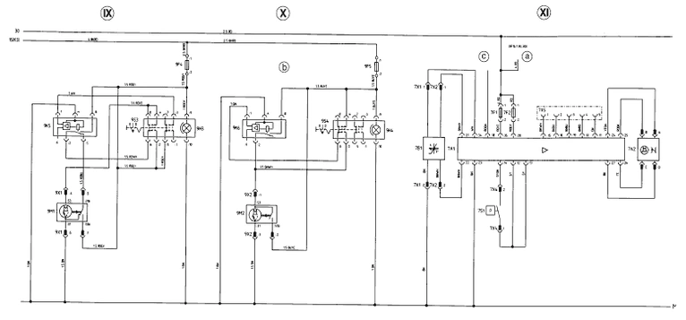
IX Передний стеклоочиститель
X Задний стеклоочиститель
XI Лямбда-контроль
a Электросхема стандартного оборудования
b 9F4, 9F5 в полосе предохранителей III, поз. 5+6
c Катушка зажигания Т1:1, электросхема стандартного оборудования
Обозначение цвета проводов
BK черный
WH белый
BU синий
OG оранжевый
BN коричневый
GN зеленый
VT фиолетовый
RD красный
YE желтый
GY серый
1) 5Х2 не используется, когда освещение выше.
2) Если полная нагрузка > 170 Вт, используется предохранитель 20 А на нагрузку до 200 Вт.
3) Нагрузка зависит от сферы применения – в зависимости от нее могут устанавливаться стоп-сигналы,
сигналы заднего хода.
- Число перед обозначением цвета – сечение провода.
- Провода без маркировки имеют сечение 0.75 мм2.
- Пунктирными линиями на схемах отмечено стандартное оборудование.


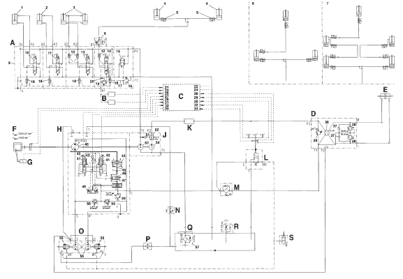
Схема гидросистемы
A Рабочая гидравлика
1 Гидроцилиндр (вспомогательная гидравлика)
2 Гидроцилиндр (вспомогательная гидравлика)
3 Гидроцилиндр наклона
4 Гидроцилиндр подъема, стандартная мачта тип 180
5 Клапан защиты магистралей
6 Гидроцилиндр подъема, дуплексная мачта тип 180
7 Гидроцилиндр подъема, триплексная мачта тип 180
8 Тормозной клапан опускания
9 Блок управляющих клапанов, состоящий из:
10 Клапан направления – вспомогательная гидравлика
11 Клапан направления – вспомогательная гидравлика
12 Контрольный клапан (управл. вспомогательным)
13 Клапан направления – подъем
14 Клапан направления – наклон
15 2/2-ходовой клапан (баланс давления)
16 Клапан максимального давления
17 Ограничитель
18 Переключающий клапан
19 Редукционный клапан
20 Ограничитель
В Датчик давления
С Электронный контроллер
21 Увеличение оборотов, ступень 1
22 Не используется
23 Увеличение оборотов, ступень 2
24 Не используется
25 Фактические обороты
26 Тормоз включен
27 Двигатель внутреннего сгорания
28 Тормоз отпущен
29 Передний ход
30 Передний ход
31 Аварийная остановка
32 Задний ход
33 Задний ход
34 Тормоз
35 Не используется
D Управляющий клапан рулевого управления, включающий
36 Дозирующий клапан на 45 см3/об
37 Клапан защиты шлангов на 190 +10 бар
38 Подпиточный клапан
39 Клапан сбороса давления на 120 +5 бар
E Рулевой гидроцилиндр
F Двигатель внутреннего сгорания
G Управляющий цилиндр регулятора оборотов двигателя
H Гидронасос переменного объема
HPV 55-02 в сборе, включающий:
40 Гидронасос переменного объема
41 Пропорциональный клапан
42 Управляющий магнит
43 Разрешающий клапан
44 Управляющий цилиндр
А = Передний ход
В = Задний ход
45 Жиклеры контура управления
46 4/2-ходовой клапан
47 Вспомогательный клапан
48 Управляющий поршень
Y = Передний ход
Z = Задний ход
49 Клапан подъема давления на 17.5 +0.5 бар
50 Комбирированный клапан подъема давления/максимального давления на 420 +15 бар
J Сдвоенный насос, включающий:
51 Контрольный клапан
52 Регулятор потока от 15.5 до 17.0 л
53 Шестеренчатый насос на 14 см3/об
54 Шестеренчатый насос на 11 см3/об
K Демпфер
L Тормозной клапан
М Напорный фильтр на 6 микрон
N Контрольный клапан на 1 бар
O Гидроагрегат ведущего моста
AH 20 в сборе, включающий:
55 Мультидисковые тормоза
56 Гидромоторы на 25 см3/об
P Охладитель гидрожидкости
Q Бак гидрожидкости, включая:
57 Впускной фильтр на 25 микрон
R Вентиляционный фильтр с клапаном поддержания давления на 0.35 ±0.1 бар
S Буксировочный (перепускной) клапан

