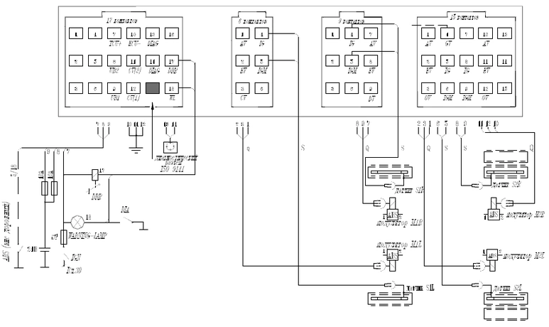
Электросхемы тормозной системы АБС-Т
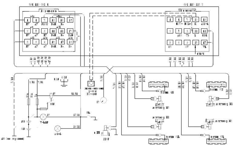
Схема подключения ЭБК АДЮИ.453633.015
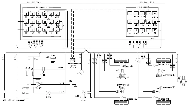
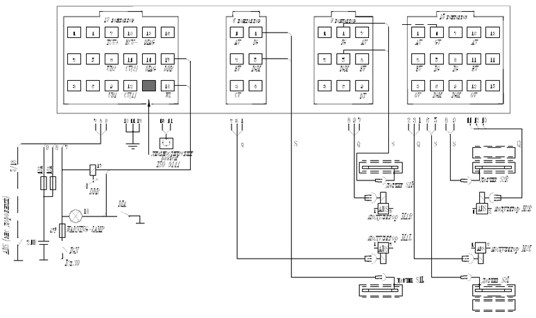
Схема подключения ЭБК АДЮИ.453633.015-01
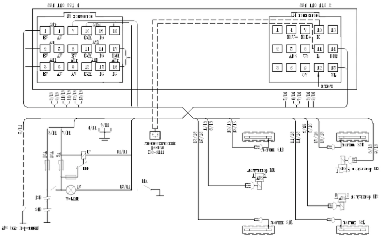
Схема подключения ЭБК
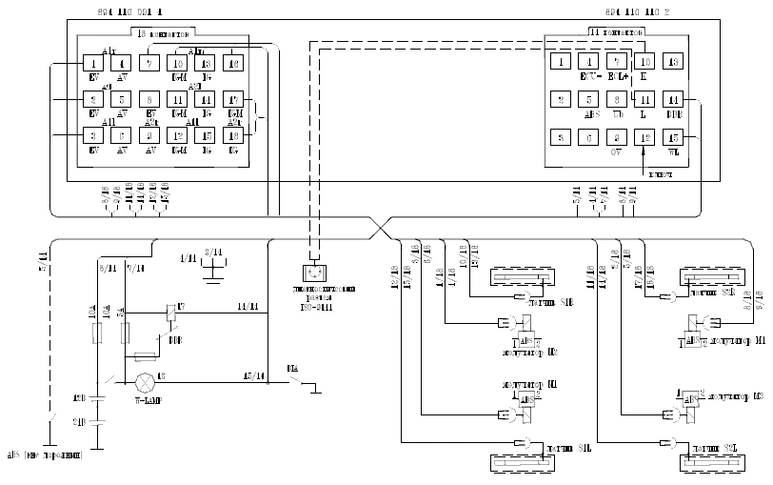
АДЮИ.453633.016, АДЮИ.453633.016-02, АДЮИ.453633.016-03
Схема подключения ЭБК АДЮИ.453633.016-01
Схема подключения ЭБК АДЮИ.453633.016-04
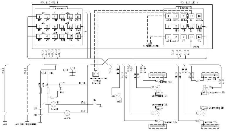
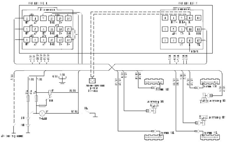
Схема подключения ЭБК АДЮИ.453633.019, АДЮИ.453633.019-02
Схема подключения ЭБК АДЮИ.453633.019-01
Схема подключения ЭБК АДЮИ.453633.019-03







