Подвеска ECAS IVECO TRAKKER
Расположение компонентов

1 Клапан контроля давления
2 Датчик давления
3 Пневматическая рессора заднего моста
4 Датчик уровня
5 Электропневматический распределитель заднего моста
Расположение датчиков давления для измерения нагрузки на мосты

1 Электропневматический распределитель
2 Датчик давления
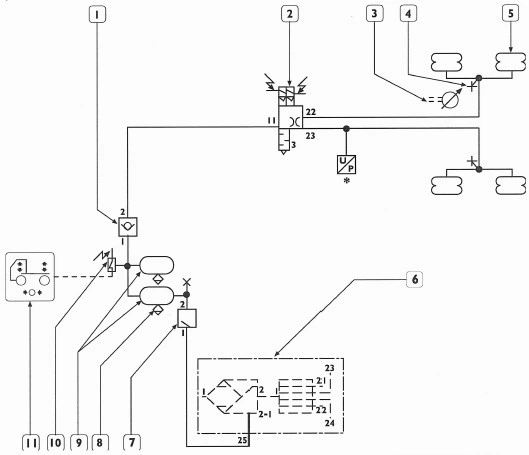
Принципиальная схема задней пневматической подвески для тягачей 4х2Т/Р

1 Обратный клапан
2 Электропневматический распределитель заднего моста
3 Задний датчик уровня
4 Разъем контроля давления
5 Пневматическая рессора заднего моста
6 Полуэлектронный пневматический блок (S-APU)
7 Клапан контролируемого давления с ограниченным возвратом (давление срабатывания 8,5 бар)
8 Ручной вентиль для слива конденсата
9 Воздушный резервуар емкостью 20 литров
10 Датчик давления (давление срабатывания 8 бар)
11 Оптический индикатор на комбинации приборов (низкое давление в пневматической подвеске)
* Только в автомобилях с дополнительным ИЗМЕРИТЕЛЕМ НАГРУЗКИ НА МОСТЫ.
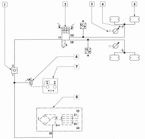
Принципиальная схема задней пневматической подвески для автомобилей 4x4 (грузовые автомобили)

1 Обратный клапан
2 Электропневматический распределитель заднего моста
3 Задний датчик уровня
4 Разъем контроля давления
5 Пневматическая рессора заднего моста
6 Датчик давления (давление срабатывания 8 бар)
7 Оптический индикатор на комбинации приборов (низкое давление в пневматической подвеске)
8 Полуэлектронный пневматический блок (S-APU)
* Только в автомобилях с дополнительным ИЗМЕРИТЕЛЕМ НАГРУЗКИ НА МОСТЫ.
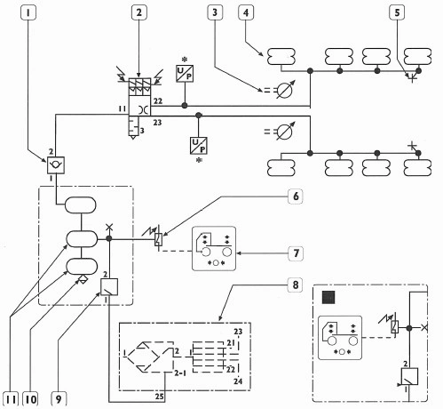
Принципиальная схема задней пневматической подвески для автомобилей 6x4 - 8x4 (грузовые автомобили и тягачи)

1 Обратный клапан
2 Электропневматический распределитель заднего моста
3 Задний датчик уровня
4 Пневматическая рессора заднего моста
5 Разъем контроля давления
6 Датчик давления (давление срабатывания 8 бар)
7 Световой индикатор на комбинации приборов (низкое давление в пневматической подвеске)
8 Полуэлектронный пневматический блок (S-APU)
9 Клапан контролируемого давления с ограниченным возвратом (давление срабатывания 8,5 бар)
10 Ручной вентиль для слива конденсата
11 Воздушный резервуар емкостью 20 литров
■ Грузовые автомобили
* Только в автомобилях с дополнительным ИЗМЕРИТЕЛЕМ НАГРУЗКИ НА МОСТЫ.
Клапан контроля давления
Клапан невозвратного типа осуществляет только две функции:
• Останавливает поток сжатого воздуха питания резервуара, когда в нем давление падает ниже определенного значения (калибровки) в результате аварии или чрезмерного изъятия.
• Питает другие резервуары не только тормозной системы, достигая величины, обеспечивающей идеальную эффективность в применении тормозов.

Датчик уровня
Датчик уровня постоянно передает в электронный блок управления информацию об изменении высоты шасси относительно дорожного покрытия.
Датчик состоит из катушки, закрепленной на шасси, в которой перемещается сердечник, соединенный через кулачок с рычагом, закрепленном на мосте автомобиля.
При изменении расстояния по вертикали между шасси и мостом автомобиля рычаг поворачивается и смещает сердечник, приводя к изменению индуктивности катушки, соответствующий сигнал передается в электронный блок управления.

Электропневматический распределитель
Электропневматический распределитель состоит из группы электромагнитных клапанов, такая конструкция позволяет уменьшить размеры узла и снизить количество соединительных муфт.
Электромагнитные клапаны управляются непосредственно электронным блоком управления и позволяют увеличивать, уменьшать или поддерживать постоянным объем воздуха в пневматических рессорах.

Блок управления ECAS
Электронный блок управления поддерживает шасси автомобиля на постоянной высоте над уровнем дорожного покрытия в соответствии с данными, записанными в памяти или заданными водителем.

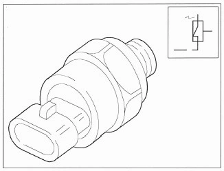
Датчик низкого давления в пневмосистеме
Манометрический переключатель расположен рядом с резервуаром в служебной зоне, на нагнетающем трубопроводе для пневматических подвесок.
Он предназначен для подачи сигнала о низком давлении (< 8 бар) посредством индикатора на приборной панели.

Пневматическая пружина подвески заднего моста
Это эластичный элемент, задача которого состоит в сохранении воздуха под давлением, также пневморессора может изменять свое растяжение независимо от значения применяемой нагрузки.

Вся информация доступна в