Электросхемы блока координатора SCANIA
Разъем

*Сигнал изменяется, например, в зависимости от степени нажатия на педаль акселератора.
Входные сигналы
В таблице приведен перечень входных сигналов, получаемых блоком-координатором.

*Сигнал изменяется, например, в зависимости от степени нажатия на педаль акселератора.
Выходные сигналы
В таблице приведен перечень выходных сигналов, которые может выдавать блок-координатор.

* Сигнал изменяется, например, в зависимости от температуры охлаждающей жидкости.
Прочие сигналы
В таблице приведен перечень штекеров разъема блока-координатора, обеспечивающих электрическое питание, системное соединение с "массой", соединение с проводами шины данных и т.д.

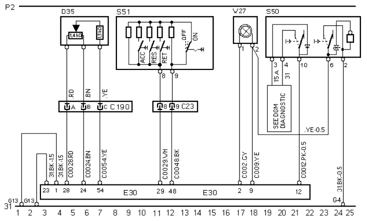
Схемы электрооборудования
Зоны 1 -25

Зоны 26 -50

Зоны 51 -75

Зоны 76 -100

См. также: