Проверка ижекторов Autocom_ом

Тот кто столкнулся с проблемой проверки инжекторов на мульти марочных сканерах, уже понял наверное какое это гиблое дело!
Не знаю как это происходит на дорогих мультиках – но на дешевых допустим такой как Autocom (а мы именно про него Мы и будем описывать) – сто процентов неудовлетворительный результат!
И как в следствии – потеря клиента, неплохого заработка и большое разочарование !
-Ну насчет потери клиента – тут все понятно. Ну а если не все – тогда немного статистики, вернее что Мы сможем сделать (решить проблему или нет) а потом что из это всего получится, т.есть – конечный результат:
И так к Вам приехал MAN с системой Common Rail. Те кто занимаются диагностикой знают, что система Common Rail – это достаточно капризная система. Ее умение диагностировать оттачивают диагносты на курсах за границей. Учат их там работать только на дилерском оборудовании про что по окончании дают соответствующие аттестаты. А как быть тем кто имеет не дилерское оборудование, как в нашем примере? Вот сейчас,если бы читали эту статью владельцы MAN CATS – они бы восторжествовали! Почему? А потому что - многие тесты и проверки – на мульти сканерах не доступны! Например невозможно провести тест на испытание высоким давлением! (хотя и заявленная возможность присутствует) А теста сжатия – вообще НЕТ! А тест на компрессию в данном случае вообще – не уместен! В результате у Вас нет ничего! Вернее есть. Но только - тест на обычное отклонение за счет регулирования плавности хода при частоте вращения на холостом ходу
(что это такое – я поведаю дальше)
Сразу не хочу огорчить владельцев дилеровских сканеров (типа MAN CATS) что не все так плохо как кается! (вы и так - свою капусту с "лохов" - нарубите!!!)
Поехали!
В этой статье я научу владельцев дешевых мультиков (будем отталкиваться от дешевого Autocom, хотя все что будет описано - можно реализовать на любом другом мультимарочнике) - пустить в работу капризную машину с системой Common Rail. И докажем что можно обойтись без дорогих дилероских прог и ихнего дорогого железа. Да и определим неисправность топливной системы - раз в десять быстрее чем это делают на СТО...
Ну а теперь по сути...
Клиент приходит и жалуется на большой расход топлива и ошибки
EDC 3775 _ EDC 3776 _ EDC 3778 _ EDC 3779 _ EDC 3780 _ EDC 3781
Открываете гребаный MANWIS и что видите ?

И что вы здесь умного вычитали? (в конце - как и в больнице - возможен летальный исход :)
Правда есть еще и гидравлические тесты. Но разбираться с этими мензурками, мерками и прочей лабудой – не дело диагноста, ну разве если Вы не хотите немного пропахнуть соляркой!
Посмотрим теперь Autocom_ом !
Не знаю что Вы здесь увидите? – лично я сначала не находил ничего интересного!
Но это было только сначала!
Да, кстати – это тест в реальном времени и напоминаю что тестируем систему Common Rail а если быть точнее – Систему впрыска с общим нагнетательным трубопроводом Common Rail EDC 7.
А вот и сам тест на отклонение за счет регулирования плавности хода при частоте вращения на холостом ходу

Кстати перед этим тестом были активны две ошибки EDC 3779 и EDC 3780


Можно естественно наугад или почти наугад (так кстати делают в некоторых сервисах) сказать о неисправности 3,4,5 форсунок! Почему три форсунки? Все очень просто – для гарантии! И деньжат больше с клиента слупить! И самому не опозориться когда клиент захочет менять форсунки в другом месте! Все таки плохая форсунка – где то между ними «должна» оказаться! Ну а если не угадали – можно на крайний случай и извиниться !
Ну а если по денежной статистике:
- три форсунки ремонт (около 300 евро)
- плюс диагностика (от 70 до 100 зеленых рублей)!
- еще работа моториста по снятию и установке (в час - от 20 до 50 долларов)
Круто? Да! Но это все до поры, пока например клиент не возьмет Вами сказанные форсы и не отвезет куда то к своим (что бы подешевле). И оттуда не узнает что например из трех инжекторов – всего то один неисправный!
-Неплохой заработок :
Ну естественно (при выше сказанных расценках) – заработок у Вас отличный! Но боюсь что одноразовый! Думаю что «реклама» о Вас сразу будет и по слухах и в сети Интернет - тоже!
-Ну и наконец – разочарование:
Естественно что оно будет большим!
- во первых – в том что Вы ничего сделать своим сканером не можете -во вторых – что от Вас ушли клиенты и другие вряд ли придут
- ну и так далее и так далее!
Ну а теперь вступление окончено и Мы перейдем действительно к делу (к чему Мы и стремимся)!
Сразу хочу предупредить, что у данного метода есть два подхода:
-левый – это когда есть запасной Блок дозирования ZME (MProp) (тогда начало ремонта начинается с его замены);
- и второй – это когда Блок дозирования ZME (MProp) меняется при необходимости в конце проверки ижекторов (если проверка – не дала никаких результатов).
И так, для начала выясним – что такое Блок дозирования ZME (MProp) и для чего он нужен!
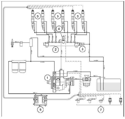
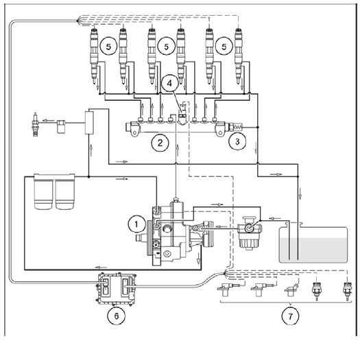
Блоком дозирования ZME (MProp) является исполнительный механизм для регулирования давления топлива в топливопроводе высокого давления (Rail). Блок дозирования находится на стороне низкого давления (стороне впуска) насоса высокого давления и закручен в корпус насоса высокого давления CP3. Насос высокого давления CP2/4 или CP9V4 для V-двигателя оснащен двумя блоками дозирования, так как здесь регулируются два топливопровода высокого давления (на каждый блок цилиндров один накопитель высокого давления).
Блок дозирования ZME регулируется выходом PWM (широтно-импульсным сигналом):
Коэффициент заполнения 100% блок дозирования закрыт (отсутствие подачи).
Коэффициент заполнения 0% блок дозирования открыт (максимальная подача).
Контур регулирования состоит из датчика магистрального давления, блока управления и блока дозирования.
Примечание по определению терминов: Блок дозирования может также обозначаться как „MProp“. Допускаются оба термина. MProp означает клапан пропорционального регулирования количества (топлива).

Выходной параметр магистрального регулятора давления или (параметр блока дозирования ZME)
Значение для управления редукционным клапаном THBД (Топливный Насос Высокого Давления). Оно означает положение клапана и рассчитывается в блоке управления, а не измеряется.
По данным исследований, это значение очень полезно для правильного управления давлением в аккумуляторе и определения герметичности топливной системы. Это значение не бывает постоянным, потому что это относится к части управляющего контура для давления в аккумуляторе.
Букварь по MAN CATS пишет следующее…
Необходимое значение при частоте вращения холостого хода: менее 6%
Примечание: Значение выше 6% означает возможность утечки в топливной системе. При этом отверстие редукционного клапана THBД увеличивается для восполнения потерь.
Если значение для управления редукционным клапаном увеличится на несколько
процентов, это может означать заедание клапана.
Другая возможная причина - затруднён ход THBД.
И так мы дошли до .............
Полностью всю статью по поиску неисправного инжектора - вы можете прочитать в нашей
Восстанавливаем блок дозирования Mprop
Когда я писал методику «Находим неисправный инжектор системы Common Rail» - и видя как часто приходится менять блок дозирования Мргор - меня постоянно преследовала мысль - а как восстановить этот дорогостоящий зловещий Мргор...
Как оказалось позже - опыты с вливанием WD 40 и подключением его к напряжению - оказались не столь эффективными!
Вернее они эффективны но на непродолжительное время!
Почему так происходило - не могли понять многие наши работники, которые неоднократно использовали этот метод...
Вероятнее всего это связано с большой точностью механических деталей входящих в блок дозирования.
И опять нам приходилось выкидывать этот дорогостоящий Nprop и покупать новый. После чего параметры топливной системы приходили в норму и проблема решалась!
Ну неужели нет выхода???
Оказывается есть!!!
И опять таки мы догадались (причем перепортив некоторое количество блоков - что бы дойти до истины!!!)
Сегодня я подробно расскажу вам как это сделать в рисунках при условии его электро исправности
Читайте нашу инструкцию не спеша, что бы не испортить этот
дорогостоящий Мргор.

Как видим - ничего лишнего кроме как резиновых колец с него снять не возможно - ПРАВДА?
Как не крутите его в руках - но с первого взгляда он кажется вообще не разборным. Вернее разобрать можно все, но потом его можно будет просто выбросить.
Итак снимем с него резиновые кольца.
Что мы видим. Да ничего.
А вот нет...!!!
Мы видим посадочное место под эти самые резиновые уплотнительные кольца.
И что нам это дало скажите вы?
Мы нашли способ полного восстановления MProp
(а это экономия около 150 американских рублей)!
Читайте все с илюстрациями в нашей

Содержание
Содержание Глава
EDC7, общая информация 1
EDC7, нейтрализация ОГ 2
EDC7, устранение неполадок 3
Сокращения, работа в группах 4
Краткие обзоры 5
Номенклатурные номера EDC 7, испытательные устройства 6
Система Common Rail EDC 7 2
Структура системы Common Rail 3
Техника безопасности 5
Соблюдение чистоты при работе с системами впрыскивания CR 5
Схема подачи топлива двигателя D2066 (Евро3) 9
Схема подачи топлива двигателей D0834/D0836 (Евро3/4) 11
Схема подачи топлива двигателя D2876 (Евро3) 13
Схема подачи топлива двигателей D20 / D26 (Евро 4/5) 15
Топливный центр Kraftstoff-Service-Center (KSC) 17
Компоненты в контуре низкого давления 19
Насос высокого давления 21
Демонтаж насоса высокого давления 26
Установка насоса высокого давления 26
Дозирующий элемент ZME Y332 28
Энергоаккумулятор высокого давления (Rail) 31
Двухступенчатый редукционный клапан (DBV) 32
Датчик давления в Rail B487 34
Инжектор от Y341 до Y346 35
Демонтаж инжектора 44
Установка инжектора 45
Датчики частоты вращения коленчатого вала 47
Датчик давления наддувочного воздуха B125 56
Датчик давления масла B104 58
Датчик давления топлива B377 59
Термодатчик охлаждающей жидкости B124 60
Термодатчик наддувочного воздуха B123 61
Пропорциональный клапан с двухступенчатым наддувом Y340 62
Электронный блок 66
Система Common Rail EDC 7

Система Common Rail является системой впрыскивания с аккумулированием
объема. В сравнении с прежней системой впрыскивания дизельного топлива
процесс нагнетания давления и впрыскивание не зависят друг от друга. Таким
образом, система Common Rail обеспечивает большую гибкость при
впрыскивании. На этой основе удалось разработать динамичные и
экономичные двигатели с ровным ходом.
Внимание
Для двигателей CR разрешается использовать только топливо согласно
Европейскому нормативу EN 590! Использование альтернативного топлива или
добавок к нему запрещено! В исключительных случаях после переговоров с
ответственным специализированным отделом разрешается использование
топлива FAME.
Структура системы Common Rail
Из топливного бака топливо подается через сепарфильтр на фильтр грубой
очистки, а с топливоподающего шестеренчатого насоса и главного фильтра - к
насосу высокого давления с регулированием расхода, где нагнетается
давление, необходимое для впрыскивания.
Для этого дозирующий элемент „MProp“ (количественный пропорциональный
клапан) ограничивает количество топлива, подаваемого на насос высокого
давления, и за счет этого производительность насоса увеличивается.
В насосе высокого давления осуществляется подача дизельного топлива в Rail
(аккумулятор давления) в таком количестве, пока не будет достигнуто
желаемое давление топлива. В насосе топливо постоянно находится под
необходимым для впрыскивания давлением, величина которого согласована с
рабочим состоянием двигателя (максимум 1600 бар).
В будущем давление в системе будет достигать до 1800 бар.
По трубопроводам высокого давления, Rail, аккумулятор давления, связан с
инжекторами, управляемыми магнитными клапанами, впрыскивающими
определенное количество топлива в камеру сгорания двигателя в соответствии
с величиной, задаваемой водителем.
Значение, задаваемое водителем, передается на процессор управления
автомобилем с помощью датчика хода педали акселератора. Благодаря этому
электронный блок EDC получает данные по M-CAN и регистрирует данное
рабочее состояние, производит расчет необходимого количества топлива на
основе универсальных характеристик, давление топлива, продолжительность и
начало впрыскивания. Открытие и закрытие магнитного клапана в инжекторе
определяют начало и конец впрыскивания.
Электронный блок EDC контролирует давление в аккумуляторе давления с
помощью датчика давления.
В случае неполадки клапан ограничивает давление в аккумуляторе давления,
примерно, на уровне около 800 бар таким образом, чтобы обеспечить
возможность аварийного хода.
Таким образом, существенным признаком системы впрыскивания CR является
отделение процессов нагнетания давления и впрыскивания из аккумулятора
давления.
Такая система впрыскивания с регулирование по времени позволяет
преодолеть типичные ограничения обычных систем с кулачковым управлением.
Увеличивающееся среднее давление впрыскивания, а также начало
впрыскивания могут выбираться независимо от работы двигателя, т.е. в
широком диапазоне независимо от работы двигателя.
Контроль гидравлических компонентов системы впрыскивания осуществляется с
помощью электронного блока EDC 7, чьи датчики постоянно регистрируют данные
в отношении двигателя или работы автомобиля. Так, например, датчик давления
в Rail, электронный блок и насос высокого давления с количественным
регулированием образуют цепь автоматического регулирования для получения
желаемого давления в Rail.
Остальные датчики, например, датчик температуры охлаждающей жидкости,
датчик температуры воздуха наддува или датчик атмосферного давления
помогают двигателю адаптироваться к меняющимся условиям внешней среды.
Электронный блок EDC 7 закреплен на двигателе с левой стороны по ходу
движения автомобиля. Электронный блок соединен кабелями с кабельным
колодцем на двигателе и инжекторами.

Схема подачи топлива двигателя D2066 (Евро3)
A Фильтр в топливном баке 300μм
B Клапан ограничения давления DBV (двухступенчатый) давление открывания около 1800 бар
C Перепускной клапан (1,2 –1,3 бар только для ЕВРО 3. Двигатель Евро 4 на месте этого клапана имеет дроссель в Rail (0,9 мм) к трубопроводу инжектора)
D Насос высокого давления CP 3.4
E Магнитный клапан для электрофакельного устройства облегчения пуска
F Инжектор
G Топливоподающий насос (4,5 –7,5 бар)
H Подключение обогрева топливного фильтра
I Топливоподкачивающий ручной насос с фильтром грубой очистки
J Напорный патрубок с фильтром
K Подключение датчика давления топлива
L Датчик давления в Rail
Прохождение топливопроводов
• От топливного бака к фильтру предварительной очистки
• От фильтра предварительной очистки к шестеренчатому насосу
• От топливоподкачивающего насоса к фильтру тонкой очистки
• От фильтра тонкой очистки к насосу высокого давления
• Слив от предохранительного клапана (5бар) насоса высокого давления к топливному баку
• От насоса высокого давления к Rail
• Слив от клапана ограничения давления к топливному баку
• Подключение инжектора к Rail
• Дренажный канал к топливному баку
• От фильтра тонкой очистки к электрофакельному устройству облегчения пуска
• Слив от клапана ограничения давления к топливному баку
Схема подачи топлива двигателя D2066 (Евро3)

A Топливный бак (фильтр впуска 300μм)
B Насос высокого давления CP3.3, раздача топлива
C Топливоподающий насос (4,5 –7,5 бар)
D Топливный фильтр
E Фильтр грубой очистки (Топливоподкачивающий ручной насос)
F Дозирующий элемент количественный пропорциональный клапан MProp
G Магнитный клапан электрофакельного устройства облегчения пуска
H Факельная свеча накаливания
I Клапан ограничения давления
J Rail
K Датчик давления в Rail
L Инжектор
M Обратный трубопровод (Перепускной клапан 1,2 -1,3 бар только в Евро3)
Схема подачи топлива двигателей D0834/D0836 (Евро3/4)

Указание: Насос высокого давления с топливной смазкой ЕВРО 4
Схема подачи топлива двигателя D2876 (Евро3)
A Фильтр на впуске топливного бака 300μм
B Перепускной клапан 0,5 бар, новый 1,2-1,3 бар
C Фильтр тонкой очистки насоса высокого давления
D Полый болт с дросселирующим отверстием 0,5 мм (следить за тем, чтобы использовались уплотнители BS)
E Перепускной клапан для электрофакельного устройства облегчения пуска (1,3-1,8 бар)
F Дросселирующее отверстие 0,5 мм
G Электрофакельная свеча накаливания
H Rail
I Датчик давления в Rail
K Клапан ограничения давления, двухступенчатый
L Kraftstoffservice Center
M Топливоподкачивающий ручной насос
N Топливоподающий насос (4,5 –7,5 бар)
O Насос высокого давления
Схема подачи топлива D2876 (Евро 3)

Схема подачи топлива двигателей D20 / D26 (Евро 4/5)
A Фильтр на впуске топливного бака 300μм
B Редукционный клапан DBV (двухступенчатый) давление открывания около 1800 бар
C Подключение трубопровода для слива (без клапана ограничения давления)
D Насос высокого давления CP 3.4+
E Магнитный клапан для электрофакельного устройства облегчения пуска
F Инжектор
G Топливоподающий насос (4,5 –7,5 бар)
H Датчик давления в Rail
I Топливоподкачивающий ручной насос с фильтром грубой очистки
J Напорная трубка со стержневым фильтром
K Подключение датчика давления топлива
L соединение (подача)
M соединение (слив)
N Топливный фильтр (3-5μм), постоянная вентиляция (0,3 мм)
Схема подачи топлива двигателей D20 / D26 (Евро 4/5)

Топливный центр Kraftstoff-Service-Center (KSC)
В двигателях Common Rail используется узел Kraftstoff-Service-Center (KSC).
KSC объединяет в себе фильтр грубой очистки, топливоподкачивающий ручной
насос, фильтр тонкой очистки, вентиляцию и нагревательный элемент в одной
детали.
На корпусе KSC установлен датчик для контроля давления топлива. Площадь
фильтра, примерно, на 50% больше и тоньше, чем у обычных фильтров.
Фильтрующий элемент подлежит удалению экологически чистым способом.
Фильтр предварительной очистки - моющийся.
Осторожно
При замене фильтра необходимо соблюдать ту же чистоту, что и при
замене инжектора (запрещается очищать корпус фильтра изнутри!)
Давление подачи и обратного хода
Слишком высокое давление обратного хода изменяет характеристики
инжекторов.
Слишком низкое давление подачи (например, неисправность топливного узла
KSC, или перепускного клапана…)
A Топливо от топливоподкачивающего насоса
B Обогрев фильтра
C Подача на электрофакельное устройство облегчения пуска
D Слив конденсата (отвинтить болт при замене фильтра)
E К топливному баку
F От топливного бака
G Ручной насос
H К топливоподающему насосу
I Фильтр грубой очистки

Компоненты в контуре низкого давления
Компоненты: - Топливный бак
- Шестеренчатый топливоподающий насос
- Топливный фильтр и трубопроводы низкого давления
Шестеренчатый топливоподающий насос подает топливо из топливного бака
через топливный узел KSC в насос высокого давления.
Все стационарные топливопроводы имеют исполнение полиамидных трубок со
штекерными соединениями, простыми в установке (Raymond).
(Клапан остановки слива установлен только в трубопроводе обратки)
(Подающий трубопровод Duck`s Bill)
Топливоподкачивающий насос низкого давления
• 1 Перепускной клапан открывается, примерно, при 10 – 11 бар
• 2 Запорный клапан слива для выпуска воздуха из системы
• 3 Шестеренчатый топливоподающий насос
• 4/5 Подача топлива от бака и далее к топливному узлу KSC
Подводящий трубопровод / сливной трубопровод (штепсельный разъем Raymond)
J Пропускное направление
I Duck Bill´s (клюв утки) являются лапками, которые автоматически открываются или закрываются за счет давления на всасывании
K Блокировка стока (от пружины)
Топливный насос, низкое давление

Штекерный разъем трубопровода (быстросъемная муфта Raymond)
С 10/2004 года в серийном производстве используется обозначение:
зеленая «быстросъемная муфта»

Насос высокого давления
Задачей зоны высокого давления является создание давления, необходимого
для осуществления впрыскивания и подачи достаточного количества топлива
во всех рабочих состояниях. Привод насоса высокого давления осуществляется
от двигателя. Смазка насоса осуществляется топливом или маслом. Топливо
подается от топливоподающего насоса по топливопроводам к топливному
фильтру (KSC), а затем через дозирующий элемент ZME в „камеру
всасывания“ насоса высокого давления. Топливоподающий насос (3)
подключен фланцами к насосу высокого давления.
Так как насос высокого давления подает только необходимое количество
топлива и производит благодаря этому нужное давление в Rail, его потребность
в мощности уменьшается.
В настоящее время для четырех – и шестицилиндровых двигателей MAN
используется только насос типа CP 3.4, смазываемый моторным маслом, для
D08.., D20 – вращение против часовой стрелки, а для D2866, D2876 – по
часовой стрелке.
Двигатели Евро 4 с системой OBD оборудованы насосом высокого давления
того же типа с топливной смазкой (CP 3.4+).
Для насосов с масляной смазкой слив топлива в количестве, определенном
регулятором, осуществляется не к баку, а от фильтра грубой очистки во
всасывающий трубопровод (частичный горячий контур).

Рисунок 1 / 2: насос высокого давления CP 3.4
1 подача топлива от топливного фильтра
2 к Rail
3 от фильтра грубой очистки
4 к фильтру
5 обратка к баку
6 дозирующий элемент ZME (количественный пропорциональный клапан)


A Зона высокого давления
B Зона низкого давления
C Заправка моторного масла
Внутренняя топливная схема двигателей D20 / D26
A Подача
B Обратка
C Насосы внутренней системы подачи топлива
1 Топливный бак
2 Фильтр грубой очистки (300μм)
3 Топливоподкачивающий ручной насос
4 Шестеренчатый насос
5 Предохранительный клапан (10-11 бар)
6 Воздуховыпускной клапан (обводной клапан 0,15 бар)
7 Kraftstoff Service Center (KSC)
8 Датчик давления топлива
9 Постоянная подача воздуха в KSC, 0,3 мм, макс. 10 л/час p 5 бар)
10 Перепускной клапан 5 бар
11 Дозирующий элемент / Количественный пропорциональный клапан (MProp.)
12 Насос высокого давления CP 3.4+
13 Ступенчатый перепускной клапан ~2,5 бар
14 Дроссель нулевой подачи
15 Дроссель электрофакельного устройства облегчения пуска 0,5 мм
16 Клапан ограничения давления 0,7 бар (Электрофакельное устройство облегчения пуска)
17 Датчик давления в Rail
18 Инжектор
19 Rail со встроенными дросселями 0.9 мм
20 Встроенный двухступенчатый клапан ограничения давления
21 Магнитный клапан электрофакельного устройства облегчения пуска
22 Электрофакельная свеча накаливания
23 Фильтр грубой очистки

Полностью всю статью - вы можете прочитать в нашей

Содержание
Содержание .....................................................................................................................................................3
1 История ........................................................................................................................................................6
2 Краткое описание ..........................................................................................................................................6
2.1 Топливная система Common Rail .................................................................................................................6
2.2 Электронное управление EDC 7 для системы Common Rail ............................................................................9
2.3 Основные возможности ...............................................................................................................................9
2.3.1 Расчёт необходимого давления впрыска....................................................................................................10
2.3.2 Начало впрыска........................................................................................................................................11
2.3.3 Дозирование топлива...............................................................................................................................11
2.3.4 Регулирование давления топлива..............................................................................................................11
2.3.5 Обеспечение плавной работы двигателя (согласование работы цилиндров) ..............................................11
2.3.6 Наддув, нейтрализация ОГ .......................................................................................................................12
2.3.6.1 Управление давлением наддува .............................................................................................................12
2.3.6.2 Система рециркуляции ОГ (EGR) .............................................................................................................13
2.3.6.3 Функции защиты двигателя ....................................................................................................................15
2.4 Дополнительные возможности......................................................................................................................16
2.5 Принципиальные схемы обработки сигналов системой EDC 7 .........................................................................16
2.5.1 Двигатели D08 CR Euro-4 с системой PM-KAT..............................................................................................17
2.5.2 Двигатели D20 CR Euro-4 с системой PM-KAT..............................................................................................18
2.5.3 Двигатели D08 CR Euro-5/EEV с контролем NOx и системой CRT..................................................................19
2.5.4 Двигатели D20, D26 CR Euro-5 c контролем NOx и системой SCR.................................................................20
2.5.5 Обработка сигналов системой управления AdBlue для двигателей D20,
D26 CR Euro-5 c контролем NOx и системой SCR ................................................................................................21
2.6 Обмен данными с другими системами управления ........................................................................................22
3 Узлы и элементы управления .........................................................................................................................25
3.1 Блок управления.........................................................................................................................................25
3.2 Аккумулятор высокого давления..................................................................................................................26
3.3 Форсунки ...................................................................................................................................................28
3.4 Топливный насос высокого давления ..........................................................................................................31
3.4.1 Отличия контура низкого давления на примере двигателя D20...................................................................32
3.4.1.1 ТНВД co смазкой моторным маслом и c внешним контуром (Euro-3) .........................................................32
3.4.1.2 ТНВД co смазкой топливом и c внутренним контуром (Euro-4, Euro-5, EEV) ..............................................33
3.5 Модуль фильтрации топлива (KSC) .............................................................................................................34
3.5.1 Замена топливного фильтра ....................................................................................................................36
3.6 Регулятор давления (DBV) ..........................................................................................................................37
3.7 Редукционный клапан ТНВД (ZME) ...............................................................................................................38
3.8 Показания дисплея и указатели ...................................................................................................................39
3.9 Вывод сообщений о неисправности на дисплей ............................................................................................40
3.10 Вывод данных по оборудованию и программе..............................................................................................42
3.11 Двигатель D2676LF22 Euro-5 c рециркуляцией ОГ........................................................................................45
3.11.1 Вид спереди и слева ...............................................................................................................................45
3.11.2 Вид спереди ............................................................................................................................................46
3.11.3 Вид сзади ................................................................................................................................................47
3.11.4 Вид справа ..............................................................................................................................................48
3.12 Датчики для контроля и регулирования нейтрализации ОГ ..........................................................................49
4 Версии программы системы управления............................................................................................................50
5 Программируемые функции ..............................................................................................................................51
5.1 Система управления EDC 7 ............................................................................................................................51
6 Ремонт, диагностика ........................................................................................................................................54
6.1 Поиск и устранение неисправностей...............................................................................................................54
6.2 Использование MAN-cats II ............................................................................................................................65
6.2.1 Мониторинг (Данные о работе оборудования) .............................................................................................65
6.2.1.1 Входные данные, для которых при определении неисправности используются
эквивалентные значения ....................................................................................................................................65
6.2.1.2 Мониторинг - Данные температуры ......................................................................................................... 66
6.2.1.3 Мониторинг - Значения давления ............................................................................................................ 68
6.2.1.4 Мониторинг - Магистральное регулирование (узел замера) (Редукционный клапан THBД) ......................... 70
6.2.1.5 Мониторинг - Значения частоты вращения двигателя.............................................................................. 72
6.2.1.6 Мониторинг -Параметры двигателя.......................................................................................................... 74
6.2.1.7 Мониторинг - Цилиндры.......................................................................................................................... 77
6.2.1.8 Мониторинг - Статус инжекторов ............................................................................................................ 80
6.2.1.9 Мониторинг - Статусная информация ...................................................................................................... 81
6.2.1.10 Мониторинг - Уставки/сообщения от FFR ............................................................................................... 85
6.2.1.11 Мониторинг - Регулирование давления наддува (для двигателей класса Euro-4, EEV) .............................. 88
6.2.1.12 Мониторинг - Обработка отработавших газов с целью снижения токсичности
(Нейтрализация ОГ) .......................................................................................................................................... 90
6.2.1.13 Мониторинг - Рециркуляция ОГ ............................................................................................................. 95
6.2.1.14 Мониторинг - Значения лямбда-зонда ................................................................................................... 101
6.2.2 Проверка оборудования ............................................................................................................................ 104
6.2.2.1 Тест исполнительного элемента (Проверка исполнительных устройств) ................................................... 105
6.2.2.2 Компрессионное тестирование (Проверка сжатия)................................................................................... 106
6.2.2.3 Тестирование разгона двигателя............................................................................................................. 108
6.2.2.4 Отключение цилиндров........................................................................................................................... 112
6.2.2.5 Проверка высокого давления .................................................................................................................. 113
6.2.2.6 Проверка регулятора давления через MAN-cats II..................................................................................... 116
6.2.3 Измерение утечки, проверка открытия регулятора с помощью тестера DLS и MAN-cats................................ 118
6.2.3.1 Принцип измерения утечек...................................................................................................................... 119
6.2.3.2 Схема подключения ............................................................................................................................... 120
6.2.3.3 Подключение тестера ............................................................................................................................. 121
6.2.3.4 Определение утечек с помощью тестера DLS .......................................................................................... 123
6.2.3.5 Проверка регулятора давления тестером DLS........................................................................................... 128
6.2.4 Сервисные мероприятия для проверки системы EDC.................................................................................... 131
6.2.4.1 Отмена ограничение крутящего момента ................................................................................................. 131
6.2.4.2 Инициализация поправочного коэффициента лямбда-зонда...................................................................... 133
6.2.5 Оценка значений........................................................................................................................................ 135
6.2.5.1 Эксплуатационные параметры.................................................................................................................. 136
6.2.5.2 Анализ сигналов ..................................................................................................................................... 137
6.2.5.3 Сброс всех параметров после замены фильтра сажи................................................................................ 141
6.2.5.4 EDC Trenddaten ...................................................................................................................................... 142
7 Источники информации и инструменты............................................................................................................. 143
7.1 Руководства по ремонту ............................................................................................................................... 143
7.2 Руководства по устройству............................................................................................................................ 143
7.3 Программное обеспечение MAN-cats II........................................................................................................... 143
7.4 Сервисная информация................................................................................................................................ 143
7.5 Инструменты ............................................................................................................................................... 145
7.5.1 Инструменты для проверки электрооборудования ...................................................................................... 145
7.5.2 Инструменты для проверки систем Common Rail и AdBlue............................................................................ 148
8 Неисправности................................................................................................................................................ 150
9 Схемы электрических соединений ................................................................................................................... 151
9.1 EDC 7 C3 и EDC 7 C32 (данные на июль 2010) ............................................................................................... 151
9.2 Схемы топливной системы для EDC 7 (данные наиюль 2010) ......................................................................... 155
9.2.1 Двигатель D2868LF02/LF03 (V8) (до октября 2007) ..................................................................................... 155
9.2.2 Двигатель D2868LF02/LF03 (V8) (c октября 2007)........................................................................................ 156
1 История
B 2002 году компания MAN впервые использовала топливную систему Common Rail и систему
EDC 7 для двигателя D0836. B 2004 году начат выпуск двигателей серии D20, а в последующие
годы - других серий. Изменения и улучшения этих систем происходят до сих пор. Важнейшие
сведения об этом даны ниже.
2 Краткое описание
2.1 Топливная система Common Rail
Для полного сгорания и, следовательно, низкого расхода топлива, уменьшения выбросов вредных
веществ с отработавшими газами, а также шума при работе двигателя требуется правильное
образование горючей смеси. Прежде всего это зависит от топливной системы. Требуется впрыск
топлива в нужном количестве, в нужное время и под высоким давлением.
Эти задачи выполняет аккумуляторная топливная система.
Главные особенности системы Common Rail
Давление впрыска создаётся независимо от нагрузки и частоты вращения двигателя.
Разделены задачи создания давления и впрыска топлива в нужное время.
Это даёт многие возможности уменьшения расхода топлива и вредных выбросов.
Высокое давление впрыска возможно даже при малой частоте вращения двигателя.
Это также обеспечивает незначительный выброс дыма в начале движения.
Низкое давление впрыска в режиме частичной нагрузки позволяет получить низкое
содержание оксидов азота (NOx) в выбросах.
Система управления EDC 7 делает возможным многофазный впрыск, особенно в
режимах холостого хода и частичной нагрузки.
Фаза предварительного впрыска позволяет уменьшить уровень шума благодаря
низким пикам давления.
Фаза предварительного впрыска также улучшает пусковые качества холодного двигателя.
Давление впрыска остаётся постоянным даже при повышенных температурах топлива.
Малый момент сопротивления привода топливного насоса высокого давления способствует
уменьшению шума в шестерёнчатом приводе и нагрузки на него.
Задачи создания давления и впрыска разделены. Топливо подаётся в отдельные цилиндры из общей
ёмкости (аккумулятора), где поддерживается высокое давление. Давление в аккумуляторе создаётся
насосом высокого давления и может меняться в зависимости от условий работы.
Каждый цилиндр двигателя имеет форсунку, открываемую и закрываемую электромагнитным
клапаном. Количество впрыскиваемого топлива зависит от степени и длительности открытия
отверстия форсунки, а также давления в аккумуляторе. По данным на июль 2010, в автомобилях MAN
используются гидравлические части, позволяющие создать давление в контуре высокого давления до
1800 бар. B будущем предполагается получать давление до 2500 бар и выше.
Разделение задач создания давления и впрыска позволяет лучше управлять процессом впрыска и,
следовательно, сгоранием топлива. Необходимое давление впрыска определяется по
характеристикм, хранящимся в EDC 7. Возможно формирование процесса двухфазного и
многофазного впрыска. Количество топлива, угол опережения впрыска и сам впрыск
управляются в форсунках электромагнитными клапанами очень быстрого действия.
Главные устройства системы Common Rail
Топливный насос высокого давления
THBД c количественным регулированием подаёт в аккумулятор количество топлива, необходимое
для получения нужного давления.
Аккумулятор высокого давления
Аккумулятор содержит определённый объём топлива, находящегося под давлением, необходимым
для впрыска. Трубки линии высокого давления соединяют аккумулятор отдельно с каждой форсункой.
На аккумуляторе установлен датчик для определения давления топлива.
Форсунка
Каждая форсунка управляется быстро работающим электромагнитным клапаном. При открытии
клапанов из аккумулятора в камеры сгорания подаётся определённое количество топлива.
Многоразовое включение клапанов с помощью электрических сигналов позволяет получить
многофазный впрыск - до 5 фаз за один ход поршня.
Система Common Rail

1 THBД c шестерёнчатым насосным
элементом и редукционным клапаном
2 Аккумулятор
3 Клапан-регулятор давления
4 Датчик давления в аккумуляторе
5 Форсунки
6 Система управления EDC 7
7 Датчики и исполнительные элементы
2.2 Электронное управление EDC 7 для системы Common Rail
2.3 Основные возможности
Главная задача электронного управления - обеспечение впрыска топлива в нужное время и в нужном
количестве для соответствующего режима работы.
Система управления, THBД и датчик давления в аккумуляторе (RDS) образуют управляющий контур.
Датчик температуры охлаждающей жидкости, воздуха наддува, атмосферного давления и другие
датчики позволяют подготовить двигатель к изменению условий работы.
Время впрыска и количество топлива рассчитываются отдельно для каждого цилиндра. Впрыск
происходит с помощью быстро открывающихся и закрывающихся электромагнитных клапанов в
форсунках.
За один рабочий ход впрыск делится на три фазы:
• предварительную,
• основную и
• дополнительную
B отличие от предварительной и основной фазы, в дополнительной фазе топливо не сгорает,
а испаряется под действием остаточного тепла. Эта обогащённая смесь топлива и отработавшего
газа в ходе такта выпуска подаётся через выпускные клапаны в систему выпуска. Топливо в
отработавшем газе используется как восстановитель в соответствующих нейтрализаторах
оксидов азота, что снижает их содержание в выбросах.
Следующей задачей электронной системы является управление пуском двигателя. Обмен данными
между иммобилайзером (противоугонным устройством) в компьютере FFR и системой EDC позволяет
определить выполнение требований к безопасности, необходимых для пуска стартера, и наличие
определённого количества топлива для пуска двигателя.
Дополнительные сведения указаны в описании системы EDC 7
Важнейшие основные возможности системы EDC 7
• Расчёт и ограничение необходимого давления впрыска
• Изменение давления впрыска в зависимости от высоты
(защита турбокомпрессора) с помощью встроенного датчика атмосферного давления
При низком атмосферном давлении высоко над уровнем моря, из-за малого расхода воздуха
частота вращения турбокомпрессора может стать критической. Поэтому для защиты
турбокомпрессора величина впрыска уменьшается во избежание превышения допустимой
частоты вращения.
• Управление пуском
EDC 7 разрешает пуск интегрированного механического реле IMR (Integriertes mechanisches
Relais) для стартера. Команда для этого поступает от компьютера FFR по системе передачи
данных CAN для двигателя.
• Дозирование топлива
• Регулирование давления топлива
• Снижение давления топлива
Аварийный режим для преодоления опасных условий или продолжения пути к ближайшему
сервисному центру при давлении в аккумуляторе ок. 800 бар и сниженной мощности.
• Установка минимальной частоты вращения в режиме холостого хода
• Ограничение максимальной частоты вращения, крутящего момента, образования дыма
• Обеспечение плавной работы двигателя (согласование работы цилиндров - только в
режиме холостого хода)
• Отключение цилиндров
• Управление рециркуляцией ОГ
• Управление давлением наддува и нейтрализацией ОГ
• Управление температурой и составом ОГ
• Управление давлением наддува
• Обработка сигналов и расчёт необходимых значений
• Диагностика и контроль
• Система OBD для слежения за содержанием вредных выбросов
(для двигателей класса Euro-4 и выше)
• Встроенная память для температуры
Постоянная запись нижних и верхних значений температуры в блоке управления
2.3.1 Расчёт необходимого давления впрыска
Одной из главных функций EDC является расчёт необходимых значений давления впрыска для
соответствующих условий работы двигателя. B неё входях следующие подфункции:
• Пусковая подача
Расчёт количества топлива в соответствии с преобладающими граничными условиями,
для быстрого пуска двигателя с образованием наименьшего количества дыма.
Расчёт пусковой дозы занимает три этапа: разрешение получения пусковой дозы, впрыск
для пуска, пуск двигателя (получение минимальной частоты вращения для самостоятельной
работы двигателя).
• Регулирование минимальной частоты вращения холостого хода
Задача этой функции - поддержание постоянной частоты вращения в режиме холостого
хода при любых условиях (холодном или прогретом двигателе, генераторе, работающем с
нагрузкой, работающем кондиционере и др.).
• Регулирование промежуточной частоты вращения
Поддержание постоянной частоты вращения при изменяющихся нагрузках на
двигатель - использовании отбора мощности для работы дополнительных устройств
(гидравлических установок, подъёмного крана и др.)
• Ограничение крутящего момента (начиная с версии EDC 7 C32 V31 - OBD 1b c контролем
NOx): Эта функция обрабатывает запросы на ограничение количества впрыскиваемого
топлива при превышении содержания оксидов азота в выбросах. Это необходимо для
удовлетворения государственных норм выбросов.
Запрос на ограничение крутящего момента из-за нарушения предельного количества NOx
может исходить от самой системы EDC и от системы AdBlue в автомобилях с системой
нейтрализации SCR.
• Ограничение количества топлива
Некоторые условия могут потребовать ограничения подачи во избежание следующих
нежелательных явлений.
• Ограничение максимальной частоты вращения
B MAN-cats эта функция называется "Предельное регулирование частоты вращения".
Она служит защите двигателя от недопустимо высокой частоты вращения. Для каждой
модели двигателя задана наибольшая частота вращения, превышение которой в течение
продолжительного времени запрещено во избежание повреждения двигателя.
• Необходимое количество топлива
Расчёт количества для разных условий работы происходит на основании действий водителя,
температуры охлаждающей жидкости, давления наддува и других входящих значений.
2.3.2 Начало впрыска
Начало впрыска значительно влияет на производительность, расход топлива, шум и количество
вредных выбросов. Заданное начало впрыска определяется по частоте вращения и необходимому
количеству топлива. Значения для начала впрыска заданы в характеристиках.
B этом модуле происходит расчёт начала впрыска для следующих фаз:
• предварительной,
• основной и
• дополнительной.
Кроме частоты вращения и количества впрыскиваемого топлива, среди прочих,
для расчёта начала впрыска также важны:
• температура охлаждающей жидкости
• температура воздуха наддува
• атмосферное давление
• степень рециркуляции ОГ
• пусковая доза
2.3.3 Дозирование топлива
Расчёт дозирования для пуска, режима холостого хода, принудительного холостого хода,
движения и других условий работы на основании длительности впрыска, т.е. путём управления
форсунками с учётом давления топлива.
2.3.4 Регулирование давления топлива
Расчёт необходимого значения, регулирования и контроля давления топлива.
Функция Расчёта необходимого значения определяет нужное количество по следующим
величинам:
• частота вращения двигателя
• необходимое давление впрыска
• температура охлаждающей жидкости
• температура воздуха наддува
• давление наддува
• положение клапана системы рециркуляции
• требуемая величина впрыска, заданная компьютером FFR
• степень очистки фильтра сажи
• запрос на снижение количества NOx возможностями двигателя
• требуемая тормозная мощность моторного тормоза
Функция Регулирования давления топлива служит для установки давления в аккумуляторе
через редукционный клапан (ZME).
Функция Контроля давления топлива следит за допустимым давлением в аккумуляторе,
допустимыми отличиями от необходимых значений, отклонениями редукционного клапана
THBД и другими возможными несоответствиями, а также утечками.
2.3.5 Обеспечение плавной работы двигателя (согласование работы цилиндров)
Главной задачей этой функции является определение "правильного" ускорения вращения для
двигателя и позволяет получить равномерную работу двигателя, прежде всего в режиме
холостого хода.
Поэтому эта функция доступна только в режиме холостого хода!
Слежение за частотой вращения позволяет определить цилиндры с отдачей крутящего момента
выше или ниже среднего крутящего момента на цилиндр. Причиной несоответствия отдачи крутящего
момента могут быть разные степени сжатия в цилиндре, разное трение или количество топлива в
форсунках.
Соответствующий алгоритм задаёт количество топлива отдельно для каждого цилиндра.
Дополнительные сведения указаны в Руководстве T18 по электронному управлению EDC 7
для систем Common Rail (7.2).
2.3.6 Наддув, нейтрализация ОГ
2.3.6.1 Управление давлением наддува
Эта функция улучшает распределение крутящего момента в режимах максимальной мощности и
смену наполнения цилиндров в режимах частичных нагрузок.
Расчёт необходимого давления наддува или положения для включения исполнительного устройства
(клапана перепуска ОГ) происходит из следующих входных величин:
• частота вращения двигателя
• температура воздуха наддува
• атмосферное давление
• давление наддува
• положение клапана системы рециркуляции
• необходимое количество топлива
• требуемая тормозная мощность моторного тормоза
Полностью всю статью - вы можете прочитать в нашей
РАСКЛАДКА НОМЕРОВ КАБЕЛЕЙ
05 ТОПЛИВНАЯ СИСТЕМА, ОБЕСПЕЧЕНИЕ ОБОГРЕВА
050 Обеспечение (от предохранителей или главного выключателя)
05000 Предохранитель F156 - реле обогрева топливного фильтра
05001 Предохранитель F232 - реле обогрева топливного фильтра
051 Датчики, сенсоры, контрольные лампы
05100 Реле обогрева топливного фильтра - температурный выключатель обогрева топилвного фильтра
053 Потребители
05300 Реле обогрева топливного фильтра - элемент нагрева топливного фильтра
05301 Реле обогрева топливного фильтра - элемент нагрева топливного фильтра
055 Другие кабели
05501 Выключатель обогрева топливного фильтра - диод V145
05502 Диод V145 - штекерное соединение Х43Э - реле К 177
14 АВАРИЙНОЕ ОТКЛЮЧЕНИЕ, ЗАЩИЩЕННЫЕ КОНТУРЫ ТОКА
140 Обеспечение (от предохранителей или главного выключателя)
14000 Ограничитель тока кл. 30 (аварийный выключатель аккумулятора)
14001 Ограничитель тока кл. 31 (аварийный выключатель аккумулятора)
14002 Аварийный выключатель аккумулятора (обеспечение плюс)
14003 Ограничитель тока кл. 30 (главный выключатель аккумулятора 2-польный)
14004 Ограничитель тока кл. 31 (главный выключатель аккумулятора 2-польный)
14006 Диодная группа аварийного выключателя
14007- Аварийный выключатель аккумулятора - кнопка аварийного отключения кабины водителя снаружи
143 Потребители
14300 Аварийный выключатель аккумулятора ВКЛ.
14301 Аварийный выключатель аккумулятора ВЫКЛ.
145 Другие кабели
14500 Аварийный выключатель аккумулятора - защита генератора
14501 Аварийный выключатель снаружи - аварийный выключатель кабины водителя
14502 Аварийный выключатель - диодная.группа (восьмерная)
15 СНАБЖЕНИЕ НАПРЯЖЕНИЕМ КЛЕММА 15
150 Обеспечение {от предохранителей или главного выключателя)
15000 Главный выключатель аккумулятора - основной предохранитель
15001 Основной предохранитель - другие предохранители
15002 Замок рулевого колеса - диод V I01 - переключатель рулевой колонки - выключатель света
15003 Основной предохранитель - другие предохранители
15004 Предохранитель F115 - защита от низкого напряжения
15005 Реле К114 - потребители
15006 Предохранитель F107 -.-потребители снаружи кабины водителя
15007 Замок рулевого колеса кл. справа
15008 Замок рулевого колеса кл. 15
15009 Старт-стоп на EDC MS 5
15010 Старт-стоп на EDC MS 5
151 Датчики, сенсоры, контрольные лампы '
15100 Реле К114 - контрольная пампа низкого напояжения
155 Другие кабели
15500 Защита от низкого напряжения - реле К114
15501 Реле главного выключателя аккумулятора - диод V I31 - V I02 - V I34
15502 Репе К197 - предохранитель F107 — предбхранитель 13 - штекерное соединение 1-польное
15503 Диод противоугонной системы - предохранитель противоугонной системы
15504 Обеспечение прицепа (предохранитель наполнения)
16 УСТРОЙСТВО КОНТРОЛЯ, ТАХОСПИДОГРАФ
160 Обеспечение (от предохранителей или главного выключателя)
16000 Включенный плюс от предохранителя F108
Полностью все номера - в нашей
ABS/ASR D - версия для кабины
1. Введение
Назначение антиблокировочных систем (ABS) предотвращать блокировку колес транспортного средства, возникающую в результате избыточного действия рабочей тормозной системы преимуще-
ственно на дорогах с низким коэффициентом сцепления. Это позволяет сохраняться силам бокового увода колес даже при экстренном торможении. Тем самым гарантируется стабильность движения и управляемость автомашины или автопоезда (тягач/полуприцеп) в пределах физических возможностей.
В тоже время достигается оптимальное сцепление шин с дорожным покрытием при торможении и, в результате этого, оптимальные замедление транспортного средства и тормозной путь.
После начала эксплуатации упрощенного варианта ABS в США в середине 70 годов более эффективные ABS для грузовых автомобилей были впервые представлены в конце 1981 года
фирмами Mercedes-Benz и WABCO.
Системное устройство и принципы управления этой четырехканальной системы с индивидуальным регулированием колес (4 колесных датчика и 4 модулятора, в дальнейшем 4S/4М ) утвердились
на европейском рынке грузовых автомобилей и послужили основой для всемирного стандарта.
4-хи 6-ти канальные ABS и ASR доказали свою исключительную надежность при эксплуатации грузовых автомобилей.
Спрос на данные системы растет не только в Германии и Европе, но и в Израиле и Австралии, а также с недавних пор в США и Японии.
Также известно, что ЕЭС и другие страны принимают законы, регламентирующие обязательное использование антиблокировочных систем для определенных категорий грузовых транспортных
средств.
Введение в действие этих требований привело к еще более широкому использованию ABS и, соответственно, к возрастанию количества производимых систем, что в свою очередь приводит к снижению затрат на их производство, несмотря на ужесточение конкуренции.
WABCO выпустила 4-е поколение ABS и ABS/ASR версии D.
Данная система базируется на новых разработках в области электроники, таких как более эффективные микрокомпьютеры и системы хранения информации, и учитывает новые принципы диа-
гностики. 4-х и 6-ти канальные ABS/ASR для грузовых транспортных средств имеют подключения для связи с системой электронного управления двигателем, а также в качестве опции есть возможность использовать встроенный ограничитель по скорости. При движении по грунтовым дорогам (off-road) имеется возможность использовать специальные функции как для ABS, так и для ASR.
В данном описании приводятся общие принципы действия, строение и системная конфигурация антиблокировочной системы WABCO вместе с интегрированной системой регулирования скольже-
ния ведущей оси (ASR) для грузовых транспортных средств.
2. Принцип работы
2.1 Описание цикла управления ABS.
Цикл управления ABS выглядит следующим образом. В случае предстоящей блокировки колеса давление в тормозной камере соответствующего колеса понижается, сохраняется постоянным в
течение ожидаемого или измеряемого ускорения колеса и ступенчато повышается после ускорения колеса. Цикл может быть повторен, если тормозная сила все еще слишком велика для конкретных
условий сцепления колеса с дорожным покрытием.
Тормозные силы задних колес регулируются по принципу индивидуальной регулировки (IR), колеса передней оси регулируются по принципу модифицированной регулировки (MIR).
На иллюстрации 1 наглядно изображен принципиальный цикл работы ABS с важнейшими рабочими
параметрами порога замедления колеса -b, порога ускорения колеса +b, а также порога проскальзывания λ1 и λ 2.

С увеличением тормозного давления колесо соответственно замедляется. В точке 1 замедление колеса превышает величину, которую замедление автомобиля физически превысить не может. Базовая скорость, соответствовующая до этого скорости колеса, теперь значительно отличается от скорости колеса которая, начиная с точки 2 (превышение порога - b) существенно понижается.
В точке 2 порог замедления b превышается. Колесо движется в зоне неустойчивого участка кривой проскальзывания μ-λ. Колесо теперь достигает своей максимальной силы торможения, так что
дальнейшее увеличение тормозного момента увеличивает исключительно замедление колеса, а не транспортного средства. По этой причине тормозное давление быстро понижается и замедление колеса на короткий период времени уменьшается. Время, требуемое для уменьшения замедления
колеса, определяется гистерезисом колесного тормоза и характеристикой кривой проскальзывания μ-λ в неустойчивом диапазоне.
Только после прохождения гистерезиса колесного тормоза дальнейшее понижение тормозного давления ведет к снижению замедления колеса.
В точке 3 сигнал замедления вновь находится в пределах порога -b, и тормозное давление поддерживается на протяжении фиксированного времени T1 постоянным.
Как правило ускорение колеса превышает в течении этого времени порог ускорения +b (точка 4). На время превышения этого порога тормозное давление поддерживается постоянным. Если (напр., на поверхности с низким коэффициентом сцепления) ускорение колеса не достигает порога ускорения +b за временной отрезок T1, то тормозное давление через сигнал проскальзывания λ1 понижается еще ниже. Более высокий порог проскальзывания λ2 при данных обстоятельствах регулировки не
достигается.
В точке 5 преодолевается порог ускорения +b; колесо находится в стабильной зоне кривой проскальзывания μ-λ.
Теперь на определенное время T2 тормозное давление подается со значительным нарастанием для преодоления гистерезиса механизма колесного тормоза. Время T2 для первого цикла регулировки задается постоянным, а для каждого последующего цикла рассчитывается заново. После быстрой начальной фазы управления, в дальнейшем тормозное давление повышается с пульсацией, чередуя при этом поддержание и подачу давления. Описанная здесь принципиальная логика не является
строго заданной, а приспосабливается к конкретным динамическим характеристикам колеса, к различным коэффициентам трения, т. е. система выполнена как адаптируемая система управления. Значения порогов замедления, ускорения и проскальзывания не постоянны, а зависят от многих параметров, например, от скорости движения, от замедления транспортного средства и т.д.
Число циклов регулировки определяется динамическими характеристиками всего регулировочного контура, состоящего из: конура управления ABS, колесного тормоза, колеса, дорожного покрытия.
Сцепление колеса с дорожным покрытием при этом имеет главное значение.
Как правило, имеют место от трех до пяти циклов в секунду но, например, на мокром льду гораздо меньше.
Если во время цикла управления ABS включен моторный тормоз или тормоз замедлитель, то они, при определенных условиях, на время работы ABS отключаются.
Для передних колес, как уже отмечалось выше, используется принцип модифицированной индивидуальной регулировки (MIR) при котором электронный блок управления ABS сравнивает сигналы с датчиков передних колес и модулирует торможение для обоих передних колес. Если, например, на дороге с односторонним низким коэффициентом сцепления осуществляется управление одного из передних колес, ABS регулирует тормозное давление другого колеса таким образом, что до определенного максимального значения создается (медленно, градуированными шагами) разница давлений в тормозных камерах передних колес.
При конфигурации 4S/3M на переднюю ось устанавливается всего один модулятор ABS. Управление ABS осуществляется при этом по первому заблокированному колесу передней оси. Таким образом,
алгоритм работы в этом случае похож на так называемую регулировку Select Low и носит название модифицированного осевого регулирования (MAR).
Для транспортных средств с колесной формулой 6х4 и 6х2 с системой ABS 4S/4M используется подобный принцип для управления двух задних колес одной стороны, которые подключаются к
одному модулятору. Алгоритм в этом случае называется модифицированное регулирование по бортам (MSR).
2.1.1 Внедорожный режим работы ABS
Внедорожный режим работы может быть использован в случае, если необходимо большее проскальзывание колес (кратковременная блокировка), например, для торможения на особых поверхностях. Правила №13 ЕЭК ООН серии 7 требуют автоматического отключения функции внедорожного режима работы ABS при повторном включении замка зажигания.
Решение об установке переключателя внедорожного режима работы ABS принимает сам производитель в зависимости от типа и области применения транспортного средства. При внедорожном режиме отключается управление ABS при скорости автомашины менее 15 км/ч и допускается большее проскальзывание колес при торможении со скорости автомашины до 40 км/ч. При скорости автомашины более 40 км/ч осуществляется стандартное ABS регулирование.
О выбранном режиме водитель информируется посредством контрольной лампы ABS (WL) которая медленно мигает до тех пор, пока внедорожный режим работы ABS не будет отключен (исключение: ошибка в работе системы, контрольная лампа горит постоянно). Скоростной диапазон и функционирование контрольной лампы при внедорожном режиме ABS могут быть изменены установкой соответствующего параметра.
Производитель транспортного средства обязан указать в «Руководстве по эксплуатации автомобиля», что внедорожный режим работы ABS не должен использоваться в нормальных дорожных условиях, так как автомобиль при этих обстоятельствах не будет соответствовать правилам №13 ЕЭК ООН.
2.2 ASR
В дополнение к системе ABS грузовые автомобили и автобусы могут оборудоваться системой противобуксовки ведущих колес ASR (Anti Spin Regulation). Философия ASR - удерживать пробуксовку ведущих колес, сравнивая ее с не ведущими передними колесами, в диапазоне, обеспечивающем оптимальное тяговое усилие и устойчивость.
Если была зафиксирована пробуксовка ведущих колес, то в зависимости от дорожных условий ASR осуществляет управление двигателем и/или управляет тормозным давлением в контуре ведущих колес. На однородном дорожном покрытии управление осуществляется в основном посредством снижения оборотов двигателя, при этом за счет управления тормозным давлением колеса будут
только синхронизироваться. На дорожном покрытии с разными коэффициентами трения под ведущими колесами осуществляется так называемое дифференциальное управление тормозным давлением, при котором сжатый воздух подается в тормозную камеру пробуксовывающего колеса. Таким образом, крутящий момент двигателя передается к не вращающемуся колесу. Управление двигателем осуществляется лишь в том случае, если оба ведущих колеса пробуксовывают или если пробуксовка одного из них превышает определенное пороговое значение. При дифференциальном управлении тормозным давлением сжатый воздух подается в тормозные камеры вращающихся колес при помощи специального дифференциального клапана.
Уровень давления в тормозной камере пробуксовывающего колеса контролируется соответствующим клапаном ABS.
Магнитный клапан ABS не вращающегося ведущего колеса перекрывает подачу сжатого воздуха. Эта функция отсечки тормозного давления возможна для модуляторов дополнительной оси, если на
автомобиле установлена 6 канальная система ABS/ASR или для дополнительного магнитного клапана, если на автомобиле с колесной формулой 6х2 установлена 4-х канальная система. Для предотвращения перегрева тормозных механизмов рабочей тормозной системы пороговое
значение дифференциального управления тормозным давлением линейно увеличивается при скорости транспортного средства более 35 км/ч таким образом, что пробуксовка ведущих колес регулируется при увеличении скорости все больше и больше посредством уменьшения числа оборотов двигателя. Когда скорость транспортного средства превышает 50 км/ч, дифференциальное управление тормозным давлением снимается, а продолжается уже начатое регулирование числа оборотов двигателя. Система ASR для автомобилей с колесной форму лой 6х4 с системой ABS/ASR 6S/4M или 6S/6M учитывает скорости и ускорения обоих ведущих колес, расположенных по одному из бортов. В отличие от системы 4S/4M, эта система в состоянии предотвратить пробуксовку или блокировку всех ведущих колес.
2.2.1 Тяговый режим
При движении по глубокому снегу или схожих условиях тяговое усилие может быть увеличено активизацией специального режима работы ASR. Соединением переключателя тягового режима с «минусом» аккумулятора на время не менее 150 мсек. электронный блок ABS/ASR переводится в режим работы ASR с другими пороговыми значениями регулирования, который позволяет большую пробуксовку ведущих колес. Как альтернатива возможно применение обычной кнопки для переключения режимов работы ASR, если была сделана установка соответствующих параметров в электронном блоке. При данном режиме работы лампа ASR медленно мигает для информирования водителя о работе ASR в тяговом режиме и возможном уменьшении управляемости транспортного средства.
2.3 Ограничение скорости при помощи пропорционального клапана
Для ограничения скорости в некоторых типах электронных блоков имеются дополнительные выходы управления ABS/ASR, через которые происходит управление пропорциональным клапаном (GB Prop) и рабочим цилиндром ASR. Эти компоненты, воздействуя на рейку топливного насоса, модулируют мощность двигателя таким образом, что установленная граничная скорость не будет превышена. При реализации функции ограничения скорости на транспортном средстве, оборудованном двигателем с однорычажным топливным насосом, для предотвращения глушения двигателя, если рычаг насоса при ограничении скорости переместится под действием рабочего цилиндра в зону глушения двигателя - необходимо использование цилиндра холостых оборотов. Ограничитель скорости WABCO с пропорциональным клапаном (GB Prop) отвечает новейшим европейским требованиям по оснащению грузовых транспортных средств системами ограничения скорости. Значение граничной скорости является частью устанавливаемых параметров и запоминается в ПЗУ (EEPROM) электронного блока управления ABS/ASR. При стандартной установке параметров значение граничной скорости устанавливается равным 160 км/ч, что в действительности означает отсутствие ограничения скорости для грузовых транспортных средств.
Это значение граничной скорости может быть изменено при помощи диагностического контроллера WABCO. При этом минимальное значение граничной скорости составляет 20 км/ч. Для транспортных средств с не синхронизированной коробкой передач сигнал нейтральной передачи должен передаваться от соответствующего выключателя на специальный вход.
Кроме ограничения максимальной скорости имеется возможность при помощи параметрирования устанавливать второй предел ограничения скорости (минимальная скорость темпосета).
При нажатии на клавишу темпосета происходит запоминание текущей скорости и сравнение данной скорости с параметрированной. До тех пор, пока включена клавиша, скорость транспортного средства ограничивается по наибольшему значению скорости.
Тахограф, подсоединяемый к входу для сигнала C3/B7 электронного блока управления ABS/ASR, должен преобразовывать расстояние в сигнальные импульсы с коэффициентом преобразования в диапазоне от 2400 до 24000 импульсов на километр. Моделями тахографов, вырабатывающих соответствующие, сигналы являются, например, тахографы фирмы KENZLE модели 1314 или 1318.
Электронный блок управления проверяет входной сигнал соответственно на правдоподобие и ошибки. Для информирования о зафиксированной ошибке используется контрольная лампа, в данном случае лампа ASR, которая загорается при скорости транспортного средства более 3 км/ч.
Если сигнал тахографа отсутствует, то для ограничения скорости будут использоваться сигналы с колесных датчиков системы ABS/ASR. (не соответствует европейским нормам!)
Полностью всю статью - вы можете прочитать в нашей
Сокращения
A
а Ускорение
ABE Общее разрешение на эксплуатацию
ABS Антиблокировочная система
ABV Автоматическое антиблокировочное устройство
AC Air Condition (кондиционер/климат-контроль)
ACCAdaptive Cruise Control (система регулирования скорости с автоматическим поддержанием безопасной дистанции)
ACK Acknowledge (подтверждение)
ADC Аналогово-цифровой конвертер (преобразование аналоговых сигналов в цифровые)
ADR Международное соглашение по автомобильной транспортировке опасных грузов (GGVS)
AGB Автоматический ограничитель скорости
AGND Analog Ground (аналоговая масса)
AGR Рециркуляция ОГ (отработанных газов)
AHK Тягово-сцепное устройство
AHV Тормозной клапан прицепа
ALB Автоматическое регулирование тормозного усилия в зависимости от нагрузки
AMA Антенная мачта
ANH Прицеп/полуприцеп
AS Автоматическая коробка передач
ASD Розетка прицепа
ASM Модуль управления прицепа
ASR Антипробуксовочная система
ASV Клапан управления прицепа
ATC Automatic Temperature Control (автоматическое регулирование температуры)
ATF Automatic Transmission Fluid (трансмиссионное масло автоматической коробки передач)
AU Контроль токсичности ОГ
AV Выпускной клапан
AVS Автоматическая преселективная система
B
BA Руководство по эксплуатации
BBA Рабочая тормозная система
BBV Рабочий тормозной клапан
BKR Регулятор тормозного усилия
BUGH Система отопления спереди
BV Резервный клапан (запасной клапан)
BVA Индикатор износа тормозных накладок
BVS Датчик износа тормозных накладок
BVV Питание датчика износа тормозных накладок
BW Бундесвер
BWG Датчик тормозного коэффициента
BZ Тормозной цилиндр
C
CAN Controller Area Network (шина данных с бит-последовательной передачей)
CAN-H Линия передачи данных CAN-high
CAN-L Линия передачи данных CAN-low
CATS Computer- Assisted Testing and diagnosting System (компьютерная система контроля и диагностики)
CCVS Cruise Control Vehicle Speed (режим поддержания постоянной скорости Темпомат)
CDC Continuous Damping Control (непрерывная регулировка амортизаторов)
CKD Complete Knocked Down (полностью разобранный автомобиль)
CNG Compressed Natural Gas (сжатый природный газ)
CPU Central Processing Unit (центральный процессор)
CRT Continously Regenerating Trap (глушитель, катализатор окисления, фильтр дизельных частиц)
CRC Cyclic Redundancy Check (контроль циклическим избыточным кодом)
CS Джойстик управления сцеплением Comfort-Shift
D
DAHL Потолочный вентилятор
DBR Реле тормоза-замедлителя
DCU Dosing Control Unit (Блок управления дозированием AdBlue)
DF Датчик частоты вращения
DFÜ Дистанционная передача данных
DIA Диагностический и информационный дисплей
DIAG Диагностика автомобиля в целом
DIAG MUX Мультиплексный центральный процессор для автомобиля в целом (автобус)
DIAK Диагностика, K-кабель (линия передачи данных)
DIAL Диагностика, L-кабель (линия возбуждения)
DIAR Диагностика, повторное возбуждение
DIN Промышленный стандарт ФРГ
DKE Открытие дроссельной заслонки (регулирование ASR)
DKH Обогрев потолочного канала
DKL Крышки люков
DKR Закрытие дроссельной заслонки (запросы закрытия от ASR к EDC/EMS)
DKV Предписанное значение дроссельной заслонки (сигнал датчика нагрузки от педального датчика EDC/EMS)
DLB Пневматическая тормозная система
DM Diagnostic message (сообщение диагностики)
DNR Нейтральное положение заднего хода (рычажный коммутатор автоматической коробки)
DPF Фильтр дизельных частиц
DRM Модуль регулирования давления
DS Датчик давления
DSV Клапан регулирования давления
DTC Диагностика кодов неисправностей
DTCO Цифровой спидограф
DV Дроссельный клапан
DWA Противоугонная сигнализация
DZG Датчик частоты вращения
DZM Тахометр
E
EBS Электронная тормозная система
ECAM Electronically Controlled Air Management (электронная система подачи сжатого воздуха) → Заменена PSC
ECAS Electronically Controlled Air Management (электронная пневматическая подвеска)
ECE Аварийное отключение согласно ECE 36
ECU Electronic Control Unit (блок управления)
EDC Electronic Diesel Control (электронная система управления впрыском дизельного топлива)
EDM Электронная система контроля расхода дизельного топлива
EDR Ограничитель максимальной частоты вращения
EEC Электронный контроллер двигателя (Electronic engine controller)
EEPROM ЭСППЗУ — стираемая и перезаписываемая (программируемая) энергонезависимая память
EFR Электронная система регулирования ходовой части → Заменена CDC
EFS Электрическое сиденье водителя
EHAB Электрогидравлический блокиратор
ELAB Электрический блокиратор
ELF Электронная пневматическая подвеска
EMS Электронная система управления мощностью двигателя
EMV Электромагнитная совместимость
EOL End Of Line (программирование на выходе с конвейера)
EP ТНВД (топливный насос высокого давления)
ER Тормоз-замедлитель двигателя (моторный тормоз)
ESAC Electronic Shock Absorber Control (электронная система регулирования ходовой части)
ESP Electronic Stability Program (электронная программа обеспечения устойчивости)
ESR Электрическая солнцезащитная шторка
EST Электронный блок управления
EV Впускной клапан
EVB Exhaust Valve Brake (моторный тормоз-замедлитель)
F
FAP Рабочее место водителя
FAQ Frequently Asked Questions (часто задаваемые вопросы)
FBA Стояночная тормозная система
FDR Регулирование динамики движения → Заменено ESP
FDF Файл данных автомобиля
FFR Управляющий процессор автомобиля
FGB Система ограничения скорости
FGR Система регулирования скорости
FHS Кабина
FIN Идентификационный номер автомобиля (17-значный)
FM Система управления автомобилем
FMI Failure Mode Identifikation (тип сбоя)
FMS Fleet Management Standard (стандарт управления парком транспортных средств, независимый от изготовителя стандарт интегрированной системы коммуникаций Телематик)
FMR Регулирование двигателя автомобиля
FOC Front Omnibus Chassis (автобусное шасси с двигателем в передней части)
FSCH Обогрев лобового стекла
FSG Укладчик дорожного полотна
FSH Обогрев стекол/зеркал
FTW Перегородка места водителя
FUNK Рация
FZA Система маршрутной индикации
FZNR Номер автомобиля (7-значный)
G
GDK Регулируемый дизельный катализатор (GD-Kat)
GEN Генератор
GET Коробка передач
GGVS Европейское соглашение о международных автодорожных перевозках опасных грузов (ADR)
GND Ground (масса)
GP Планетарная группа коробки передач (задний делитель)
GS Система управления коробкой передач
GV Передний делитель коробки передач (группа передач делителя)
H
HA Задний мост
HBA Вспомогательная тормозная система
HD-OBD Heavy Duty-Onboard Diagnose (Бортовая диагностика для тяжелых условий работы)
HDS Система дозирования мочевины
HGB Ограничение максимальной скорости
HGS Гидравлическая система переключения передач
HLUE Гидростатический привод вентилятора
HOC Heck Omnibus Chassis (автобусное шасси с двигателем в задней части)
HSS Выключатель Highside
HST Основная приборная панель
HU Основной техосмотр
HVA Гидростатический привод передних колес → Заменен HYDRIVE
HYDRIVE Гидростатический привод передних колес → Заменен HYDRO
HYDRO MAN Hydro Drive (Гидропривод MAN)
Hz Герц (изменений/периодов в секунду)
HZA Система сигнализации остановки по требованию
HZG Вспомогательный датчик частоты вращения
I
IBEL Освещение кабины
IBIS Встроенная бортовая информационная система
IC Integrated Circuit (интегрированная коммутируемая схема)
ID Идентификация
IMR Встроенное механическое реле (управление стартером)
INA Информационный дисплей (например, сигнализатор)
INSTR Приборная панель
IR Индивидуальное регулирование (ABS)
IRM Модифицированное индивидуальное регулирование (ABS)
ISO International Standard Organisation (Международная организация по стандартизации)
IWZ Инкрементная система измерения угла/времени
K
KBZ Комбинированный тормозной цилиндр
KFH Обогрев топливного фильтра
KITAS Интеллектуальный датчик спидографа Kienzle
KLI Кондиционер
KNEEL Система наклона кузова
KSM Заказной модуль управления (устройство управления для внешнего обмена данными)
KSW Особое пожелание заказчика
KWP Key Word Protocol (протокол по диагностике при помощи MAN-cats KWP 2000)
L
LBH Ресивер
LCD Liquid Crystal Display (жидкокристаллический дисплей)
LDA Ограничитель хода рейки ТНВД, зависимый от давления наддува
LDF Датчик давления наддува
LDS Система амортизации пневматических рессор
LED Light Emitting Diode (светодиод)
LF Пневматическая подвеска
LGS Lane Guard System (система курсового контроля)
LL Частота вращения двигателя на холостом ходу
LLA Увеличение частоты вращения двигателя на холостом ходу
LLR Регулирование частоты вращения на холостом ходу
LNA Управляемый поддерживающий мост
LNG Liquified Natural Gas (сжиженный природный газ)
LOE Контроль масла рулевого привода
LPG Liquified Petroleum Gas (сжиженный нефтяной газ)
LWR Установка угла наклона фар
LSVA Пошлина на грузовые автомобили в зависимости от расстояния
M
M-TCO Модульный спидограф ЕС
MAB Останов магнитным клапаном (останов двигателя при помощи магнитного клапана высокого давления в ТНВД)
MAN- cats MAN- computer- assisted testing and diagnosting system (компьютерная система контроля и диагностики MAN)
MAR Реле останова магнитным клапаном (реле избыточного выключения двигателя)
MDB Диапазон частоты вращения двигателя
MES Сигнализатор объема топлива
ML Midline (средняя линия)
MI Malfunction Indicator (сигнальная лампа)
MIL Malfunction Indicator Lamp (сигнальная лампа OBD)
MMI Интерфейс человек-машина
MOTB Моторный тормоз
MP Кабельный туннель двигателя (кабельный канал на моторном блоке)
MR Регулятор двигателя — ASR
MSG Блок управления двигателем (EDC)
MUX Мультиплексный центральный процессор
MV Магнитный клапан
MZ Тормозная пневматическая камера
N
n Частота вращения
NA Механизм отбора мощности
NBF Датчик хода иглы
NES Новая электронная структура
NFZ Транспортные средства для перевозки грузов и пассажиров
NLA Задний поддерживающий мост → Заменен SBW-RA
NOx Оксид азота
NSL Задний противотуманный фонарь
NSW Противотуманная фара
O
OBD Бортовая диагностика
OBDU Onboard Diagnostic Unit (бортовой диагностический прибор)
OC Occurrence Count (счетчик повторяемости… сбоя)
OEAB Маслоотделитель
OENF Дозаправка масла
P
p Давление
P Powertrain (Трансмиссия, передаточный механизм)
P-Code Коды неисправностей трансмиссии
PBM Pulse Breadth Modulation (сигнал широтно-импульсной модуляции, см. также PWM)
PDF Фильтр дизельных частиц
PLM Программируемый логический модуль
PM Particulate Matter (твердые частицы, например сажа)
PSC Pneumatic Supply Controller (пневматический контроллер подачи) → Заменен ECAM
PSG Блок управления насосом (EDC)
PTO Power Take Off (механизм отбора мощности)
PWM Pulse Width Modulation (сигнал широтно-импульсной модуляции, см. также PBM)
R
RA Руководство по ремонту
RAH Отопление салона
RAM Random Access Memory (ОЗУ — энергозависимая записываемая/считываемая память)
RAS Rear Axle Steering (управляемый задний мост)
RAS-EC Rear Axle Steering- Electronic Controlled (электронный управляемый задний мост)
RDRA Система регулирования давления воздуха в шинах
RDS Информационная радиосистема
RET Тормоз-замедлитель
RET P Первичный тормоз-замедлитель
RET S Вторичный тормоз-замедлитель
RKL Проблесковый маячок
RKS Система контроля шин → Заменена TPM
RLV Релейный клапан
RME Raps Methyl Ester (биодизель)
ROM Read Only Memory (ПЗУ — постоянное запоминающее устройство)
S
SA Специальное оборудование
SAE Society of Automotive Engineers (Ассоциация инженеров автомобилестроения)
SAMT Semi Automatic Mechanic Transmission (полуавтоматическая механическая коробка передач)
SB Сервисный центр
SBW-RA Steer By Wire Rear Axle (Задний поддерживающий мост с электронным управлением)
SCR Selective Catalytic Reduction (селективное каталитическое восстановление)
sec Секунда
SER Серия
SG Блок управления
SH Регулирование Select-High (ABS)
SKD Semi Knocked Down (частично разобранное транспортное средство)
SL Регулирование Select-Low (ABS)
SML Боковые габаритные фонари
SPN Suspect Parameter Number (номер места сбоя)
STA Пуск/останов двигателя
SWR Очиститель фар
T
t Время
TBM Бортовой модуль Telematic
TC Traction Control (антипробуксовочная система)
TCM Trailer Control Modul (модуль управления прицепом)
TCO Спидограф
TCU Transmission Control Unit (блок управления коробкой передач)
TEPS Twin Electronic Platfom Systems (системы на сдвоенной электронной платформе)
TKU Техническая документация заказчика
TMC Traffic Message Channel (информационный канал о ситуации на дорогах)
TPM Tyre Pressure Modul (система контроля давления воздуха в шине)
TRS Транспортные технические нормативы
TSC Torque Speed Control (тормозной момент)
TSU Устройство моделирования спидографа (для транспортных средств без MTCO/DTCO)
TUER Система управления дверями
U
UBat Напряжение аккумуляторной батареи
UDF Файл данных переналадки (conversion file)
UDS Накопитель аварийных данных
V
v Скорость
VA Передний мост
VDF Vehicle data file (файл данных автомобиля)
VG Раздаточная коробка
VLA Передний поддерживающий мост
W
WA Руководство по техническому обслуживанию
WAB Водоотделитель
WaPu Трансмиссионный тормоз водяного насоса
WLE Сменный бортовой модуль
WR Сигнальное реле
WS Датчик перемещения
WSK Тягово-сцепное устройство
Z
z Коэффициент торможения
ZBR Центральный бортовой компьютер
ZBRO Центральный бортовой компьютер автобуса
ZDR Регулирование промежуточной частоты вращения
ZE Электрическая бортовая сеть
ZFR Дополнительный бортовой компьютер
ZR Центральный процессор
ZS Централизованная смазочная система
ZUSH Дополнительный отопитель
ZWS Интервальная система технического обслуживания
λ Пробуксовка
µ Коэффициент трения
µC Микроконтроллер (микропроцессор)