Электросхема управление двигателем MR Mercedes Axor 940-944
Электропитание базового модуля

- А7: Базовый модуль
- G1: Аккумуляторная батарея
- G2: Генератор
- M1: Стартер
- S1: Замок зажигания
- Х9: Колодка клеммы 31 на кронштейне аккумуляторной батареи
- Х14: Колодка клеммы 30 на плате штекеров 'Кабина водителя - шасси'
- Х15: Колодка клеммы 31 на плате штекеров 'Кабина водителя - шасси'
Фрагмент электросхемы WSP иммобилайзер

- S1: Замок зажигания
- А42: WSP иммобилайзер
-АЗ: FR система управления движением
- Аб: MR система управления двигателем
Датчик температуры топлива

- Аб: Блок управления MR система управления двигателем
- N3: Штекерное соединение (55-контактное)
- В10: Датчик температуры топлива
Датчик уровня масла

- Аб: Блок управления MR система управления двигателем
- N3: Штекерное соединение (55-контактное)
- В14: Датчик уровня масла
Фрагмент электросхемы датчика положения

- Аб: Блок управления MR система управления двигателем
- N3: Штекерное соединение (55-контактное)
- В15: Датчик положения коленвала
- В16: Датчик положения распредвала
Датчик температуры охлаждающей жидкости

- Аб: Блок управления MR система управления двигателем
- N3: Штекерное соединение (55-контактное)
- В65: Датчик температуры охлаждающей жидкости
Датчик числа оборотов турбонагнетателя

- В104: Датчик числа оборотов турбонагнетателя
- Х2: 55-контактное штекерное соединение на блоке управления MR (Аб).
Указание:
- Датчик числа оборотов турбонагнетателя установлен только в сочетании с турботормозом (Turbobrake).
Комбинированный датчик 'Давление и температура масла'

- Аб: Блок управления MR система управления двигателем
- N3: Штекерное соединение (55-контактное)
- В110: Комбинированный датчик 'Давление и температура масла'
Комбинированный датчик 'Давление и температура нагнетаемого воздуха'

- Аб: Блок управления MR система управления двигателем
- N3: Штекерное соединение (55-контактное)
- B11: Комбинированный датчик 'Давление и температура нагнетаемого воздуха'
Фрагмент электросхемы электропитания блока управления MR
система управления двигателем

- Аб: Блок управления MR система управления двигателем
- А7: Базовый модуль
- G1: Аккумуляторная батарея
- G2: Генератор
- N3: Штекерное соединение (55-контактное)
- XI: Штекерное соединение (15-контактное или 16-контактное)
- Х2.2: Штекерное соединение на плате штекеров 'Кабина водителя - шасси'
Указание:
- N3/18, Х1/12: На выбор в зависимости от исполнения
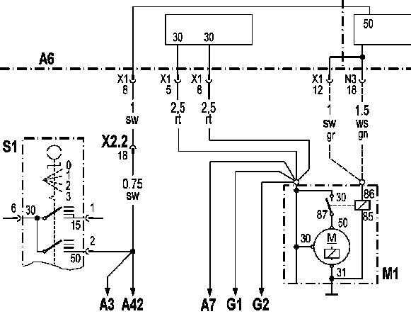
Фрагмент электросхемы стартера

- Аб: Блок управления MR система управления двигателем
- S1: Замок зажигания
- АЗ: Блок управления FR система управления движением
- А7: Базовый модуль
- А42: WSP иммобилайзер
- G1: Аккумуляторная батарея
- G2: Генератор
- N3: Штекерное соединение (55-контактное)
- XI: Штекерное соединение (15-контактное или 16-контактное)
- Х2.2: Штекерное соединение на плате штекеров 'Кабина водителя - шасси'
Указание:
- N3/18, Х1/12: На выбор в зависимости от исполнения
Кнопка пуска и остановки двигателя

- Аб: Блок управления MR система управления двигателем
- N3: Штекерное соединение (55-контактное)
- S10: Кнопка пуска двигателя
- S11: Кнопка остановки двигателя
Пропорциональный клапан 2

- Аб: Блок управления MR система управления двигателем
- N3: Штекерное соединение (55-контактное)
- Y49: Пропорциональный клапан 2: постоянный дроссель с гидравлическим приводом
Фрагмент электросхемы Привод вентилятора

- Аб: Блок управления MR система управления двигателем
- N3: Штекерное соединение (55-контактное)
- Y70: Электромагнит ступени вентилятора 1
- Y71: Электромагнит ступени вентилятора 2
Электропневматический преобразователь (EPW)

- Аб: Блок управления MR система управления двигателем
- Y49: Электромагнитный клапан 'Постоянный дроссель'
- Y70: Электромагнит ступени вентилятора 1
- Y71: Электромагнит ступени вентилятора 2
- Y87: Электропневматический преобразователь (EPW)
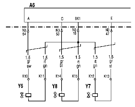
ТНВД цилиндров 1 ряда

- Аб: Блок управления MR система управления двигателем
- ВК1: Ряд 1
- К10...К15: Винтовые клеммы электромагнитных клапанов ТНВД цилиндров
- N3: Штекерное соединение (55-контактное)
- Y6...Y8: Электромагнитные клапаны ТНВД цилиндров 1...3 (на двигателе R6)
ТНВД цилиндров 2 ряда

- Аб: Блок управления MR система управления двигателем
- ВК2: Ряд 2
- К18...К58: Винтовые клеммы электромагнитных клапанов ТНВД цилиндров
- N3: Штекерное соединение (55-контактное)
- Y9...Y11: Электромагнитные клапаны ТНВД цилиндров 4...6 (на двигателе R6)
Шина данных CAN двигателя

- АЗ: Блок управления FR система управления движением
- Аб: Блок управления MR система управления двигателем
- XI: Штекерное соединение (16-контактное)
- Х2.2: Штекерное соединение (18-контактное)
- Х4: Штекерное соединение (18-контактное)
Указание:
- Место установки штекерного соединения Х2.2 на плате штекеров 'Кабина водителя - шасси'
Клемма 15 к блокам управления FR система управления движением и MR
система управления двигателем

- АЗ: Блок управления FR система управления движением
- Аб: Блок управления MR система управления двигателем
- А7: Базовый модуль
- F30: Предохранитель
- KI. 15: Клемма 15 на базовом модуле
- S1: Замок зажигания
- Х2.2: Штекерное соединение на плате штекеров 'Кабина водителя - шасси'
Место установки: Блоки управления

- 1: Место блока управления в настоящее время не занято.
- 2: Блок управления FLA электрофакельный подогреватель воздуха
- 3: Блок управления NR Система регулирования уровня кузова
- 4: Блок управления WS система техобслуживания
- 5: Блок управления HPS система гидропневматического переключения передач
- 6: Блок управления FR система управления движением
- 7: Блок управления ABS антиблокировочная система или BS тормозное управление
- 8: Точка звезды CAN
- 9: Блок управления Базовый модуль GM
- 10: Блок управления PSM параметрируемый спецмодуль
- 11: Блок управления GS управление переключением передач
- 12: Блок управления RS управление тормозом-замедлителем (ретардером)
Блок управления MR система управления двигателем

- 1: Блок управления MR система управления двигателем
- 2: N3 Штекерное соединение (55-контактное)
- 3: XI Штекерное соединение (16-контактное)
Замок зажигания со считывающим блоком иммобилайзера

- Замок зажигания со считывающим блоком иммобилайзера
Место установки датчика температуры топлива

- 1: Датчик температуры топлива
- 2: Штекер датчика температуры топлива
Место установки датчика уровня масла

- 1: Датчик уровня масла
- 2: Штекерное соединение датчика уровня масла В14
Датчики

- 1: Датчик положения коленвала
- 2: Датчик положения распредвала (датчик ВМТ, цилиндр 1)
Место установки датчика температуры охлаждающей жидкости

- 8: Датчик температуры охлаждающей жидкости
Датчик числа оборотов турбонагнетателя

- 1: Датчик числа оборотов турбонагнетателя В104
- 2: Штекерное соединение Датчик числа оборотов турбонагнетателя
- 3: Электропневматический преобразователь (Y87)
- 4: Штекерное соединение Электропневматический преобразователь (Y87)
Место установки комбинированного датчика В110

- 1: Комбинированный датчик 'Давление и температура масла'
Место установки комбинированного датчика B111

- 1: Комбинированный датчик 'Давление и температура нагнетаемого воздуха'
- 2: Штекер (4-контактный) комбинированного датчика
M1: Стартер (Реле управления , Тяговое реле)

- 1: Реле управления
- 2: Выход 'Клемма 87' с тягового реле
- 3: Провод управления (клемма 50) от блока управления MR
- 4: Стартер
- 5: Клемма 30 на реле управления
- 6: Тяговое реле
- 7: Клемма 86 на реле управления
- 8: Выход 'Клемма 87' на реле управления
- 9: Вход 'Клемма 50' с реле управления
- 10: Клемма 30
Место установки кнопки пуска и остановки двигателя

- 1: Блок управления MR система управления двигателем
- 2: Кнопка остановки двигателя
- 3: Кнопка пуска двигателя
Пропорциональный клапан 2

- 1: Пропорциональный клапан 2: постоянный дроссель с гидравлическим приводом
- 2: Штекерное соединение Пропорциональный клапан 2: постоянный дроссель с гидравлическим приводом
Электропневматический преобразователь (EPW)

- 1: Датчик числа оборотов турбонагнетателя В104
- 2: Штекерное соединение Датчик числа оборотов турбонагнетателя
- 3: Электропневматический преобразователь (Y87)
- 4: Штекерное соединение Электропневматический преобразователь (Y87)
ТНВД цилиндров

- 1: ТНВД цилиндра 1
- 2: ТНВД цилиндра 2
- 3: ТНВД цилиндра 3
- 4: ТНВД цилиндра 4
- 5: ТНВД цилиндра 5
- 6: ТНВД цилиндра 6
ТНВД цилиндра

- 1: ТНВД цилиндра с винтовыми клеммами
Блок управления MR система управления двигателем

Подробная распиновка в "Большой энциклопедии для автоэлектриков и диагностов"
Комбинированный датчик В110

- 1: Общий провод обратной связи (AGND)
- 2: Сигнал температуры
- 3: Электропитание 5 В
- 4: Сигнал давления
Комбинированный датчик B111

- 1: Общий провод обратной связи (AGND)
- 2: Сигнал температуры
- 3: Электропитание 5 В
- 4: Сигнал давления
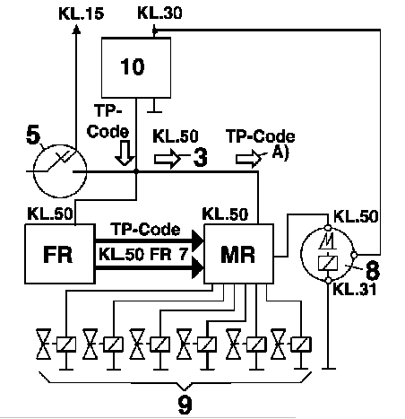
Взаимодействие иммобилайзера, блока управления движением и двигателем

- 3: Провод 'кл. 50'
- 5: Замок зажигания
- 7: Шина данных CAN двигателя
- 8: Стартер
- 9: ТНВД цилиндров
- 10: Считывающий блок иммобилайзера
- FR: Блок управления FR система управления движением
- MR: Блок управления MR система управления двигателем