Схема дополнительного автономного отопителя D1LCC / D3LCC MAN
ИСПОЛЬЗОВАНИЕ ЭЛЕКТРИЧЕСКИХ СХЕМ

- (1) Обозначение электродетали (пример: диод V100 в центральной электрической сети, место 53)
- (2) Место установки на передней стороне центральной электрической сети (здесь: выбитый номер места 53)
- (3) Штекерное соединение на задней стороне центральной электрической сети (здесь: штекер 78, разъем 8)
- (4) Номер провода, для цветных проводов сокращение обозначения цвета, поперечное сечение указывается, только если оно больше 1²
- (5) Название, номер кабеля в скобках представляют собой токопроводящие соединения на плате
- (6) Разрыв и продолжение проводников с номером листа (лист 2) и номером цепи (цепь 4)
- (7) Штекерное соединение (пример: одноконтактное штекерное соединение X104)
- (8) Место установки компонента (см. обозначение мест установки)
- (9) Электрическая цепь (нумерация от 1 до 55/60 на схему)
D1LCC / D3LCC TGA С TRS

- A100 Центральная электрическая сеть
- A290 Устройство управления дополнительного отопителя
- A483 Дополнительный воздушный отопитель
- F185 Предохранитель дополнительного отопителя
- M123 Дозировочный насос дополнительного отопителя
- V188 Диодная группа из 8 диодов для прерывателя аккумуляторной батареи
- X546 Штекерное соединение — дополнительный воздушный отопитель — прерыватель аккумуляторной батареи
- X1644 Точка массы кабины рядом с центральной электрической сетью
- X1824 Штекерное соединение в кабине, дозировочный насос, дополнительный отопитель
- X1861 Штекерное соединение — устройство управления дополнительного отопителя
- X2182 Штекерное соединение — отключение TRS воздушного отопления
- X2542 Распределитель потенциалов 21-контактного провода 58000
- X2543 Распределитель потенциалов 21-контактного провода 30006
- X2544 Распределитель потенциалов 21-контактного К-провода
——– ————————————————————————
1 Датчик начала воспламенения
2 Датчик перегрева
3 Дизель
4 Свеча накаливания
5 Устройство управления
——– ————————————————————————
E6 Место установки сектора центральной электрической сети
F1 Место установки средней части
F5 Место установки передка внутри справа
F8 Место установки консоли коробки передач
H1 Место установки центральной стойки со стороны водителя
R1 Место установки передней части рамы
D1LCC / D3LCC TGA БЕЗ TRS

- A100 Центральная электрическая сеть
- A290 Устройство управления дополнительного отопителя
- A483 Дополнительный воздушный отопитель
- F185 Предохранитель дополнительного отопителя
- F376 Предохранитель клемма 15 внутри кабины
- M123 Дозировочный насос дополнительного отопителя
- V188 Диодная группа из 8 диодов для прерывателя аккумуляторной батареи
- X546 Штекерное соединение – дополнительный воздушный отопитель —
- прерыватель аккумуляторной батареи
- X1644 Точка массы кабины рядом с центральной электрической сетью
- X1824 Штекерное соединение в кабине, дозировочный насос, дополнительный отопитель
- X1861 Штекерное соединение — устройство управления дополнительного отопителя
- X2542 Распределитель потенциалов 21-контактного провода 58000
- X2543 Распределитель потенциалов 21-контактного провода 30006
- X2544 Распределитель потенциалов 21-контактного К-провода
——– ————————————————————————
1 Датчик начала воспламенения
2 Датчик перегрева
3 Двигатель для горения
4 Свеча накаливания
5 Устройство управления
——– ————————————————————————
E6 Место установки сектора центральной электрической сети
F1 Место установки средней части
F5 Место установки передка внутри справа
F8 Место установки консоли коробки передач
H1 Место установки центральной стойки со стороны водителя
R1 Место установки передней части рамы
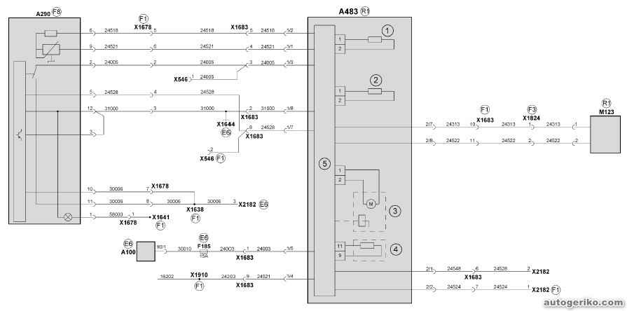
D1LCC / D3LCC, ТИПЫ X С TRS

- A100 Центральная электрическая сеть
- A290 Устройство управления дополнительного отопителя
- A483 Дополнительный воздушный отопитель
- F185 Предохранитель дополнительного отопителя
- M123 Дозировочный насос дополнительного отопителя
- X546 Штекерное соединение – дополнительный воздушный отопитель — прерыватель аккумуляторной батареи
- X1638 Паяное соединение провода 30006
- X1641 Паяное соединение провода 58000
- X1644 Точка массы кабины рядом с электрической бортовой сетью
- X1678 Штекерное соединение – Дополнительный обогрев
- X1683 Штекерное соединение в кабине — автономный отопитель
- X1824 Штекерное соединение в кабине, дозировочный насос, дополнительный отопитель
- X1910 Паяное соединение K-KWP2
- X2182 Штекерное соединение – отключение TRS воздушного отопления
——– ————————————————————————
1 Датчик начала воспламенения
2 Датчик перегрева
3 Двигатель для горения
4 Свеча накаливания
5 Устройство управления
——– ————————————————————————
E6 Место установки сектора центральной электрической сети
F1 Место установки средней части
F3 Монтажное положение педального узла
F8 Место установки консоли коробки передач
R1 Место установки передней части рамы
D1LCC / D3LCC, ТИПЫ X БЕЗ TRS

- A100 Центральная электрическая сеть
- A290 Устройство управления дополнительного отопителя
- A483 Дополнительный воздушный отопитель
- F185 Предохранитель дополнительного отопителя
- M123 Дозировочный насос дополнительного отопителя
- X546 Штекерное соединение – дополнительный воздушный отопитель — прерыватель аккумуляторной батареи
- X1638 Паяное соединение провода 30006
- X1641 Паяное соединение провода 58000
- X1644 Точка массы кабины рядом с электрической бортовой сетью
- X1678 Штекерное соединение – Дополнительный обогрев
- X1683 Штекерное соединение в кабине — автономный отопитель
- X1824 Штекерное соединение в кабине, дозировочный насос, дополнительный отопитель
- X1910 Паяное соединение K-KWP2
——– ————————————————————————
1 Датчик начала воспламенения
2 Датчик перегрева
3 Двигатель для горения
4 Свеча накаливания
5 Устройство управления
——– ————————————————————————
E6 Место установки сектора центральной электрической сети
F1 Место установки средней части
F3 Монтажное положение педального узла
F8 Место установки консоли коробки передач
R1 Место установки передней части рамы
Все схемы всех отопителей в