Электросхема FM VOLVO 2013 г.
Перечень электросхем
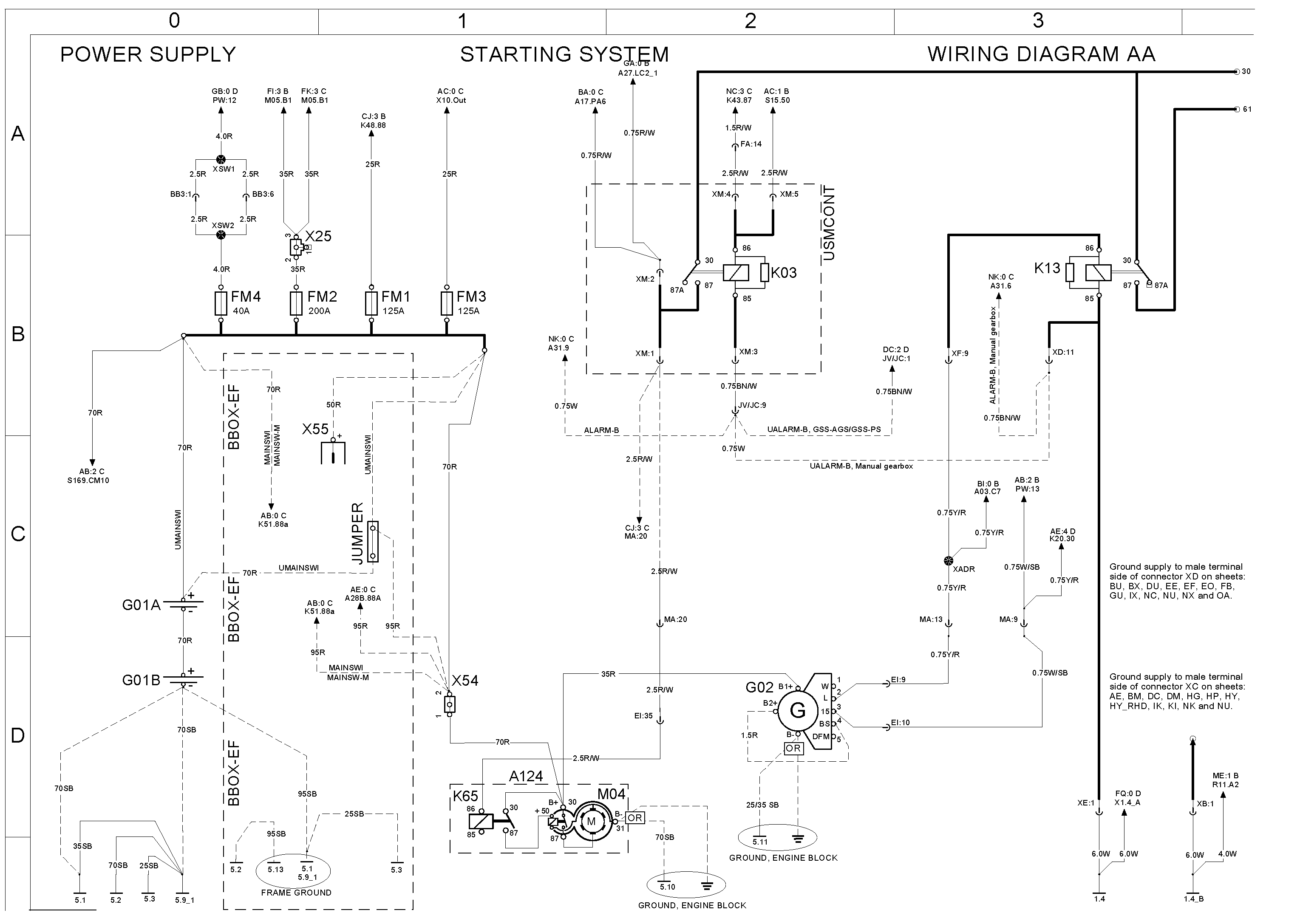
- AA Power supply, starting system
- AB Main switch
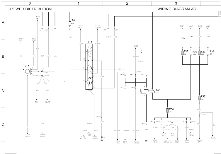
- AC Power distribution
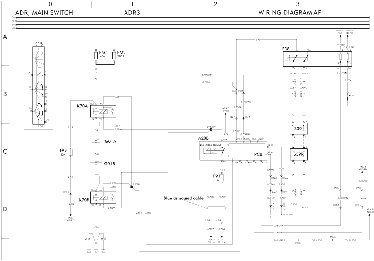
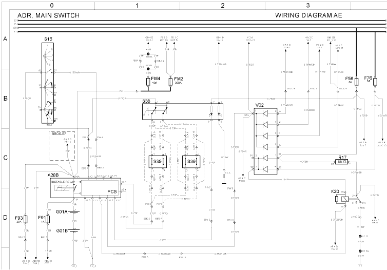
- AE ADR, main switch
- AF ADR, main switch, ADR3
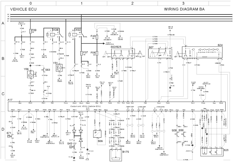
- BA Vehicle ECU
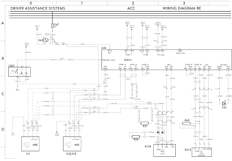
- BE Driver Assistance System, ACC
- BI Instrument cluster
- BM Tachograph in dash
- BN Tachograph in shelf
- BU Dynafleet TIS-BAS/TIS-MED/TIS-HIGH
- BX FMS Gateway
- BZ Toll collect
- BZ RHD Toll collect
- CJ Engine interface
- CO Engine D11A, D11B, D13A
- Engine D11C, EM-EU5
- Engine D11C, EM-EU5
- Engine D13B, EGR-C, EM-EC06
- Engine D13B, EGR-C, EM-EC06
- Engine D13H, EM-JPN10
- Engine D13H, EM-JPN10
- Engine D13C, EM-EU5
- Engine D13C, EM-EU5
- CP 12V trailer ABS converter, VERS-AUS, TABS-12V
- CR SCR+DPF, EM-JPN10
- CV SCR
- DC Gear selector ECU (I-SHIFT/POWERTRONIC)
- DI Powertronic
- DM Retardermanual gearshift
- DP I-shift
- DQ Power take off
- DU Diff-lock
- EE ABS basic, E-version
- EE RHD ABS basic, E-version
- EF ABS 6x2 VERS-SAM
- EO EBS ECU
- EO RHD EBS ECU.
- EP EBS modulators
- FA Air-suspension
- FA RHD Air-suspension
- FB Air-suspension
- FB RHD Air-suspension
- FG Load indicator
- FI Bogie lift A-ride
- FK Bogie lift A-ride with axle load limiter
- FL Bogie lift J-ride 6x2
- FM Axle lock, self steered axle
- FO Electronic steered axle
- FP Dual steered front axle
- FQ Air dryer
- FU Central lubrication system
- FX Fuel heater, Thermoline
- GA LCM head lights, BUMP-S/BUMP-P/BUMP-SC
- GA4 LCM head lights, BUMP-HDC
- GB LCM trailer
- GC LCM rear lights
- GC RHD LCM rear lights
- GE Rear lights overhang
- GF Rear lights, India/Korea
- GG Trailer connections, RIGID
- GH Trailer connections, TRACTOR
- GK Trailer connections (AUS only)
- GL Identification lamps
- GL2 Identification lamps, sunvisor H1
- GM Wiper, rainsensor
- GQ Horn
- GR Trailer connections TREL14
- GU Headlights adjust, BUMP-S/BUMP-P/BUMP-SC
- GU_2 Headlights adjust, BUMP-HDC
- HE Fan in dash board
- HG Climate unit, CU,-BAS,-MCC,-ECC
- HI Air heater, UADR
- HI2 Air heater, ADR
- HM Water heater
- HP Short stop cab heater
- HY Climat unit, CU,-HEAT,-ACMAN,-ACAUT.
- HY RHD Climat unit, CU,-HEAT,-ACMAN,-ACAUT
- HZ Air cooler, Brazil
- IA El. heated/adj. seat
- IE El. heat/adj. mirrors, El. window winders
- IF Foldable mirror bracket
- IH Interior light, H1
- IH3 Interior light, INLI-NL/INLI-BAS
- IH4 Interior light, H2/H3
- IK Alcolock, start prevention system
- IM Central locking, immobiliser
- IQ El. sunroof, cig. lighter, refrigerator
- IR 12V power supply
- IR2 Power outlets
- IS SRS. Air-bag.
- IU Audio
- IU RHD Audio
- IV Amplifier
- IX Integrated telephone
- IZ Backup camera
- KA Cab tilt
- KE Load light, 5:th wheel lamp
- KI Light sign
- KM Beacon warning light
- ME Extra fuse block, key switch relay
- MF Extra fuse block, SPDU-S
- NA Body builder (BB), auxsw-6 and swapbody
- NA_2 Body builder (BB), auxsw-6, working lamps
- NB Body builder (BB), tailprep and swapbody
- NC Body builder (BB), ELCE-CK, BBM, PTO2
- NI Extra spotlamps front/roof, max 4x70W
- NK Burglar alarm
- NU Body builder (BB), SPEED-DU
- NX Body builder (BB), SPDU-S
- OA Tyre pressure monitoring (TPM)
- XA Bus J1708/J1587
- XB Bus J1939
- XC Bus J1939–7, OBD
- YA Ground connector
- ZA RHD Ground/Misc






Полный объем информации по электросхемам VOLVO
могут просматривать и распечатывать в высоком качестве только пользователи



