SHACMAN X600 - Комфортность вождения
(холодильник, диспенсер для воды, прикуриватель, блок питания 12В, блок питания 24В, система питания 220)
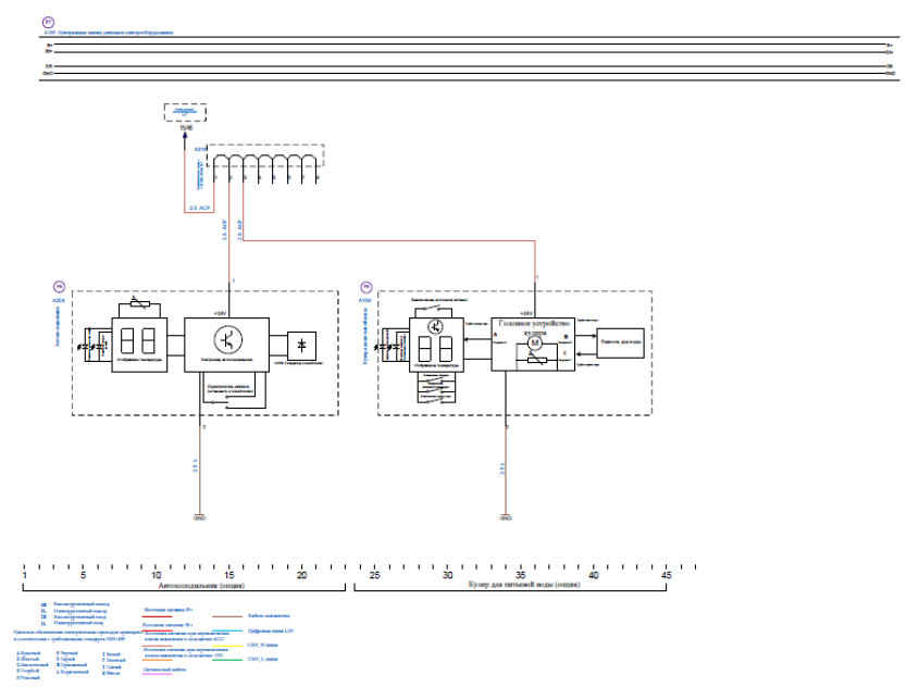
Описание системы холодильника

1 интерфейс питания, 2 ручки терморегулирования
Описание системы диспенсера

1 Режим горячей воды,
2 Режим нормальной температуры,
3 Индикатор питания,
4 Кнопка нормальной температуры,
5 Клавиша,
6 Кнопка нагрева,
7 Экран дисплея,
8 Нагревается,
9 Ротационный зажим,
10 Переключатель питания,
11 Инфракрасный слот расширения для карты памяти,
12 Выходной водопровод,
13 Неподвижный держатель

Блок управления главного блока диспенсера воды



Питание 12-24В

Электропитание 220В

Система отображения информации

Определение контактного вывода холодильника

Продолжение смотри в